Гость jank5 Опубликовано 13 Декабря, 2012 в 20:21 Жалоба Поделиться Опубликовано 13 Декабря, 2012 в 20:21 Я, наверное, дуб. Покажите пальцем на гравюре, чего бояться. Ссылка на комментарий Поделиться на другие сайты Поделиться
Dimonos Опубликовано 13 Декабря, 2012 в 21:02 Жалоба Поделиться Опубликовано 13 Декабря, 2012 в 21:02 (изменено) На рисунке корпус металлический, а у Саши нет. Как в таком случае? В принципе рекомендации понятны, в общем. А как развести если корпус не задействовать как экран? Предполагается, что нет никакого провода земля в розетке, только 0 и фаза. Почему так , а не иначе для сильноточных цепей я где то понимаю. Сухов как то очень ясьненько это изложил когда то. А вот для сигнальных слаботочных пробел. Наверно по наитию, но я общий разъемов от корпуса изолировал. Изменено 13 Декабря, 2012 в 21:03 пользователем dimonos Ссылка на комментарий Поделиться на другие сайты Поделиться
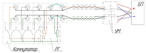
Гость kdtp Опубликовано 14 Декабря, 2012 в 07:05 Жалоба Поделиться Опубликовано 14 Декабря, 2012 в 07:05 Здравствуйте! Для Виталия. На «гравюре» боятся, ни чего не надо! Впрочем, если такой рисунок, ой, простите «гравюра», присниться, то можно со страху и ……! Для Дмитрия. Откровенно говоря, я хотел на этой схеме показать, как правильно надо организовывать разводку «Земли». Ну а как это будет сделано Вами или кем-то другим – дело вкуса и внутренней убеждённости в своей правоте! Я ни кого, ни к чему не принуждаю, а просто-напросто делюсь своими знаниями и опытом. Вы спросите: «Почему так, а не иначе!?». Коротко ответить на этот вопрос у меня не получится, а писать статью, объёмом с небольшую брошюру, мне чего-то не хочется! С уважением, Виктор kdtp! Ссылка на комментарий Поделиться на другие сайты Поделиться
Гость alvis Опубликовано 14 Декабря, 2012 в 08:20 Жалоба Поделиться Опубликовано 14 Декабря, 2012 в 08:20 (изменено) Посмотрел. Сильно... Меня не гоняли два семестра по теории входных цепей, но я на уровне инстинктов, как та собака, понимаю, что пускать сигнальный ток по такой длинной цепи и мешать его с токами питания не есть гуд, весьма мягко выражаясь. Понавязать в эту точку экранов - святое дело, но сигнал... У меня планируется сделать вот так. "Ага!!!",-скажете Вы:"Вот она, та самая злобная петля!!!" Возможно, но только две моих конструкции работают без фона по подобной схеме. Хорошо, для чистоты эксперимента сделаю по-другому - разделю земли каналов на плате. Вот только в источнике они всё равно соединяются и у Вас и у меня. Какая разница? Вы спросите: «Почему так, а не иначе!?». Коротко ответить на этот вопрос у меня не получится, а писать статью, объёмом с небольшую брошюру, мне чего-то не хочется! Не, а зачем тогда было начинать весь этот флейм? Форум технический, сказали "А", говорите "Б", "С" и т.д. Аргументы типа "потому что я так сказал" или "мамой клянусь" не принимаются. Зря, что-ли, Вас гоняли два семестра? Изменено 14 Декабря, 2012 в 08:29 пользователем alvis Ссылка на комментарий Поделиться на другие сайты Поделиться
Гость kdtp Опубликовано 14 Декабря, 2012 в 11:55 Жалоба Поделиться Опубликовано 14 Декабря, 2012 в 11:55 (изменено) Ну, хорошо. Для начала, небольшое лирическое отступление. Про «флейм». Если дословно, то «флейм», от английского «flame» — огонь, пламя. Но, батенька, «огните» и «пламенеете» Вы! Ежели, Вы имели в виду значение этого слова на «тарабарском», «компьютерном» языкище, то флейм, это завести дискуссию, уводящую собеседников от основной темы! По моему, я не давал Вам ни каких оснований думать и говорить так, о моей персоне. Ладно, проехали. К делу, господа, к делу! Для начала, нужно договориться о смысловом значении, выражения «земляная петля». Уж и не знаю, как Вы представляете себе смысл этого выражения, но только «петля», в нашем случае, это ЗАМКНУТЫЙ контур! Посему, на Вашей схеме (в том виде, как Вы её представили) нет и быть не может пресловутой, «земляной петли»! Но, когда Вы соедините между собой два устройства и «воткнёте» их к «розетку», то этот контур, сиречь «земляная петля», будет иметь место быть! Ну и чем же так страшен этот «чёртик»? – спросите Вы. Если совсем коротко и «примитивненько», то на «ГРАНИЦЕ» соединения этих устройств (как по входу-выходу, так и по сетевой «розетке»), может возникнуть некая «БЯКА». Эта «БЯКА», скорее всего, ознаменуется фоном в динамиках, с частотой в 50 или 100 Герц! Для предотвращения этого нежелательного эффекта существует некий, «классический» способ. «Классику» этого способа я отобразил на своей схеме! Следовать этому способу со всей доскональностью и с «тупым верованием» в его «непогрешимость», не обязательно, но желательно! Коль скоро, Вы собрали и отладили своё, некое радиотехническое устройство по своим «правилам» и «законам», и при этом, Вас всё устраивает, то И наслаждайтесь своим радиотехническим произведением «искусства»! И не ХРЕН (это я мягко выразился), здесь морочить людям голову! У Вас, всё давным-давно «отлажено» для производства очередного девайса! Качество двух предыдущих, Вас вполне устраивает!? Так в чём же дело? Эх-ма, ЛУТШЕЕ ВРАГ ХОРОШЕГО, или Вас этому не учили!? Ну и кто из нас тут занимается «флеймом»? С уважение, Виктор kdtp! Изменено 14 Декабря, 2012 в 16:52 пользователем kdtp Ссылка на комментарий Поделиться на другие сайты Поделиться
Гость alvis Опубликовано 14 Декабря, 2012 в 20:11 Жалоба Поделиться Опубликовано 14 Декабря, 2012 в 20:11 Успокойтесь, сударь, Вы не на учёном совете и апломб, ирония, как и шрифт верхнего регистра аргументом не является. Пока что вразумительной информации я от вас не увидел - одни "эмоции". Также, нигде не видел и схем, подобной приведённой Вами. Посему Вашу писанину я считаю тем самым классическим флеймом, определение которого Вам так хорошо известно. Если Вам писать более не о чем, прошу Вас - не засоряйте ветку. Ссылка на комментарий Поделиться на другие сайты Поделиться
Dimonos Опубликовано 14 Декабря, 2012 в 21:08 Жалоба Поделиться Опубликовано 14 Декабря, 2012 в 21:08 Здравствуйте! Для Дмитрия. Откровенно говоря, я хотел на этой схеме показать, как правильно надо организовывать разводку «Земли». Ну а как это будет сделано Вами или кем-то другим – дело вкуса и внутренней убеждённости в своей правоте! Я ни кого, ни к чему не принуждаю, а просто-напросто делюсь своими знаниями и опытом. Вы спросите: «Почему так, а не иначе!?». Коротко ответить на этот вопрос у меня не получится, а писать статью, объёмом с небольшую брошюру, мне чего-то не хочется! С уважением, Виктор kdtp! Здравствуйте, Виктор! Знаете, я понял, что Вы хотели показать как правильно организовать разводку. И не спрошу почему так, а не иначе. И по моему я задавал другой вопрос. Ссылка на комментарий Поделиться на другие сайты Поделиться
Гость kdtp Опубликовано 14 Декабря, 2012 в 21:46 Жалоба Поделиться Опубликовано 14 Декабря, 2012 в 21:46 Прошу меня извинить, Дмитрий, но дядя Саша из славного города Александров запретил мне заниматься писаниной на его «ветке». Честно говоря, я его побаиваюсь! Злой он, какой то, не добрый. Да ну его. Лучше я помолчу….. Ссылка на комментарий Поделиться на другие сайты Поделиться
Гость jank5 Опубликовано 15 Декабря, 2012 в 12:35 Жалоба Поделиться Опубликовано 15 Декабря, 2012 в 12:35 когда Вы соедините между собой два устройства и «воткнёте» их к «розетку», ... то на «ГРАНИЦЕ» соединения этих устройств (как по входу-выходу, так и по сетевой «розетке»), может возникнуть некая «БЯКА». Эта «БЯКА», скорее всего, ознаменуется фоном в динамиках, с частотой в 50 или 100 ГерцВсё-таки хотелось бы услышать начальника транспортного отдела внятный ответ.Если следовать вашей логике, вся аппаратура сплошь погрязла в земляных петлях и половина её фонит, т.к. по определению источник сигнала и усилитель соединены по входу/выходу и питаются от общей сети. В ходе обсуждения проекта входного коммутатора, объединенного с регулятором громкости, возникли разногласия по некоторым моментам конструктивного исполнения. Мне кажется, автор темы хочет услышать грамотное, аргументированное объяснение своих предполагаемых ошибок, а не ссылки на классику жанра. Объясните, в чем преимущество десяти проводов, идущих от каждого разъема к общей земле, над одним (двумя) провод(ом-ами), идущим от текстолитовой платы, на которой установлены разъемы, на ту же общую землю. Только без лирических экскурсов. Ссылка на комментарий Поделиться на другие сайты Поделиться
Elektrik Опубликовано 15 Декабря, 2012 в 20:26 Жалоба Поделиться Опубликовано 15 Декабря, 2012 в 20:26 (изменено) Прошу меня извинить, Дмитрий, но дядя Саша из славного города Александров запретил мне заниматься писаниной на его «ветке». "дядя Саша из славного города Александров" писал Вы не на учёном совете и апломб, ирония, как и шрифт верхнего регистра аргументом не является. и он же писал Форум технический, сказали "А", говорите "Б", "С" и т.д. Аргументы типа "потому что я так сказал" или "мамой клянусь" не принимаются. То есть Вам ни коим образом не запрещают, а наоборот просят, объяснить работу приведенной Вами схемы. Здесь не форум домохозяек. Люди кто больше, кто чуть меньше, но все грамотные. И если Вы пишете, что должно быть именно так, пожалуйста объясните, хотя бы в двух словах почему именно так. Вот я понимаю так. Есть два прибора, каждый из них соединен с землей в розетке, и их земли соединены между собой сигнальным кабелем, получается земляная петля. Как приведенная Вами схема исключает это? В чем разница между такими подключениями земли? Изменено 15 Декабря, 2012 в 20:32 пользователем elektrik Ссылка на комментарий Поделиться на другие сайты Поделиться
Dimonos Опубликовано 15 Декабря, 2012 в 20:52 Жалоба Поделиться Опубликовано 15 Декабря, 2012 в 20:52 Извиняюсь, я бы попросил определить определение земли и общего провода. А то кто то пишет о "земле" как о общем, кто то о общем проводе. Путаница, нифига непонятно. Ссылка на комментарий Поделиться на другие сайты Поделиться
Гость misa Опубликовано 16 Декабря, 2012 в 13:13 Жалоба Поделиться Опубликовано 16 Декабря, 2012 в 13:13 Всем добрый день. Данная тема для меня очень интересна. Собрал усилитель коректор для МС головки. Сначала сделал общий провод и присоединения к нему по каскадам, нашёл точку на шасси и всё бы хорошо да есть шум напоминающий эфирный.Переделал, отдельно сетки, отдельно катоды в звезду на блоке питания, как советовал уважаемый KDTP . Причём у моего товарища сделано было именно так,но так как девайс продан сравнить невозможно..Уровень низкочастотного фона увеличился, но изменением места прокладки проводов ,которые идут к обшей точке на блоке питания , добился прежнего значения, измерял В3-38 примерно3-5мв но с таким-же уровнем идёт эфирный шум. Голову сломал.Может кто подскажет? На входе стоит нувистор распаян на входные клеммы. Накал выпрямлен, анод 200вольт 450μF параллельно плёнка Ссылка на комментарий Поделиться на другие сайты Поделиться
Рекомендуемые сообщения
Для публикации сообщений создайте учётную запись или авторизуйтесь
Вы должны быть пользователем, чтобы оставить комментарий
Создать учетную запись
Зарегистрируйте новую учётную запись в нашем сообществе. Это очень просто!
Регистрация нового пользователяВойти
Уже есть аккаунт? Войти в систему.
Войти