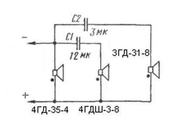
Гость dada Опубликовано 19 Ноября, 2012 в 10:02 Жалоба Поделиться Опубликовано 19 Ноября, 2012 в 10:02 (изменено) схема https://forum.datagor.ru/index.php?act=atta...st&id=24997 есть корпуса от 25ас-109.динамики 4гд-35(2шт). 4гдш-3(2шт).и3гд-31(2шт). всединамики в отличном состоянии нехрипят. мне посоветовали-в задних стенках насверлить 40 отверстий по 30мм.(ПАС)-что и сделал. в корпуса закрепил данные динамики. 4гд-35 напрямую. 4гдш-3 через 12μF.по минусу.(возможно надо ешё 12 μF добавить-т.е. через22μF) 3гд-31 через 3μF.по минусу. плюсы всех соединил вместе. звучание ...... :smile: не важное) Изменено 2 Декабря, 2012 в 17:36 пользователем dada Ссылка на комментарий Поделиться на другие сайты Поделиться
Гость alexjc Опубликовано 19 Ноября, 2012 в 12:52 Жалоба Поделиться Опубликовано 19 Ноября, 2012 в 12:52 мой тебе совет, слушать блюз и вокал на динамиках 4ГД-35 без дополнительных динамиков и конденсаторов. Ещё лучше лни будут играть не в ПАС, а в открытом экране 1мх1м, ну или немного меньше, звук будет улёт! Ссылка на комментарий Поделиться на другие сайты Поделиться
Datagor Опубликовано 19 Ноября, 2012 в 13:05 Жалоба Поделиться Опубликовано 19 Ноября, 2012 в 13:05 Уважаемый Семен с маленькой буквы, вы знаете, что даже имена собак пишут с большой: Белка, Стрелка? Внимательно изучите наши Правила: https://datagor.ru/rules.html Ваше сообщение может быть удалено по пункту 3.5. Будьте внимательнее. Начните с размещения текущей схемы ваших колонок Ссылка на комментарий Поделиться на другие сайты Поделиться
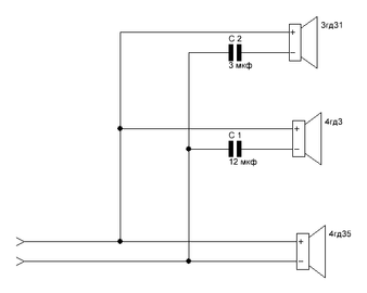
Dimonos Опубликовано 19 Ноября, 2012 в 22:38 Жалоба Поделиться Опубликовано 19 Ноября, 2012 в 22:38 (изменено) По моему схема у Семена с маленькой буквы такая Хотелось бы знать, кто именно посоветовали и что конкретно, только отверстия просветлить или еще и схему? По моему там 2 динамика лишние. Один так точно. 4ГД-3 самое то, если это конечно тот что ставился в Веге 335 (отстегивающимися колонками). Вполне отыграет и низкие и высокие. И даже без пищалки. А ящик ему можно и поменьше, и открытый. Попробуйте его одного, сначала без ничего( без ящика), потом в ящике от 25ас. А 4ГД35 в таком ящике принесет Вам одни мучения. Он не подходит по форме. Если Вы не будете спешить, все получиться. Дело не фильтре. Дело в подходе. Не надо так совать все до кучи, это не есть хорошо. Начните с попроще. Вам понравиться. Изменено 19 Ноября, 2012 в 22:41 пользователем dimonos Ссылка на комментарий Поделиться на другие сайты Поделиться
Гость dada Опубликовано 20 Ноября, 2012 в 05:15 Жалоба Поделиться Опубликовано 20 Ноября, 2012 в 05:15 (изменено) Приношу извинения за невнимательность - ознакомление с правилами и маленькая с. Спасибо всем кто откликнулся! :smile: Уважаемый Игорь(Создатель)-буду ждать вашего "вердикта".Схему добавил.чуть ниже. Все мнения и советы будут пристально приняты во внимание ! "на вооружение" ! Я понял вас Алексей Геннадьевич- 4ГД-35 на открытой панели отлично играют.- я в курсе.(хочу ещё лучше---"живее-теплее-ламповее"). -щит из 4 х шт. 4гд-35 уже делал(2 последовательно и 2 параллельно)-ЗВУЧИТ !!! -сейчас в поиске варианта по компактнее. Cтереофоническая радиола "Симфония-003"-слушал-ПРИЯТНО ЗВУЧИТ. Схема - да. такая.+Спасибо Дмитрий ! Почему всё в кучу- -начать с эксперимента(учесть советы опытных специалисов) -закончить АС , доведя до прозрачнного, детального, с хорошо прорисованной панорамой звучания. Скажете-ДАЛЕКО ЗАМАХНУЛСЯ для начинающих. Но поставив себе цель-есть и желание и терпение , получить результат. С1-два спаянных параллельно на 160в.(К73-11=6,8мк и К73-11=5,6мк). С2-два спаянных параллельно на 160в.(МБГО-2=2мк и МБГО-2=1мк). в качестве сч-есть ещё 2 динамика 6ГД-5-4 может они лучше !? в качестве Вч-есть ещё 2 динамика 6ГДВ-2-8 может они лучше !? в качестве НЧ -есть ещё 2 динамика 4ГД-28(5,4оМ каждый-замерял) может они лучше !? возморжно сч динамик подключить через резистор 4 или 15 Ом.(5Ватт).-есть пара и тех и тех. Да на сайтах много информации , схем , расчётов. Чтобы познать ВСЁ у меня уйдет на это лет 5-7 :smile: Вроде "7546 стогов сена и одна иголка". Поэтому обращаюсь к вам - радиолюбителям. Добавлено после раздумий: Добрый день Дмитрий-я вас понял. По корпусу мне посоветовал знакомый. Он ...когда-то делал сам корпуса и вёл расчёты. По 4ГД-35 пояснил так-с корпусом от 25АС-109 ,в задней стенке фрезой вырезать отверстий=1,57 площади диффузора данного динамика.Это я и сделал. Следующий его совет был-на сч 12-20 мк. на вч 3-5мк.-------и эксперементируй! Пожелал удачи!. корпуса мне достались за 100р.без динамиков. динамики прикупал.в 600р. уложился. Отсюда" всё и началось". И конечно готов дополнительно потратиться на -другие конденсаторы. -разные резисторы. Для комплектации есть ещё- -ватин простёганный.(толщиной 4-6мм).размером 400мм на 700мм. -поролон (толщиной 4-6мм).500мм на 350мм два шт. -шерсть сибиркой лайки -полный пакет. -Смеётесь-и я тоже :smile: Изменено 20 Ноября, 2012 в 09:47 пользователем dada Ссылка на комментарий Поделиться на другие сайты Поделиться
Гость dada Опубликовано 20 Ноября, 2012 в 08:32 Жалоба Поделиться Опубликовано 20 Ноября, 2012 в 08:32 (изменено) Если есть смысл-избавиться от сч и С1 (оставитьширокополосный 4гд-35 и 3гд-31или(6ГДВ-2-8) то - возможно я так и сделаю. В этом случае отверстие от сч -оставлю открытым. Рассмотрю любые варианты. Прочитал про - Улучшение звучания переносной техники со встроенной акустикой, Магнитол, приемников и пр. от 7.7.2012, 21:30 Дмитрий.(dimonos) - познавательно... Панели пластиковые лицевые сразу выбрасил.-страшные. Решил заказать 2шт.декоротивные рамы -как для фото.обтяну тканью- типа как на радиолах 60хх годов. О результатах буду сообщать. Да -кроме CD ещё винил слушаю на "Ария-102-с". Изменено 20 Ноября, 2012 в 09:36 пользователем dada Ссылка на комментарий Поделиться на другие сайты Поделиться
Chugunov Опубликовано 20 Ноября, 2012 в 10:28 Жалоба Поделиться Опубликовано 20 Ноября, 2012 в 10:28 Здравствуйте, Семён. Если я правильно понял, задача слушать условно говоря "джаз-блюз" дома с комфортным звуком через ламповый усилитель. Пьяные мясо-колбасни с терроризированием соседей не нужны. Так? Считаю, что для этого достаточно по одному динамику в колонке, максимум - два (без учета пищалки). Пытаться сделать из ваших динамиков трехполосную акустику - неправильно т. к. динамики 4ГД работают в одном диапазоне, но имеют разный голос, поэтому будут только мешать друг другу. Вы легко можете найти разные варианты, для вас, думаю, лучше всего этот _https://www.tehnari.ru/f142/t62086/index3.html топик 28, слова Шалина: Берёте экран 1,2 м х 0,5 м и сажаете на него пару (две пары) таких головок. Получаете отличную открытую АС, где высокая добротность будет только плюс. Размеры не критичны, ширина от 40 до 80 см, высота - как получится. Желательно динамики ставить снаружи или внутри, но тогда отверстие под конус наружу. Советую пока не заказывать!! корпуса, а найти картонки-фанерки-оргалит примерно того размера и послушать. Важно, чтобы за динамиками было пространство, нехорошо ставить задом вплотную к стене. Важно соблюсти фазировку динамиков в правом-левом каналах (ясно как?). Поскольку щиты сами не стоят, придется сделать открытый ящик, но неглубокий, до 20 см. А опытные картонки просто прислонить к чему-то. Попытки счетверения головок дают мощность, чуть понижают частоту, но разрушают звуковую картину "джаза-блюза" (условно, поэтому в кавычках). Если найдете герлен, сделайте его раствор, но самостоятельно не мажьте! можете испортить. Прослушиванием вы решите для себя что лучше - 4гд-35 или 4гдш-3, думаю, последние. Если в целом звук устроит, можно добавить пищалку. Советую не связываться с 3ГД-31 и не делать под них дыру, лучше найти 2ГД-36, подключать через емкость 1...4 мкФ, по слуху. Корпуса можно сделать напольные или настольные. Более тонкие вещи - следующий этап. бУхало под бухАло с этими динамиками не получится в любом случае. Фазоинвертор и подобные сложные корпуса противопоказаны, закрытый ящик очень вряд ли, щит-открытый ящик - да. Относительно ткани, она должна быть прозрачной для звука, будет глушить высокие, поэтому надо пробовать на макете. Если сможете найти пару 3ГД-32, результат вас устроит. Будет проще и лучше. Ссылка на комментарий Поделиться на другие сайты Поделиться
Гость dada Опубликовано 20 Ноября, 2012 в 11:43 Жалоба Поделиться Опубликовано 20 Ноября, 2012 в 11:43 (изменено) Здравствуйте,Сергей.спасибо за информацию ! Пьяные мясо-колбасни с терроризированием соседей не нужны-ВЕРНО.НЕ ОДОБРЯЮ. Вариант с 4гд-35 и 2гд-36(6ГДВ-2-8 аналог 2 шт есть) через 1-4мк. попробую! По указаному вами сайту сделаю выводы для себя. ткань на оформление-в последнюю очередь.по составу понял. -близко к прозрачной и максимально звукопропускающей. "для соседей " есть Ласпи-005 и Вега 50АС-106. всё стоит в другой комнате-интерес давно пропал. но если выпросят-напугаю. :smile: корпуса мне достались за 100р.от Вега 25АС-109 без родных динамиков. -буду пробовать.это все что есть у меня- 2 динамика 6ГД-5-4оМ---говорят хорошие. 2 динамика 6ГДВ-2-8оМ (аналог 2гд-36)---говорят хорошие. 2 динамика 3гд-31---говорят не очень-то---2гд-36 лучше. 2 динамика 4ГД-28(5,4оМ каждый-замерял)---не пробовал. 2 динамика 4ГД-35-4оМ---точно их буду ставить. 2 динамика 4гдш-3-8оМ.---к этим почему-то не доверие(на вид бюджетный вариант.малый диффузор. -наврятли исполнят 65-70Гц). 3ГД-32 НЕТУ. В КРАСНОЯРСКЕ-НЕТУ. а так купил-бы. спасибо за внимание к моему вопросу ! Изменено 20 Ноября, 2012 в 12:41 пользователем dada Ссылка на комментарий Поделиться на другие сайты Поделиться
Chugunov Опубликовано 20 Ноября, 2012 в 13:14 Жалоба Поделиться Опубликовано 20 Ноября, 2012 в 13:14 корпуса мне достались за 100р.от Вега 25АС-109 без родных динамиков.-буду пробовать.это все что есть у меня- 2 динамика 6ГД-5-4оМ---говорят хорошие. 2 динамика 6ГДВ-2-8оМ (аналог 2гд-36)---говорят хорошие. 2 динамика 3гд-31---говорят не очень-то---2гд-36 лучше. 2 динамика 4ГД-28(5,4оМ каждый-замерял)---не пробовал. 2 динамика 4ГД-35-4оМ---точно их буду ставить. 2 динамика 4гдш-3-8оМ.---к этим почему-то не доверие(на вид бюджетный вариант.малый диффузор. -наврятли исполнят 65-70Гц). 3ГД-32 НЕТУ. В КРАСНОЯРСКЕ-НЕТУ. а так купил-бы. Семён! Не привязывайтесь строго к корпусам от 25АС-109, не делайте из них культа (шучу). Последуйте моему совету с картонками-фанерками. В них легко прослушать все динамики. В основной картонке делается дыра, а динамики прикручиваются к ней через небольшую маску-прокладку, индивидуальную для каждого динамика. Мысль понятна? Просто, дёшево и сердито. Если картон, его несложно усилить в месте крепежа. Проблема в том, что при переходе от щита к ОЯ(открытому ящику) очень легко получить "ящичный" звук, который всё испортит. Чем глубже ОЯ, тем эффект сильнее. Достоинство щита и ОЯ - почти произвольные размеры, промахнуться трудно (больше - лучше). 2 динамика 4гдш-3-8оМ.---к этим почему-то не доверие(на вид бюджетный вариант.малый диффузор. -наврятли исполнят 65-70Гц). Не судИте по внешнему виду, послушайте, это нетрудно. 3ГД-32 и 3ГД-42 ещё меньше, но средние частоты и голос они передают лучше. Кстати, мне для комфортного прослушивания сейчас достаточно 1 Вт, максимум - 2 (на канал). Относительно "65-70Гц", вряд ли все ваши динамики это смогут, но для вашей музыки это второстепенно, главное - середина!!! Именно и только этим они могут переплюнуть Вегу 50АС-106. Эффект естественности дорогого стоит. Если интересно, могу дать совет, но только в личном сообщении - он противоречит сайту. Ссылка на комментарий Поделиться на другие сайты Поделиться
Гость dada Опубликовано 20 Ноября, 2012 в 14:17 Жалоба Поделиться Опубликовано 20 Ноября, 2012 в 14:17 (изменено) ПОНЯТНО. дело в том что данные корпуса по литражу схожи с корпусами АС от радиолы симфония-003. и динамики там тоже без золота и платины-----бумажные. поэтому решено было изначально делать с(пас)-т.е. почти вся задняя стенка в отверстиях. внутри стенки обить шумоматериалом. "экраны" с динамиками разными на двп листах собирал.без кондёров. просто отдельно прослушивал.2 плиты двп на расстоянии 5м др. от друга. стерео вариант и с сд и с винилом. -впечатления были от этих- 2шт. 4ГД-28(5,4 оМ каждый-замерял)-мощно.- Частота основного резонанса -60Гц. 2шт. 4ГД-35-4 оМ-серединка пояснее. - Частота основного резонанса 65 Гц. 2шт. 6ГДВ-2-8 оМ-одинаково играют.(аналог 2гд-36).-- Частота основного резонанса -4000 Гц. 2шт. 6ГД-5-4 оМ-слабый низ-но яркая мощная срединка.- Частота основного резонанса -140 Гц. 4ГДШ-3 не понравился.(раньше был у меня мафон весна-310.) и в щит ставил -не то! из этих складывается вариант на ; 4гд-35 как нч и частично сч.(63 - 12500 Гц) - Частота основного резонанса 65 Гц. и с ним последовательно через кондёр ?-(5-15мк -это я к примеру) 6ГД-5-4 как сч и вч. ( 80 - 12500 Гц).- Частота основного резонанса -140 Гц. данные по частотам в интернете нашёл. схема упрощается.- Изменено 20 Ноября, 2012 в 14:22 пользователем dada Ссылка на комментарий Поделиться на другие сайты Поделиться
Chugunov Опубликовано 20 Ноября, 2012 в 14:26 Жалоба Поделиться Опубликовано 20 Ноября, 2012 в 14:26 динамики там тоже без золота и платины-----бумажные.поэтому решено было изначально делать с(пас)-т.е. почти вся задняя стенка в отверстиях. внутри стенки обить шумоматериалом. "экраны" с динамиками разными на двп листах собирал.без кондёров. просто отдельно прослушивал.2 плиты двп на расстоянии 5м др. от друга. стерео вариант и с сд и с винилом. -впечатления были от этих- 2шт. 4ГД-28(5,4 оМ каждый-замерял)-мощно.- Частота основного резонанса -60Гц. 2шт. 4ГД-35-4 оМ-серединка пояснее. - Частота основного резонанса 65 Гц. 2шт. 6ГДВ-2-8 оМ-одинаково играют.(аналог 2гд-36).-- Частота основного резонанса -4000 Гц. 2шт. 6ГД-5-4 оМ-слабый низ-но яркая мощная срединка.- Частота основного резонанса -140 Гц. Бумажные динамики считаются лучшими (кроме пищалок), вот только бумага весьма разная, хорошие бумажные диффузоры буквально на вес золота... ПАС - это не задняя стенка с произвольными ДЫРКАМИ. Это отверстия с сильно натянутой тканью. ПАС в обязательном порядке требует НАСТРОЙКИ. Нет даже четкой методики расчета ПАС, каждый случай уникален. У вас есть опыт настройки ПАС? Сомневаюсь, у меня тоже нет. А есть акустическая измерительная техника? Тоже сомненеваюсь. Это Бокарёв, ваш сосед может на слух настроить, мы, увы, на это неспособны. Так что ПАС - это хорошо, но для реальной пользы, а не показухи, надо потрудиться. На счет обивки внутренних стенок шумоматериалом... Не уверен, что для ЗЯ с ПАС это лучший вариант, надо слушать и сравнивать, при этом не обязательно шерсть прибивать на стенки. Можно добавлять-убирать её и сравнивать. Скорее потребуются распорки и автошумопоглотители. Как вы умудряетесь разносить щиты на 5 метров? В графских чертогах живете? Оптимально 2...3 метра. Кстати, не думаю, что это хорошо. В этом случае надо садиться далеко от колонок (те же 5 метров), зал получается большой и мощности может не хватить. Частоты основных резонансов, которые вы приводите мало связаны с воспроизводимыми частотами. Щиты для них нужны огромных размеров, в закрытых ящиках часота понизится (ПАС поможет), а в фазоинверторах будет такое бубнение, что эти частоты не нужны. Дело Ваше, но для "джаза-блюза" нужна не погоня за частотами (эти динамики всё равно много не выдадут, а хорошее воспроизведение средних частот, естественное живое звучание. При определенных условиях они способны к этому приблизиться, а разные ящики, обладая формально лучшими частотами, звучать будут скорее всего хуже. Ссылка на комментарий Поделиться на другие сайты Поделиться
Гость dada Опубликовано 20 Ноября, 2012 в 14:37 Жалоба Поделиться Опубликовано 20 Ноября, 2012 в 14:37 (изменено) согласен. пас придётся настраивать. слух музыкальный у меня есть-конечно на настройку уйдёт может месяц. но я считаю -оно того стоит. комната 4,8 на 3,7 м где-то так. 5м я уж округлил. согласен. 2 по 2 ватта-ламповых отлично вполне озвучивают комнату. (всю квартиру) а летом и двор из окна. :smile: буду дальше думу думать. спасибо за беседу ! очень приятно со знающим человеком пообщаться. Изменено 2 Декабря, 2012 в 18:07 пользователем Datagor Ссылка на комментарий Поделиться на другие сайты Поделиться
Рекомендуемые сообщения
Для публикации сообщений создайте учётную запись или авторизуйтесь
Вы должны быть пользователем, чтобы оставить комментарий
Создать учетную запись
Зарегистрируйте новую учётную запись в нашем сообществе. Это очень просто!
Регистрация нового пользователяВойти
Уже есть аккаунт? Войти в систему.
Войти