Перейти к содержанию

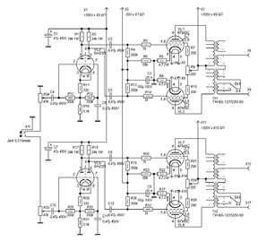
УМЗЧ 6Ф1П+6Н23П+6П45С, TA274+ТН60+ТA11


Рекомендуемые сообщения

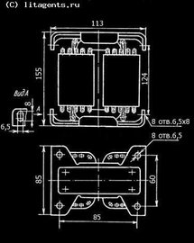
Нумерация обмоток унифицированных ТА, ТАН, ТПП на ПЛ сердечнике сделана с учетом этой особенности сердечников.

так что на схеме все правильно

Ссылка на комментарий
Поделиться на другие сайты

  • Ответов 65
  • Создана
  • Последний ответ

Топ авторов темы

Топ авторов темы

Изображения в теме

Александр, всё понял! Я "купился " на немного не правильное схематическое изображение трансформатора ТА-274 - это, что касается первички. А вот с коммутацией вторичной обмотки....., посмотрите сами.

 

Ссылка на комментарий
Поделиться на другие сайты

обмотки со вторичек на разных стрежнях так нельзя соединять ?

У меня вот такой трансформатор ТА274

post-14539-1351011398_thumb.jpg

Почитал про синфазное включение вторичных обмоток, узнал что при неправильном подключении напряжение падает, при правильном повышается. Элементарный тест - лампочкой. Сейчас снова посмотрим схему. Что я тут мог напутать.

Изменено пользователем mcnelly
Ссылка на комментарий
Поделиться на другие сайты

Здравствуйте, Михаил. Вот коммутация ТА 274 127/220-50, которую я бы Вам порекомендовал. Первичная обмотка скоммутирована согласно общепринятым рекомендациям. Что же касательно вторичной обмотки, то это «чисто» моё «произведение искусства». Почему именно так? Ну, объяснить-то, конечно, можно…., но боюсь, что растекусь мысью по древу.

 

Теперь про блок питания вообще. У Вас в наличие два трансформатора. Один из них Вы используете в качестве накального трансформатора, а другой в качестве анодного. В таком разе можно и нужно «забабахать» их отдельное включение. У вас будут два тумблера; один – накал, другой – анод, и «будет Вам счастье!». Хотя на мой «вкус», я бы и дальше продолжил некую модернизацию предложенной Вами схемы блока питания, но это уже совсем другая песня….

Да и со схемой самого усилителя, то же, надо бы не много «пошаманить»….

Ссылка на комментарий
Поделиться на другие сайты

Э.э.э., вот ещё что. У Вас, как то не внятно прорисована нумерация выводов обмоток на ТС-180. Я тут скинул кое-какую информацию по ТС-180. Если она Вас устраивает, то надо перерисовать схему, ну, хотя бы, блока питания! А то во время монтажа и распайки усилителя могут быть допущены ошибки.

 

Ну, вот тАпЕрИчА, кажись всё.

Изменено пользователем kdtp
Ссылка на комментарий
Поделиться на другие сайты

У усилителя, внутренности которого показаны в сообщении№4 на включение стоит простейшая схемка на примитивной логике.

Тоже отдельный накальный трансформатор (я применил трансформатор от компьютерного безперебойника без переделки). Трансформатор от 600Вт Смарт УПС от АРС. Имеет 2 соединенных последовательно обмотки по 6.5в. Ток нагрузки примерно по 7 А на каждую половину. В моем случае от него греются лампы 2шт 6528 (5А на каждую) и 4шт 6GF7A (по 1А на каждую). Описана она тут:

 

https://forum.datagor.ru/index.php?showtopic=7056

 

Сначала включается накал. потом через минуту подается анодное через гасящие резисторы (чтобы не перегружая анодный трансформатор подзарядить 20тыс мкФ емкостей) еще через 15 сек подается полное напряжение.

Реле взяты из того же списанного безперебойника. Трансформаторы от безперебойников очень рекомендую в качестве накальных.

 

 

Добавлено после раздумий:

Справочник по трансформаторам.

 

https://datagor.ru/theory/datasheets/2005-s...formatoram.html

Ссылка на комментарий
Поделиться на другие сайты

Нашел мелкие недочеты по схеме:

- цоколевка 6П45С теперь соответствует справочной;

- как рекомендовал Виктор переделал подключение вторичных обмоток на анодном трансформаторе;

- накал переделал как советовал Александр.

post-14539-1351278539_thumb.png

post-14539-1351278546_thumb.png

 

Первый вопрос по 6П45С: нужно ли соединять лучеобразующие пластины с катодом (ножки 2,7 с девятой)?

 

На накалы 6Н23П подал с делителя от анодного напряжения смещение +70-80 вольт. Тогда получится что паразитный диод между накалом и катодом смещен в обратном направлении и никакая грязь и помехи с накала не пройдут в катодную цепь входного каскада. Это поможет снизить фон переменного напряжения на выходе.

Эту фразу вообще не понял. Покажите пальцем (красной линией) откуда, куда.

 

Отредактированные схемы в формате Splan _https://rghost.ru/41176706

Изменено пользователем mcnelly
Ссылка на комментарий
Поделиться на другие сайты

Эту фразу вообще не понял. Покажите пальцем (красной линией) откуда, куда.

Примерно так. Для другого канала аналогично.

 

post-44-1351286143_thumb.png

 

 

Ну вот ошибся. 100кОм резистор на землю надо, а 200кОм на +200

Номиналы резисторов не критичны. Можно взять 50 и 100кОм, можно 150 и 300.

Ссылка на комментарий
Поделиться на другие сайты

post-14539-1351369161_thumb.png

Исправленная схема питания.

 

Виктор, справочные данные на ТС-180 не соответствуют реальности ни у вас, ни у меня. При одинаковом числе витков и толщине провода, ток должен быть одинаков, у вас в справочнике, указано значение 0,3А для обмотки 11'-12', а должно быть 1,5А. У меня не правильно была обозначены выводы 4 и 4'. Не совсем понимаю смысла этой "обмотки", но в обычном телевизоре, выводы были соединены и сидели на корпусе. Вообщем с радиолаба взял нормальное изображение первичной обмотки, вторичка с реальности ТС-180-2.

Внес ценные замечания Александра в схему.

 

Вопрос о необходимости соединения лучевых пластин с катодом остается. Нужно ли в 6П45С соединять ноги 2,7 с девятой ?

 

Обновленный архив в Splan тут: _https://rghost.ru/41198490

Изменено пользователем mcnelly
Ссылка на комментарий
Поделиться на другие сайты

Вопрос о необходимости соединения лучевых пластин с катодом остается. Нужно ли в 6П45С соединять ноги 2,7 с девятой ?

По схеме лучевые пластины соединены с катодом? - Надо соединить.

Для начала взять тестер и прозвонить ножки лампы - может за вас все сделали еще на заводе.

Ссылка на комментарий
Поделиться на другие сайты

Значиться так, про ТС-180. Обмотки 4 и 4’, это экранирующие обмотки с одиночным выводом. Они намотаны между первичной обмоткой и вторичными обмотками. Суть их, это уменьшение фона. Клеммы 4 и 4’ соединяются с землёй, тем самым, как бы экранируют первичную обмотку. У Вас на схеме эти обмотки, каким-то образом, «залезли» в накальную обмотку! Далее, что касается номинального тока обмотки 11’ – 12’. Величина в 0,3 Ампера, это не номинальный ток обмотки, а ток нагрузки, которую на неё «сажают». Если не ошибаюсь, две лампочки по 6,3 Вольта на 0,15 Ампер каждая. На самом деле, обмотка 11’ – 12’ легко выдерживает нагрузку до 1,5 Ампера! Откуда тогда взялся номинальный ток в 0,3 Ампера - спросите Вы? Отвечаю, эти данные перекочевали из советских справочников, где, кстати, была сноска, объясняющая эту величину тока! Современная – же, справочная литература и справочные данные из интернета изобилуют такого рода ошибками. Просто - напросто перепечатывают старые справочники, но без сносок и необходимых объяснений! За примером ходить далеко не надо. Возьмите справочные данные по ТС-90 на сайте у Марика или как Вы пишите «радио лаб.». Смотрим: ТС-90-4, обмотка 4 - 4’номинальный ток всего 4 Миллиампера! Это на проводе толщиной 0,27 мм! А вот в старом, советском справочнике есть сноска, что это ток потребления петли размагничивания, а не номинальный ток этой обмотки! И подобных «неточностей» на «радио лабе» хоть пруд пруди, особенно в разделе «Справочник по трансформаторам ТС». ОСОБЕННО ЭТО КАСАЕТСЯ СХЕМЫ ТРАНСФОРМАТОРА ТС-180!!!!!!! Ни когда, нумерация выводов экранирующей обмотки не была «типа» 0 и 0’. Это первое. Второе и САМОЕ ВАЖНОЕ – вторичные обмотки ВООБЩЕ обозначены НЕВЕРНО!!!!!!!!!!!! За такие ошибки, в советское время, можно было лишиться работы! Ну, ладно, про ТС-180, всё.

И опять же,.... посмотрите ВНИМАТЕЛЬНО, как я соединил вторичные обмотки трансформатора ТА-274!!!!!. Если Вы оставите как у Вас на схеме, то ВООБЩЕ НЕ ПОЛУЧИТЕ ни какого напряжения на клеммах 11 – 22!!!!. Вы соединили две вторичные полуобмотки ВСТРЕЧНО! Я же предупреждал – ТРАНСФОРМАТОР ТА-274 НАМОТАН НА ПЛ-СЕРДЕЧНИКЕ. Поэтому, во всех советских справочниках было указанно, что при коммутации обмоток трансформаторов серии ТА, ТАН и ТПП на ПЛ-сердечниках надо быть ОСОБЕННО внимательным!

Ну, вот и всё. Виктор, kdtp.

P.P. На мой «вкус», я бы вообще «перелопатил» всю схему блока питания! Ведь у Вас в ТС-180 осталось не задействовано целая куча вторичных обмоток! Обмотки по 63 Вольта соединяем последовательно и через удвоитель напряжения питаем драйверные лампы. А на обмотках по 46 Вольт можно организовать отрицательное смещение не только для ламп выходного каскада, но и для ламп фазоинвертора. И тогда получаем, вполне приличный дифференциальный каскад на входе и БЕЗ РАЗДЕЛИТЕЛЬНЫХ КОНДЕНСАТОРОВ. ТА-274 пустить только для питания выходных ламп, ну и т.д. и т.п….. А впрочем, можно оставить и так, как Вам нравиться.

Виктор, kdtp

 

Добавлено после раздумий:

Чуть не забыл! Смещение для ламп 6П45С -37 Вольт, а не - 33 Вольта и не забудьте, для этих ламп, в режиме который Вы выбрали, Raa = 800 ОМ!!!!

Изменено пользователем kdtp
Ссылка на комментарий
Поделиться на другие сайты

Спасибо Виктор !

Про перепечатку это точно сказано. С фоном с четвертой тоже стало ясно когда макетик на 6П14П собрал вчера. Схему я уже исправил, в последнем посте все исправлено, в том числе коммутация обмоток вторички. Мысль о раздельном питании мне нравится. Только вот удвоитель то зачем, 6Н23П и трех обмоток хватит.

Ссылка на комментарий
Поделиться на другие сайты

Для публикации сообщений создайте учётную запись или авторизуйтесь

Вы должны быть пользователем, чтобы оставить комментарий

Создать учетную запись

Зарегистрируйте новую учётную запись в нашем сообществе. Это очень просто!

Регистрация нового пользователя

Войти

Уже есть аккаунт? Войти в систему.

Войти
  • Последние посетители   0 пользователей онлайн

    • Ни одного зарегистрированного пользователя не просматривает данную страницу

×
×
  • Создать...