Перейти к содержанию

Высококачественный ламповый усилитель. Журнал Радио № 2, 1990 г.


Рекомендуемые сообщения

В схеме этого усилителя применена упрощенная версия схемы Вана Скойока 1948г.

Ознакомиться с принципом работы этого фазоинвертора можно в этом документе.

Выдержка из журнала RADIO & TV NEWS, September 1957, в переводе Евгения Карпова.

_https://www.tornadoacoustics.ru/_fr/1/_-_.-.pdf

Схема обладает очень высокими параметрами.

 

... Как быть с прокладкой под панель лампы, нужна или нет, в первой конструкции все лампы стояли на плате ...

 

Я бы поставил 6Ж32П на амортизаторы. Лампа обладает высоким микрофонным эффектом, и будет чувствовать и усиливать все вибрации. Например - от силового трансформатора.

Ссылка на комментарий
Поделиться на другие сайты

  • Ответов 96
  • Создана
  • Последний ответ

Топ авторов темы

Топ авторов темы

Изображения в теме

... на "верхний" катодный повторитель подаётся полезный сигнал, а на "нижний" сигнал общей ООС. ...

Если взять любую схему неинвертирующего дифференциального усилителя, то окажется в точности то же самое. Входной каскад не будет охвачен общей ООС. Но, в классическом диффкаскаде усилительные элементы включены с общим катодом (общим эмиттером для транзисторных), и первый каскад даёт существенную нелинейность, не компенсированную ООС.

Здесь же, не охвачен каскад по схеме катодного повторителя, который и так охвачен местной 100% ООС, т.е. линейность его очень высока.

Катодный повторитель вносит наименьшие искажения в сигнал. Усилитель с использованием КП в вых каскаде - цирклотрон, обладает очень высокими параметрами.

... Где "достоинства и высокие параметры" ? ...

 

катодный повторитель + каскад с общей сеткой дают наивысшую линейность, и высокие частотные свойства.

Ссылка на комментарий
Поделиться на другие сайты

... и коэффициент передачи меньше единицы и ОС 100%. куда не глянешь, везде в каскадах предварительного усиления катодные повторители и УМ цирклотроны... ...

Отрицательная обратная связь, даже 100%, не ухудшает параметры усилительного элемента, при условии высокого значения первого полюса АЧХ, а наоборот, снижает все виды искажений (включая и тепловые) пропорционально глубине этой обратной связи.

Если частота первого полюса АЧХ низкая (у ОУ первого поколения 1 - 100 Гц), то получается фазовый сдвиг, который приводит к генерации высших гармоник, неустойчивости в работе, устойчивой или периодической генерации каскада. Звук усилителя с низким первым полюсом АЧХ, охваченного ООС, может оказаться хуже, чем без ООС.

Много ли даёт искажений ОУ, охваченный ООС, с коэффициентом усиления 1? Гораздо меньше, чем тот же ОУ при КУ = 100. Два ОУ последовательно, с КУ=10 дадут меньше гармоник, чем одно ОУ, с КУ = 100. Поэтому профессиональные устройства содержат очень много ОУ, но звучат достойно.

 

Радиолампа при своей работе, даёт едва заметную электромеханическую модуляцию усиливаемого сигнала, специфический "ламповый звук". Каскад с общим анодом, полностью охвачен 100% ООС, и нивелирует эту модуляцию, и поэтому исчезает "ламповое звучание", и звучит повторитель "хуже".

 

... Для сигнала общей ООС "правый" транзистор включен с ОК, а "левый" (входной) с ОБ и с его коллекторной нагрузки снимается результирующий сигнал, поэтому обратной связью охвачен весь усилитель, включая первый каскад (в отличии от обсуждаемой схемы). ...

 

Да, действительно это так, но при условии, если база первого (входного) транзистора заземлена. В типовых же схемах это не так. Входной каскад, базовая цепь, имеет высокое сопротивление. И поэтому нелинейность входной характеристики N-P перехода первого транзистора остается не полностью компенсированной.

 

Для борьбы с этим явлением используют полевые транзисторы на входе усилителя, или ОУ с ними на входе. Но там тоже есть паразитная входная ёмкость, вносящая искажения.

Полностью избавлен от этих недостатков усилитель инвертирующий, охваченный ОООС. Но он имеет низкое вх. сопротивление. (требует предусилителя с высокой нагрузочной способностью).

 

Примерно так...

Ссылка на комментарий
Поделиться на другие сайты

... впервые слышу, что ламповый звук, оказывается, из за "электромеханической модуляции ...

Вы, наверное, аудиомурзилки давно не читали :biggrin: .

Имхо, нет смысла ламповые каскады опутывать ОСами, когда можно найти линейные участки и выбрать оптимальные рабочие точки, обеспечив нужное усиление. Или подобрать нужные лампы по усилению и мощности в зависимости от задач (корректор, преамп, усилитель для наушников, для АС и т.д...)

Обсуждая теорию Обратных связей, столько копий сломано, что невозможно в рамках одной ветки опубликовать все pro and contra, но не зря ведь дедушка Лихницкий завещал нам избегать всяких ОС, применяя лампы. Может, он тоже слышал "электромеханическую модуляцию"? (шютка)

  • Я с тобой! 1
Ссылка на комментарий
Поделиться на другие сайты

off:

Чем больше глубина ООС, то есть, чем точнее усилитель передает музыкальный сигнал, тем хуже он звучит

Анатолий Лихницкий

Изменено пользователем Гость
Ссылка на комментарий
Поделиться на другие сайты

Уважаемые коллеги, спрошу здесь, раз уж мы разговорились:

Глубина ООС часто выражается в децибеллах, сейчас макетирую усилитель, без ООС коэф.усиления 14, с ООС коэф. усиления 5.3. Какова глубина ООС, или не хватает дополнительных данных?

Ссылка на комментарий
Поделиться на другие сайты

Можно грубо на пальцах?

14 / 5,3 = 2,5

2 раза - это 6 дБ мало

3 дБ = 1,4 раз

2 * 1,4 = 6 + 3 дБ = 2,8 раз - много, надо чуть меньше,

поэтому 8 дБ

Это на пальцах, ошибка в 1 дБ т. е. 12% думаю, допустима.

  • Я с тобой! 1
Ссылка на комментарий
Поделиться на другие сайты

2,64 раз = 8.44 дБ :biggrin:

 

post-30427-0-85400300-1483974028_thumb.jpg

 

онлайн конвертор, запятые выражать через "точку":

 

_https://www.radioman-portal.ru/pages/2002/

Изменено пользователем Гость
Ссылка на комментарий
Поделиться на другие сайты

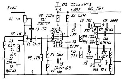
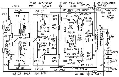
В анодах ламп VL5, VL6 стоят конденсаторы 0,22 мкФ, я ранее применял К73-17 - 0,22 мкФ/400 В. Есть также К78-2 - если параллельно 2 х 0,1 мкФ/1000 В. Что посоветуете.

post-32773-0-33794900-1483984693_thumb.jpg

post-32773-0-77973300-1483984710_thumb.jpg

Изменено пользователем msa64
Ссылка на комментарий
Поделиться на другие сайты

... я бы их вообще выбросил... ...
Предлагаете убрать конденсаторы С25, С26 из анодной цепи, ведь это ООС с анодов 6П41С R28, C26, R35, C25 которая идёт на катода 6Н6П. Изменено пользователем msa64
Ссылка на комментарий
Поделиться на другие сайты

Гость
Эта тема закрыта для публикации ответов.
  • Последние посетители   0 пользователей онлайн

    • Ни одного зарегистрированного пользователя не просматривает данную страницу

×
×
  • Создать...