Datagor Опубликовано 12 Декабря, 2015 в 02:50 Жалоба Поделиться Опубликовано 12 Декабря, 2015 в 02:50 Алексей, всё описано на пару постов выше. И варианты схем есть. Читали? Что конкретно не понятно? Ссылка на комментарий Поделиться на другие сайты Поделиться
Гость klon_kz Опубликовано 19 Декабря, 2015 в 18:54 Жалоба Поделиться Опубликовано 19 Декабря, 2015 в 18:54 СМД резисторы в этих мультиках иногда пыхают так, что внешне и не заметно. Прозванивать надо резисторы, и посмотреть, не прогорели ли дорожки на коммутирующем диске переключателя диапазонов, живые ли токосъёмники на нём же. Был прикол некачественной сборки, глючил прибор из-за банального перекоса токосъёмного контакта на гребешке. Ссылка на комментарий Поделиться на другие сайты Поделиться
Гость platinum Опубликовано 16 Мая, 2016 в 12:47 Жалоба Поделиться Опубликовано 16 Мая, 2016 в 12:47 Привет народ! Нарыл у себя в загашниках мультик Sinometer VC9805A+, вроде похож на тот, что тут обсуждался, а как на самом деле? Но открылась проблема плавающего характера! В исходном положении мультик показывает ересь, и идет какое то накопление значений от нуля и выше, во всех пределах показывает одно и то же, разве что запятая плавает! Но стоит надавить на плату между экраном и колесом пределов, как начинает работать в штатном режиме! Визуально никаких перебитых дорожек и отвалившейся пайки я конечно не увидел... Другого тестера нет, так как нахожусь в командировке, в глуши... Так же заметил, что значения температуры так же привирают, без термопары значение 26-28, стоит только воткнуть термопару, как значения уходят в -704, пробую зажать пальцами коньчик термопары значение повышается до -695, значит измерение температуры работает? Возможно когда разбирал задел какой подстроечник? Но какой? Буду рад любому толковому совету! С уважением, Владимир. Ссылка на комментарий Поделиться на другие сайты Поделиться
Гость platinum Опубликовано 17 Мая, 2016 в 03:21 Жалоба Поделиться Опубликовано 17 Мая, 2016 в 03:21 Какие могут быть здесь советы ? Дефект контактного характера... Если визуальный (тщательный под лупой и "на просвет") осмотр ничего не дал (микротрещина, непропай, "сопля"). Нужно взять хороший флюс ("флюкс плюс"), смазать и пропаять все, без исключения, пайки, переключатель промыть, подогнуть подвижные контакты и смазать моторным маслом (без присадок). Банально сделать полную профилактику... Понял Вас, значит буду до конца командировки терпеть, ибо тут из инструментов только китайский паяльник, которым СМД элементы не пропаяешь) А что по термопаре скажете? Есть там подстроечник для него? И выложенная тут схема подходит для данного тестера? Ссылка на комментарий Поделиться на другие сайты Поделиться
Elektrik Опубликовано 17 Мая, 2016 в 06:29 Жалоба Поделиться Опубликовано 17 Мая, 2016 в 06:29 переключатель промыть, подогнуть подвижные контакты и смазать моторным маслом (без присадок). Так для этого даже паяльник не нужен. А с вероятностью 99% дефект пропадет. И с термопарой тоже. Ссылка на комментарий Поделиться на другие сайты Поделиться
Datagor Опубликовано 17 Мая, 2016 в 06:52 Жалоба Поделиться Опубликовано 17 Мая, 2016 в 06:52 ... И выложенная тут схема подходит для данного тестера? ... Володя, странный подход :music: Скачайте и сравните. У меня например точно нет ни одного "Sinometer-а". А результат сравнения тут озвучьте, чтоб народ знал. Т.е. вам выпала достойная роль первопроходца. Ссылка на комментарий Поделиться на другие сайты Поделиться
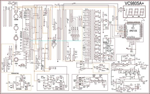
Гость dnik Опубликовано 19 Ноября, 2016 в 17:49 Жалоба Поделиться Опубликовано 19 Ноября, 2016 в 17:49 To alex n меряет, у меня такой же. Вот схема тут Всем привет! Вот эту схему я немного переделал под другую нумерацию деталюшек. Правда не все получилось, оригинал был слишком размазан. У меня тестер VC9805A+/ Все схемы, в нете к нему не подходят. Ссылка на комментарий Поделиться на другие сайты Поделиться
Гость dnik Опубликовано 19 Ноября, 2016 в 17:51 Жалоба Поделиться Опубликовано 19 Ноября, 2016 в 17:51 Вот то что на фото красным, то я заменил, TL072 на JRC4558, и 4 транзистора включенных как диоды встречно параллельно. Ссылка на комментарий Поделиться на другие сайты Поделиться
Гость id_rad Опубликовано 23 Ноября, 2017 в 07:01 Жалоба Поделиться Опубликовано 23 Ноября, 2017 в 07:01 Молодец Николай. Хорошо схему поправил. Спасибо. Для этого прибора ещё смертельным является следующий вариант: Измерял источник 8 вольт 20ма на диапазоне 20 вольт но щупы остались в позиции Cx/Lx - в результате сдохло измерение индуктивностей. Опять придётся время тратить. Ссылка на комментарий Поделиться на другие сайты Поделиться
alex50 Опубликовано 10 Июля, 2019 в 05:59 Жалоба Поделиться Опубликовано 10 Июля, 2019 в 05:59 В 16.06.2011 в 06:32, Lakki сказал: Вот то что на фото красным, то я заменил, TL072 на JRC4558, и 4 транзистора включенных как диоды встречно параллельно. можете выставить фотки контактных групп . Такая версия редкая . не могу найти Ссылка на комментарий Поделиться на другие сайты Поделиться
alex50 Опубликовано 10 Июля, 2019 в 06:50 Жалоба Поделиться Опубликовано 10 Июля, 2019 в 06:50 Lakki. можете выложить фотки контактных групп Ссылка на комментарий Поделиться на другие сайты Поделиться
Рекомендуемые сообщения
Для публикации сообщений создайте учётную запись или авторизуйтесь
Вы должны быть пользователем, чтобы оставить комментарий
Создать учетную запись
Зарегистрируйте новую учётную запись в нашем сообществе. Это очень просто!
Регистрация нового пользователяВойти
Уже есть аккаунт? Войти в систему.
Войти