TANk Опубликовано 18 Апреля, 2011 в 18:49 Жалоба Поделиться Опубликовано 18 Апреля, 2011 в 18:49 6П21С - интересная лампа. Честно скажу, не знал, что ее подпольная кличка ГУ-31. Накалы включить параллельно, пентод превратить в триод и вот получим практически копию легендарной аудиофильской 2А3 Прямонакал с напряжением накала 3в (осутствие фона) и мощностью на аноде порядка 20Вт. Чего еще надо для счастья. Ссылка на комментарий Поделиться на другие сайты Поделиться
20miha20 Опубликовано 20 Апреля, 2011 в 18:25 Автор Жалоба Поделиться Опубликовано 20 Апреля, 2011 в 18:25 (изменено) Сделал предвак на 6ф12 (анодное 310В), каскад с динамической нагрузкой, снизу пентод, сверху триод. Я-бы не сказал, что звук слишком плохой (на выходе 6п43 с возбуждением по 2й сетке). Поиграюсь с режимами и тогда выложу полную схему. Изменено 20 Апреля, 2011 в 18:26 пользователем 20miha20 Ссылка на комментарий Поделиться на другие сайты Поделиться
TANk Опубликовано 20 Апреля, 2011 в 18:43 Жалоба Поделиться Опубликовано 20 Апреля, 2011 в 18:43 Я делал СРПП на триодных частях 6Ф12П. Питание было 300в. Или мне лампы попались такие или еще что-то но синус на выходе был искаженным сильно. При приближении потенциала на сетке к -0.6 в начинались сеточные токи и входное сопротивление каскада резко падало, что и приводило к искажениям. При работе на малом сигнале (амплитуда переменки на входе порядка 0.1в) все выглядело очень красиво, а как только даешь раскачку на полную, тут и начинается всякая ерунда. Поэтому дальше и не стал экспериментировать с этими лампами. Ссылка на комментарий Поделиться на другие сайты Поделиться
20miha20 Опубликовано 25 Апреля, 2011 в 17:04 Автор Жалоба Поделиться Опубликовано 25 Апреля, 2011 в 17:04 (изменено) Ну что-жжжж, кажется, труд закончен. На входе каскад с динамической нагрузкой (пентод внизу, триод вверху). На аноде нижней лампы 150 В, на верхней 300 В. Лампа 6Ф12П, на накал подано с делителя +50 В (ушёл от запредельного режима катод - накал) . На выходе 6П43П, с возбуждением по 2ой сетке. Усилитель планируется, как комповая акустика. Усь спокойно раскачивает 15ас213 (понимаю, что не лучший вариант, но другого пока нет). На мой слух звучание достойное. Изменено 25 Апреля, 2011 в 17:11 пользователем 20miha20 Ссылка на комментарий Поделиться на другие сайты Поделиться
TANk Опубликовано 25 Апреля, 2011 в 18:27 Жалоба Поделиться Опубликовано 25 Апреля, 2011 в 18:27 Схему с номиналами деталей в студию! Конструкция претендует на то, чтобы стать популярной и, я думаю, многие захотят ее повторить. Ссылка на комментарий Поделиться на другие сайты Поделиться
mtihonov Опубликовано 27 Апреля, 2011 в 02:43 Жалоба Поделиться Опубликовано 27 Апреля, 2011 в 02:43 Схему с номиналами деталей в студию! Конструкция претендует на то, чтобы стать популярной и, я думаю, многие захотят ее повторить. Поддерживаю, Схему в студию! Ссылка на комментарий Поделиться на другие сайты Поделиться
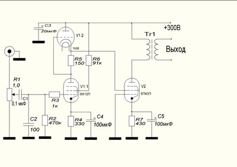
20miha20 Опубликовано 1 Июня, 2011 в 15:07 Автор Жалоба Поделиться Опубликовано 1 Июня, 2011 в 15:07 Извиняюсь за долгое молчание, на работе было много работы (каламбур), да и всё надо было ещё и ещё раз проверить. Вот окончательный вариант схемы. Пробуйте, проверяйте... На выходе ТВЗ-1-9 Ссылка на комментарий Поделиться на другие сайты Поделиться
TANk Опубликовано 1 Июня, 2011 в 18:37 Жалоба Поделиться Опубликовано 1 Июня, 2011 в 18:37 C1 C2 можно попробовать убрать совсем. R3 - заменить на дроссель - 30-60 витков нихромовой или константановой проволоки на корпусе резистора ВС 1Вт или угольном стерженьке от батарейки. Можно использовать проволочный резистор С5-5 1Вт номиналом 82-160 Ом он как раз представляет из себя константановый дроссель. Можно попробовать отключить конденсатор С4 в катоде драйвера. Это уже как кому понравиться. Ссылка на комментарий Поделиться на другие сайты Поделиться
20miha20 Опубликовано 1 Июня, 2011 в 18:47 Автор Жалоба Поделиться Опубликовано 1 Июня, 2011 в 18:47 С1 поставлен чисто по привычке, С2 на всякий случай, источник сигнала - комп. А с антивозбудовым резистором поэксперементирую. Ссылка на комментарий Поделиться на другие сайты Поделиться
Рекомендуемые сообщения
Для публикации сообщений создайте учётную запись или авторизуйтесь
Вы должны быть пользователем, чтобы оставить комментарий
Создать учетную запись
Зарегистрируйте новую учётную запись в нашем сообществе. Это очень просто!
Регистрация нового пользователяВойти
Уже есть аккаунт? Войти в систему.
Войти