FOLKSDOICH Опубликовано 20 Сентября, 2010 в 09:06 Жалоба Поделиться Опубликовано 20 Сентября, 2010 в 09:06 А для упрощения подбора - подстроечник параллельно одному или двум диодам, по обстановке. Ссылка на комментарий Поделиться на другие сайты Поделиться
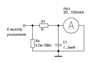
Wal Опубликовано 20 Сентября, 2010 в 10:19 Жалоба Поделиться Опубликовано 20 Сентября, 2010 в 10:19 Уважаемый wal, простите за элементарный вопрос, но: при балансировке где что надо мерять? Спасибо! С уважением - dimusl Настройка усилителя такая: 1. Закорачиваем вход на "землю" и выставляем ток покоя (R20). 2. Далее на выход подключаем такую схему: На эквиваленте нагрузки Rн выставляем "0" (R21) 3. Подаем на вход усилителя с генератора сигнал 5...8кГц. Амплитуду сигнала увеличиваем, пока не начнётся ограничение выходного сигнала. После этого устанавливаем входной сигнал на уровне 0,7 от насыщения. Резистором R19 добиваемся нулевых показаний микроамперметра. (Компенсируется нелинейность второго порядка) Ссылка на комментарий Поделиться на другие сайты Поделиться
FOLKSDOICH Опубликовано 20 Сентября, 2010 в 11:34 Жалоба Поделиться Опубликовано 20 Сентября, 2010 в 11:34 Вот подобный усилок с подробной настройкой. УМ_с_компенс._нелин.rar Ссылка на комментарий Поделиться на другие сайты Поделиться
Гость dimusl Опубликовано 20 Сентября, 2010 в 14:48 Жалоба Поделиться Опубликовано 20 Сентября, 2010 в 14:48 Настройка усилителя такая:... Громадное спасибо! С уважением - Дмитрий Добавлено после раздумий: Вот подобный усилок с подробной настройкой. Спасибо за ссылку. Я сам не понял, что в основе германиевой схемы... С уважением - Дмитрий Ссылка на комментарий Поделиться на другие сайты Поделиться
michaelgrey Опубликовано 20 Сентября, 2010 в 17:16 Жалоба Поделиться Опубликовано 20 Сентября, 2010 в 17:16 Здравствуйте всем. Я пробую заменить ГТ321 на МП25Б или МП26Б(окрашенные) с установкой в один из радиаторов на VT8 или VT5, выходные транзисторы пока не подключаю. Возможна-ли такая замена? Транзисторы VT3 и VT4 подобраны очень точно (VT3- МП38А), остальные более-менее по h21. Подаю ±15В от стабилизатора (на время наладки). Почему-же такая нестабильная схема- нуля на выходе не бывает никогда (два раза полностью все менял). У меня сначала от плюс 5В на выходе в течение 3-4 минут уходит в минус, затем возвращается, регулировки не помогают- резкие скачки в одну или другую полярность. Детали проверял все перед установкой. И еще- увеличивает ли неизолированный радиатор из медной пластины (в виде ромашки) емкость коллектора ГТ402-404? Ссылка на комментарий Поделиться на другие сайты Поделиться
michaelgrey Опубликовано 21 Сентября, 2010 в 16:56 Жалоба Поделиться Опубликовано 21 Сентября, 2010 в 16:56 (изменено) Ну вот, кажется решил. Заменил конденсаторы C2 и С3 (были разных фирм и разного напряжения одной емкости-проверял прибором) на купленные новые Jamicon . VT8 VT5 заменил на новые (привезли) без подбора, зато одной буквы и перепады в усилителе угомонились. Выпаянные транзисторы оказались совершенно целыми, видимо большая разница в h21э. По замерам у 402-х и 404-х у меня разница в 2-2,5 раза, даже с одинаковыми буквами. Да, МП26 вроде-бы работает, но выходники я еще не подключал. Изменено 21 Сентября, 2010 в 16:56 пользователем michaelgrey Ссылка на комментарий Поделиться на другие сайты Поделиться
FOLKSDOICH Опубликовано 21 Сентября, 2010 в 18:01 Жалоба Поделиться Опубликовано 21 Сентября, 2010 в 18:01 Если ставили кондёры, как на схеме в начале топика, то дело не в них, а в неправильной полярности на схеме. Ссылка на комментарий Поделиться на другие сайты Поделиться
Wal Опубликовано 21 Сентября, 2010 в 18:18 Жалоба Поделиться Опубликовано 21 Сентября, 2010 в 18:18 Если ставили кондёры, как на схеме в начале топика, то дело не в них, а в неправильной полярности на схеме. На схеме полярность правильная! Иначе - возбуд. Проверено на практике. Ссылка на комментарий Поделиться на другие сайты Поделиться
michaelgrey Опубликовано 21 Сентября, 2010 в 18:22 Жалоба Поделиться Опубликовано 21 Сентября, 2010 в 18:22 Да, поставил, как в топике. Почему-же сейчас ничего не скачет. Мой первый вариант сборки вообще работал как мультивибратор с периодичностью, зависящей от положения движка R19. Ссылка на комментарий Поделиться на другие сайты Поделиться
FOLKSDOICH Опубликовано 21 Сентября, 2010 в 18:49 Жалоба Поделиться Опубликовано 21 Сентября, 2010 в 18:49 Ну и как хотите... Ссылка на комментарий Поделиться на другие сайты Поделиться
michaelgrey Опубликовано 21 Сентября, 2010 в 20:09 Жалоба Поделиться Опубликовано 21 Сентября, 2010 в 20:09 Посмотрел схему "Усилитель мощности с двухтактным входом" ВРЛ №94 с.13 (аналогичный на кремнии). Похоже у C2 здесь действительно поляность перепутана. Ссылка на комментарий Поделиться на другие сайты Поделиться
Гость alexander59 Опубликовано 22 Сентября, 2010 в 10:13 Жалоба Поделиться Опубликовано 22 Сентября, 2010 в 10:13 (изменено) Ну и как хотите... Валерий, у вас печатка от Володи (hippo64) я так понял с приподнятой землей питания первого каскада, это дает какой-то результат? Прочитал всю тему, ради спортивного интереса, никто об этом решении ни слова. :smile: Опять же для тренировки перерисовал печатку Володи под оригинальную схему, как мне думается в ней меньше проводников имеющих встречные токи, покритикуйте пожалуйста, а я на ус намотаю. vol2008_германец.rar Изменено 22 Сентября, 2010 в 10:28 пользователем alexander59 Ссылка на комментарий Поделиться на другие сайты Поделиться
Рекомендуемые сообщения
Для публикации сообщений создайте учётную запись или авторизуйтесь
Вы должны быть пользователем, чтобы оставить комментарий
Создать учетную запись
Зарегистрируйте новую учётную запись в нашем сообществе. Это очень просто!
Регистрация нового пользователяВойти
Уже есть аккаунт? Войти в систему.
Войти