Yamazaki Опубликовано 2 Мая, 2010 в 17:38 Жалоба Поделиться Опубликовано 2 Мая, 2010 в 17:38 Я-то нарисую, но это не отменяет всего, что сказал Датагор. А что, 7812 закончились? Если б хоть одна осталась... Ссылка на комментарий Поделиться на другие сайты Поделиться
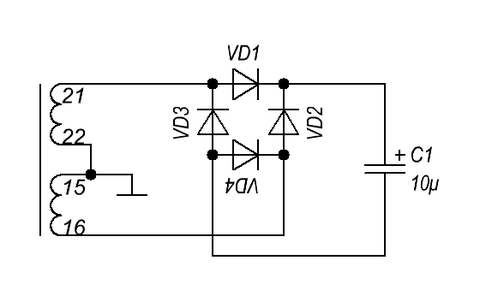
Гость z-z-zet Опубликовано 2 Мая, 2010 в 17:53 Жалоба Поделиться Опубликовано 2 Мая, 2010 в 17:53 (изменено) Да остались 2 штуки. Одна упорно трудиться на вентилтор. А за одну лм337 можно около 8,5 штук 7812 купить. А вообще на какие выводы лучше подключить пред? Счас у меня подключён транс так(ниже). Между 11и12-22В, 13и14-22В, 15и16-4В. Изменено 2 Мая, 2010 в 17:57 пользователем z-z-zet Ссылка на комментарий Поделиться на другие сайты Поделиться
Гость angelv Опубликовано 2 Мая, 2010 в 18:05 Жалоба Поделиться Опубликовано 2 Мая, 2010 в 18:05 Простите, а разве нельзя на 11и12-22В повесить один канал? это посте диодов и кандеров будет около 31B постоянки Ссылка на комментарий Поделиться на другие сайты Поделиться
Гость z-z-zet Опубликовано 2 Мая, 2010 в 18:12 Жалоба Поделиться Опубликовано 2 Мая, 2010 в 18:12 Простите, а разве нельзя на 11и12-22В повесить один канал? это посте диодов и кандеров будет около 31B постоянки А смысл? На каждой катущке есть по 2 обмотки по 22 вольта. И если их спараллелить, то получим бОльший ток. Ну и нагрузка планируется 8-омная. Ссылка на комментарий Поделиться на другие сайты Поделиться
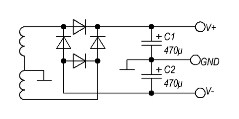
Yamazaki Опубликовано 2 Мая, 2010 в 18:58 Жалоба Поделиться Опубликовано 2 Мая, 2010 в 18:58 Под восьмиомную нагрузки как раз нужно бОльшее напряжение и меньший ток. Реально этот трансформатор потянет 1 канал TDA7294 и предусилитель. Тут как раз нужно около ±31 вольта на неё подавать. Насчёт питания преда: дело не в стабилизаторе. Просто если ты 7812 спалил, 317 сгорит точно так же. Поэтому: 1) Отпаяй уже эти провода! У тебя все четыре обмотки соединены не пойми-как. 2)Достань 4 диода и 1 электролитический конденсатор на 25 вольт ёмкостью от 100μF. 3)собери это всё навесом по схеме: 4)замерь напряжение на конденсаторе, сообщи мне. попробуем обойтись без стаба Добавлено после раздумий: Если будет 0, поменяй местами 15 и 16 выводы. Ссылка на комментарий Поделиться на другие сайты Поделиться
Гость z-z-zet Опубликовано 3 Мая, 2010 в 09:31 Жалоба Поделиться Опубликовано 3 Мая, 2010 в 09:31 дaвaй со стaбaми. Уже купил 2 пары 317/337 Ссылка на комментарий Поделиться на другие сайты Поделиться
Yamazaki Опубликовано 3 Мая, 2010 в 14:34 Жалоба Поделиться Опубликовано 3 Мая, 2010 в 14:34 НУ раз уже купил, тогда ОК. Но провода всё равно от транса отпаяй :smile: Ссылка на комментарий Поделиться на другие сайты Поделиться
Гость z-z-zet Опубликовано 3 Мая, 2010 в 14:50 Жалоба Поделиться Опубликовано 3 Мая, 2010 в 14:50 Если верить тестеру, то 11В получается Ссылка на комментарий Поделиться на другие сайты Поделиться
shursh Опубликовано 3 Мая, 2010 в 17:57 Жалоба Поделиться Опубликовано 3 Мая, 2010 в 17:57 Если верить тестеру, то 11В получаетсяКакой тестер используешь?Если китайский "показометор" - то там точность измерений зависит от заряженности батарейки! Если Ц-шку - то возможно, что микруха "брешет". Нужно в разрез вывода 2 поставить подстроечник на 100 Ом и выставить 12 Вольт. Ссылка на комментарий Поделиться на другие сайты Поделиться
Yamazaki Опубликовано 3 Мая, 2010 в 19:23 Жалоба Поделиться Опубликовано 3 Мая, 2010 в 19:23 (изменено) 11В где получается? На конденсаторе? :smile: Значит у нас есть 2*5.5 без стаба. Изменено 3 Мая, 2010 в 19:24 пользователем yamazaki Ссылка на комментарий Поделиться на другие сайты Поделиться
Гость z-z-zet Опубликовано 3 Мая, 2010 в 19:58 Жалоба Поделиться Опубликовано 3 Мая, 2010 в 19:58 Мaловaто будeт. Знaч, будeм стaбилизировaть! Ссылка на комментарий Поделиться на другие сайты Поделиться
Yamazaki Опубликовано 3 Мая, 2010 в 20:33 Жалоба Поделиться Опубликовано 3 Мая, 2010 в 20:33 у TL071 питание от ±5 вольт. Но если ты настаиваешь... https://datagor.ru/practice/power/page,1,1,...zirovannye.html статья в тему Ссылка на комментарий Поделиться на другие сайты Поделиться
Рекомендуемые сообщения
Для публикации сообщений создайте учётную запись или авторизуйтесь
Вы должны быть пользователем, чтобы оставить комментарий
Создать учетную запись
Зарегистрируйте новую учётную запись в нашем сообществе. Это очень просто!
Регистрация нового пользователяВойти
Уже есть аккаунт? Войти в систему.
Войти