Гость exciter Опубликовано 7 Ноября, 2009 в 08:43 Жалоба Поделиться Опубликовано 7 Ноября, 2009 в 08:43 (изменено) Вот , наконец -то сбацал схемку отсечения постоянки из сети, но воспользовался одной проверенной схемой (упоминалась у нас:_https://forum.datagor.ru/index.php?showtopic=2268 и на Вегалабе). Скажу сразу : работает блеск!!. У двух торов по 700 ВА полностью исчез зуд!!!! По моему (слушал пока не внимательно) - в лучшую сторону поменялся и звук...что вполне возможно. Одно но: Берите кондеры с запасом по вольтажу и не с помойки!!! (при выходе одного кондера из строя) - соответствующий диод пустит на вход постоянку!!! Я использовал 10А диоды на 1000 Вольт и кондеры 10000μF на 50 Вольт. Изменено 7 Ноября, 2009 в 08:47 пользователем exciter Ссылка на комментарий Поделиться на другие сайты Поделиться
Гость smf Опубликовано 5 Декабря, 2009 в 19:08 Жалоба Поделиться Опубликовано 5 Декабря, 2009 в 19:08 Добрый вечер. Вот нашел такой девайс в БП для компьютера. Можно ли его использовать для фильтрации ВЧ помех В БП УМЗЧ? Ссылка на комментарий Поделиться на другие сайты Поделиться
TANk Опубликовано 5 Декабря, 2009 в 19:27 Жалоба Поделиться Опубликовано 5 Декабря, 2009 в 19:27 Можно и нужно, но эффективно работать он будет если сеть у вас разведена 3-х проводной линией с отдельным проводом заземления. И допаяйте на место выдернутые из этого фильтра конденсаторы. Ссылка на комментарий Поделиться на другие сайты Поделиться
Гость smf Опубликовано 5 Декабря, 2009 в 20:32 Жалоба Поделиться Опубликовано 5 Декабря, 2009 в 20:32 Можно и нужно, но эффективно работать он будет если сеть у вас разведена 3-х проводной линией с отдельным проводом заземления. И допаяйте на место выдернутые из этого фильтра конденсаторы. Спасибо, понял. Он такой и был, без конденсаторов. А какого номинала они должны быть? И по поводу катушек, может стоит их перемотать ? (там по 17 витков провода где-то 0,2) А без заземления будет эффект? Спасибо. Ссылка на комментарий Поделиться на другие сайты Поделиться
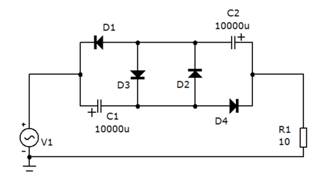
Гость rubenlukin Опубликовано 8 Декабря, 2009 в 07:33 Жалоба Поделиться Опубликовано 8 Декабря, 2009 в 07:33 Вот , наконец -то сбацал схемку отсечения постоянки из сети ... Г-н exciter, вопросы по схеме: 1) Генератор -- это сеть, а резистор -- первичка транса? 2) Фаза / ноль имеют значение? 3) Дроссель ставили или только эта схема? Спасибо! Ссылка на комментарий Поделиться на другие сайты Поделиться
Гость exciter Опубликовано 8 Декабря, 2009 в 18:04 Жалоба Поделиться Опубликовано 8 Декабря, 2009 в 18:04 (изменено) Г-н exciter, вопросы по схеме:1) Генератор -- это сеть, а резистор -- первичка транса? 2) Фаза / ноль имеют значение? 3) Дроссель ставили или только эта схема? Спасибо! 1) так точно 2) надо попробовать....скорее всего нет 3)перед ней стоит софт старт, фильтр TDK, мощных дросселей нет. Работает на два транса по 750ВА(питание выходной пары транзисторов) Изменено 8 Декабря, 2009 в 18:32 пользователем exciter Ссылка на комментарий Поделиться на другие сайты Поделиться
Гость rubenlukin Опубликовано 9 Декабря, 2009 в 00:48 Жалоба Поделиться Опубликовано 9 Декабря, 2009 в 00:48 Спасибо, буду пробовать. К чему это всё: апгрейд "Радиотехники У101". 2*TDA7293, родной транс, родные диоды Д242Б, провода все поменяны, конд-ры фильтра 3 * 10000 / 63В CapXon в параллель на плечо (в конструктив влезли как родные). Получается 2*30 В постоянки, НО! Если закоротить вход оконечника непосредственно на плате УМ -- тишина. Если с проводниками до входов на передней панели (МГТФЭ, ок. 40 см) -- фон 50 Гц с гармониками. Берусь рукой за шасси -- тишина. А уж когда добавляется пред... Вот увидел эту ветку, может, как раз тот случай? Ради благого дела не побоюсь из фильтра вытащить два электролита. Нагрузка по сравнению с Вашей мизерная, диоды под рукой есть 1 А / 1000 В. Или я на том пути? Ссылка на комментарий Поделиться на другие сайты Поделиться
Гость alexjc Опубликовано 9 Декабря, 2009 в 05:10 Жалоба Поделиться Опубликовано 9 Декабря, 2009 в 05:10 а земля правильно разведена? Ссылка на комментарий Поделиться на другие сайты Поделиться
Гость exciter Опубликовано 9 Декабря, 2009 в 07:26 Жалоба Поделиться Опубликовано 9 Декабря, 2009 в 07:26 Спасибо, буду пробовать. К чему это всё: апгрейд "Радиотехники У101". 2*TDA7293, родной транс, родные диоды Д242Б, провода все поменяны, конд-ры фильтра 3 * 10000 / 63В CapXon в параллель на плечо (в конструктив влезли как родные). Получается 2*30 В постоянки, НО! Если закоротить вход оконечника непосредственно на плате УМ -- тишина. Если с проводниками до входов на передней панели (МГТФЭ, ок. 40 см) -- фон 50 Гц с гармониками. Берусь рукой за шасси -- тишина. А уж когда добавляется пред... Вот увидел эту ветку, может, как раз тот случай? Ради благого дела не побоюсь из фильтра вытащить два электролита. Нагрузка по сравнению с Вашей мизерная, диоды под рукой есть 1 А / 1000 В. Или я на том пути? Это не тот случай - см. разводку земли однозначно. Попробуйте землю входов соединить шиной и через резисторы 2-10 Ом соединить поблизости от разъемов входа в одной точке на корпус (место присоединения тщательно отшкурить....Такой длины провода лучше делать в экране и прокладывать подальше от транса и диодов. Ссылка на комментарий Поделиться на другие сайты Поделиться
Гость anatolii Опубликовано 5 Января, 2010 в 16:34 Жалоба Поделиться Опубликовано 5 Января, 2010 в 16:34 (изменено) такой прикол, заменил ОУ в преде К140УД11 на TL082 и динамики перестали вылетать при включении холодидьника, только тихий приятный треск :smile: а может проще было повесить по питанию емкости μF по300 (прямо на ноги)мне помогало. уд 11 быстрая хорошая оу мож тл ка медленее вот и тихо динамики качает. Изменено 5 Января, 2010 в 16:35 пользователем anatolii Ссылка на комментарий Поделиться на другие сайты Поделиться
Гость leha080 Опубликовано 2 Апреля, 2010 в 19:25 Жалоба Поделиться Опубликовано 2 Апреля, 2010 в 19:25 Уже давно заметил в колонках высокочастотный шум и шипение! Причем шум не одинаковый и меняется время от времени, поэтому решил что это питание! Хотел сначала на первичку фильтр поставить но конечного решения пока не нашел! Взлянув на плату не обнаружил не одного пленочного шунтирующего конденсатора, решено было дополнить схему последними! теперь шунты стоят на всех 4 вторичках, на 6 фильтрующих полярных конденсаторах, и вблизи операциоников и tda 2030 ! Но вопрос вот в чем не переборщил ли я с кондерами??? воснавном по 0.1 и 0.33 μF к73-17!!! Гдето читал что шунты могут отрицательно повлиять на звук!??? НО в чем так и не понял!??? Но у меня стало так тихо что даже если ухом к высокочастотнику прислонится то не чего не слышно!!! Ссылка на комментарий Поделиться на другие сайты Поделиться
Гость tcpip Опубликовано 4 Апреля, 2010 в 13:26 Жалоба Поделиться Опубликовано 4 Апреля, 2010 в 13:26 exciter, у вас на фото виден ферритовый бочонок... в какие цепи вы их ставите в УНЧ? Ссылка на комментарий Поделиться на другие сайты Поделиться
Рекомендуемые сообщения
Для публикации сообщений создайте учётную запись или авторизуйтесь
Вы должны быть пользователем, чтобы оставить комментарий
Создать учетную запись
Зарегистрируйте новую учётную запись в нашем сообществе. Это очень просто!
Регистрация нового пользователяВойти
Уже есть аккаунт? Войти в систему.
Войти