stslam Опубликовано 9 Февраля, 2010 в 17:16 Жалоба Поделиться Опубликовано 9 Февраля, 2010 в 17:16 (изменено) Предлагаю теорию и практику, а также вопросы по "недо" импульсным блокам питания (электронным трансформаторам питания галогенных 12 в. ламп) писать тут. Оригинальная статья, с которой начинается тема тут Применение электронных трансформаторов Taschibra в радиолюбительской практике Для затравки - я аналогичный Б/П планирую использовать для питания несложных ламповых гитарных примочек. Мое решение может и трудоемко, но, по идее - того стоит (схема обмоток в splan). Намоточные данные подбираются экспериментально (делаем 10 витков - 9 полных, 10й как бы составной из концов провода, меряем, пересчитываем на напряжения, которые необходимы). По намотке катушек на ферритовом кольце. Хинт1. Если мотать вручную - поможет челнок, который можно выполнить из любого хлама. Его можно спаять из 1,5 мм медного одножильного провода (и торцы скруглить, чтобы не царапался, можно вырезать из пластика, текстолита и т.д.). Желательно, чтобы длина была удобной и для намотки, и для "прикидки" по длине провода. Хинт2. Если, в процессе намотки слоя - собъетесь со счета - смело щелкайте уже намотанное цифровым фотоаппаратом - при увеличении считать легче. Хинт3. Длина провода для намотки обмотки, с избытком вычисляется как Приблизительная длина провода на виток Х количество витков Х 1.2. Хинт4. Если трансформаторная катушка "финишная", а не экспериментальная - лучше ее залить чем-нибудь нерастворяющим эмаль - чтобы не свистело (эх, и где он, БФ2 делся?). Осталось придумать красивое решение по защите такого БП от короткого замыкания и по току. Изменено 9 Сентября, 2015 в 12:42 пользователем Datagor 1 Ссылка на комментарий Поделиться на другие сайты Поделиться
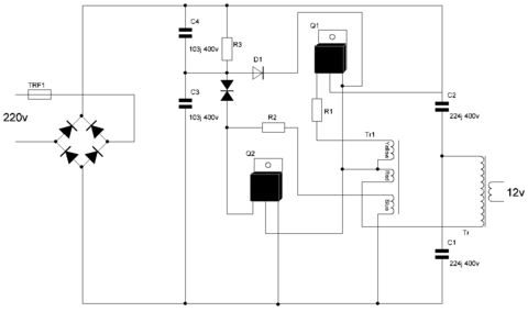
stslam Опубликовано 11 Февраля, 2010 в 16:38 Автор Жалоба Поделиться Опубликовано 11 Февраля, 2010 в 16:38 (изменено) Оригинальная схема типового блока Изменено 11 Февраля, 2010 в 16:50 пользователем stslam Ссылка на комментарий Поделиться на другие сайты Поделиться
Гость ruberoidd Опубликовано 11 Февраля, 2010 в 16:44 Жалоба Поделиться Опубликовано 11 Февраля, 2010 в 16:44 Это конечно хорошо, но как бороться с помехами? Ссылка на комментарий Поделиться на другие сайты Поделиться
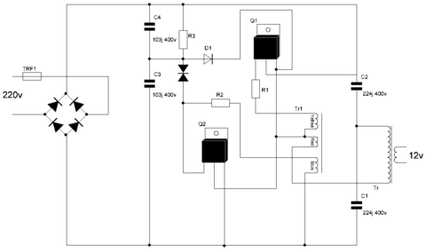
stslam Опубликовано 11 Февраля, 2010 в 16:55 Автор Жалоба Поделиться Опубликовано 11 Февраля, 2010 в 16:55 (изменено) Схема типового блока до и после переделки Добавлено после раздумий: Это конечно хорошо, но как бороться с помехами? А зачем с ними бороться? Большинство самоделок 30 кгц просто не пропустят :smile: Изменено 11 Февраля, 2010 в 16:52 пользователем stslam Ссылка на комментарий Поделиться на другие сайты Поделиться
alex n Опубликовано 11 Февраля, 2010 в 19:47 Жалоба Поделиться Опубликовано 11 Февраля, 2010 в 19:47 _https://forum.rcdesign.ru/f8/thread123571.html Ссылка на комментарий Поделиться на другие сайты Поделиться
stslam Опубликовано 12 Февраля, 2010 в 07:29 Автор Жалоба Поделиться Опубликовано 12 Февраля, 2010 в 07:29 _https://forum.rcdesign.ru/f8/thread123571.html И что? Да, там есть модернизация, регулирующая частоту "генерации" в сторону уменьшения. А польза? Там не переделана схема пуска - все зависит от наличия достаточной нагрузки. В переделке metrolog'a блок работает и на холостом ходу. Оконечный фильтр, думаю - тоже должен малость иначе выглядеть (обмотки "согласующего" высокочастотного транса нужно коммутировать "встречно") Я все веду к тому, чтобы этот недоимпульсник использовать для питания ламповой техники. Приветствуются переделки/доработки: защита по току защита от КЗ повышение частоты (к 50 кгц) фильтрация гармоник (и основной частоты, если она в слышимом спектре) Ссылка на комментарий Поделиться на другие сайты Поделиться
Гость shurig Опубликовано 12 Февраля, 2010 в 13:49 Жалоба Поделиться Опубликовано 12 Февраля, 2010 в 13:49 Офтоп :smile: 1. Интересно как ведет себя этот преобразователь при питании УЗЧ на какой-то микросхеме ну к примеру TDA2030A с однополярным включением 2. Если нормально работает то можно смотрать вторичку и намотать меньшим сечением 2 по 20 вольт ну сколько там влезет в транс они там производят 105 ватный в нем по больше места для провода есть 3. Подкинули мне платку такую не извесной фирмы с перегоревшими дорожками и выпаяными транзисторами так там вторичка намотана в 2-а провода можно размотать и намотать последовательно получится 2х11,5 при тех же 50w что тоже уже интересней с мостом и фильтрующим кондёром получится на вскидку 2х15 при 2,15 А с каждой обмотки можно накормить усилок ват на 30 но это все теория читаем пункт 1. Ссылка на комментарий Поделиться на другие сайты Поделиться
stslam Опубликовано 12 Февраля, 2010 в 15:28 Автор Жалоба Поделиться Опубликовано 12 Февраля, 2010 в 15:28 1. Интересно как ведет себя этот преобразователь при питании УЗЧ на какой-то микросхеме Отлично ведет, только КЗ не любит - сразу бабах делает. И ваттность соблюдать надо - 100 Вт при известном вольтаже - в амперы сам пересчитаешь? Ну и писк, если плохо транс смотан и не заэкранирован. Ссылка на комментарий Поделиться на другие сайты Поделиться
Гость shurig Опубликовано 12 Февраля, 2010 в 16:16 Жалоба Поделиться Опубликовано 12 Февраля, 2010 в 16:16 Ну осталось только придумать как отключить динистор при появлении КЗ на выходе нет динистора нет открывающего импульса соответственно преобразователь блокируется Ссылка на комментарий Поделиться на другие сайты Поделиться
alex n Опубликовано 12 Февраля, 2010 в 17:56 Жалоба Поделиться Опубликовано 12 Февраля, 2010 в 17:56 И что? Да ничего... . Просто надо смотреть не много глубже и дальше, а не копировать то, что человек проверил и испытал. На этом принципе можно сделать и регулировку и защиту и стабилизацию... . А уж как приспособить эту схему для питания "вторички", думаю, много ума не потребуется... . :smile: Ссылка на комментарий Поделиться на другие сайты Поделиться
alex n Опубликовано 12 Февраля, 2010 в 19:01 Жалоба Поделиться Опубликовано 12 Февраля, 2010 в 19:01 (изменено) Кроме этого можно глянуть информацию по аналогичной доработке электронного трансформатора для ламповых усилителей вот здесь - -https://www.cqham.ru/bpnlu.htm У Федюкова - -https://fedjukov2.-мы не распространяем ссылки на [народ.ру]-/EL_TR_TASHIBRA/el_tr.htm Изменено 12 Февраля, 2010 в 19:07 пользователем alex n Ссылка на комментарий Поделиться на другие сайты Поделиться
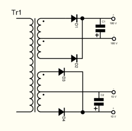
Гость ddo Опубликовано 12 Февраля, 2010 в 19:40 Жалоба Поделиться Опубликовано 12 Февраля, 2010 в 19:40 (изменено) Да ничего... .Просто надо смотреть не много глубже и дальше, а не копировать то, что человек проверил и испытал. На этом принципе можно сделать и регулировку и защиту и стабилизацию... . А уж как приспособить эту схему для питания "вторички", думаю, много ума не потребуется... . :smile: ИМХО по теме. Первый и простой шаг - электролитик на мост (чем больше, тем лучше, только габариты держат). А второй - пихнуть как ранее кто то писал ещё трансик на выхлоп. По мне, так точно накрутил бы 12 витков. Получил бы точно виток на вольт, а потом начал бы лепить вторички, ну просто какие надо. Ферритовых трансов в ломе и колечек можно найти предостаточно. А дальше все вкусности. 30 кГц фильтровать куда легче, чем 50 Гц. По мощности запасец есть. Дросселя смешных размеров и прочая, и прочая, и прочая. Где то у меня такая ташибра валяется. Уж и руки почёсываются заняться. А если в лампы лезть, то во вторичном трансике три витка первичка (то бишь 1/4 витка на вольт) и уже 50 витков нагнал - вот и анодка. Изменено 12 Февраля, 2010 в 19:44 пользователем ddo Ссылка на комментарий Поделиться на другие сайты Поделиться
Рекомендуемые сообщения
Для публикации сообщений создайте учётную запись или авторизуйтесь
Вы должны быть пользователем, чтобы оставить комментарий
Создать учетную запись
Зарегистрируйте новую учётную запись в нашем сообществе. Это очень просто!
Регистрация нового пользователяВойти
Уже есть аккаунт? Войти в систему.
Войти