cbafrunze Опубликовано 25 Декабря, 2015 в 12:11 Жалоба Поделиться Опубликовано 25 Декабря, 2015 в 12:11 (изменено) Ну, и еще один вариант. Изменено 25 Декабря, 2015 в 12:12 пользователем cbafrunze Ссылка на комментарий Поделиться на другие сайты Поделиться
Гость jank5 Опубликовано 25 Декабря, 2015 в 17:19 Жалоба Поделиться Опубликовано 25 Декабря, 2015 в 17:19 Компактный автоматический намоточный станок из шуруповёрта =https://smartelectronix.biz/publ/kompaktnyj_avtomaticheskij_namotochnyj_stanok_iz_shurupovjorta/1-1-0-65 Ссылка на комментарий Поделиться на другие сайты Поделиться
cbafrunze Опубликовано 26 Декабря, 2015 в 16:10 Жалоба Поделиться Опубликовано 26 Декабря, 2015 в 16:10 В общей кинематической схеме, интересен Механизм реверса укладчика. На выходном валу дискового вариатора скользяще закреплена зелёная шестерня. Эта шестерня может передвигаться с помощью тяги с вилкой на конце. В одном крайнем положении вращение передаётся с зелёной шестерни на правую красную, в другом - с зелёной шестерни на синие сателлиты и на левую красную шестерню. Таким способом изменяется направление вращения ходового винта и укладчик движется в обе стороны. Тяга фиксируется в крайних положениях подпружиненным шариком. На тяге имеются два передвижных упора, которыми устанавливается ширина намотки. На основании укладчика предусмотрен выступ, расположенный как раз между упорами. Выступ нажимает в крайних положениях на упоры и передвигает тягу, переключая направление вращения ходового винта. Чтобы переключение происходило мгновенно, с каждой стороны между выступом и упорами на тягу установлено по небольшой пружинке. При подходе выступа к упору пружинка сжимается, но тяга не двигается, так как шариковый фиксатор удерживает тягу в крайнем положении сильнее, чем усилие сжатой пружинки. При дальнейшем движении выступ давит на полностью сжатую пружинку, через неё - на упор. Тут усилие уже больше, чем может держать шариковый фиксатор, и тяга сдвигается. При этом пружинка разжимается и быстро перещёлкивает тягу в другое крайнее положение. Шариковый фиксатор попадает во вторую выемку и тяга теперь будет находиться в этом устойчивом положении. Так в каждом крайнем положении укладчик нажимает выступом на упор и перещёлкивает тягу. Вилка на её конце сдвигает зелёную шестерёнку и напрвление вращения ходового винта меняется на противоположное. Часть управления механики, можно заменить ШД, с соответственной электронной начинкой (как вариант). Хорошо, когда есть из чего выбирать. Ссылка на комментарий Поделиться на другие сайты Поделиться
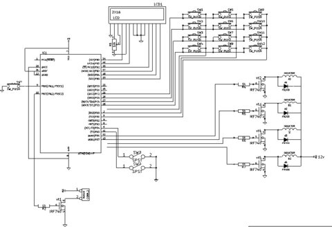
cbafrunze Опубликовано 2 Января, 2016 в 16:24 Жалоба Поделиться Опубликовано 2 Января, 2016 в 16:24 (изменено) ... Я бы мог прогу для МК написать и отладить. Печатка с меня, естественно... и прошивка МК. ... ... Зашить контроллер - дело двух минут. Думаю, что три движка наскребу по ремонтным фирмам (по крайней мере, на "попробовать" дадут). Как соберу плату и проверю с софтом - отпишусь ... С Новым годом! И можно, продолжить рассматривать узлы "Намоточное устройство для трансформаторов", если с механикой все понятно, то с "электронной начинкой" будем разбираться. Перебирая схемы остановился на, микроконтроллерах Atmega8 и PIC16F876A: - при намотке задается количество витков в обмотке, количество витков в слое, ∅ провода, режим намотки с остановом в конце слоя или непрерывно, начальные направление намотки и движения укладчика. - в режиме намотки отображается текущий виток обмотки, текущий виток в слое, номер слоя, направление намотки и движение укладчика. - режимы намотки: по количеству витков в слое или по концевикам - датчик обрыва, звук и др. изменить настройку можно в любой момент с продолжением с остановленного участка...в т.ч. с отключением (данные записываются в EEPROM). Прошивка для PIC16F876A (StsnokVisual.HEX). Для адаптирования под свои двигатели, необходимо прилагаемый .hex файл откорректировать. Изменено 3 Января, 2016 в 08:31 пользователем cbafrunze Ссылка на комментарий Поделиться на другие сайты Поделиться
TANk Опубликовано 2 Января, 2016 в 17:55 Жалоба Поделиться Опубликовано 2 Января, 2016 в 17:55 ... при намотке задается количество витков в обмотке, количество витков в слое, ∅ провода, режим намотки с остановом в конце слоя или непрерывно, начальные направление намотки и движения укладчика. ... Я бы задавал толщину провода по лаку и ширину намотки (сколько места есть на каркасе). Эти две величины можно при помощи линейки измерить перед началом намотки. И от них никуда не денешься и их не скорректируешь. Количество намотанных витков должно крупно отображаться на дисплее. Текущий слой, возможно тоже отображать, направление движения укладчика - наверное тоже. остальное я считаю лишним. Ссылка на комментарий Поделиться на другие сайты Поделиться
Arcev Опубликовано 3 Января, 2016 в 10:25 Жалоба Поделиться Опубликовано 3 Января, 2016 в 10:25 дома осталась моталка, доставшаяся по наследсву принцип очень простой имеется два параллельных вала (один для мотаемой катушки, другой для укладки) соединенные механически коничками с возможностью реверса на второй вал наматывается провод которым будем мотать получается такой примитивный укладчик при намотке эту "резьбу" натирать парафином для сохранения изоляции мотаемого провода Ссылка на комментарий Поделиться на другие сайты Поделиться
cbafrunze Опубликовано 4 Января, 2016 в 12:09 Жалоба Поделиться Опубликовано 4 Января, 2016 в 12:09 (изменено) Перебирая схемы остановился на, микроконтроллерах Atmega8 и PIC16F876A: - при намотке задается количество витков в обмотке, количество витков в слое, ∅ провода, режим намотки с остановом в конце слоя или непрерывно, начальные направление намотки и движения укладчика. - в режиме намотки отображается текущий виток обмотки, текущий виток в слое, номер слоя, направление намотки и движение укладчика. - режимы намотки: по количеству витков в слое или по концевикам - датчик обрыва, звук и др. изменить настройку можно в любой момент с продолжением с остановленного участка...в т.ч. с отключением (данные записываются в EEPROM). Прошивка для PIC16F876A (StsnokVisual.HEX). Для адаптирования под свои двигатели, необходимо прилагаемый .hex файл откорректировать. Выкладываю схемы и прошивку. StsnokVisual.rar Я бы задавал толщину провода по лаку и ширину намотки (сколько места есть на каркасе). Эти две величины можно при помощи линейки измерить перед началом намотки. И от них никуда не денешься и их не скорректируешь. Количество намотанных витков должно крупно отображаться на дисплее. Текущий слой, возможно тоже отображать, направление движения укладчика - наверное тоже. остальное я считаю лишним. Меню по часовой стрелке: витков в обмотке (уст), витков в слое (уст), ∅ провода (уст), звуковой сигнал вкл/выкл (уст), направление вращения обмотки (уст/инд), направление движения укладчика (уст/инд), номер слоя (инд), скорость намотки (уст/инд), текущий номер витка в слое (инд), текущий номер витка в обмотке (инд) Изменено 4 Января, 2016 в 13:54 пользователем cbafrunze 1 Ссылка на комментарий Поделиться на другие сайты Поделиться
BimBom Опубликовано 3 Марта, 2016 в 19:24 Жалоба Поделиться Опубликовано 3 Марта, 2016 в 19:24 Сделал простейшую приспособу , в помощь для не серийной намотки катушек трансформаторов.Ну так как ощущая себя еще деревянным в этом процессе то и воплотил приспособу в основном в дереве , для осей использовал шпильку на 8мм ∅, , для подсчета количества витков из пластика вырезал эксцентрик , закрепил его на главной оси над микроппереключателем, , воспользовавшись старым калькулятором вывел контакт равенства на переключатель ( набрав 0+1 калькулятор начинает соответственно суммировать витки) .Так сказать трансмиссия меж валом с катушкой и валом с направляющей сделана из деревянных роликов разного диаметра ролики делал с помощью набора коронок для дрели, сначала малым ∅ засверлился на 1/3 толщины доски, затем ∅ побольше на 2ю треть , и остаток толщины доски большим ∅ , получив 3х ступенчатую пирамидку , рассверлил отверстие под ∅ шпильки , с помощью болта закрепил пирамидку на дрели и не спеша резьбой самореза нацарапал кнавки , то же и для оси с направляющей , только ролик делал побольше и на 2 ступени,(2 диаметра) . Все это конечно немножко топорно , зато дешево купил только шпильку и пару длинных соединительных гаек. Попробовал в деле- разобрал дроссель твк-110 лм , и смотал на станочке первый , пилотный выходной твз-1-9 по схеме 1-2-1.Вроде работает система, в ручную таким тонким проводом , не взялся бы точно, теперь уже буду аккуратно мотать выходной под однотакт на гу50. 2 Ссылка на комментарий Поделиться на другие сайты Поделиться
Dmitriy80 Опубликовано 6 Сентября, 2018 в 22:23 Жалоба Поделиться Опубликовано 6 Сентября, 2018 в 22:23 В 04.01.2016 в 15:09, cbafrunze сказал: Выкладываю схемы и прошивку. StsnokVisual.rar Валерий, есть ли у Вас окончательный вариант прошивки? Поделитесь? Ссылка на комментарий Поделиться на другие сайты Поделиться
cbafrunze Опубликовано 8 Сентября, 2018 в 10:58 Жалоба Поделиться Опубликовано 8 Сентября, 2018 в 10:58 (изменено) В 04.01.2016 в 18:09, cbafrunze сказал: Прошивка для PIC16F876A (StsnokVisual.HEX). Для адаптирования под свои двигатели, необходимо прилагаемый .hex файл откорректировать. "В строке 10072 - последовательности 08 30, и 54 30 содержится коэффициент замедления движения укладчика относительно основного двигателя. В моем варианте основной двигатель делает 200 шагов на 1 оборот, укладочный - 238 шагов для сдвига укладчика на 1мм. Коэффециент (конкретно цифры 08 и 54 это старший и младший биты числа 2132) расчитывался по формуле: К=2500*Н1/H2 (где Н1 количество шагов на 1 оборот основного двигателя, Н2 - шаги для сдвига укладчика на 1 мм). Для любителей все пересчитывать, сразу скажу если вы подставите мои значения - то результат будет 2101 ("хвостик" в сумме 31 складывается из-за того что шагов у укладчика не ровно 238, да и шаг винта не ровно 1мм) конкретное значение подбирается в процессе настройки. Для адаптирования станка под свои двигатели, необходимо в "блокноте" открыть прилагаемый HEX. файл и откорректировать вышеуказанные значения), т.е если у вас основной двигатель делает 400 шагов на один оборот, а укладчик движется со скоростью 331 шаг/мм, то к=3021 (калькулятором переводим в шестнадцатеричный код, получится 0B CD) и соответственно 08 меняем на ОВ, 54 меняете на СD. Затем сохраняем файл." Я использовал данный материал (разработка не моя, взял за основу) , под свои конкретные двигатели, поэтому Вам придется пересчитывать под то, что есть у Вас. А, вообще, тема интересная. Изменено 8 Сентября, 2018 в 11:04 пользователем cbafrunze Ссылка на комментарий Поделиться на другие сайты Поделиться
UAK Опубликовано 20 Сентября, 2018 в 14:39 Жалоба Поделиться Опубликовано 20 Сентября, 2018 в 14:39 В 04.01.2016 в 17:09, cbafrunze сказал: Выкладываю схемы и прошивку. StsnokVisual.rar Меню по часовой стрелке: витков в обмотке (уст), витков в слое (уст), ∅ провода (уст), звуковой сигнал вкл/выкл (уст), направление вращения обмотки (уст/инд), направление движения укладчика (уст/инд), номер слоя (инд), скорость намотки (уст/инд), текущий номер витка в слое (инд), текущий номер витка в обмотке (инд) Спасибо за инфо. Собрал некоторые комплектующие. В выходние хотел начать делать для себя станок для намотки выходных трансформаторов моего лампового проекта. Не могли бы выложить на этот форум печатную плату. Хотел сделать через технологию ЛУТ. Ссылка на комментарий Поделиться на другие сайты Поделиться
Рекомендуемые сообщения
Для публикации сообщений создайте учётную запись или авторизуйтесь
Вы должны быть пользователем, чтобы оставить комментарий
Создать учетную запись
Зарегистрируйте новую учётную запись в нашем сообществе. Это очень просто!
Регистрация нового пользователяВойти
Уже есть аккаунт? Войти в систему.
Войти