Гость roooom Опубликовано 21 Октября, 2011 в 11:05 Жалоба Поделиться Опубликовано 21 Октября, 2011 в 11:05 Вот, нашел страничку из справочника 1963г. "Лампы генераторные и модуляторные" Автор: Бондаренко В.И. Получается что эта лампа "с повышенной электрической прочностью" Ссылка на комментарий Поделиться на другие сайты Поделиться
andrew_spb Опубликовано 21 Октября, 2011 в 11:46 Жалоба Поделиться Опубликовано 21 Октября, 2011 в 11:46 (изменено) Именно так - ибо работать этой лампочке придется в условиях перегрева и влажности - до конденсата( а пробивное напряжение лампы при перегреве падает) И прочие элементы оборудования в "зоне Т" ведут себя интересно... Любопытно, что "зоны С"(северная) у нас не было... все решалось тупо подогревом.... Изменено 21 Октября, 2011 в 11:48 пользователем andrew_spb Ссылка на комментарий Поделиться на другие сайты Поделиться
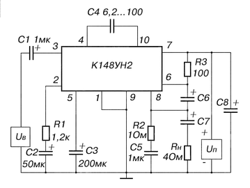
Ubiks Опубликовано 21 Октября, 2011 в 15:30 Жалоба Поделиться Опубликовано 21 Октября, 2011 в 15:30 К148УН2 - Усилители мощности низкой частоты. Предназначены для использования в оконечных устройствах радиоэлектронной аппаратуры. Конструктивно оформлены в корпусе типа 311.10-1. Назначение выводов микросхем: 1, 9— общие (земля); 2 — обратная связь; 3 — вход; 4, 10—коррекция; 5 — фильтр; 6, 7 — питание ( + £/и.п); 8 — выход. ......................................................... Интегральные микросхемы и их зарубежные аналоги: Справочник. Том 2./А. В. Нефедов. - М.:ИП РадиоСофт, 1999г. - 640с.:ил. Ссылка на комментарий Поделиться на другие сайты Поделиться
andrew_spb Опубликовано 21 Октября, 2011 в 15:46 Жалоба Поделиться Опубликовано 21 Октября, 2011 в 15:46 Классно! Сколько дырочек маленьких в радиаторе сверлить и ножки изолировать... лепота! Вот встретишь в старой РЭА такой "транзистор" - ошизеешь... Ссылка на комментарий Поделиться на другие сайты Поделиться
Гость alx25v Опубликовано 21 Октября, 2011 в 16:52 Жалоба Поделиться Опубликовано 21 Октября, 2011 в 16:52 А зачем много мелких? Одну большую чай не киловатт мощи. Ссылка на комментарий Поделиться на другие сайты Поделиться
Гость rado Опубликовано 23 Октября, 2011 в 13:58 Жалоба Поделиться Опубликовано 23 Октября, 2011 в 13:58 Такие усилители есть на станционном оборудовании охраны госграницы. Я с ними имел дело когда работал на погран войска РФ в Армении, выходят из строя очень редко по этому и применяют там. Ссылка на комментарий Поделиться на другие сайты Поделиться
andrew_spb Опубликовано 2 Ноября, 2011 в 16:10 Жалоба Поделиться Опубликовано 2 Ноября, 2011 в 16:10 Покупал в инет магазине разную мелочь, среди прочего заказал там "конденсатор керамический 4.7х50В" И выкатили мне вот такую штуку(пачку цилиндров с длинными усами)... я ее конечно тут же разобрал, одну... внутри цилиндра есть еще резистор на 1МОм.... ну ничего, буду использовать для шунтирования электролитов в БП.... Да. а как тут картинку вставить?? Ссылка на комментарий Поделиться на другие сайты Поделиться
Гость mastersound Опубликовано 2 Ноября, 2011 в 16:18 Жалоба Поделиться Опубликовано 2 Ноября, 2011 в 16:18 а как тут картинку вставить?? Делается так: Ответить - Обзор - Выбираешь файл -Открыть - Загрузить - Отправить. Ссылка на комментарий Поделиться на другие сайты Поделиться
metrolog Опубликовано 2 Ноября, 2011 в 16:20 Жалоба Поделиться Опубликовано 2 Ноября, 2011 в 16:20 Выбирай опцию "Ответить". Там развернутая форма с возможностью прикрепления файлов, напр. jpg Ссылка на комментарий Поделиться на другие сайты Поделиться
Datagor Опубликовано 2 Ноября, 2011 в 16:52 Жалоба Поделиться Опубликовано 2 Ноября, 2011 в 16:52 ааааааааааааааааа!!! хочу увидеть усатую пачку цилиндров!!!! Андрюха, зацепляй скорее. :smile: Ссылка на комментарий Поделиться на другие сайты Поделиться
Ubiks Опубликовано 2 Ноября, 2011 в 20:47 Жалоба Поделиться Опубликовано 2 Ноября, 2011 в 20:47 Интересно и даже очень... Ссылка на комментарий Поделиться на другие сайты Поделиться
andrew_spb Опубликовано 3 Ноября, 2011 в 04:24 Жалоба Поделиться Опубликовано 3 Ноября, 2011 в 04:24 ааааааааааааааааа!!!хочу увидеть усатую пачку цилиндров!!!! Андрюха, зацепляй скорее. :smile: Вот, это один разобранный. Усы длинные, см по 15, на фото обрезал их. ∅ пластмассового стакана 25, длина 65 мм. Всем спасибо за помощь, теперь буду картинки клеить. Эта кстати еще и уменьшена по абс размеру в два раза. Ссылка на комментарий Поделиться на другие сайты Поделиться
Рекомендуемые сообщения
Для публикации сообщений создайте учётную запись или авторизуйтесь
Вы должны быть пользователем, чтобы оставить комментарий
Создать учетную запись
Зарегистрируйте новую учётную запись в нашем сообществе. Это очень просто!
Регистрация нового пользователяВойти
Уже есть аккаунт? Войти в систему.
Войти