Перейти к содержанию

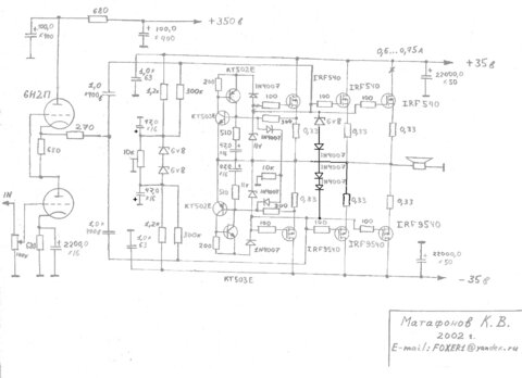
Выбираю схему гибрида. Крамер, Шуцкий или "Радиохобби" №5 2007г.


Рекомендуемые сообщения

Валера мой моб.89182686496 к стати если будешь в Краснодаре все сам увидишь и услышишь.Всё это как раз в тему-необычный гибр. усь.busikkkkk@bk.ru-это личька.

 

Добавлено после раздумий:

Валера мой моб.89182686496 к стати если будешь в Краснодаре все сам увидишь и услышишь.Всё это как раз в тему-необычный гибр. усь.busikkkkk@bk.ru-это личька.

Ссылка на комментарий
Поделиться на другие сайты

  • Ответов 61
  • Создана
  • Последний ответ

Топ авторов темы

Топ авторов темы

Изображения в теме

Форумчане относит. поста 30, 31-шунтируя верхний рез.мы незначительно уравниваем скорость нарастания и спада сигнала.Между тем эти скорости должны быть равны, НО в сх. 1,2,3,все один и тот же СРПП который в принципе не может обеспечить равные скорости, так как нарастание нам о обес. кат. повтор. а спад-разряд перех. емкости происходит через верхний рез +ri нижней лампы + катодная цепь, еще шунтируя верхний рез. мы значительно увеличиваем КНИ.Процесс напоминает работу эксайтера.-обогащение сигнала гарм. которых там изначально НЕТ.Отсюда искажение тебр. соста :smile: вляющей.ОДНАКО истина нам дороже. относит. поста 33 Е пит. необходимо поднять до 520 вольт.ЛЕЧЕНИЕ драйвер СРПП с током 120 ма и полосой 1,5МГЦ. и скор.1500 в/мкс.

Ссылка на комментарий
Поделиться на другие сайты

Для публикации сообщений создайте учётную запись или авторизуйтесь

Вы должны быть пользователем, чтобы оставить комментарий

Создать учетную запись

Зарегистрируйте новую учётную запись в нашем сообществе. Это очень просто!

Регистрация нового пользователя

Войти

Уже есть аккаунт? Войти в систему.

Войти
  • Последние посетители   0 пользователей онлайн

    • Ни одного зарегистрированного пользователя не просматривает данную страницу

×
×
  • Создать...