игорь джан Опубликовано 20 Июня, 2017 в 16:30 Автор Жалоба Поделиться Опубликовано 20 Июня, 2017 в 16:30 ... Присылай, всё сделаю ... Валер, ну зачем же так? Руки то в правильном месте, голова только не оттуда растёт:) Нужно самую малость-направить дитё в нужное направление! Ссылка на комментарий Поделиться на другие сайты Поделиться
Datagor Опубликовано 23 Июня, 2017 в 04:24 Жалоба Поделиться Опубликовано 23 Июня, 2017 в 04:24 Выделена тема Питание светодиодов в авто. Модули SEPIC Ссылка на комментарий Поделиться на другие сайты Поделиться
real64 Опубликовано 25 Июня, 2017 в 08:53 Жалоба Поделиться Опубликовано 25 Июня, 2017 в 08:53 Подобная задача (ночник) решена с помощью вот такого Step-Up преобразователя: ru.aliexpress.com/item/5pcs-free-shipping-MT3608-DC-DC-Step-Up-Power-Apply-Module-Booster-Power-Module-MAX-output Ссылка на комментарий Поделиться на другие сайты Поделиться
FOLKSDOICH Опубликовано 25 Июня, 2017 в 17:42 Жалоба Поделиться Опубликовано 25 Июня, 2017 в 17:42 Ну так и мы про них, Женя. Ссылка на комментарий Поделиться на другие сайты Поделиться
игорь джан Опубликовано 25 Июня, 2017 в 21:01 Автор Жалоба Поделиться Опубликовано 25 Июня, 2017 в 21:01 ... Подобная задача решена с помощью вот такого Step-Up преобразователя ... Походный вариант, с эстетическими задатками? 1 Ссылка на комментарий Поделиться на другие сайты Поделиться
real64 Опубликовано 26 Июня, 2017 в 18:25 Жалоба Поделиться Опубликовано 26 Июня, 2017 в 18:25 Прикроватный ночник :biggrin: из старой светодиодной лампы, литиевого аккумулятора, преобразователя, куска доски и обрезка матового стекла. Сделано за пару часов под настроение. Ссылка на комментарий Поделиться на другие сайты Поделиться
игорь джан Опубликовано 26 Июня, 2017 в 19:53 Автор Жалоба Поделиться Опубликовано 26 Июня, 2017 в 19:53 ... Сделано за пару часов под настроение. ... Очень даже симпатишно :cool: Зарядка на стороне? Ссылка на комментарий Поделиться на другие сайты Поделиться
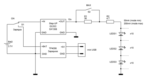
Sergiy_83 Опубликовано 27 Июня, 2017 в 18:22 Жалоба Поделиться Опубликовано 27 Июня, 2017 в 18:22 ... процессы, происходящие в схеме для меня на грани фантастики))) ... Сегодня случайно нашел три светодиода, похожи на ваши, потренировался. Могу предложить для вас еще одно простое решение: Номиналы резисторов приблизительные, особенно R1. 1 Ссылка на комментарий Поделиться на другие сайты Поделиться
real64 Опубликовано 28 Июня, 2017 в 16:47 Жалоба Поделиться Опубликовано 28 Июня, 2017 в 16:47 ... Зарядка на стороне? ... Вместе с преобразователем заказывал и зарядку: ru.aliexpress.com/item/1PCS-5V-Micro-USB-1A-18650-Lithium-Battery-Charging-Board-With-Protection-Charger-Module Но она, как водится, пришла много позже сборки. Кстати на момент заказа доставка была бесплатная :sad:. Буду ставить и доделывать крышку после разрядки аккумулятора. Это при кратковременной нечастой эксплуатации месяца через два. Ссылка на комментарий Поделиться на другие сайты Поделиться
игорь джан Опубликовано 28 Июня, 2017 в 17:22 Автор Жалоба Поделиться Опубликовано 28 Июня, 2017 в 17:22 ... Могу предложить для вас еще одно простое решение: ... Люблю готовые решения :biggrin: ... Номиналы резисторов приблизительные, особенно R1 ... Придётся"играться", подбирать по месту? Мощность резюков какова? ... Вместе с преобразователем заказывал и зарядку ... Придётся выносить диоды зарядки в зону видимости... Ссылка на комментарий Поделиться на другие сайты Поделиться
real64 Опубликовано 30 Июня, 2017 в 04:22 Жалоба Поделиться Опубликовано 30 Июня, 2017 в 04:22 ... Придётся выносить диоды зарядки в зону видимости... ... Задняя крышка из матового оргестекла будет вполне неплохо засвечиваться этими диодами и без выноса. Ссылка на комментарий Поделиться на другие сайты Поделиться
FOLKSDOICH Опубликовано 30 Июня, 2017 в 12:28 Жалоба Поделиться Опубликовано 30 Июня, 2017 в 12:28 У меня в фикспрайсовском одном фонарике используется подобная платка зарядная. Светики даже через непрозрачный корпус видно, особенно в темноте. Снимки при неярком дневном свете. Ссылка на комментарий Поделиться на другие сайты Поделиться
Рекомендуемые сообщения
Для публикации сообщений создайте учётную запись или авторизуйтесь
Вы должны быть пользователем, чтобы оставить комментарий
Создать учетную запись
Зарегистрируйте новую учётную запись в нашем сообществе. Это очень просто!
Регистрация нового пользователяВойти
Уже есть аккаунт? Войти в систему.
Войти