dimamukhin Опубликовано 5 Июня, 2017 в 09:39 Жалоба Поделиться Опубликовано 5 Июня, 2017 в 09:39 (изменено) В интернете есть описание переделки компьютерного БП в блок питания на 24 Вольта. Есть два варианта. 1) Изменение обвязки TL494 (KA7500). Можно регулировать напряжение и макс ток. Получается одно регулируемое напряжение , но пропадают остальные , довольно стандартные, напряжения +3.3 , +5 , +12 и т.д 2) Замена диодов D13-D14 на более мощные. В итоге мы получаем +12В и и более мощные-12В (диоды при нагрузке не сгорят). В итоге между ними мы имеем 24В , если не использовать землю. И остаются стандартные напряжения. Люди нагружали 24-х вольтовую линию до 3-5 ампер. Напряжение немного просаживалось , но свои 21-22 вольта они получали. Защита по +12 В оставалась на уровне 12А , а по напряжению - 12В все те же 0.5А . Хотя 24 вольта получалось нагружать до 5 Ампер. Вопрос состоит в том , возможно защиту по -12В переделать до 3-5 А ? Изменено 5 Июня, 2017 в 09:42 пользователем dimamukhin Ссылка на комментарий Поделиться на другие сайты Поделиться
goldmen8 Опубликовано 5 Июня, 2017 в 11:19 Жалоба Поделиться Опубликовано 5 Июня, 2017 в 11:19 ... Вопрос состоит в том , возможно защиту по -12В переделать до 3-5 А ? ... Токовой зашиты отдельно по каждой цепи питания не предусмотрено в этом блоке. Есть защита от превышения общей мощности. Схема защиты: от D12 до вывода 16 микросхемы. Ссылка на комментарий Поделиться на другие сайты Поделиться
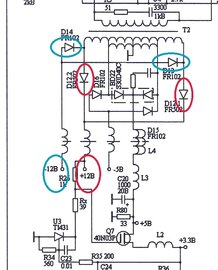
dimamukhin Опубликовано 5 Июня, 2017 в 13:01 Автор Жалоба Поделиться Опубликовано 5 Июня, 2017 в 13:01 ... Токовой зашиты отдельно по каждой цепи питания не предусмотрено в этом блоке. ... Т.е если я замкну -12В на землю , то сгорят диоды D13-D14 (FR102 на 1Ампер) , а блок питания в защиту по мощности уйти не успеет ? Ссылка на комментарий Поделиться на другие сайты Поделиться
Chugunov Опубликовано 5 Июня, 2017 в 13:05 Жалоба Поделиться Опубликовано 5 Июня, 2017 в 13:05 Токовой зашиты отдельно по каждой цепи питания не предусмотрено в этом блоке. Есть защита от превышения общей мощности. Схема защиты: от D12 до вывода 16 микросхемы. Наврядли превышается общая мощность, а вот то, что проседает напряжение - это ненормально, надо проверить что и насколько проседает. Надо временно отключить выход узла защиты от выв. 4 микросхемы, убедиться, что всё работает. Проверить контролируемые узлом защиты напряжения - без нагрузки и с требуемым током При необходимости подстроить узел защиты. Если действительно проседает -12 В, подобрать R32. Ссылка на комментарий Поделиться на другие сайты Поделиться
FOLKSDOICH Опубликовано 5 Июня, 2017 в 13:15 Жалоба Поделиться Опубликовано 5 Июня, 2017 в 13:15 ... Вопрос состоит в том , возможно защиту по -12В переделать до 3-5 А ? ... Встречный: что в итоге хотите получить? Ссылка на комментарий Поделиться на другие сайты Поделиться
dimamukhin Опубликовано 5 Июня, 2017 в 13:49 Автор Жалоба Поделиться Опубликовано 5 Июня, 2017 в 13:49 (изменено) ... Встречный: что в итоге хотите получить? ... Я думал , что на каждый канал напряжения идет своя защита согласно таблице на БП Хотел изменить порог защиты на напряжении -12В с 0.8 до 3-5 А. Чтобы получить напряжение + - 12В 5А или 24В 5А в зависимости от подключения. Но, как написал goldmen8 , здесь нет отдельно защиты на каждый канал . А есть общая по мощности. Теперь возник вопрос: если я замкну -12В на землю , то сгорят диоды D13-D14 (FR102 на 1Ампер) , а блок питания в защиту по мощности уйти не успеет ? Изменено 5 Июня, 2017 в 13:50 пользователем dimamukhin Ссылка на комментарий Поделиться на другие сайты Поделиться
Chugunov Опубликовано 5 Июня, 2017 в 14:18 Жалоба Поделиться Опубликовано 5 Июня, 2017 в 14:18 Я думал , что на каждый канал напряжения идет своя защита согласно таблице на БП Теперь возник вопрос: если я замкну -12В на землю , то сгорят диоды D13-D14 (FR102 на 1Ампер) , а блок питания в защиту по мощности уйти не успеет ? Хе-хе. Защита самого блока питания здесь по потребляемой мощности. А вот узел защиты на которые поступают выходные напряжения - это защита материнской платы и другой НАГРУЗКИ от ненормальных напряжений с БП. В разных БП она сделана по разному. В более совершенных, чем этот БП, контролируются напряжения по определённому допуску ± от номинала. В других - по превышению или пропаданию. Как здесь, честно говоря, ломать голову не хочется - всё описано на профильных сайтах, если интересно - поищите. Можно подстроить узел защиты, если есть необходимость. И стабилизация здесь групповая - все напряжения вместе "больше или меньше", а не каждое по отдельности (строго говоря - не совсем так, но это уже детали). Токи написанные на коробке - обычно фикция. Скорее всего это кратковременный режим и по отдельности. Что будет, если при тяге к знаниям коротить выходы? Защита должна сработать и диоды не должны успеть перегореть. Мы тоже много чего должны, только не всегда соблюдаем. И защита тоже, может 9 раз сработать, а на 10-ый замешкаться. И защита сработает только при полностью исправном БП. На данном сайте много статей по переделке подобных БП. Давно не занимался подобными вещами, но есть смутное подозрение, что мощность снимаемая по напряжению "+" гораздо выше, чем по "-" и одной замены диодов маловато будет. Может ошибаюсь. Ссылка на комментарий Поделиться на другие сайты Поделиться
dimamukhin Опубликовано 5 Июня, 2017 в 14:46 Автор Жалоба Поделиться Опубликовано 5 Июня, 2017 в 14:46 ... есть смутное подозрение, что мощность снимаемая по напряжению "+" гораздо выше, чем по "-" и одной замены диодов маловато будет. Может ошибаюсь. ... В том то и дело , что все "подозрительно" просто. -12 Вольт снимается с тех же обмоток , что и +12 . Единственное отличие по +12В стоит диодная сборка на 20А , а по -12 диоды на 1А. Дальше дроссель более тонким проводом намотан. Вот и все отличие . Думал дело в защите , так нет. Написали что она общая. Понимаю, многие скажут , что ты все спрашиваешь - возьми да попробуй. Но у меня в наличии только один БП. Перед экспериментами хотел уточнить что да как. Ссылка на комментарий Поделиться на другие сайты Поделиться
Chugunov Опубликовано 5 Июня, 2017 в 15:01 Жалоба Поделиться Опубликовано 5 Июня, 2017 в 15:01 Думал дело в защите , так нет. Написали что она общая. Вы не поняли. Здесь две независимые защиты. Одна - по иаксимальной потребляемой мощности для защиты силовых узлов самого БП. Другая - вырубает выходные напряжения при ненормальных выходных напряжениях, которые контролирует узел защиты, выдающий команду на выв. 4 микросхемы через диод Д27. Вполне вероятно, что если у вас БП запускается, а под нагрузкой он отключается, то проблема в том, что одно из контролируемых напряжений не в норме. Подстройка порога соответствующими резисторами в УЗ. Я забыл - надо поднимать datasheet, вроде бы "+" поступающий на выв. 4 прекращает генерацию. Если так, можно отпаять один вывод диода и проверить работу БП и контролируемые УЗ напряжения, а также отметить когда напряжение на выходе УЗ скачком меняется и даже подстроить его. Ссылка на комментарий Поделиться на другие сайты Поделиться
goldmen8 Опубликовано 5 Июня, 2017 в 15:07 Жалоба Поделиться Опубликовано 5 Июня, 2017 в 15:07 Узел от перекоса (изменения) напряжений на выходах Q10, Q11 и Q12. Он должен отработать при перекосе напряжений, и блок уходит в защиту. В некоторых случаях, чтоб сильно не заморачиваться, менял диоды в цепи -12V на более мощные. Но дроссель в этой цепи тоже нужно побольше (потолще проводом). И не забываем про электролиты на выходе, ёмкости должны быть одинаковыми в обоих цепях +12V и -12V. До 10А получалось снимать при условии +12V и -12V =24V, т.е. одновременно с обоих напряжений. Если нагрузка только на отрицательном напряжении -12V или -5V то блок уходит в защиту "по перекосу". Ссылка на комментарий Поделиться на другие сайты Поделиться
dimamukhin Опубликовано 5 Июня, 2017 в 15:25 Автор Жалоба Поделиться Опубликовано 5 Июня, 2017 в 15:25 ... Если нагрузка только на отрицательном напряжении -12V или -5V то блок уходит в защиту "по перекосу". ... Вот этот вопрос меня и интересует . Как этот перекос по -12В "загрубить" ? Ссылка на комментарий Поделиться на другие сайты Поделиться
goldmen8 Опубликовано 5 Июня, 2017 в 15:30 Жалоба Поделиться Опубликовано 5 Июня, 2017 в 15:30 Отдельно хочешь нагружать по -12V? "Загрубить" можно... Но для чего? Не понятна цель дальнейшего применения. Для решения какой задачи он будет нужен? Ссылка на комментарий Поделиться на другие сайты Поделиться
Рекомендуемые сообщения
Для публикации сообщений создайте учётную запись или авторизуйтесь
Вы должны быть пользователем, чтобы оставить комментарий
Создать учетную запись
Зарегистрируйте новую учётную запись в нашем сообществе. Это очень просто!
Регистрация нового пользователяВойти
Уже есть аккаунт? Войти в систему.
Войти