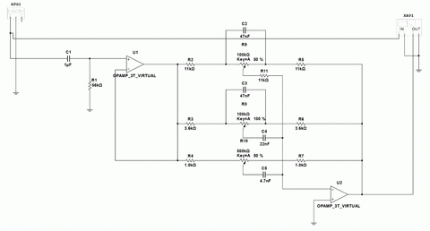
Гость dim568 Опубликовано 25 Сентября, 2015 в 16:02 Жалоба Поделиться Опубликовано 25 Сентября, 2015 в 16:02 Добрый день. Захотелось сделать темброблок к УНЧ. Моделирование имеющихся в сети пассивных схем по топологии Баксандала показало не равномерную АЧХ в среднем положении регуляторов, и я решил посмотреть в сторону активных темброблоков. Натолкнулся на ибее на один интересный темброблок (hxxp://www.ebay.com/itm/Hi-End-3-Band-Tone-Control-DIY-Kit-Bass-Mid-Treble-/270360970619). Моделирование данной схемы показало равномерную АЧХ. Имея на руках две LM4562NA загорелся идеей сделать данный темброблок. А теперь внимание вопрос)) На сколько правильно я развел схему, и не будет ли наводок? А то много параллельных дорожек заставляют меня сомневаться. И как вы считаете, стоить ли эта схема стараний, или она посредственная. Плата в SL6: tone control_single.7z hxxps://cloud.mail.ru/public/LsZb/i9i44tYnF Ссылка на комментарий Поделиться на другие сайты Поделиться
Datagor Опубликовано 26 Сентября, 2015 в 04:18 Жалоба Поделиться Опубликовано 26 Сентября, 2015 в 04:18 Подробнее о ките тут: +https://kikitronic.blogspot.ru/2009/11/three-band-tone-control.html Обратите внимание, что основная фишка кита - применение интересного чипа TDA2320AN - это пред в классе А, а сама схема - это схема из его даташита. По поводу разводки печатной платы (именно платы, не схемы) не сомнеайтесь, а соберите и послушайте, схема простая. Чертеж ПП у вас получился красивый. Ссылка на комментарий Поделиться на другие сайты Поделиться
mtihonov Опубликовано 26 Сентября, 2015 в 13:00 Жалоба Поделиться Опубликовано 26 Сентября, 2015 в 13:00 Парочка мелких советов. Во первых средние не MED а MID. Второе: я бы входной и выходной разъем разнес бы не по вертикали, а по горизонтали, несмотря на некоторое нарушение симметрии. В этом случае выиграете немного по высоте (как по рисунку) платы, и легче будет их (разъемы), втыкать - вытыкать при монтаже в корпусе. Но это чисто субъективное мнение... Ссылка на комментарий Поделиться на другие сайты Поделиться
Гость dim568 Опубликовано 16 Октября, 2015 в 11:35 Жалоба Поделиться Опубликовано 16 Октября, 2015 в 11:35 Итак, продолжение эпопеи. Дождался я переменников из китая, и решил для начала собрать один канал на макетке. Сначала собрал с TDA2320AN. На выходе услышал явные срезы полуволны. Странно, подумал я, ведь по даташиту данный ОУ питается однополярным питанием, и такого быть не должно. После подачи напряжения смещения на вход первого ОУ все за играло, но переменники приобрели декоративный вид, крути - не крути, а толку ноль. Ладно, подумал я, хочешь 2х полярное, будет. Сделал виртуальную землю и подключил все через нее. Получилась та-же ерунда, срез полуволны + щелчки и плавающий коэффициент усиления. Решил поменять микруху, заменил ТДА на LM4562NA, она как раз под двуполярное. После замены, ситуация ни коим разом не поменялась. Если земли входа и выхода вешать на виртуальную землю, то полная тишина. Если вешаем на землю источника питания (виртуальные -6в), то звук есть, а регулировок нет. Смоделировал схему в мультисиме, тот показывает что все должно быть нормально. Осцилограмма Источник питания: однополярное 12В ( LM7812 ) Источник сигнала: Мобильный телефон Выход сигнала: TDA7377 ( мостовое включение, схема по даташиту ) В голову приходят только 3 мысли: - не правильно коммутирую виртуальную землю - микросхема не может раскачать выходной УМ - не верные номиналы в делителе напряжения (ставил по 1к, картина не менялась) Подскажите пожалуйста где я что упустил. Ссылка на комментарий Поделиться на другие сайты Поделиться
Nevod Опубликовано 16 Октября, 2015 в 12:16 Жалоба Поделиться Опубликовано 16 Октября, 2015 в 12:16 Подскажите пожалуйста где я что упустил. 1. Параллельно источнику питания подключить электролитический конденсатор на 1000 мкФ и более с соблюдением полярности. 2. Виртуальную землю подключить к минусу источника питания через электролитический конденсатор на 100 мкФ и более с соблюдением полярности. 3. Неинвертирующий вход второго опера подключить к виртуальной земле через резистор 56 кОм. 4. Выход второго опера подключить к усилителю через конденсатор электролитический 10 мкФ плюсом к оперу. Это всё если опера предназначены для двухполярного питания. Ссылка на комментарий Поделиться на другие сайты Поделиться
Datagor Опубликовано 16 Октября, 2015 в 13:06 Жалоба Поделиться Опубликовано 16 Октября, 2015 в 13:06 ... Сначала собрал с TDA2320AN. На выходе услышал явные срезы полуволны. Странно, подумал я, ведь по даташиту данный ОУ питается однополярным питанием ... Серьёзно? А если посмотреть на схему вашего кита из даташита TDA2320AN. Совершенно обычное двухполярное питание. (Может быть вы чего-то недосмотрели и неверно развели ПП? Её правильность в плане соответствия соединений схеме никто не проверял.) Ещё попробуйте в делителе напряжения для виртуальной точки VGND уменьшить резисторы в 10 раз и кондёры в оба плеча максиамльно близко к ОУ. Ссылка на комментарий Поделиться на другие сайты Поделиться
Гость dim568 Опубликовано 16 Октября, 2015 в 14:31 Жалоба Поделиться Опубликовано 16 Октября, 2015 в 14:31 Серьёзно? А если посмотреть на схему вашего кита из даташита TDA2320AN. Все правильно. Кит питается двухполярным питанием. Но концепция слегка изменилась (Л и П каналы конечного устройства будут питаться каждый от своего 12В БП), и я решил построить свое устройство, используя цепи кита. Вся суть кита, в моем понимании, заключается в фильтрующих цепочках, заключенных между двумя ОУ, с хитрой обратной связью. Поэтому я взял эти цепочки и попытался вклинить их между ОУ. Возможно есть путаница в даташитах на TDA2320, тк в одних даташитах на TDA2320 указано что питание однополярное , а в других что двуполярное. Исходя из этого, первая попытка и была сделана с однополярным питанием. hxxp://pdf.datasheetcatalog.com/datasheet/stmicroelectronics/2289.pdf hxxp://pdf.datasheetcatalog.com/datasheet/SGSThomsonMicroelectronics/mXrtrvy.pdf Может быть вы чего-то недосмотрели и неверно развели ПП? Печатной платы пока нет, все на стадии макетки. Ещё попробуйте в делителе напряжения для виртуальной точки VGND уменьшить резисторы в 10 раз Попробую поставить в делителе 1к сопротивления. соединить среднюю точку с минусом питания через электролит и добавить на неинвертирующий вход сопротивление + посмотрю осцилографом что твориться на выходе, при отключенном УМ. Ссылка на комментарий Поделиться на другие сайты Поделиться
Гость dim568 Опубликовано 21 Октября, 2015 в 16:24 Жалоба Поделиться Опубликовано 21 Октября, 2015 в 16:24 Проблему решил. Ошибка оказалась в коммутации регулятора тембра с УМ. В УМ земля входа была минусом БП, а в регуляторе тембра земля виртуальная (+6 вольт). Проблему решил установкой сопротивления перед выходом темброблока. Коммутация до: Коммутация после: Насколько технически правильно данное решение? Может есть более правильные и изящные способы? Ссылка на комментарий Поделиться на другие сайты Поделиться
Nevod Опубликовано 22 Октября, 2015 в 07:56 Жалоба Поделиться Опубликовано 22 Октября, 2015 в 07:56 (изменено) Напряжение в точке виртуальной земли теперь стало примерно 4 Вольта? Тогда более изящный способ: нижний резистор делителя заменить на 1,5 кОм, разделительный с УМ - убрать, а минусы РТ и УМ соединить. Сейчас два резистора по 3 кОм параллелятся через длинные провода минуса питания. Но ваше решение, скорее всего, приведёт к значительному снижению максимального выходного напряжения сигнала регулятора тембра, т.е его перегрузочной способности. Решение с конденсаторами, мне кажется, значительно эффективнее. Или это не аудиофильское решение? Так ведь и регулятор тембра тоже у аудиофилов не в почёте :cool: Изменено 22 Октября, 2015 в 08:00 пользователем nevod Ссылка на комментарий Поделиться на другие сайты Поделиться
Гость dim568 Опубликовано 22 Октября, 2015 в 11:25 Жалоба Поделиться Опубликовано 22 Октября, 2015 в 11:25 ... Напряжение в точке виртуальной земли теперь стало примерно 4 Вольта? ... Не буду врать, не измерял. Но согласно правилу 1/R средняя точка должна была сместиться. Что собственно и смутило меня в моем решении. И в дополнение мне не нравится что получается земляная петля. ... нижний резистор делителя заменить на 1,5 кОм, разделительный с УМ - убрать, а минусы РТ и УМ соединить. ... Но ведь в этом случае должна получиться ситуация, от которой я начинал? Средняя точка будет соединена напрямую с минусом питания, и соответственно потенциал будет опущен до 0В. ... Решение с конденсаторами, мне кажется, значительно эффективнее. А можно по подробнее? На входе УМ по плюсу стоит разделительный конденсатор. Нужно поставить дополнительный по земле? Или вы имеете ввиду соединение средней точки с минусом БП через электролит? А как тогда в этом случае нужно коммутировать минусы темброблока и УМ? Или это не аудиофильское решение? ... Слава богу я этой болезнью не болею. Для меня основной интерес это послушать как звучит устройство с разделенными по питанию каналами. Ну а темброблок, просто по тому что хочу))). P.S. У меня пока не укладываются в голове одно: нужно соединить земли устройств, но при этом они имеют разные потенциалы. И на правильное решение, мне не достает то-ли знаний, то-ли опыта. Ссылка на комментарий Поделиться на другие сайты Поделиться
Nevod Опубликовано 22 Октября, 2015 в 13:26 Жалоба Поделиться Опубликовано 22 Октября, 2015 в 13:26 1. Нужно соединить минусы РТ и УМ устройств по постоянному току. Соответственно и плюсы соединить. Между плюсом и минусом, поближе к корпусу микросхемы поставить электролит побольше (1000 мкФ), лучше зашунтированный плёночным конденсатором на 0,1...1 мкФ. 2. Виртуальную землю соединить с минусом конденсатором на 100 мкФ, можно также плёночный добавить. Можно и оба резистора делителя зашунтировать одинаковыми конденсаторами в нужной полярности. Так Вы соедините виртуальную землю по переменному току с источником питания. Тогда можно будет подавать сигнал на вход РТ и минус, а снимать сигнал с выхода РТ и минуса. 3. Постоянное напряжение на выходе второго опера должно быть равно половине напряжения питания. Для этого резисторы в делителе виртуальной земли должны быть одинаковыми. Третий резистор убрать, т.е разорвать его цепь совсем. Ссылка на комментарий Поделиться на другие сайты Поделиться
sstvov Опубликовано 22 Октября, 2015 в 19:41 Жалоба Поделиться Опубликовано 22 Октября, 2015 в 19:41 По моему нужно лишь заменить сопротивление, то что изображено горизонтально на последней схеме, конденсатором на сотню или больше микрофарад. Ссылка на комментарий Поделиться на другие сайты Поделиться
Рекомендуемые сообщения
Для публикации сообщений создайте учётную запись или авторизуйтесь
Вы должны быть пользователем, чтобы оставить комментарий
Создать учетную запись
Зарегистрируйте новую учётную запись в нашем сообществе. Это очень просто!
Регистрация нового пользователяВойти
Уже есть аккаунт? Войти в систему.
Войти