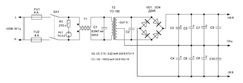
Den101 Опубликовано 14 Июня, 2015 в 14:17 Жалоба Поделиться Опубликовано 14 Июня, 2015 в 14:17 Задался я целью создать этот аппарат. Знающие люди посоветовали, к тому же вся элементная база для него была у меня в наличии. Сделал, очень даже неплохо играет, правда колонки S-30 для него слабоваты :smile: Теперь поподробнее о сборке. В качестве корпуса выбран компьютерный десктоп Трансформатор источника питания - ТС-250 от советского цветного телевизора, емкость конденсаторов фильтров по 5000 мкФ в плечо, выпрямитель отдельный для каждого канала. Каналы усилителя собраны по этой схеме Печатная плата - по этой (рисовал маркером) Вид готовой Радиаторы - какие Бог послал, но со своей задачей справляются + 2 вентилятора им в помощь. Вентиляторы работают от отдельного блока питания на 7В, поэтому не шумят :smile: 1 Ссылка на комментарий Поделиться на другие сайты Поделиться
Den101 Опубликовано 14 Июня, 2015 в 14:28 Автор Жалоба Поделиться Опубликовано 14 Июня, 2015 в 14:28 Выходники :smile: Общий вид В усилителе применены транзисторы П307, КТ203А (вместо КТ209М), КТ940А (вместо КТ602Б), П701А (вместо КТ801Б), выходники - КТ803 в одном канале и КТ819 - в другом. Сравниваю :smile: Осталось только сделать блок защиты АС, но я еще не решил - по какой схеме делать :smile: 1 Ссылка на комментарий Поделиться на другие сайты Поделиться
Datagor Опубликовано 14 Июня, 2015 в 19:04 Жалоба Поделиться Опубликовано 14 Июня, 2015 в 19:04 Денис, классно, спасибо! Если у вас есть файл журнала со схемой и статьёй Шушурина - прикрепляйте в архиве zip. Или укажите точный год, номер, страницы. Ссылка на комментарий Поделиться на другие сайты Поделиться
Den101 Опубликовано 16 Июня, 2015 в 16:09 Автор Жалоба Поделиться Опубликовано 16 Июня, 2015 в 16:09 Пожалуйста :smile: Оригинальная статья опубликована в журнале радио №6 за 1978г, с. 45-46. Вот вырезка из него (хотел публиковать целиком журнал, но весит много) 1 Ссылка на комментарий Поделиться на другие сайты Поделиться
Den101 Опубликовано 16 Июня, 2015 в 16:20 Автор Жалоба Поделиться Опубликовано 16 Июня, 2015 в 16:20 В интернете есть масса публикаций по этому усилителю. Многие собирают на импорте, но для меня интерес представляло собрать усилитель "из того, что есть" и что из этого получится. Результат мне понравился, тесты КНИ, ИМИ и прочего еще не делал, выложу по мере готовности. Удачи! 1 Ссылка на комментарий Поделиться на другие сайты Поделиться
vladiv Опубликовано 17 Июня, 2015 в 10:33 Жалоба Поделиться Опубликовано 17 Июня, 2015 в 10:33 Делал в те незабвенные годы несколько таких усилителей. До сих пор работают, только в фильтре питания заменил электролиты. Электролитический конденсатор в цепи С6 , ООС, ставь хороший,полярный, неполярный, хотя на слух незаметно. От него зависит хаотичное колебание постоянки на выходе. У меня, после прогрева можно было выставить +/- 5 миливольт.И на входе "сухоЙ" поставь. 6,8-10 мкФ, вот он сразу добавит ясности. Ну переменники надо будет потом заменить на постоянные, предварительно мультиметром измерить и подобрать. Недавно снова решил повторить но на импортных транзисторах. Что-то у меня пошло не так. В холостую без нагрузки по осциллографу всё отлично, с нагрузкой какой-то перекос. Дело , наверно в транзисторах, делал на выпаянных из БП РС и из оставшегося "мусора" Ссылка на комментарий Поделиться на другие сайты Поделиться
Den101 Опубликовано 17 Июня, 2015 в 18:32 Автор Жалоба Поделиться Опубликовано 17 Июня, 2015 в 18:32 Дело , наверно в транзисторах, делал на выпаянных из БП РС и из оставшегося "мусора" О, старый советский мультиметр с функцией испытания транзисторов, много крови мне сохранил. Я все детали проверял на нем перед монтажом, было одно оборванное сопротивление (новое!) и один бракованный транзистор. Возможно, причина банально в этом, а может у выбранных деталей непереносимость друг к другу... ИМХО, на импорте лучше сразу Ланзар собирать, он изначально под импорт заточен и мощи побольше. А про конденсаторы это правда, хотя я сейчас с танталом экспериментирую, есть несколько коробок ЭТО и КОПП для оборонки :smile: 1 Ссылка на комментарий Поделиться на другие сайты Поделиться
Den101 Опубликовано 28 Июня, 2015 в 17:01 Автор Жалоба Поделиться Опубликовано 28 Июня, 2015 в 17:01 О, раз разговор за шумы зашел, хочу спросить - влияют ли подстроечные резисторы (тока покоя и нуля на выходе) на шумность усилителя? Ссылка на комментарий Поделиться на другие сайты Поделиться
Andre_Green Опубликовано 28 Июня, 2015 в 17:57 Жалоба Поделиться Опубликовано 28 Июня, 2015 в 17:57 О, раз разговор за шумы зашел, хочу спросить - влияют ли подстроечные резисторы (тока покоя и нуля на выходе) на шумность усилителя? Нет не влияют. Ссылка на комментарий Поделиться на другие сайты Поделиться
Datagor Опубликовано 28 Июня, 2015 в 21:27 Жалоба Поделиться Опубликовано 28 Июня, 2015 в 21:27 Посты об усилителе Andre_Green выделены в отдельную тему: https://forum.datagor.ru/index.php?showtopic=10336 Ссылка на комментарий Поделиться на другие сайты Поделиться
Den101 Опубликовано 4 Июля, 2015 в 11:11 Автор Жалоба Поделиться Опубликовано 4 Июля, 2015 в 11:11 По ходу экспериментов возник очередной вопрос... При использовании усилителя от компьютера, можно использовать эквалайзер, чтобы подстроить спектр звучания. А вот при подключении в качестве источника нерегулируемого сигнала - телефона, линейного выхода какого-либо устройства и т. д. придется использовать темброблок. Однако, темброблок ослабляет сигнал и усилитель с ним не развивает и трети своей мощности. Активный темброблок использовать не хочу, т. к. ходит много слухов о вносимых им искажениях. Я решил использовать предусилитель на 140уд6а (отдали мне лингафонное оборудование на разбор, а там этих микрух десятка два, причем уже смонтированные готовые предусилители на платах с блоком питания), говорят, что и качество у них хорошее (сам пока не оценивал). Я только не знаю, как правильнее ставить темброблок - до или после предусилителя? Ссылка на комментарий Поделиться на другие сайты Поделиться
Den101 Опубликовано 4 Июля, 2015 в 11:45 Автор Жалоба Поделиться Опубликовано 4 Июля, 2015 в 11:45 На плате 2 канала на ОУ 140уд6а + 2 канала на них же, но с транзисторами на выходе) и блок питания со стабилизатором +/-15В и схемой защиты Ссылка на комментарий Поделиться на другие сайты Поделиться
Рекомендуемые сообщения
Для публикации сообщений создайте учётную запись или авторизуйтесь
Вы должны быть пользователем, чтобы оставить комментарий
Создать учетную запись
Зарегистрируйте новую учётную запись в нашем сообществе. Это очень просто!
Регистрация нового пользователяВойти
Уже есть аккаунт? Войти в систему.
Войти