Гость maximys Опубликовано 8 Октября, 2014 в 08:47 Жалоба Поделиться Опубликовано 8 Октября, 2014 в 08:47 Добрый день подскажите проблема с блоком питания Х800 на выходе питания на половину ниже визуальний осмотр всё в порядке что ето может бить. Ссылка на комментарий Поделиться на другие сайты Поделиться
Chugunov Опубликовано 8 Октября, 2014 в 09:34 Жалоба Поделиться Опубликовано 8 Октября, 2014 в 09:34 Добрый день подскажите проблема с блоком питания Х800 на выходе питания на половину ниже визуальний осмотр всё в порядке что ето может бить. Добрый день. А что такое Х800 (все обязаны знать что это за цацка?) и его схемы МЫ должны искать? Ссылка на комментарий Поделиться на другие сайты Поделиться
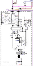
Lexter Опубликовано 8 Октября, 2014 в 18:56 Жалоба Поделиться Опубликовано 8 Октября, 2014 в 18:56 (изменено) Добрый день.А что такое Х800 (все обязаны знать что это за цацка?) и его схемы МЫ должны искать? Ну что вы, Сергей, так сурово. Человек обращается к Интернету, который должен всё знать. :smile: maximys, вот схема источника питания вашего ресивера: Раз ВСЕ выходные напряжения "просели вдвое", то, скорее всего, занижено входное напряжение питания преобразователя - что-то не так с сетевым выпрямителем. Конденсатор высох и сдох, а может , наоборот, коротнул и выжег один из диодов моста... Впрочем, с таким же успехом могло что-то отказать в цепи обратной связи стабилизации напряжения... В общем, надо проверить "правильность" напряжений, начиная от сетевой розетки (может и в ней уже не 220?) и последовательно по элементам дальше, двигаясь по схеме снизу вверх. Где в первый раз встретится явное несоответствие, вокруг этого места и надо искать неисправный элемент. И скорее не один. И, уважаемый maximys, я надеюсь, что вы не считаете, что я знаю, какая деталь и почему сгорела в вашем ресивере, но не говорю из вредности? Изменено 8 Октября, 2014 в 19:03 пользователем Lexter Ссылка на комментарий Поделиться на другие сайты Поделиться
Рекомендуемые сообщения
Для публикации сообщений создайте учётную запись или авторизуйтесь
Вы должны быть пользователем, чтобы оставить комментарий
Создать учетную запись
Зарегистрируйте новую учётную запись в нашем сообществе. Это очень просто!
Регистрация нового пользователяВойти
Уже есть аккаунт? Войти в систему.
Войти