Allroy Опубликовано 5 Октября, 2014 в 20:02 Жалоба Поделиться Опубликовано 5 Октября, 2014 в 20:02 Не успел собрать емкостный делитель, как возникла проблема. Его же проверить надо, нужно чем-то нагрузить. А мощных резисторов, лампочек не оказалось под рукой. Много времени ушло на поиски чем нагрузить. Так вот, решил собрать регулируемую нагрузку. Пошарился в инете, на сайте. Нашел импульсные электронные нагрузки с шим контроллером. Но мне это пока не надо. Решил схему упростить до вот таково вида: Имеет ли такая схема право на жизнь? Или собирать сразу на шим контролере? Ссылка на комментарий Поделиться на другие сайты Поделиться
Yamazaki Опубликовано 5 Октября, 2014 в 20:20 Жалоба Поделиться Опубликовано 5 Октября, 2014 в 20:20 Это включение - источник тока. Это не эквивалентно резистивной нагрузке. Для проверки БП годится, для усилителя - нет. Во-первых, будет грузить только одно плечо, во-вторых, сам характер нагрузки другой, в третьих, в полевом транзисторе (не во всех вообще, но почти во всех силовых такое встречается) стоит антипараллельный диод, который будет коротить выход усилителя на каждой второй полуволне сигнала.Для усилителя проще забацать что-нибудь такое _https://www.radiostation.ru/home/images_forum/tan7s.jpg и продувать вентилятором. Добавлено после раздумий: В вашем случае всё-таки лучше всё-таки сделать две нагрузки, чтобы грузить более или менее симметрично два плеча (с заданным перекосом). Естественно, если нагрузить только одно плечо, ничего хорошего из этого не выйдет. Ссылка на комментарий Поделиться на другие сайты Поделиться
Lexter Опубликовано 5 Октября, 2014 в 20:25 Жалоба Поделиться Опубликовано 5 Октября, 2014 в 20:25 ...Имеет ли такая схема право на жизнь? ... Конечно. Почему нет? Но у этой схемы ограничение - она может быть нагрузкой только для схемы с однополярным питанием, у которой выходной ток идёт из "+" через нагрузку на "-". По конструкции: Основная часть схемы - радиатор на предполагаемую максимальную мощность. Ещё хорошо дополнить стрелочными головками - амперметром и вольтметром. Ссылка на комментарий Поделиться на другие сайты Поделиться
Allroy Опубликовано 5 Октября, 2014 в 20:32 Автор Жалоба Поделиться Опубликовано 5 Октября, 2014 в 20:32 Мне для БП и надо. Ваш вариант с резисторами выглядит красиво. А не проще заменить на один мощный резистор? Добавлено после раздумий: Конечно. Почему нет?Но у этой схемы ограничение - она может быть нагрузкой только для схемы с однополярным питанием, у которой выходной ток идёт из "+" через нагрузку на "-". По конструкции: Основная часть схемы - радиатор на предполагаемую максимальную мощность. Ещё хорошо дополнить стрелочными головками - амперметром и вольтметром. Про радиатор и стрелочки я подумал, на схеме не указал. Куда же без них :smile: Т.е для двух полярного нужно два полевика, с N и P каналом? Ссылка на комментарий Поделиться на другие сайты Поделиться
Lexter Опубликовано 5 Октября, 2014 в 20:34 Жалоба Поделиться Опубликовано 5 Октября, 2014 в 20:34 ..Т.е для двух полярного нужно два полевика, с N и P каналом? А вот уже и нет. Читайте, что yamazaki написал. :smile: Ссылка на комментарий Поделиться на другие сайты Поделиться
Allroy Опубликовано 5 Октября, 2014 в 20:37 Автор Жалоба Поделиться Опубликовано 5 Октября, 2014 в 20:37 А вот уже и нет. Читайте, что yamazaki написал. :smile: Т.е. две независимые нагрузки, но транзисторы с разными каналами? Одна на с + на 0, вторая с - на 0 ? Ссылка на комментарий Поделиться на другие сайты Поделиться
Yamazaki Опубликовано 5 Октября, 2014 в 20:51 Жалоба Поделиться Опубликовано 5 Октября, 2014 в 20:51 А не проще заменить на один мощный резистор? Проще конечно, если есть) Вы же в соседней теме жаловались на то, что в городе проблемы с доступностью радиодеталей... Это относительно простой выход) Конечно мощный реостат удобнее) Т.е для двух полярного нужно два полевика, с N и P каналом?Не обязательно. Можно два одинаковых использовать. Только нужны два раздельных источника напряжения для управления затворами (можно извратиться и запитать от тестируемого плеча через стаб) Добавлено после раздумий: Основная часть схемы - радиатор на предполагаемую максимальную мощность. Александр, обратите на это внимание! Нагрузка должна уметь рассеивать десятки ватт тепла! Ссылка на комментарий Поделиться на другие сайты Поделиться
Allroy Опубликовано 5 Октября, 2014 в 20:51 Автор Жалоба Поделиться Опубликовано 5 Октября, 2014 в 20:51 (изменено) Проще конечно, если есть) Вы же в соседней теме жаловались на то, что в городе проблемы с доступностью радиодеталей... Это относительно простой выход) Конечно мощный реостат удобнее) Ну да, 49 одинаковых резистора тоже поискать надо :smile: Не обязательно. Можно два одинаковых использовать. Только нужны два раздельных источника напряжения для управления затворами (можно извратиться и запитать от тестируемого плеча через стаб) А два зачем? Или имеете ввиду 2х полярный? Александр, обратите на это внимание! Нагрузка должна уметь рассеивать десятки ватт тепла! Естественно :smile: Изменено 5 Октября, 2014 в 20:53 пользователем Allroy Ссылка на комментарий Поделиться на другие сайты Поделиться
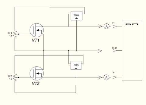
Yamazaki Опубликовано 5 Октября, 2014 в 21:05 Жалоба Поделиться Опубликовано 5 Октября, 2014 в 21:05 Примерно так как видите, две совершенно одинаковых нагрузки задействованы Ссылка на комментарий Поделиться на другие сайты Поделиться
Allroy Опубликовано 5 Октября, 2014 в 21:14 Автор Жалоба Поделиться Опубликовано 5 Октября, 2014 в 21:14 Теперь все ясно. Лучше один раз увидеть! Спасибо за советы, завтра начну детали собирать, и от теории к практике переходить :smile: Ссылка на комментарий Поделиться на другие сайты Поделиться
Allroy Опубликовано 6 Октября, 2014 в 07:28 Автор Жалоба Поделиться Опубликовано 6 Октября, 2014 в 07:28 (изменено) Все утро голову ломал по поводу Только нужны два раздельных источника напряжения для управления затворами (можно извратиться и запитать от тестируемого плеча через стаб) Пытался изобразить на схеме, но боюсь накосячил. Стабилизатор на 5 вольт, мосфет открыть должен полностью. Если стабилизатор на большее (12В) напряжение ставить, то я так понимаю и нагружать проверяемые цепи от 12 вольт надо будет? Блин, влип. Вопросов все больше больше и больше :smile: Изменено 6 Октября, 2014 в 07:43 пользователем Allroy Ссылка на комментарий Поделиться на другие сайты Поделиться
Yamazaki Опубликовано 6 Октября, 2014 в 08:03 Жалоба Поделиться Опубликовано 6 Октября, 2014 в 08:03 Обычно пяти вольт для полного открытия полевика маловато. Если речь идёт о серии IRF, то это 6-7 вольт. Транзисторы IRL*** того же производителя уже открываются от пяти вольт уверенно. Добавлено после раздумий: Если стабилизатор на большее (12В) напряжение ставить, то я так понимаю и нагружать проверяемые цепи от 12 вольт надо будет? по крайней мере нельзя допускать сильного перекоса по плечам, чтобы напряжение на плече не падало ниже где-то 15 вольт.Кстати, 5-вольтовые стабы можно включить и на большее напряжение. Добавляем между ногой GND и землёй(вернее, точкой, куда эта нога подключалась) стабилитрон, и напряжение на выходе возрастёт на величину стабилизации стабилитрона. Ссылка на комментарий Поделиться на другие сайты Поделиться
Рекомендуемые сообщения
Для публикации сообщений создайте учётную запись или авторизуйтесь
Вы должны быть пользователем, чтобы оставить комментарий
Создать учетную запись
Зарегистрируйте новую учётную запись в нашем сообществе. Это очень просто!
Регистрация нового пользователяВойти
Уже есть аккаунт? Войти в систему.
Войти