Гость ак-74 Опубликовано 23 Сентября, 2014 в 13:35 Жалоба Поделиться Опубликовано 23 Сентября, 2014 в 13:35 (изменено) Суть такова: Хочу для колледжа (техникума) сделать наглядное пособие на тему "частотный преобразователь", это который делает из одной фазы три. Мотор будет не более 100Вт ( скорее всего меньше), работать ему минут 5, край 10 - ну, сколько там для демонстрации надо? Так вот мосфиты для этой затеи жалко, зато есть горсть биполярников из кадровой развёртки (D1555 и аналогичные - 600в, 5А). Ну и радиаторов каких-нить наберу. Должно получиться? Изменено 23 Сентября, 2014 в 13:43 пользователем ак-74 Ссылка на комментарий Поделиться на другие сайты Поделиться
Гость s237 Опубликовано 23 Сентября, 2014 в 14:03 Жалоба Поделиться Опубликовано 23 Сентября, 2014 в 14:03 Получится, только греться будет. Ссылка на комментарий Поделиться на другие сайты Поделиться
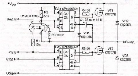
Datagor Опубликовано 23 Сентября, 2014 в 14:14 Жалоба Поделиться Опубликовано 23 Сентября, 2014 в 14:14 Александр, что мы тут обсуждаем? Почему не приводите схему? "Обвязка" у ключей может быть разной, иногда прямая замена затруднительна, нужно ещё чего-то поковырять :smile: Ссылка на комментарий Поделиться на другие сайты Поделиться
Sergiy_83 Опубликовано 23 Сентября, 2014 в 14:32 Жалоба Поделиться Опубликовано 23 Сентября, 2014 в 14:32 Если сочинять самому, то "горсти биполярников" может не хватить на этап разработки. Я бы выбирал из ряда проверенных схемных решений, что бы не ударить лицом в грязь. Ссылка на комментарий Поделиться на другие сайты Поделиться
Lexter Опубликовано 23 Сентября, 2014 в 15:08 Жалоба Поделиться Опубликовано 23 Сентября, 2014 в 15:08 (изменено) ... пособие на тему "частотный преобразователь", это который делает из одной фазы три. Студентов надо учить правильно сразу, чтобы потом не переучивать. А то и ещё хуже - ржать над преподавателем будут. :smile: Это будет не "частотный преобразователь", а преобразователь - трёхфазный генератор. Частота, насколько я понял, преобразовываться не будет - 50 Гц на входе, 50 Гц на выходе. ... Мотор будет не более 100Вт ...есть горсть биполярников из кадровой развёртки (D1555 и аналогичные - 600в, 5А). Вполне нормальное решение. Только сразу озаботьтесь быстродействующей защитой от КЗ. Не мотор, так студенты устроят.:smile: А то, действительно, "горсти биполярников" может не хватить. Изменено 23 Сентября, 2014 в 15:09 пользователем Lexter Ссылка на комментарий Поделиться на другие сайты Поделиться
Гость ак-74 Опубликовано 23 Сентября, 2014 в 15:18 Жалоба Поделиться Опубликовано 23 Сентября, 2014 в 15:18 (изменено) Александр, что мы тут обсуждаем? Почему не приводите схему?"Обвязка" у ключей может быть разной, иногда прямая замена затруднительна, нужно ещё чего-то поковырять :smile: Прошу пардона. Вот схема, оригинал - Радио 2004, №12, стр 38. Ту Lexter: Чукча не преподаватель, чукча студент :-) писать диплом на тему "расчёт освещения улицы" скучно до тошноты. Колледж не "радио", а "электрический" - в электронную часть ни кто не будет лезть. Эдокая коробочка с подключенным к ней двигателем на единой площадке. Ни чего не отсоединяется - вилка, выключатель, регулятор оборотов, мотор. В случае успеха будет стоять в лаборатории - "дети, регулировка частоты вращения дрыгателя изменением частоты имеет несомненные преимущества, а именно..." Как-то так... З.Ы. Задающий генератор не от оригинальной схемы, но собран и работает. Изменено 23 Сентября, 2014 в 15:38 пользователем ак-74 Ссылка на комментарий Поделиться на другие сайты Поделиться
Гость s237 Опубликовано 23 Сентября, 2014 в 15:42 Жалоба Поделиться Опубликовано 23 Сентября, 2014 в 15:42 (изменено) Пересмотрел Радио 2004, №12. Вы дали кусочек схемы на одну фазу. Так вот если вернуться в начало темы, то работать будет, но (еще раз) будет греться. И, уверен, что режимы подгонять под биполярники нужно будет. 100%. Изменено 24 Сентября, 2014 в 08:37 пользователем s237 Ссылка на комментарий Поделиться на другие сайты Поделиться
Chugunov Опубликовано 23 Сентября, 2014 в 17:02 Жалоба Поделиться Опубликовано 23 Сентября, 2014 в 17:02 Вот схема, оригинал - Радио 2004, №12, стр 38. Если эта схема, думаю, есть смысл поискать полевики: - меньше нагрев, - проще управление, - меньше деталей. Тем более, что полевики сегодня достаточно доступны. Вроде бы аналог IRF840, стОят по 1 уе... Ссылка на комментарий Поделиться на другие сайты Поделиться
Гость ак-74 Опубликовано 23 Сентября, 2014 в 17:21 Жалоба Поделиться Опубликовано 23 Сентября, 2014 в 17:21 (изменено) Если эта схема, думаю, есть смысл поискать полевики:- меньше нагрев, - проще управление, - меньше деталей. - не ужели на столько критичным будет нагрев? 100 вт двигатель это примерно 0,8А тока. Транзисторы 5 ампер. При этом скважность импульса в двое больше длительности. Режим работы двигателя - холостой ход. Транзисторы посадить на радиаторы. Радиаторы не проблема. В конце концов можно найти мотор ещё меньше. - по остальным пунктам: схему хочу именно эту (уже и плату развёл). Хотелось бы услышать на счёт режима ключей. Насколько я понимаю нам (мне) надо добиться на базах напряжения не ниже какой-то величины. Верно? З.Ы. На счёт смысла в полевиках - потом буду делать второй экземпляр для себя любимого. Вот там полевики будут обязательно. А для этой игрушки их попросту жалко. D1555 лежат, девать некуда, хоть из рогатки ими стреляй. Изменено 23 Сентября, 2014 в 17:30 пользователем ак-74 Ссылка на комментарий Поделиться на другие сайты Поделиться
Chugunov Опубликовано 23 Сентября, 2014 в 18:26 Жалоба Поделиться Опубликовано 23 Сентября, 2014 в 18:26 1 не ужели на столько критичным будет нагрев? 2 Хотелось бы услышать на счёт режима ключей. Насколько я понимаю нам (мне) надо добиться на базах напряжения не ниже какой-то величины. Верно? 1 Не знаю. Дело в режиме частого непрерывного переключения, из-за этого возможен нагрев, какая реакция на индуктивную нагрузку - ?.. 2 Напряжение - это для полевиков, там надо только емкость затвора перезаряжать, а для биполярных нужен ТОК. Возможен вариант, когда усилия на то, чтобы заставить хорошо работать биполярники, сильно превысят расходы на полевики. Не знаю, надо пробовать, исследовать, у меня опыт в данном вопросе крошечный, а другие не спешат подключиться. Пробуйте, а потом с нами поделитесь результатом, может всё без проблем заработает. Ссылка на комментарий Поделиться на другие сайты Поделиться
Lexter Опубликовано 24 Сентября, 2014 в 00:16 Жалоба Поделиться Опубликовано 24 Сентября, 2014 в 00:16 (изменено) ...Хотелось бы услышать на счёт режима ключей.... Да пожалуйста. :smile: Раз плату уже развели, то просто будете ставить 2SD1555 вместо полевиков? База на место затвора, эмиттер - истока, коллектор - стока? Ну, вот смотрите: Основная проблема в том, что у 2SD1555 коэффициент усиления по току всего 8. У некоторых экземпляров может и побольше, может 10. Итого: если ток коллектора 0,8А, то ток в базу надо не меньше 0,1А. Здесь удачно, что КР1006ВИ1 может (вроде) выдавать из "плюса" до 0,2А. Итого, остаётся только посчитать токоограничивающий резистор (R4 и R5 на схеме). Rогр = (Uп - Uбэ.нас) / Iб = (12 - 1,5)/0,1 = 100 Ом. Мощность резистора 10,5В * 0,1А = 1,05Вт. Итого, резистор двухваттный. Но греться, и довольно сильно, будет всё. И КР1006ВИ1, и транзисторы. Так что экспериментируйте с осторожностью. Да, ещё по настройке. Сначала транзисторы не ставьте, "Выход" временно соедините с "Общий", питание "+Uрег" не подавайте. В таком включении проверьте, что верхнее и нижнее плечи переключаются в "плюс" с "зазором" не менее 10 мкс. А то спалите транзисторы сквозным током. Тем более, что ...Задающий генератор не от оригинальной схемы... Ещё можно в таком включении замкнуть на "Общий" концы резисторов R4 и R5, идущие на базы (транзисторов нет!) и посмотреть, как будет греться КР1006ВИ1 (ну, если вообще будет, а не выгорит сразу). Когда поставите на место транзисторы, сначала проверьте при низком "+Uрег", примерно 20 - 25В. Да... рассуждаю вот тут... А у вас осциллограф-то есть? Изменено 24 Сентября, 2014 в 00:55 пользователем Lexter Ссылка на комментарий Поделиться на другие сайты Поделиться
Гость ак-74 Опубликовано 24 Сентября, 2014 в 05:40 Жалоба Поделиться Опубликовано 24 Сентября, 2014 в 05:40 (изменено) Lexter, огромное спасибо - умеете доходчиво объяснять! Осциллограф есть :smile: Прочитал Ваш пост и подумалось, что скорее всего chugunov прав (только полевики по 1 уе я не встречал). Но тут как в к/ф "Белое солнце пустыни": "Сначало помучаться бы..." К тому же если просто повторять и не пытаться творить, то и "роста" не предвидится. В не оригинальном ЗГ мёртвое время предусмотрено 1/8 от импульса (проверено), так что сквозных токов не предвидится. На счёт платы - я её развёл, но можно отставить и развести с изменениями другую (может между таймерами и транзисторами какие-нить кт315 запаять или как-то составной транзистор сделать?). На счёт больших (относительно) токов базы есть нюанс - в статье написано, что нижний таймер питается от +12, а верхний от конденсатора. Я так понимаю его ёмкость надо сильно увеличить. З.Ы. имею большой опыт повторения разных схем, но по теории - я где-то чего-то понимаю, а где-то большие пробелы :smile: , так что можно со мной общаться как с начинающим. Изменено 24 Сентября, 2014 в 05:59 пользователем ак-74 Ссылка на комментарий Поделиться на другие сайты Поделиться
Рекомендуемые сообщения
Для публикации сообщений создайте учётную запись или авторизуйтесь
Вы должны быть пользователем, чтобы оставить комментарий
Создать учетную запись
Зарегистрируйте новую учётную запись в нашем сообществе. Это очень просто!
Регистрация нового пользователяВойти
Уже есть аккаунт? Войти в систему.
Войти