Перейти к содержанию

Защита микроконтроллера от импульсной помехи


Гость химик

Рекомендуемые сообщения

Всем добрый день. Занялся разработкой стабилизатора для квартиры. Изначально делалось управление на тиристорах, но из-за некоторых особенностей пришлось от них отказаться. Переделал схему под реле. Все вроде бы как работает как надо, пока не поключаю к контактам реле автотрансфоматор. При переключении реле на дисплей выскакивает мусор и через несколько секунд выбивают автоматы, включаеться несколько реле.

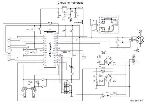
Схема контролера post-2789-1380429989_thumb.jpg

Схема силовой части post-2789-1380430009_thumb.jpg

печатная плата контрлера 01_Kontroller.rar

К ногам питания контроллера со стороны платы припаял керамику не помогает, что еще нужно селать чтоб избавиться от помехи.

Ссылка на комментарий
Поделиться на другие сайты

  • Ответов 24
  • Создана
  • Последний ответ

Топ авторов темы

Топ авторов темы

Изображения в теме

Я на все шлейфы (питания, дисплея, энкодера, переключателей) одеваю фиритовые кольца, два - три витка, помогает!

post-6582-1380431962_thumb.jpg

Ссылка на комментарий
Поделиться на другие сайты

При переключении реле на дисплей выскакивает мусор и через несколько секунд выбивают автоматы, включаеться несколько реле.

Между выключением реле и включением следующего есть задержка?

Ссылка на комментарий
Поделиться на другие сайты

Между выключением реле и включением следующего есть задержка?

Нет задержки

//========================= Выбор реле =========================================

void Rele(void){
      
       if((resultat >= 141) && (resultat <= 169)){        //  
          Data_Write(10,0b11101111);   
          PORTD = 0b00110000;
          return;
         };
       if((resultat >= 170) && (resultat <= 189)){        //
          Data_Write(10,0b11110111);   
          PORTD = 0b00101000;
          return;
         };
       if((resultat >= 190) && (resultat <= 209)){        //  
          Data_Write(10,0b11111011);
          PORTD = 0b00100100;
          return;
         };
       if((resultat >= 210) && (resultat <= 239)){        // 
          Data_Write(10,0b11111101);   
          PORTD = 0b00100010;
          return;
         };
       if((resultat >= 240) && (resultat <= 259)){        // 
          Data_Write(10,0b11111110);   
          PORTD = 0b00100001;
          return;
         }; 
         
         
                                                      
    
    
    }            

Вот исходники если чтоStabilizator_ver_1.0.2.rar

Ссылка на комментарий
Поделиться на другие сайты

Нет задержки

Может в этом и косяк? Реле штука инерционная, если вторая включается быстрее, чем выключается первая, то в течении этих нескольких микросекунд, в трансформаторе получается короткозамкнутая секция, со всеми вытекающими последствиями. Сделай задержку, ну для начала 0,1 сек. Если будет все нормально, то уменьшай. Найди в паспорте реле время выключения, это будет минимальная задержка.

Ссылка на комментарий
Поделиться на другие сайты

Схема составлена правильно. Ничего гореть не должно, при любых положениях реле. Попробуйте изменить каскады, управляющие реле от микроконтроллера, как у меня в этом устройстве https://datagor.ru/practice/power/1258-stab...-pic12f675.html, чтобы не было дребезга при переключениях. Кроме этого надо поставить искрогасящую цепочку между входом и выходом стабилизатора (хотя бы конденсатор).

Ссылка на комментарий
Поделиться на другие сайты

... Изначально делалось управление на тиристорах...Переделал схему под реле.

Это и есть причина.

Реле - далеко не эквивалентная замена тиристора.

Тиристор сам так устроен, что переключается в момент снятия напряжения, поэтому автор не заморачивался в прошивке с "ловлей" момента перехода напряжения через ноль. А с реле этот фокус не проходит. Плюс задержка на два порядка больше, "дребезг"...

Ссылка на комментарий
Поделиться на другие сайты

Ничего гореть не должно, при любых положениях реле.

Согласен, не должно, но горит :smile: Тогда может стоит проверить монтаж? Надо включить последовательно с автотрансформатором лампочку, чтобы автомат не выбивало.

Ссылка на комментарий
Поделиться на другие сайты

Немного поэксперементировал. Прицепил лампочку 100Вт сначала между нижним по схеме выводом и нулем сети , а после между входом автотрансформатора и фазой. Автоматы выбивать перестали, а реле начали хаотично щелкать, на индикаторах мусор. Лампа при переключениях пыталась слегка загореться, незначительно.

Ставил конденсаторы 0,05мкФ как в схеме _https://datagor.ru/practice/power/1258-stabilizator-naprjazhenija-seti-na-pic12f675.html, непомогло.

Поставил задержки

void Rele(void){
      
       if((resultat >= 141) && (resultat <= 169)){        //  
          Data_Write(10,0b11101111); 
          delay_ms(5);  
          PORTD = 0b00110000;
          delay_ms(20);
          return;
         };
       if((resultat >= 170) && (resultat <= 189)){        //
          Data_Write(10,0b11110111);
          delay_ms(5);    
          PORTD = 0b00101000; 
          delay_ms(20);
          return;
         };
       if((resultat >= 190) && (resultat <= 209)){        //  
          Data_Write(10,0b11111011);
          delay_ms(5); 
          PORTD = 0b00100100; 
          delay_ms(20);
          return;
         };
       if((resultat >= 210) && (resultat <= 239)){        // 
          Data_Write(10,0b11111101);
          delay_ms(5);    
          PORTD = 0b00100010;
          delay_ms(20);
          return;
         };
       if((resultat >= 240) && (resultat <= 259)){        // 
          Data_Write(10,0b11111110); 
          delay_ms(5);   
          PORTD = 0b00100001;
          delay_ms(20);
          return;
         }; 
         
         
                                                      
    
    
    }             

 

Стало работать немного устойчивей но через рас все равно выскакивает мусор.

По паспорту у реле время включения 15мСек, отключение 10мСек, ели между отключением первой и включением второй делать задержки, то сильно заметны провалы, но проблема остаеться.

 

Вывод. Сбой идет при размыкании контактов реле, скорее всего из-за дребезга, дребезг в вою очередь из-за размыкания контактов не при переходе через ноль. Так как время срабатывания в паспорте указано приблизительно, то каким образом можно снизить удар.

 

P.S. Изначально проектировал схему на тиристорах, включенных по схемеpost-2789-1380787856_thumb.jpg

Все тиристоры установлены на одном большом радиаторе, но при испытании эта схема отказалась работать. Одна половина тиристоров была постоянно открыта, вторая же наоборот и на управление оптопары нереагировала. Плюс были опасения в самой схеме подключения их к автотрансфоматору. Если реле включены каскадом, что исключает замыкание при включении одновременно нескольких реле, то тиристоры при первом же глюке запаралеливают обмотки трансфоматора.

 

Поправьте меня в чем я неправ.

Ссылка на комментарий
Поделиться на другие сайты

Лампа при переключениях пыталась слегка загореться, незначительно.

Как мне кажется, вот это и надо победить, в первую очередь. Там бросок тока приличный, а загорается незначительно из-за его кратковременности. Как заметил if33 схема правильная. и реле две обмотки включить не могут. Но лампа тем не менее вспыхивает. Остается тщательно проверить монтаж, на соответствие со схемой, или может в трансформаторе какие-то переходные процессы, тогда увеличивать задержку. Я думаю если сделать задержку в 2-3 периода т.е. 40-60 мс, провала никто-не заметит. А лучше спросить if33, какая у него задержка.

Ссылка на комментарий
Поделиться на другие сайты

При настройке макетного варианта у меня тоже был сильный дребезг и горели контакты. Пришлось спилить крышку реле и посмотреть на контакты. После этого были проанализированы ряд схем китайских стабилизаторов (некоторые из схем я прилагаю). _https://dropmefiles.com/nFfic

Главное, на что надо обратить внимание - это базовые цепи и резистор в цепи коллектора ключевого каскада. При таком построении дребезг резко уменьшается и искрогасящая цепочка легко с ним справляется.

По поводу программы - в программе обязательно должен быть гистерезис, чтобы реле не щелкало туда-сюда при изменении входного напряжения на 2-3 вольта. Это уменьшит количество переключений и будет способствовать более нормальному питанию выходной нагрузки. Я делал гистерезис в пределах 5-7 вольт.

Ссылка на комментарий
Поделиться на другие сайты

При настройке макетного варианта у меня тоже был сильный дребезг и горели контакты.

А какая связь между искрением контактов и вспышками лампочки? Единственное, что приходит в голову, что искрение настолько сильное, что переходит в дугу, и через дугу замыкаются все три контакта реле одновременно. Тогда может стоит взять реле помощнее. химик а какие реле использутся?

Изменено пользователем elektrik
Ссылка на комментарий
Поделиться на другие сайты

Для публикации сообщений создайте учётную запись или авторизуйтесь

Вы должны быть пользователем, чтобы оставить комментарий

Создать учетную запись

Зарегистрируйте новую учётную запись в нашем сообществе. Это очень просто!

Регистрация нового пользователя

Войти

Уже есть аккаунт? Войти в систему.

Войти
  • Последние посетители   0 пользователей онлайн

    • Ни одного зарегистрированного пользователя не просматривает данную страницу

×
×
  • Создать...