Гость Vasili_9 Опубликовано 14 Июня, 2013 в 06:25 Жалоба Поделиться Опубликовано 14 Июня, 2013 в 06:25 Уважаемые знатоки и специалисты. собираю свой первый ламповый усилель SE на 6п6с. Требуется помощь по намотке выходного трансформатора на железе ШЛМ20х32 Рассчитывал по Комарову "В помощь радиолюбителю 1952 N8, получаются баснословные цифры. W1=3500 d1=0,17 d2=1 W2=86 Исеется некоторая опаска что все не влезет. За ранее благодарент откликнувшимся. Ссылка на комментарий Поделиться на другие сайты Поделиться
TANk Опубликовано 14 Июня, 2013 в 06:49 Жалоба Поделиться Опубликовано 14 Июня, 2013 в 06:49 Размеры окна под намотку на каркасе какие? Без этого трудно прикинуть влезет или не влезет. Расчет насколько я понял под пентодное включение 6П6С. А вы наверное хотите сделать усилитель в триодном варианте включения. Ссылка на комментарий Поделиться на другие сайты Поделиться
Vovan bk Опубликовано 14 Июня, 2013 в 07:46 Жалоба Поделиться Опубликовано 14 Июня, 2013 в 07:46 (изменено) Можете попробовать рассчитать по методике из журнала "Радио" №3 1967 год, стр. 49, как раз можно сравнить расчёты. Я считал по нему. Для ускорения расчёта с разными исходными данными сделал даже файлик. Правда не смог прикрепить к сообщению, выдаётся ошибка: "Неудачная загрузка. Вам запрещено загружать такой тип файлов". Если хотите могу выслать на мыло. Добавлено после раздумий: Спасибо за подсказку alvis Выкладываю на всеобщее обозрение. 6П14П_Rа_5_2_кОм.rar Изменено 14 Июня, 2013 в 08:30 пользователем Vovan bk Ссылка на комментарий Поделиться на другие сайты Поделиться
Гость Vasili_9 Опубликовано 14 Июня, 2013 в 09:03 Жалоба Поделиться Опубликовано 14 Июня, 2013 в 09:03 (изменено) 1.Размеры окна под намотку на каркасе какие? Без этого трудно прикинуть влезет или не влезет. 2.Расчет насколько я понял под пентодное включение 6П6С. А вы наверное хотите сделать усилитель в триодном варианте включения. ---- 1. 12х36 2. хотел собрать по схемам во вложении, только напряжение питания 250 и 6,3 (ибп) Vovan bk спасибо за програмку самое удобное что попадалось. по ней получились сл результаты, я в еще большем замешательстве. есть еще одно железо от дроселя ДРЛ незнаю на сколько он подойдет лучше ШЛМ20х32 пар-ры(мм): а=29, b=42, c=38, h=85 Изменено 14 Июня, 2013 в 10:02 пользователем Vasili_9 Ссылка на комментарий Поделиться на другие сайты Поделиться
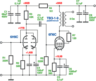
Vovan bk Опубликовано 14 Июня, 2013 в 11:32 Жалоба Поделиться Опубликовано 14 Июня, 2013 в 11:32 (изменено) Спасибо Василий! Для себя старался. Обращу внимание, что расчёт по сравнению со статьёй в журнале немного упрощённый. На Вашем месте я бы не стал гнаться за нижней граничной частотой 20 Гц, имея такое железо. Наиболее верные способы добиться приемлемого количества витков в первичной обмотке: 1. Увеличить сечение керна до 10 - 12 кв. см. Попробуйте найти железо к примеру от трансформаторов ОСМ0,1, Если не ошибаюсь сечение как раз 10 кв. см. 2. Смириться и увеличить значение нижней граничной частоты до 40 - 50 Гц. Непонятно всё таки в каком включении будет работать 6П6С? Судя из представленной выходной мощности 2 Вт - по второй схеме в триоде. Если это так, то 6871 витков провода 0,17-0,18 дадут Вам сопротивление первички в районе 700 Ом, для пентода/тетрода такое сопротивление не страшно, а для триода это много. P.S. Имеющееся железо можете использовать к примеру для дросселя питания. Изменено 14 Июня, 2013 в 11:35 пользователем Vovan bk Ссылка на комментарий Поделиться на другие сайты Поделиться
amitabsha Опубликовано 17 Июня, 2013 в 04:26 Жалоба Поделиться Опубликовано 17 Июня, 2013 в 04:26 спасибо за програмку самое удобное что попадалось. по ней получились сл результаты, я в еще большем замешательстве. Вас же Танк спрашивал про размеры Вот от них и надо плясать Во первых попробуйте посчитать на частоту 30-35 гц во вторых ПЕВы сейчас лучше и критичное напряжение у них до 500 вольт Как то я собирал РР на 6П14П 3500 витков провод использовал 0.15 Все работало прекрасно Цифры могут быть одни да руки разные Один может намотать плотнее и без натяга а второй так не сможет Попробуйте кинуть один ряд провода на каркас и от полученного результата делайте окончательный расчет Приблизительно геометрический расчет Плотность намотки 0.9-0.95 вспучивание витков 1.1-1.2 с учетом толщины прокладок Спецы теоретики могут подправить Дорогу осилит идущий! Ссылка на комментарий Поделиться на другие сайты Поделиться
TANk Опубликовано 17 Июня, 2013 в 05:09 Жалоба Поделиться Опубликовано 17 Июня, 2013 в 05:09 Размер каркаса 12х36. Берем имеющийся в наличии тонкий провод ближайший к расчетным данным. Например 0.16 по меди (по изоляции это будет 0.2мм) Под обмотку из ширины каркаса использоваться будет 34мм По 1мм с краев уйдет на бахрому межслойных прокладок. 34/0.2=170 витков на слой при условии плотной виток к витку намотке. 3400 витков первичной обмотки это 20 слоев. Толщина слоя будет складываться из толщины провода и толщины межслойной прокладки. (0.2 + 0.07)*1.2(вспучивание)=0.33мм. На один миллиметр толщины каркаса вмещается 3 слоя обмотки. 20 слоев займут таким образом примерно 7мм. Еще 5мм останется на вторичные обмотки и межобмоточные изоляции. Витки первичной обмотки распологаем таким образом. 5+10+5 слоев. Между ними 2 секции вторичной обмотки. В зависимости от толщины провода либо делаем 2 вторички в параллель, либо между секциями первички распологаем половины вторички соединенные последовательно. По такой примерной прикидке все должно вместиться. Точнее можно сказать только попробовав намотать. Ссылка на комментарий Поделиться на другие сайты Поделиться
Гость Vasili_9 Опубликовано 17 Июня, 2013 в 06:09 Жалоба Поделиться Опубликовано 17 Июня, 2013 в 06:09 (изменено) Благодарю всех откликнувшихся. пришел к следующему выводу что буду покупать ОСМ-0,1 если будет, и соответственно под него покупать намоточный провод. Подойдут ли намотанные данные для ОСМ0.1 Данные по сердечнику (справочник) S 25x40 окно 45х15 Первичная --3080 вит. проводом 0,2мм. Вторичная--110 вит. проводом 0,4мм. и переделывыть ИБП на 300в анодного, собирать буду по схеме которая представлена была последней. еще раз благодарю за оказанную помощь, если есть какие либо замечания по поводу буду рад по читать. о достигнутых успехах буду писать сюда, если что. Изменено 17 Июня, 2013 в 09:29 пользователем Vasili_9 Ссылка на комментарий Поделиться на другие сайты Поделиться
amitabsha Опубликовано 17 Июня, 2013 в 11:14 Жалоба Поделиться Опубликовано 17 Июня, 2013 в 11:14 пришел к следующему выводу что буду покупать ОСМ-0,1 если будет, и соответственно под него покупать намоточный провод. Подойдут ли намотанные данные для ОСМ0.1 Данные по сердечнику (справочник) S 25x40 окно 45х15 Первичная --3080 вит. проводом 0,2мм. Вторичная--110 вит. проводом 0,4мм. Не думаю что 6П6С в триоде сможет раскачать Вегу Как проба сил да понимаю и поддерживаю Ну не сможет сия лампа хоть она и замечательна выдать и обеспечить динамику музыки если у вас не рупорные колонки ОСМ приберегите для более мощного уся ват этак на 8-10 Решать разумеется вам Теперь про намотку0.2по меди ,по лаку 0.24 ,0.4 по лаку 0.44 Прокладка допустим 0.08 тогда первичка 0.24+0.08=0.32*1.2=0.384 Вторичка 0.62 Сколько в слое Допустим щечки каркаса 1.5мм(могут быть и больше) тогда на каркасе 42мм 42/0.24=175 на плотность укладки 0.95(и это при плотной намотке) 175*0.95=166 Здесь и тот запас на изоляцию про которую упоминал уважаемый А.Н 3080/166=13.2 слоя Вторичка 90 витков Остальные 20 надо класть сверху не экономно Попробуйте пересчитать транс К сожалению выходник это сплошной эмпиризм и компромисс Пусть у вас будет 30гц но честных что само по себе очень неплохо Намотайте на железе которое есть а дальше решите улучшать вам или оставить как есть Цмфры цифрами но у меня на торе после пятой перемотки в слое стало умещаться на пять витков больше Мистика Ссылка на комментарий Поделиться на другие сайты Поделиться
Vovan bk Опубликовано 17 Июня, 2013 в 12:43 Жалоба Поделиться Опубликовано 17 Июня, 2013 в 12:43 (изменено) Вторичка 90 витков Остальные 20 надо класть сверху не экономноПопробуйте пересчитать транс К сожалению выходник это сплошной эмпиризм и компромисс Пересчитывать не обязательно. Уменьшите количество витков во вторичке, уменьшится и первичка. Соответственно уменьшится индуктивность первичной обмотки и нижняя граничная частота. В целях экономии места в окне, возьмите провод большего диаметра, тем самым увеличите КПД трансформатора. Расчёт-расчётом, а ручной подгон никто не отменял. P.S. Ещё можно применить секционирование и намотать проводом меньшего диаметра две-три вторички (да хоть пять, если место позволит), а затем соединить их все параллельно. Изменено 17 Июня, 2013 в 12:45 пользователем Vovan bk Ссылка на комментарий Поделиться на другие сайты Поделиться
Гость Vasili_9 Опубликовано 17 Июня, 2013 в 13:10 Жалоба Поделиться Опубликовано 17 Июня, 2013 в 13:10 Попробуйте пересчитать транс К сожалению выходник это сплошной эмпиризм и компромиссПусть у вас будет 30гц но честных что само по себе очень неплохо Намотайте на железе которое есть а дальше решите улучшать вам или оставить как есть Цмфры цифрами но у меня на торе после пятой перемотки в слое стало умещаться на пять витков больше Мистика с ШРМ приучили мотать виток к витку. хотя торы не разу не мотал, нужда так не приспичивала )) пересчитал по карандашу получилось f/18-La/46-W1/9300-d1/0.17 f/20-La/41-W1/8300-d1/0.17 f/30-La/27.6-W1/5600-d1/0.17 по програмке насчет колонок, на данный момент их раскачивает свеновский усь, конечно не так как корвет который супруга полила вместе с кактусом )) колонки досточно чувствительные думаю что завленные 4.5Ватт(режимII) из лампочки можно выжать, но полагаю рядом с аккустикой будет не комфортно находиться. Пересчитывать не обязательно. Уменьшите количество витков во вторичке, уменьшится и первичка. Соответственно уменьшится индуктивность первичной обмотки и нижняя граничная частота.В целях экономии места в окне, возьмите провод большего диаметра, тем самым увеличите КПД трансформатора. Расчёт-расчётом, а ручной подгон никто не отменял. P.S. Ещё можно применить секционирование и намотать проводом меньшего диаметра две-три вторички, да хоть пять, если место позволит, а затем соединить их все параллельно. те по логике вещей нужно все посчитать на оборот отталкиваясь от провода ? либо мотать первичку проводом толше, но с несколькими отводами и вторичку с паралельными секциями. супер универсальный трансформатор получается, еще бы намоточные данные найти или как то путем подсчета по формулам к ним придти. нашел расчеты Гэгэна, надеюсь он не будет против если я их тут отрепостю. Здесь был спойлер. ===== Ri 6Н8С порядка 8к, Ra-23,5k, соответственно Rout=6k. При суммарной входной ёмкости 6П6С до 50пФ, ослабление на частоте 20кГц около -0,3дБ, что в переводе в отностиельную шкалу составить 1/1,04 или 0,96. === Вых SE трансформатор на железе ОСМ - 0,1 Железо 25х40 Окно 46Х15 Габарит намотки 42х14 Ra=5k Rн=8 Ом Коэффициент трансформации 25 Первичная обмотка. Провод 0,18 в изоляции 0,2-0,21 Слой 188 витков Количество слоёв 16 Мотать посекционно, соединять последовательно. 2-4-4-4-2 376+752+752+752+376=3008 Витков. Вторичная обмотка. Секция 120 витков в два слоя, в слое 60 витков, провод 0,6-0,62 в изоляции 0,65 мотать 4 секции межу секциями первичной обмотки, соединять параллельно. Межслойная изоляция - бумага калька, или для выпечки толщиной 0,05мМ Габаритный расчёт. Толщина первичной обмотки 0,22х16=3,52мМ Толщина вторичной обмотки 0,65х8=5,2мМ Толщина межслойной изоляции 0,05х24=1,2мМ Суммарно 3,52+5,2+1,2=9,6мМ Коэффициент вспучивания 1,4 9,6Х1,4=13,44 заполнение окна 13,44мМ Толшина зазора для тока до 50мА - 0,1мМ для тока до 70мА -0,13мМ === Ссылка на комментарий Поделиться на другие сайты Поделиться
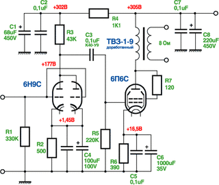
TANk Опубликовано 17 Июня, 2013 в 13:38 Жалоба Поделиться Опубликовано 17 Июня, 2013 в 13:38 Рецепт хороший, и проверенный неоднократно. Так что можно смело повторять. Схема из №8 выдаст 1.2-1.5Вт на выходе, а никак не 4.5. Если использовать первую схему из 4-го сообщения, где выходная лампа включена тетродом, то тогда да, ватта на 3.5-4 можно расчитывать. но звук будет на любителя и не со всякими колонками. Ссылка на комментарий Поделиться на другие сайты Поделиться
Рекомендуемые сообщения
Для публикации сообщений создайте учётную запись или авторизуйтесь
Вы должны быть пользователем, чтобы оставить комментарий
Создать учетную запись
Зарегистрируйте новую учётную запись в нашем сообществе. Это очень просто!
Регистрация нового пользователяВойти
Уже есть аккаунт? Войти в систему.
Войти