picap Опубликовано 14 Мая, 2013 в 22:03 Жалоба Поделиться Опубликовано 14 Мая, 2013 в 22:03 (изменено) Доброго времени суток! появилась проблема с моим осциллографом. Включил.....а на экране такая вот картинка....(см.фото) Подскажите пожалуйста - куда копать? :smile: На что обратить внимание в первую очередь ? Где посмотреть напряжения ? Проблема только проявилась. Ничего пока не разбирал. Полное техническое описание в бумажном варианте имеется. Там же есть и схемы. Изменено 15 Мая, 2013 в 05:56 пользователем picap Ссылка на комментарий Поделиться на другие сайты Поделиться
Гость glc Опубликовано 16 Мая, 2013 в 05:49 Жалоба Поделиться Опубликовано 16 Мая, 2013 в 05:49 (изменено) Надо проверить питание усилителя горизонтальной развёртки. Возможно напряжение занижено. Я так понял, что эта картинка без входного сигнала? Тогда для проверки нужен второй осциллограф. Иначе будет трудно понять откуда ноги растут. Изменено 16 Мая, 2013 в 05:54 пользователем glc Ссылка на комментарий Поделиться на другие сайты Поделиться
picap Опубликовано 16 Мая, 2013 в 09:04 Автор Жалоба Поделиться Опубликовано 16 Мая, 2013 в 09:04 (изменено) Спасибо. На картинке подан входной синусоидальный сигнал с генератора НЧ. около 1кГц.Аппарат рабочий,входа работают,с амплитудой сигнала все в порядке,только кино в нем стало узкоформатное ! :smile: Вчера только снял кожух. Сегодня выдую и буду потихоньку проверять и сравнивать. Разбираюсь со схемами. Ох и противно они сделаны ! В принципе как и сам осциллограф. Такое ощущение ,что туда насыпали деталей и ногами все это утрамбовывали, чтобы влезло. Доступ отвратительный! :smile: Я так понимаю ,в связи с введением возможности питания 24В в него воткнули такой отвратительный блок питания :smile: 220В 50-60Гц ---> 24В пост.----> 9кГц ---> выпрямители (все необходимые напряжения). Изменено 16 Мая, 2013 в 09:20 пользователем picap Ссылка на комментарий Поделиться на другие сайты Поделиться
Chugunov Опубликовано 16 Мая, 2013 в 11:28 Жалоба Поделиться Опубликовано 16 Мая, 2013 в 11:28 (изменено) Александр! Ремонтом этого осциллографа не занимался, поэтому общие соображения. Думаю, Вы знаете их их не хуже меня. Будем играть в "Морской бой". Налицо резкое уменьшение амплитуды горизонтальной развертки (ОС вряд ли кто-то сбивал, да и ровно сбить трудно). Из-за чего это может быть? - Уменьшение питания усилителя горизонтальной развертки (УГР), особо +120 и +80В - уменьшение усиления УГР. Понимаю, что лазить внутри тяжко, но там хотя бы куча точек контроля. Далее: вправо-влево луч сдвигается нормально? нет явного преобладания сдвига в одну сторону? сильных геометрических искажений нет? Тогда, надеюсь, банально - высыхание-обрыв какого-то конденсатора. Я так понимаю, приборы у вас есть? Тогда переключить развертку на внешнюю и подать номинальный сигнал. Размах по горизонтали стал большим (нормальным)? Есть возможность посмотреть осциллографом сигнал на коллекторах Т6 и Т7 и сравнить его амплитуду с показанной в инструкции? Хуже свего, если замыкание в отклоняющей системе... Не буду писать "а если - тогда", пишите результаты, посмотрим. Конечно, полезно проверить режим хотя бы транзисторов УГР по постоянному току, хотя если бы один транзистор сдох, был бы перекос и луч нормально не регулировался бы. УГР сделан с пропусканием постоянной составляющей, без конденсаторов, это хорошо, но в извращенном блоке питания с преобразователем, электролитов должно быть много... Изменено 16 Мая, 2013 в 12:16 пользователем chugunov Ссылка на комментарий Поделиться на другие сайты Поделиться
picap Опубликовано 17 Мая, 2013 в 20:27 Автор Жалоба Поделиться Опубликовано 17 Мая, 2013 в 20:27 (изменено) Спасибо за поддержку ! Докладываю: Хотел начать как всегда с блока питания, но полез в усилитель Х. Обнаружил недостачу напряжения по шине +80 вольт. Там только +57,5 :smile: Тогда полез в стабилизатор У13 (И23.233.168 ) Все напряжения - как в центре метрологии и стандартизации ! Кроме одного ! :smile: Нет +80! Сначала подумал , что подсаживает нагрузка данного источника. Стал отпаивать по одному проводу- отключать нагрузку. Генератор развертки кушает 5.8 ма. Усилитель Х жрет 20,5 мА. Усилитель Y еще 15.8 мА. Отключение любой из трех нагрузок картину не поменяло. На шине все те же зловещие +57.5В. Отключение ВСЕХ трех нагрузок дало подняться напряжению на выходе стабилизатора до +93В! А должно ли подняться ??? Ведь он то называется стабилизатором ! :smile: Буду рыть пока стабилизатор. Ох он и геморно сделан ! Детали на плате размещены как леденцы в коробке монпасье. :smile: Была мысль попытать осцил внешними 80 вольтами......пока отложил. Вправо-влево луч сдвигается нормально. На коллекторах транзисторов Т6 и Т7 усилителя "Х" (У7) напряжения как указаны в схеме +44 и +47 , синхронно меняющиеся при сдвиге луча путем вращения ручки. На одном падает- на другом подымается. На сегодня закончил. Устал, глаза болят. Да! Забыл написАть , что напряжение на конденсаторе после диодного мостика было 59 вольт. (Еще до отпаивания проводов нагрузки) ... Это вот меня и смущает...... Изменено 18 Мая, 2013 в 11:41 пользователем picap Ссылка на комментарий Поделиться на другие сайты Поделиться
Elektrik Опубликовано 18 Мая, 2013 в 14:02 Жалоба Поделиться Опубликовано 18 Мая, 2013 в 14:02 Да! Забыл написАть , что напряжение на конденсаторе после диодного мостика было 59 вольт. (Еще до отпаивания проводов нагрузки) ... Это вот меня и смущает...... Посмотри ка этот самый конденсатор, С11 наверное имеется в виду. Скорее всего он потерял емкость, и там большущие пульсации. Посмотреть бы другим осциллогафом. Но если нет, меняй конденсатор, давай нагрузку, и смотри все напряжения. Ссылка на комментарий Поделиться на другие сайты Поделиться
Chugunov Опубликовано 18 Мая, 2013 в 16:07 Жалоба Поделиться Опубликовано 18 Мая, 2013 в 16:07 ...напряжение на конденсаторе после диодного мостика было 59 вольт Вот и ответ: или С11 кирдык, или на диоды маловато поступает. Первым делом, конечно, менять С11, внутренний обрыв или высыхание вполне вероятно. Думаю, на этом ремонт будет закончен. Можно заодно проверить диоды моста, раз они сейчас доступны. Ссылка на комментарий Поделиться на другие сайты Поделиться
Chugunov Опубликовано 19 Мая, 2013 в 21:21 Жалоба Поделиться Опубликовано 19 Мая, 2013 в 21:21 Александр! Чем закончилась эпопея? Кто кого победил? Ссылка на комментарий Поделиться на другие сайты Поделиться
picap Опубликовано 20 Мая, 2013 в 05:11 Автор Жалоба Поделиться Опубликовано 20 Мая, 2013 в 05:11 Времени свободного не было, так что день победы перенесен.... :smile: Ссылка на комментарий Поделиться на другие сайты Поделиться
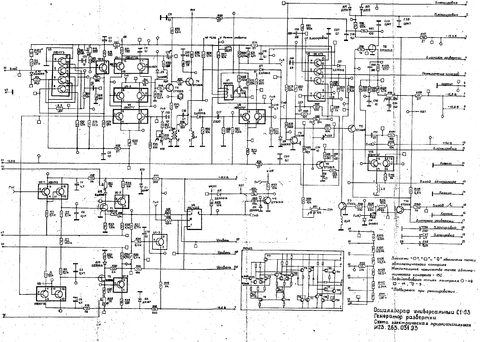
picap Опубликовано 25 Мая, 2013 в 12:31 Автор Жалоба Поделиться Опубликовано 25 Мая, 2013 в 12:31 В общем - я искал черную кошку в темной комнате , особенно .......... После листания тех.описания на С1-93 наткнулся на такие таблицы- одна - параметры источников питания , другая - напряжения на выводах транзисторов. Так вот. 80 вольтового источника питания там нет .... :smile: В одной таблице указан источник 60 Вольт. В другой (совершенно противоречащей первой ) указаны напряжения на выводах транзистора Т12 ( 2Т608Б ) +82.....+83 в. Вот это меня и сбило ! :smile: Никому верить нельзя !!! :smile: А в тех схемах , что гуляют в нэте вообще разобрать что либо очень трудно. Проблема осталась в наличии. Все питания на стабилизаторе И23.233.168.Э3 в норме. Ссылка на комментарий Поделиться на другие сайты Поделиться
Рекомендуемые сообщения
Для публикации сообщений создайте учётную запись или авторизуйтесь
Вы должны быть пользователем, чтобы оставить комментарий
Создать учетную запись
Зарегистрируйте новую учётную запись в нашем сообществе. Это очень просто!
Регистрация нового пользователяВойти
Уже есть аккаунт? Войти в систему.
Войти