Гость mr_maximka Опубликовано 4 Января, 2013 в 14:53 Жалоба Поделиться Опубликовано 4 Января, 2013 в 14:53 Добрый вечер, нужен совет. Есть ноутбук с которого транслируют презентации, иногда презентации бывают со звуком. Проблема в том что ноутбук фонит, находится далеко от микшера. На просторах интернета нарыл такую схему: рабочая ли она? и поможет она мне? Ссылка на комментарий Поделиться на другие сайты Поделиться
metrolog Опубликовано 4 Января, 2013 в 15:32 Жалоба Поделиться Опубликовано 4 Января, 2013 в 15:32 (изменено) Проблема в том что ноутбук фонит, находится далеко от микшера. А в какое гнездо подключался микшер, в выход для наушников? Интересует характер фона (50, 100 Гц, ВЧ) Изменено 4 Января, 2013 в 15:34 пользователем metrolog Ссылка на комментарий Поделиться на другие сайты Поделиться
Гость mr_maximka Опубликовано 4 Января, 2013 в 15:43 Жалоба Поделиться Опубликовано 4 Января, 2013 в 15:43 (изменено) ВЧ, да для наушников Изменено 4 Января, 2013 в 15:44 пользователем mr_maximka Ссылка на комментарий Поделиться на другие сайты Поделиться
metrolog Опубликовано 4 Января, 2013 в 15:56 Жалоба Поделиться Опубликовано 4 Января, 2013 в 15:56 Микшер имеет высокоомный вход, наушниковый выход может работать на него некорректно. Попробуй сделать сделать переходник с эквивалентом нагрузки. Т.е. в гнездо наушников включить проходной разъём с нагрузочными резисторами на 36..56 Ом. Ссылка на комментарий Поделиться на другие сайты Поделиться
Yamazaki Опубликовано 4 Января, 2013 в 16:04 Жалоба Поделиться Опубликовано 4 Января, 2013 в 16:04 (изменено) Это две разных схемы, состыкованных на одном рисунке кем-то. Правая сторона формирует балансный сигнал, а левая, которая более толстыми линиями нарисована, обьединяет стереоканалы в моно. Если у вас нормальное стерео предполагается, надо взять две правые половинки схемы. И нужно двухполярное питание ко всему этому сообразить, или от отдельного трансика, или прямо от ноутбука от USB шины DC-DC преобразователем. И по-моему в схеме опечатка... При таких номиналах R131 и R132, операционник не усиливает, а ослабляет сигнал в два раза, очевидно они перепутаны местами. Изменено 4 Января, 2013 в 16:14 пользователем yamazaki Ссылка на комментарий Поделиться на другие сайты Поделиться
Гость mr_maximka Опубликовано 4 Января, 2013 в 17:53 Жалоба Поделиться Опубликовано 4 Января, 2013 в 17:53 Это две разных схемы, состыкованных на одном рисунке кем-то. Правая сторона формирует балансный сигнал, а левая, которая более толстыми линиями нарисована, обьединяет стереоканалы в моно. Если у вас нормальное стерео предполагается, надо взять две правые половинки схемы. И нужно двухполярное питание ко всему этому сообразить, или от отдельного трансика, или прямо от ноутбука от USB шины DC-DC преобразователем. И по-моему в схеме опечатка... При таких номиналах R131 и R132, операционник не усиливает, а ослабляет сигнал в два раза, очевидно они перепутаны местами. Мне стерео в моно и надо (так провод сэкономлю) Ссылка на комментарий Поделиться на другие сайты Поделиться
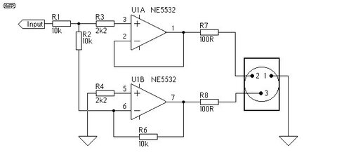
Datagor Опубликовано 4 Января, 2013 в 18:20 Жалоба Поделиться Опубликовано 4 Января, 2013 в 18:20 Максим, предлагаю порыть в сторону SSM2142PZ от AD или DRV134PA от TI. Специализированные драйверы симметричных линий, обвязки почти никакой, входной сигнал до 10В (т.е. тоже ничего мудрить не нужно) и главное - лазерный тримминг резисторов внутри чипа, которые и обеспечивают офигенную симметричность, недостижимую другими путями. Хотя схемка ваша правильная и вам будет достаточно правой части. Сумматор (левая часть) для компа не нужен! Просто прицепитесь к любому каналу, а в настройках аудио на ПК выберете "Моно". Номиналы на схеме правильные для Ку=1 (иначе амплитуду раскачаем в 2 раза). Ссылка на комментарий Поделиться на другие сайты Поделиться
Yamazaki Опубликовано 4 Января, 2013 в 19:27 Жалоба Поделиться Опубликовано 4 Января, 2013 в 19:27 (изменено) Да нет же, неправильная схема! R131 и R132 (20 и 10 кОм) несомненно перепутаны. А на входе верхней микросхемы стоит делитель с коэффициентом 0.254, который эту асимметрию призван (не точно) компенсировать. Если это сделано специально, объясните мне, зачем. Добавлено после раздумий: Нашел нечто похожее в книге Уолта Юнга Op Amp Applications Для точной симметрии он предлагает использовать матрицу подстроенных резисторов 8*20к, или 8 отдельных точных резисторов. Изменено 4 Января, 2013 в 19:36 пользователем yamazaki Ссылка на комментарий Поделиться на другие сайты Поделиться
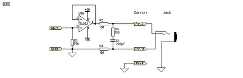
Datagor Опубликовано 4 Января, 2013 в 20:42 Жалоба Поделиться Опубликовано 4 Января, 2013 в 20:42 Сергей, наверное ты прав. Есть у австралийского Рода Эллиота статейка на эту тему и в самом низу - схема НАИПРОСТЕЙШЕГО варианта балансного выхода, причем проверенного в железе. Можно обозвать это псевлобалансом, но главное - работу выполняет, наводки снижаются. Всего на 1 ОУ - для презентаций стоит попробовать! _https://sound.westhost.com/project87.htm А вот еще завалялась его же схемка, но описание у меня утеряно. Ссылка на комментарий Поделиться на другие сайты Поделиться
Chugunov Опубликовано 4 Января, 2013 в 21:42 Жалоба Поделиться Опубликовано 4 Января, 2013 в 21:42 Из приведённых схем мне наиболее симпатична схема в книге Уолта Юнга Op Amp ApplicationsДля точной симметрии он предлагает использовать матрицу подстроенных резисторов 8*20к, или 8 отдельных точных резисторов. https://forum.datagor.ru/index.php?act=atta...st&id=25434 Микросхему можно почти любую со сдвоенным ОУ, устойчиво работающую при единичном усилении. По datasheet можно посмотреть, нужны ли ёмкости. Матрица резисторов - излишество, особенно для презентаций, да и плату делать с матрицей сложнее. Подобрать одинаковое усиление можно, например, R3. Вместо резисторов 49,9 Ом на выход можно поставить по 100 Ом. Короче, с этими несущественными изменениями, схема получится простой и малогабаритной. Лучше, если приемник будет подключен через конденсвторы. Это избавит от некоторых проблем, а срез самых низких частот пойдёт только на пользу. Поскольку презентации - это в основном голос и важна его разборчивость, можно срезать до 100...200 Гц. Дополнительно уменьшится фон и улучшится разборчивость. Конденсаторы устранят гальваническую связь, что может быть важным. Кстати, можно попробовать без всяких сумматоров подключть ноутбук через когденсаторы в каждом(!) проводе, попробовать 1 мкФ, неэлектролит! Может этого будет достаточно. *** Очень хорошее решение - трансфоматор. Он может быть небольшим, как из модема или старого дискового телефона. Если выход ноутбука работает на наушники, должен потянуть и трансформатор, лучше последовательно включить ом этак 100. Трансформатор - наилучшая гальваническая развязка и симметрия. Ссылка на комментарий Поделиться на другие сайты Поделиться
Yamazaki Опубликовано 4 Января, 2013 в 21:48 Жалоба Поделиться Опубликовано 4 Января, 2013 в 21:48 (изменено) Первая схема остроумная! Но, кажется, и в неё закрались ошибки. Во-первых при номинале C1 = 220pF на выводе, который обозначен как PIN3, ничего не будет. Не на звуковых частотах. Больше похоже на 220μF Во-вторых, похоже перепутаны обозначения PIN1, PIN2, и PIN3. Выход, которой обозначен как PIN3 должен быть подключен к земле приемника сигнала (на разьёме XLR это pin1) Соответственно, с оставшихся двух (земли и PIN2) берется дифференциальный сигнал (на разьёме XLR это pin2 и pin3) Если включить строго по схеме, не разобравшись с пинами, по дифференциальной линии пойдёт только один сигнал, а второго не будет. Если исправить номинал конденсатора, вместо противофазного сигнала пойдёт синфазный, но неравной амплитуды. В обоих вариантах работать будет (Род Элиотт ничего не заметит), но наводки не пропадут. Поэтому надо поставить правильный конденсатор и правильно подключить пины XLR разъёма. Кстати, схема симулируется и без конденсатора совсем. Вот опять, зачем он там? Короче, все эти эксперименты не очень-то нужны. TL072 и TL071 стоят одинаково дешево, какой смысл экономить один ничего не стоящий операционник. Изменено 4 Января, 2013 в 21:55 пользователем yamazaki Ссылка на комментарий Поделиться на другие сайты Поделиться
metrolog Опубликовано 5 Января, 2013 в 06:06 Жалоба Поделиться Опубликовано 5 Января, 2013 в 06:06 Ребят, сдаётся мне, что это всё излишества. Микрофоны тянут длинными кабелями, без намёков на фон, а здесь устроили целые научные изыскания на пустом месте. Просто нужно соблюдать правила сопряжения и экранировки, использовать нормальный экранированный кабель и все будет зэбэст. Тем более сигнал передаётся с большой амплитудой и с выхода усилителя. Ссылка на комментарий Поделиться на другие сайты Поделиться
Рекомендуемые сообщения
Для публикации сообщений создайте учётную запись или авторизуйтесь
Вы должны быть пользователем, чтобы оставить комментарий
Создать учетную запись
Зарегистрируйте новую учётную запись в нашем сообществе. Это очень просто!
Регистрация нового пользователяВойти
Уже есть аккаунт? Войти в систему.
Войти