Гость ogmetr Опубликовано 29 Декабря, 2012 в 06:40 Жалоба Поделиться Опубликовано 29 Декабря, 2012 в 06:40 Наблюдая повышенный интерес к конструкции однотактного усилителя на триодах 6Н13С (6Н5С), пришлось отступить от своего правила показывать окончательный вариант своих конструкций. По ряду объективных причин у меня не было возможности сложить уже полностью отлаженные и обкатанные блоки в готовый корпус. Сам себе удивляюсь, но такое бывает. Начнем с истории, а история давняя. После завершения своего проекта "Spring", который кстати посей день радует прекрасным звучанием, ностальгически захотелось воспроизвести SE. Наверное, это возрастное. Форм-фактор был задуман как "Spring" (корпус, монтаж) посему получил пилотное название "Spring SE". На то время у меня отсутствовала достойная высокочувствительная акустика, что ставило определенные условия к усилителю. Главным условием было добиться максимальной мощности от однотактного каскада. На первый взгляд элементарная задача параллельное включение триодов, фиксированное смещение, но оказалось все не так просто. Триоды в баллоне кривые катастрофически усложнился блок смещения. Чтобы раскачать этого монстра потребовалась амплитуда более 100 вольт. Трансформатор очень не хотелось ставить. Остается одно приемлемое решение SRPP. Для проверки идеи, а может и ради баловства собрал макет на пальчиковых лампах 6С19П и 6Н6П. Характеристики каскада очень и очень понравились один недостаток не мой форм-фактор, но у кого есть возможность собрать на этих лампах рекомендую, не пожалеете. Вернемся к 6Н13С. Макетируем – снимаем параметры – ожидаемой мощности нет! :smile: В расстройстве загоняю лампы в предельные режимы. Главное запитал SRPP 400 В. Бояться пробоя катод накал не стоит, накал гальванически развязан с землей, стоит полет нормальный. Зато 6Н13 раскачалась до упора. Кто не хочет рисковать есть вариант, лишний триод с входного каскада. Но без 400В вы мощность не получите. Замеряем 8 Вт номинал. :smile: Поигрался с катодными резисторами в SRPP. Интересный факт, который пока научно объяснить не могу, только догадываюсь – небольшая разбалансировка каскада привела к снижению нелинейных искажений на номинальной мощности менее 0,1% и это SE без обратных связей! Сразу оговорюсь такую настройку можно сделать только при соответствующей измерительной аппаратуре (я использовал С6-7). У кого такой возможности нет лучше не заморачиваться, можно сделать только хуже на звуке это практически не заметно. В заключении отмечу, чувствительность каскада слабоватая около 1 В. Меня это не устраивало, пришлось, сохраняя триодную концепцию подбросить один триод. И окончательно: Ч.Д. 20 – 22000 кГц Кн.и. < 0,1% при 8 Вт 10% при 10 Вт. Попробую добавить несколько фото отдельных узлов. Эксперимент Реальный макет Силовой блок питания Блок смещения и высоковольтный Выходной трансформатор Оригинальное реле времени для задержки анодного напряжения С большим удовольствием отвечу на вопросы и выслушаю замечания. С уважением Юрий. Ссылка на комментарий Поделиться на другие сайты Поделиться
tormozzilla Опубликовано 29 Декабря, 2012 в 12:14 Жалоба Поделиться Опубликовано 29 Декабря, 2012 в 12:14 А не макетировали ли Вы собрать драйвер с дроссельной нагрузкой? Я так понимаю, что для 6Н5 одна из главных проблем получение высокого напряжения раскачки. Ссылка на комментарий Поделиться на другие сайты Поделиться
Гость ogmetr Опубликовано 29 Декабря, 2012 в 14:01 Жалоба Поделиться Опубликовано 29 Декабря, 2012 в 14:01 А не макетировали ли Вы собрать драйвер с дроссельной нагрузкой? Я так понимаю, что для 6Н5 одна из главных проблем получение высокого напряжения раскачки. Нет не пробовал, я знаю достоинство такого каскада, но знаю и недостатки. Колебательный контур в анод это уже нелинейный элемент зависящий от частоты. По идее усиление каскада с ростом частоты будет расти. Ссылка на комментарий Поделиться на другие сайты Поделиться
TANk Опубликовано 29 Декабря, 2012 в 18:35 Жалоба Поделиться Опубликовано 29 Декабря, 2012 в 18:35 Юрий, а сама схема усилителя? Особенно интересуют режимы ламп. Да и схему каскада на 6Н6П+6С19П тоже интересно посмотреть. Не все могут по словесному описанию нарисовать правильную схему, и главное режимы в которых работают лампы. Выходной трансформатор на основе ОСМ-0.16? Интересны намоточные данные. Ссылка на комментарий Поделиться на другие сайты Поделиться
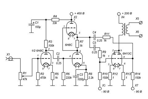
Гость ogmetr Опубликовано 29 Декабря, 2012 в 20:04 Жалоба Поделиться Опубликовано 29 Декабря, 2012 в 20:04 (изменено) Уважаемый Александр, очень приятно, что Вы обратили внимание и подключились к теме. Схемы не претендуют на оригинальность. За столько лет существования ламповой схемотехники трудно придумать что то новое. Остается только конструктив и качество элементов. Вот схемы Блок питания Выходной трансформатор выполнен без фанатизма на ОСМ-0,1 железо хорошее вполне хватает 20Гц без проблем Если честно при макетировании мне 6С19П даже больше понравились характеристики и звук отличный. Да и схему можно упростить лампочки ровные у меня есть большой выбор еще Светлановских Просто, я уже объяснял, был готов корпус формат "Spring" и хотелось октальный вариант. Изменено 30 Декабря, 2012 в 09:27 пользователем ogmetr Ссылка на комментарий Поделиться на другие сайты Поделиться
metrolog Опубликовано 30 Декабря, 2012 в 05:06 Жалоба Поделиться Опубликовано 30 Декабря, 2012 в 05:06 (изменено) Отлично. Изменено 30 Декабря, 2012 в 11:24 пользователем metrolog Ссылка на комментарий Поделиться на другие сайты Поделиться
reper Опубликовано 30 Декабря, 2012 в 07:24 Жалоба Поделиться Опубликовано 30 Декабря, 2012 в 07:24 полярность некоторых кондёров в схеме БП кажется перепутана. Думаю, это элементарная невнимательность при составлении схемы, сам частенько страдаю. Но исправить, конечно, нужно - порядок быть должОн!! Ссылка на комментарий Поделиться на другие сайты Поделиться
Гость ogmetr Опубликовано 30 Декабря, 2012 в 09:30 Жалоба Поделиться Опубликовано 30 Декабря, 2012 в 09:30 Юрий, извиняюсь, полярность некоторых кондёров в схеме БП кажется перепутана. Спасибо, поправил. Бывает года работаешь в sPlan забываешь перевернуть. Ссылка на комментарий Поделиться на другие сайты Поделиться
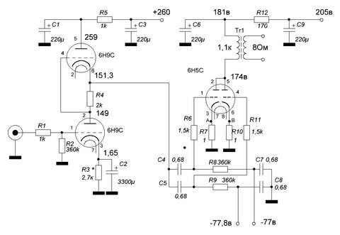
gsaorion Опубликовано 30 Декабря, 2012 в 14:26 Жалоба Поделиться Опубликовано 30 Декабря, 2012 в 14:26 Из соседней ветки перенесу схему которую собрал на макете. Ну что бы все было в нужном месте по теме. Ну и немного такста: Входной сигнал 1В эф. значения. Питание вх. каскада запитывал и 300 и 380в. Приходилось только менять резисторы R3 и R4. Результат был один и тот же. Поэтому вернул 260В( был такой трансформатор). Подбором резистора R3 добился симметричной синусоиды на выходе усилителя (силно влияет на симметрию, почему-объяснить пока не могу, но это факт). С выходным каскадом долго возился и эксперементировал. Запитал 205в(опять таки, потому что был такой транс). R12 для получения 181в для питания на трансформатор. Для выравнивания токов при помощи смещения воспользовался милливольтметром с нулем по средине, который подключил к точкам А и В. Очень удобно смотреть разбалланс напряжений. Через каждый триод у меня получилось примерно по 73 мА (падение напряжения на резисторах R7 и R10 по 73мВ). На эквиваленте нагрузки 8Ом получил примерно 5,7в (амплитуда 8В). Синус ровный без видимых на глаз искажений в диапазоне от 30 до 20000Гц. Трансформатор на железе от ТВК110Л1. Железо ШЛ 20х32. Зазор 0,08 под каждую половинку. Первичная обм. 1392 вит. пров. 0,3 (по изоляции) 87витков в слое, вторичная 132 вит. пров. 0,64 (по изоляции) 44 витка в слое. Намотана так: 2-1-6-1-6-1-2. Индуктивность первичной обм 5,5Н. Вот собственно пока и все. Попробывал подключить один триод из баллона. Получил те же параметры что писал выше. Только режим получился таким: Смешение -71в, ток анода 80ма напряжение анода 170в. Так что можно думаю на одной 6Н5С сделать стерео вариант, используя ее оба триода в разных каналах. Но это надо еще попробовать. Добавлено после раздумий: Скажите пож. почему стараются каскад SRPP запитать напряжением 400в? Ссылка на комментарий Поделиться на другие сайты Поделиться
TANk Опубликовано 30 Декабря, 2012 в 18:56 Жалоба Поделиться Опубликовано 30 Декабря, 2012 в 18:56 Подбором резистора R3 добился симметричной синусоиды на выходе усилителя (силно влияет на симметрию, почему-объяснить пока не могу, но это факт). Интересный факт, который пока научно объяснить не могу, только догадываюсь – небольшая разбалансировка каскада привела к снижению нелинейных искажений на номинальной мощности менее 0,1% и это SE без обратных связей! Смотрим на ВАХ 6Н5С для примера я взял рабочую точку при анодном напряжении 160в и напряжении смещения на сетке -60в. При напряжении на аноде 200в и смещении -75в картинка будет похожей, но под руками нет ВАХов снятых до высоких напряжений на аноде. При подаче сигнала на управляющую сетку амплитудой 60в у нас напряжение на сетке будет изменяться от 0 до -120в. Напряжение на аноде соответственно будет меняться от 45 до 235 примерно. Эти точки на графике показаны. Смотрим и сравниваем величину отрезков [AB] и [AC] - они разные. Положительная полуволна синусойды будет усиливаться с амплитудой 160-45=115в, а отрицательная полуволна будет усиливаться с амплитудой 235-160=75в Это как раз и дает искажения в выходном каскаде в виде "кривого" неравномерного синуса. От этого никуда не денешься - характеристики лампы такие. Именно по этой причине эту лампу и называют "кривой" и не очень любят в однотакте. Чтобы на выходе получить правильный ровный синус надо в каскаде предварительного усиления сделать аналогичные искажения, только с отрицательным знаком. Для этого и Юрий и вы, gsaorion (как кстати ваше настоящее имя - заполните профиль, привычнее обращаться по реальным именам, а не никам), сделали разбалансировку входного СРПП каскада, чтобы он тоже давал несимметричную синусойду на выходе. В результате 2 этих искажения складываются и друг друга взаимоуничтожают. Что позволяет добиться на выходе искажений в доли процента. Проверить легко. осциллограф на выход СРПП каскада и вы увидите "кривой" синус, хотя на выходе усилителя все будет правильно и красиво. Добавлено после раздумий: Скажите пож. почему стараются каскад SRPP запитать напряжением 400в? Питание 400в. На каждой из ламп по 200в анод-катод. Для получения амплитуды сигнала на выходе каскада в 70в напряжение на аноде нижней лампы должно меняться от 130 до 270в. Тоесть минимально возможное напряжение на лампе 130, максимальное 270. Тоже самое и для верхней лампы. Питание СРПП каскада 260в. На нижней лампе анодное 150, на верхней всего 110. Амплитуда сигнала на выходе такая же 70в. На нижней лампе напряжение должно меняться от 70 до 220в (это еще нормально) а на верхней анодное напряжение уже будет меняться от 30 до 180. При анодных напряжениях в 30в для 6Н9С мы попадаем в область сильной нелинейности ВАХ и получаем большие искажения. Ссылка на комментарий Поделиться на другие сайты Поделиться
Гость ogmetr Опубликовано 31 Декабря, 2012 в 11:30 Жалоба Поделиться Опубликовано 31 Декабря, 2012 в 11:30 сделали разбалансировку входного СРПП каскада, чтобы он тоже давал несимметричную синусойду на выходе. В результате 2 этих искажения складываются и друг друга взаимоуничтожают. Что позволяет добиться на выходе искажений в доли процента. Александр как всегда абсолютно прав. Одно удивляет, почему об этом мало говорят. Все рекомендуемые схемы симметричны - катодные резисторы строго одинаковые. Ссылка на комментарий Поделиться на другие сайты Поделиться
al ex Опубликовано 31 Декабря, 2012 в 15:31 Жалоба Поделиться Опубликовано 31 Декабря, 2012 в 15:31 Где-то в схемах Гэгэна встречал такое, что верхний резистор СРПП немного большего номинала. Очевидно, исправлять одну кривизну другой-не наш путь... Ссылка на комментарий Поделиться на другие сайты Поделиться
Рекомендуемые сообщения
Для публикации сообщений создайте учётную запись или авторизуйтесь
Вы должны быть пользователем, чтобы оставить комментарий
Создать учетную запись
Зарегистрируйте новую учётную запись в нашем сообществе. Это очень просто!
Регистрация нового пользователяВойти
Уже есть аккаунт? Войти в систему.
Войти