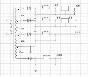
Гость stas Опубликовано 4 Декабря, 2012 в 06:05 Жалоба Поделиться Опубликовано 4 Декабря, 2012 в 06:05 Взялся переделать импульсный блок питания от спутникового тюнера под нужные напряжения. ИБП обратноходовой, обмотки включены последовательно, т.е. для 8 В обмотка не мотается от вывода массы, а добавляется 4 витка к обмотке 3,3 В. У меня задача стояла простая. Убрать обмотку на +30 В и добавить на (-12 В). Трансформатор разделил, смотал обмотку связи и половину сетевой. Убрал 30-ти вольтовую обмотку и домотал 12 витков от вывода "массы" для источника отрицательного напряжения. Заново намотал половину сетевой и обмотку связи. Включил, все положительные напряжения, практически, соответствуют числу витков. Вместо 8 и 15 В, соответственно 6 и 13. 3-х вольтовая обмотка выдает ровно 3,3 В, как надо. Может, из-за того, что стабилизация сделана от неё. Но вместо (-12 В) имею (-38 В). подскажите, пожалуйста, в чём может быть причина? Части схем, содержащие вторичные выпрямители, прицепил. Сетевую часть и цепи стабилизации я не трогал. Ссылка на комментарий Поделиться на другие сайты Поделиться
alfaed Опубликовано 4 Декабря, 2012 в 07:43 Жалоба Поделиться Опубликовано 4 Декабря, 2012 в 07:43 Всё правильно, это же обратноходовой преобразователь. Здесь важна фазировка обмоток. Попробуйте поменять местами концы 12-витковой обмотки. Ссылка на комментарий Поделиться на другие сайты Поделиться
Гость stas Опубликовано 14 Декабря, 2012 в 21:56 Жалоба Поделиться Опубликовано 14 Декабря, 2012 в 21:56 Извиняюсь за молчание, был в командировке. Фазировку менять пробовал. Изменений не увидел. Хотя нет, я пробовал изменять направление намотки. Тогда мне подумалось, что это даст тот же результат. Или всё же разница есть? Ссылка на комментарий Поделиться на другие сайты Поделиться
metrolog Опубликовано 15 Декабря, 2012 в 04:04 Жалоба Поделиться Опубликовано 15 Декабря, 2012 в 04:04 (изменено) Фазировка должна быть такой: Получается, что все намотано в одном направлении с отводами в нужном месте. Изменено 15 Декабря, 2012 в 04:24 пользователем metrolog Ссылка на комментарий Поделиться на другие сайты Поделиться
alfaed Опубликовано 15 Декабря, 2012 в 04:23 Жалоба Поделиться Опубликовано 15 Декабря, 2012 в 04:23 Извиняюсь за молчание, был в командировке. Фазировку менять пробовал. Изменений не увидел. Хотя нет, я пробовал изменять направление намотки. Тогда мне подумалось, что это даст тот же результат. Или всё же разница есть? Если обмотки были бы намотаны в одну сторону (имею ввиду последнюю) и начало обмотки соединялось с концом предыдущей, то первая схема у Вас уже работала бы, а иначе - нестыковка. Попробуйте обмотку на -12 в. перекинуть. Ссылка на комментарий Поделиться на другие сайты Поделиться
Гость spb-nik Опубликовано 17 Декабря, 2012 в 13:14 Жалоба Поделиться Опубликовано 17 Декабря, 2012 в 13:14 (изменено) Соберите источник отрицательного напряжения по такой схеме. Изменено 18 Декабря, 2012 в 06:04 пользователем spb-nik Ссылка на комментарий Поделиться на другие сайты Поделиться
Гость stas Опубликовано 18 Декабря, 2012 в 02:51 Жалоба Поделиться Опубликовано 18 Декабря, 2012 в 02:51 Спасибо, буду пробовать. Ссылка на комментарий Поделиться на другие сайты Поделиться
Рекомендуемые сообщения
Для публикации сообщений создайте учётную запись или авторизуйтесь
Вы должны быть пользователем, чтобы оставить комментарий
Создать учетную запись
Зарегистрируйте новую учётную запись в нашем сообществе. Это очень просто!
Регистрация нового пользователяВойти
Уже есть аккаунт? Войти в систему.
Войти