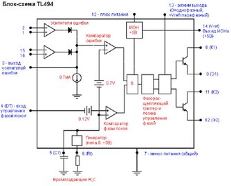
metrolog Опубликовано 25 Ноября, 2012 в 11:39 Жалоба Поделиться Опубликовано 25 Ноября, 2012 в 11:39 (изменено) А на коллекторе транзистора каждый полупериод появляется один короткий импульс... Объясню, как я понимаю работу схемы. Допустим генератор работает в штатном режиме, формируя импульсы с частотой F=1.0/(RtCt) (по даташиту) и длительностью, определяемой положением резистора R1. Работа генератора разрешена при закрытом транзисторе VT2, происходит это при каждом полупериоде. При открытии транзистора VT2 генератор "затыкается". Таким образом на выходе появляются пачки импульсов, частота следования пачек 100Гц, по одной на каждый полупериод. Изменено 25 Ноября, 2012 в 11:52 пользователем metrolog Ссылка на комментарий Поделиться на другие сайты Поделиться
pois Опубликовано 25 Ноября, 2012 в 12:24 Жалоба Поделиться Опубликовано 25 Ноября, 2012 в 12:24 Объясню, как я понимаю работу схемы.Таким образом на выходе появляются пачки импульсов, частота следования пачек 100Гц, по одной на каждый полупериод. В ТЛ-ке есть компаратор и генератор. С началом каждого полупериода начинает заряжаться С3. Компаратор сравнивает напряжение на С3 и управляющее на 1 ноге ТЛ. В момент совпадения на выходе микросхемы появляется импульс. В конце каждого полупериода VT2 разряжает С3 и все повторяется. Ссылка на комментарий Поделиться на другие сайты Поделиться
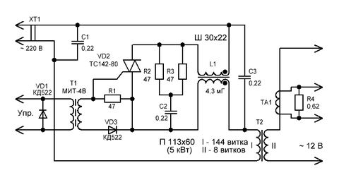
Гость akvi Опубликовано 25 Ноября, 2012 в 13:03 Жалоба Поделиться Опубликовано 25 Ноября, 2012 в 13:03 Да все условия в схеме соблюдены, а ТС 132 это симистор, в чем и вопрос был задан изначально почему работы нет. Ссылка на комментарий Поделиться на другие сайты Поделиться
metrolog Опубликовано 25 Ноября, 2012 в 13:28 Жалоба Поделиться Опубликовано 25 Ноября, 2012 в 13:28 (изменено) С началом каждого полупериода начинает заряжаться С3. Не согласен. За время полупериода С3 сам по себе, без участия VT2, много раз успеет зарядится и разрядиться, на нем всегда будет пилообразное напряжение, за исключением моментов, когда VT2 открыт. То есть за время периода компаратор ошибки сработает много раз, при этом происходит выборка по напряжению, от основания до вершины пилы. Да все условия в схеме соблюдены, а ТС 132 это симистор, в чем и вопрос был задан изначально почему работы нет. Как себя ведет лампа, включенная вместо трансформатора? Изменено 25 Ноября, 2012 в 13:36 пользователем metrolog Ссылка на комментарий Поделиться на другие сайты Поделиться
pois Опубликовано 25 Ноября, 2012 в 13:36 Жалоба Поделиться Опубликовано 25 Ноября, 2012 в 13:36 Вот апнот от STM. Применение симисторов на индуктивных нагрузках. Обратите внимание на заключение. Можно попробывать добавить генератор герц на 500 и управлять им с выхода ТЛ-ки чтобы получить пачки импульсов. STM___AN307.pdf Ссылка на комментарий Поделиться на другие сайты Поделиться
Гость akvi Опубликовано 25 Ноября, 2012 в 13:44 Жалоба Поделиться Опубликовано 25 Ноября, 2012 в 13:44 Прикладяваю даташит на ТС132, к стати ТС132-40 был заменен на ТС132-50-6 результато замена не дала, лампочки и прочее работает стабильно а вот трансфарматор пытается съесть всю электроэнергию Добавлено после раздумий: Как ведет себя лампа, поворачиваю движек регулировки, лампа плавно набирает яркость и все, без всяких видимых для глаза мерцаний ec83.pdf Ссылка на комментарий Поделиться на другие сайты Поделиться
pois Опубликовано 25 Ноября, 2012 в 13:52 Жалоба Поделиться Опубликовано 25 Ноября, 2012 в 13:52 (изменено) Не согласен.За время полупериода С3 сам по себе, без участия VT2, много раз успеет зарядится и разрядиться, на нем всегда будет пилообразное напряжение, за исключением моментов, когда VT2 открыт. То есть за время периода компаратор ошибки сработает много раз, при этом происходит выборка по напряжению, от основания до вершины пилы. При указанных номиналах С3 и R6 частота пилы на С3 около 60Гц. Если ее увеличить в несколько раз, то не получится никакого управления. Симистор будет включаться в самом начале полупериода. Извиняюсь. Частота около 80Гц. Изменено 25 Ноября, 2012 в 14:01 пользователем pois Ссылка на комментарий Поделиться на другие сайты Поделиться
Гость akvi Опубликовано 25 Ноября, 2012 в 14:07 Жалоба Поделиться Опубликовано 25 Ноября, 2012 в 14:07 Пробовал менять емкость кондера на генераторе результатов не дали получается не стабильная работа даже на лампе. Из сказанного выше я понял что стоит попробовать на импульснике добавить третью обмотку и встречно включить два тиристора так как неизвесно тиристор или симистор хотя в приложенном даташите у казано что это симистор, и это все подключить по сети, хотя в статье написано что такое соединение применяется при регулировке по вторичке сварочника. Добавлено после раздумий: Один человек выложил осцилы при работе устройства может чем то поможет вычислить накладку, он уверяет что устройство работает на трансформаторе Ссылка на комментарий Поделиться на другие сайты Поделиться
pois Опубликовано 25 Ноября, 2012 в 14:46 Жалоба Поделиться Опубликовано 25 Ноября, 2012 в 14:46 Во вторичке применяется мостовой выпрямитель на тиристорах. А в первичку - включить встречно-параллельно два тиристора. Добавлено после раздумий: Добавлено после раздумий:Один человек выложил осцилы при работе устройства может чем то поможет вычислить накладку, он уверяет что устройство работает на трансформаторе У него похоже стоят тиристоры - импульсы управления положительные, а на симистор идут отрицательные. Добавлено после раздумий: Вот что накопал: _https://kazus.ru/forums/showthread.php?p=196824 Ссылка на комментарий Поделиться на другие сайты Поделиться
metrolog Опубликовано 25 Ноября, 2012 в 15:01 Жалоба Поделиться Опубликовано 25 Ноября, 2012 в 15:01 (изменено) При указанных номиналах С3 и R6 частота пилы на С3 около 60Гц. Если ее увеличить в несколько раз, то не получится никакого управления. Симистор будет включаться в самом начале полупериода. Извиняюсь. Частота около 80Гц. 80 Гц - это хреново, было бы хотя бы 500 Гц... Я полагаю на трансформаторе должно быть это: akvi, что то осциллограммы какие то "мутные". На базе КТ972 отрицательные импульсы. Откуда? Можно попробовать оптоэлектронику, если ток УЭ потянет. Посмотрите на стр.7 MOC3061_3063.pdf Только Вам подойдут приборы "без перехода через ноль" - МОС3020..3023 Изменено 25 Ноября, 2012 в 15:10 пользователем metrolog Ссылка на комментарий Поделиться на другие сайты Поделиться
pois Опубликовано 25 Ноября, 2012 в 15:16 Жалоба Поделиться Опубликовано 25 Ноября, 2012 в 15:16 (изменено) 80 Гц - это хреново, было бы хотя бы 500 Гц...Я полагаю на трансформаторе должно быть это: Тиристор или симистор открывшись, не закроется до конца полупериода - пока ток через него не упадет ниже тока удержания. Осциллограммы, похоже, показаны относительно "+" питания. В симуляторе точно такие-же. Изменено 25 Ноября, 2012 в 15:24 пользователем pois Ссылка на комментарий Поделиться на другие сайты Поделиться
metrolog Опубликовано 25 Ноября, 2012 в 15:24 Жалоба Поделиться Опубликовано 25 Ноября, 2012 в 15:24 (изменено) Тиристор или симистор открывшись, не закроется до конца полупериода - пока ток через него не упадет ниже тока удержания. Точно. Это я погорячился :smile: Ребят, эта схема уже столько вопросов принесла, может новую разработать? На логике? Изменено 25 Ноября, 2012 в 15:26 пользователем metrolog Ссылка на комментарий Поделиться на другие сайты Поделиться
Рекомендуемые сообщения
Для публикации сообщений создайте учётную запись или авторизуйтесь
Вы должны быть пользователем, чтобы оставить комментарий
Создать учетную запись
Зарегистрируйте новую учётную запись в нашем сообществе. Это очень просто!
Регистрация нового пользователяВойти
Уже есть аккаунт? Войти в систему.
Войти