Гость yarik007 Опубликовано 31 Марта, 2012 в 15:57 Жалоба Поделиться Опубликовано 31 Марта, 2012 в 15:57 Вообщес собрал программатор PICkit2_lite . по той схеме и вот печатка к нему. Драва установились сразу , но когда зашел в программу выдает следующие The Pickit2 has no Operating system. use the Tools menu to download an os. Делал как по инструкции тоже самое и не как это ошибка не пропала. использовал транзисторы КТ3102А в железном корпусе, кт361 в, bs250, 1N5818 и кд 522. Зарание спс за помощь или совет. готовая_версия_pick2_2V_.rar Ссылка на комментарий Поделиться на другие сайты Поделиться
alfaed Опубликовано 2 Апреля, 2012 в 06:54 Жалоба Поделиться Опубликовано 2 Апреля, 2012 в 06:54 Проблема в неполной или неверно завершенной установке программы PICkit2. Не удается найти файлы прошивки ОС PICkit2. Поэтому просит установить. Попробуйте переустановить программу, лучше скачайте с сайта www.microchip.com/pickit2 , последняя версия 2.61 . Ссылка на комментарий Поделиться на другие сайты Поделиться
Гость yarik007 Опубликовано 6 Апреля, 2012 в 16:57 Жалоба Поделиться Опубликовано 6 Апреля, 2012 в 16:57 (изменено) Проблема в неполной или неверно завершенной установке программы PICkit2. Не удается найти файлы прошивки ОС PICkit2.Поэтому просит установить. Попробуйте переустановить программу, лучше скачайте с сайта www.microchip.com/pickit2 , последняя версия 2.61 . Не помогло скачивал как вы говорили , пробовал старые версии 2.10 . и все тоже самое. Изменено 6 Апреля, 2012 в 17:15 пользователем yarik007 Ссылка на комментарий Поделиться на другие сайты Поделиться
alfaed Опубликовано 7 Апреля, 2012 в 04:26 Жалоба Поделиться Опубликовано 7 Апреля, 2012 в 04:26 PIC как и чем программировали? Ссылка на комментарий Поделиться на другие сайты Поделиться
Гость yarik007 Опубликовано 8 Апреля, 2012 в 12:21 Жалоба Поделиться Опубликовано 8 Апреля, 2012 в 12:21 (изменено) PIC как и чем программировали? Прошивал PICkit 2 v2.61. Проблемму решил, проблемма была в то что припой попал между двумя двумя контактами перемычка, XT1 используется для активации в устройстве режима bootloader. Вот он мне и постоянно просил обновить операционку мк. Теперь осталось припаять панельку зип и попробовать его в действие. Спасибо за помощь alfaed. :smile: Изменено 8 Апреля, 2012 в 12:22 пользователем yarik007 Ссылка на комментарий Поделиться на другие сайты Поделиться
Гость yarik007 Опубликовано 21 Апреля, 2012 в 17:17 Жалоба Поделиться Опубликовано 21 Апреля, 2012 в 17:17 (изменено) Прошивал PICkit 2 v2.61. Проблемму решил, проблемма была в то что припой попал между двумя двумя контактами перемычка, XT1 используется для активации в устройстве режима bootloader. Вот он мне и постоянно просил обновить операционку мк. Теперь осталось припаять панельку зип и попробовать его в действие. Спасибо за помощь alfaed. :smile: Теперь новая проблемма появилась не хочеть распоздновать мк . Ошибка показана далее. Изменено 21 Апреля, 2012 в 17:22 пользователем yarik007 Ссылка на комментарий Поделиться на другие сайты Поделиться
alfaed Опубликовано 21 Апреля, 2012 в 18:03 Жалоба Поделиться Опубликовано 21 Апреля, 2012 в 18:03 Такое сообщение появляется в случае короткого замыкания или превышении максимального тока потребления. Потребление программируемой микросхемы или целевой платы не должно превышать 25 мА. Ищи короткое. Ссылка на комментарий Поделиться на другие сайты Поделиться
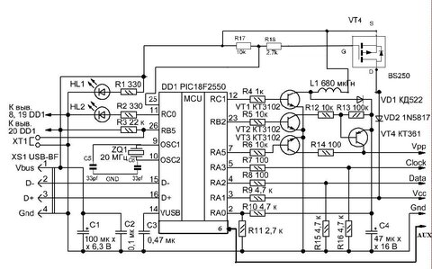
Гость commandor Опубликовано 21 Июля, 2012 в 07:11 Жалоба Поделиться Опубликовано 21 Июля, 2012 в 07:11 Здравствуйте Всем! Я начинаю собирать себе программатор PICkit2_lite. На схеме (L1) есть дроссель 680 мкГн. Можно его исключить и кидать перемычку? Не могу найти дросселя. Вот плата. PICkit2_lite_плата.rar Ссылка на комментарий Поделиться на другие сайты Поделиться
Гость hsl Опубликовано 21 Июля, 2012 в 15:30 Жалоба Поделиться Опубликовано 21 Июля, 2012 в 15:30 ...На схеме (L1) есть дроссель 680 мкГн. Можно его исключить и кидать перемычку?... Насколько я понимаю, там преобразователь для высоковольтного программирования, в таком случае без дросселя нельзя. Ссылка на комментарий Поделиться на другие сайты Поделиться
Рекомендуемые сообщения
Для публикации сообщений создайте учётную запись или авторизуйтесь
Вы должны быть пользователем, чтобы оставить комментарий
Создать учетную запись
Зарегистрируйте новую учётную запись в нашем сообществе. Это очень просто!
Регистрация нового пользователяВойти
Уже есть аккаунт? Войти в систему.
Войти