Гость jean Опубликовано 9 Марта, 2012 в 16:41 Жалоба Поделиться Опубликовано 9 Марта, 2012 в 16:41 (изменено) TDA1541A без цифрового фильтра Изменено 1 Июня, 2012 в 20:27 пользователем tank Ссылка на комментарий Поделиться на другие сайты Поделиться
kastet780 Опубликовано 10 Марта, 2012 в 08:43 Жалоба Поделиться Опубликовано 10 Марта, 2012 в 08:43 (изменено) Jean, выложите, пожалуйста, фотографии готового устройства, ну интересно что да как. И если можно, опишите свою систему. Не пробовали менять ЦАПы в СД плеерах? В частности интересует сервопроцессор CXD2587Q, или подобные. Уже месяц мне везут ЦАПы для опытов. Изменено 10 Марта, 2012 в 09:37 пользователем kastet780 Ссылка на комментарий Поделиться на другие сайты Поделиться
metrolog Опубликовано 10 Марта, 2012 в 10:46 Жалоба Поделиться Опубликовано 10 Марта, 2012 в 10:46 (изменено) Некоторые иллюстрации нуждаются в комментариях. Я имею ввиду молотки, строем идущие на запад, и фото справа от микросхем. Изменено 10 Марта, 2012 в 11:04 пользователем metrolog Ссылка на комментарий Поделиться на другие сайты Поделиться
Yamazaki Опубликовано 10 Марта, 2012 в 10:58 Жалоба Поделиться Опубликовано 10 Марта, 2012 в 10:58 (изменено) Молотки из клипа Pink Floyd "The wall" они ещё там поют we don't need no education... Изменено 10 Марта, 2012 в 10:58 пользователем yamazaki Ссылка на комментарий Поделиться на другие сайты Поделиться
Гость thekislota Опубликовано 10 Марта, 2012 в 11:18 Жалоба Поделиться Опубликовано 10 Марта, 2012 в 11:18 Жан (jean) у меня вопрос к Вам, а по чему схема эта будет иметь естественное звучание. 1-е. Это только по тому что в Вашей схеме правильное питание? 2-е. Или что в схеме нет цифрового фильтра? У меня есть DAC(ЦАП) на TDA1541A без цифрового фильтра, да он играет и поет не плохо, но если его сравнить даже с дешевой дельта/сигмой то разница сложится не в пользу TDA1541A. Да а вот в довесок к выше сказанному еще и скрин синусоиды частотой 20 кГц. Вот такая красота у нас получается, где здесь естественность я не пойму :smile: . Ссылка на комментарий Поделиться на другие сайты Поделиться
Гость thekislota Опубликовано 10 Марта, 2012 в 13:44 Жалоба Поделиться Опубликовано 10 Марта, 2012 в 13:44 Подобные результаты получаются при нагрузке DAC на резистор,здесь же применен ОУ. Жан (jean) я забыл добавить что TDA1541A у меня была воткнута по рекомендованной производителем схемой с ОУ на выходе. Но ради эксперимента я втыкал на выход TDA1541A трансформатор, картина та же только фронта чуток затянутые. Ссылка на комментарий Поделиться на другие сайты Поделиться
Гость thekislota Опубликовано 10 Марта, 2012 в 14:59 Жалоба Поделиться Опубликовано 10 Марта, 2012 в 14:59 (изменено) Если Вы не можете понять что является главным,а что второстепенным,это Ваши личные проблемы,между тем такие DAC показывают такое качество звучания,которое недостижимо,в случае их применения с цифровым фильтром. Жан (jean) а что в ЦАПе должно быть главным? По моему это как раз и точность(воспроизводимость) исходного оцифрованного материала(напряжения), а тут без цифрового фильтра мы в точности сигнал не получим особенно на верхних частотах, что и видно на моем фото в (Сообщение #6). Да теперь к второстепенности, тут Вы говорите что ЦАП(DAC) без цифрового фильтра хорошо поет, но давайте узнаем истинные технические характеристики устройства. 1. Замерим коэффициент гармоник(КГ). 2. Посмотрим на форму выходного сигнала. 3. Замерим АЧХ. А вот теперь про мои проблемы, я прежде чем прослушать конструкцию пройду все три пункта написанных выше, а уже потом могу давать какие либо заключения. Изменено 10 Марта, 2012 в 15:01 пользователем thekislota Ссылка на комментарий Поделиться на другие сайты Поделиться
Wal Опубликовано 10 Марта, 2012 в 15:15 Жалоба Поделиться Опубликовано 10 Марта, 2012 в 15:15 (изменено) Ещё вчера, когда увидел этот топик, хотелось спросить: а с какого перепугу у этой схемы должно быть "естественное звучание"??? Но очень хотелось спать.... Очередная схема из бабушкиного/дедушкиного сундука на снятых с производства микросхемах. 1. CS8412 снята с производства. Её современная замена CS8414, ещё лучше DIR9001, так как имеет на порядок меньший уровень джиттера. Его влияние на "естественность звучания", надеюсь, пояснять не надо. CS8412 имела достаточно высокий уровень джиттера, что породило массу конструкций с джиттеродавителями. 2. TDA1543 является бюджетной (читай: сильно упрощённой) версией TDA1541 и рекомендована для применения в портативных аппаратах, кои несколько далеки от "естественного звучания". 3. В ЦАПах для "естественного звучания"важную роль играет уровень шума и динамический диапазон. Потому, стало негласным правилом использовать в ЦАП интегральные стабилизаторы как минимум типа LM317 или TL431, которые имеют на порядок меньший уровень шумов и больший динамический диапазон, чем 78XX. Как бы правильно не был рассчитан и сконструирован питающий трансформатор (хоть 3, хоть 5 штук), всё сведут "на нет" дешёвые стабилизаторы. 4. не менее важную роль в цапостроении наряду с правильным блоком питания играет и разводка печатной платы! Об этом ни слова. Если загнаться одними только трансформаторами и сделать их наглухо правильными, но забыть про остальное, звука, пардон, "естественного звучания" по-любому не будет. Это всё равно, что в машине сделать качественный движок, а на подвеску и салон забить. Машина вроде едет, но водиле чё-то хреново как-то. Кто ездил на "Жигулях" - знает :smile: 5. Если бы Жан читал все номера журнала "Практика AV", а не только тот, в котором опубликовали его схему, то заметил бы там цикл статей Сергея Маркитанова, где данная схема предлагалась как вариант для начинающих. Так сказать, "на кошках потренироваться". Сам автор говорил, что это всего лишь бюджетный начальный уровень, а не устройство с "естественным звучанием". На портале есть цикл статей "Поделки начинающего цапостроителя". Этой схеме там самое место с заголовком "Разминка" :smile: Желающие повторить - осторожнее!!! Может постигнуть разочарование: некоторые аппараты на своем аналоговом выходе выдают сигнал более "естественного звучания" чем предложенная схема. От аппарата зависит... А вот если хотите облагородить звучание дешёвой звукухи или карманного mp3-плейера, тогда вперёд, на мины!!! :smile: P.S. Вроде бы эмоции попридержал, всё аргументированно написал. Надеюсь, что если будет ответ, то тоже аргументированный, а не как обычно: я Д'Артаньян, а вы все г@вно. Изменено 10 Марта, 2012 в 15:19 пользователем wal Ссылка на комментарий Поделиться на другие сайты Поделиться
gutman Опубликовано 10 Марта, 2012 в 15:18 Жалоба Поделиться Опубликовано 10 Марта, 2012 в 15:18 jean, приветствую. Недели как 3 назад, сам накрапал практически такую же схему как и у вас. Разница только в цепях питания: 2 трансформатора(цифра, аналог), 5 стабилизаторов питания, аналог на LM317/337, цифра на LM1117; спидиф приёмник - DIR9001. Звучит и правда вовлекательно. А пересел на это чудо с PCM2705, теперь же появилась звуковая картинка, рельефные НЧ, новые нюансы в доволи знакомых аудиозаписях. Кому интересно могу выложить наработки или бацнуть статью. Всего по моему варианту собрано уже 3 аппарата, трудятся на славу. Ссылка на комментарий Поделиться на другие сайты Поделиться
Wal Опубликовано 10 Марта, 2012 в 15:31 Жалоба Поделиться Опубликовано 10 Марта, 2012 в 15:31 jean, приветствую. Недели как 3 назад, сам накрапал практически такую же схему как и у вас. Разница только в цепях питания: 2 трансформатора(цифра, аналог), 5 стабилизаторов питания, аналог на LM317/337, цифра на LM1117; спидиф приёмник - DIR9001. Звучит и правда вовлекательно. А пересел на это чудо с PCM2705, теперь же появилась звуковая картинка, рельефные НЧ, новые нюансы в доволи знакомых аудиозаписях. Кому интересно могу выложить наработки или бацнуть статью. Всего по моему варианту собрано уже 3 аппарата, трудятся на славу. Вот достойный пример для подражания. Осталось ещё TDA1543 на TDA1541A с правильными конденсаторами в обвязке заменить и будет полное счастье. Кстати, совсем недавно на DIY-Audio прочитал, буржуины пишут, что DIR9001 плюс TDA1541A - предел мечтаний. А там у ребят микрухи всяки подоступнее, чем у нас... Так что, gutman, как говорится, верной дорогой идёте товарищи :smile: Добавлено после раздумий: очевидно раздражение вызвано тем,что никак не удается добиться хорошего звука,знаний не хватает. Спасибо за аргументированный ответ :smile: Ссылка на комментарий Поделиться на другие сайты Поделиться
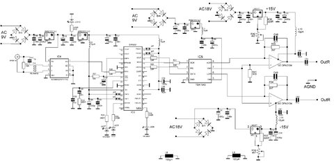
gutman Опубликовано 10 Марта, 2012 в 15:35 Жалоба Поделиться Опубликовано 10 Марта, 2012 в 15:35 Jean: это вы зря, Wal достаточно опытный товарищ. Как он и сказал это разминка для начинающих. Вот моя схема: Ссылка на комментарий Поделиться на другие сайты Поделиться
gutman Опубликовано 10 Марта, 2012 в 15:44 Жалоба Поделиться Опубликовано 10 Марта, 2012 в 15:44 Могу заверить, что с этими стабилизаторами НЧ просто потрясные. Ссылка на комментарий Поделиться на другие сайты Поделиться
Рекомендуемые сообщения
Для публикации сообщений создайте учётную запись или авторизуйтесь
Вы должны быть пользователем, чтобы оставить комментарий
Создать учетную запись
Зарегистрируйте новую учётную запись в нашем сообществе. Это очень просто!
Регистрация нового пользователяВойти
Уже есть аккаунт? Войти в систему.
Войти