Гость vasagluck Опубликовано 27 Февраля, 2012 в 14:27 Жалоба Поделиться Опубликовано 27 Февраля, 2012 в 14:27 (изменено) Здравствуйте! После около года перерыва в радиотехнике, я опять добрался до паяльника. Давно уже валялась в шкафу Вега 10у-120с не рабочая. Я решил оживить ее и доработать. Сделал почти все так, как в этой статье, приложенной к теме в файле. Подключил ко входу сигнала (непосредственно к R9 и R10) аудиокабель с миниджеком на конце. Подключил одну колонку. Включил-работает. Потом решил сделать так, чтобы передний выход для наушников работал как вход для сигнала. Обрезал штекер, припаял аудиокабель к разьему миниждек, другой его конец к R9 и R10 соответственно. Землю-к земле. Так же вывел провода для другой колонки. Подключил оба канала (ЛК, ПК) Воткнул в сеть иии.... гул из левой колонки, R80 нагрелся, R97 задымился, оба резистора почернели. Вытащил сеть. Из колонок шел даже не гул, а что то непонятное, потрескивающе-жужжащее-бубнящее-гудение. В общем не могу понять, что за дела. Однозначно какие то проблемы с питанием. Гуру, подскажите! Почему то гудела только левая колонка, горел индикатор перегрузки левого канала. При отключении колонки и последующем включении с подсоединенной только правой колонкой был слышен только гул трансформатора и виден дым из R97. Сам понять не могу. Все с питанием было нормально. Я трогал только аудио составляющую. И, традиционно прошу, помогите) Добавлено после раздумий: схема усила vega10u120s.zip Изменено 27 Февраля, 2012 в 14:25 пользователем vasagluck Ссылка на комментарий Поделиться на другие сайты Поделиться
Гость spb-nik Опубликовано 27 Февраля, 2012 в 15:16 Жалоба Поделиться Опубликовано 27 Февраля, 2012 в 15:16 R97 горит, если перегорает предохранитель, а R80 может гореть, если полетит транзистор. Проверь Т28, ну и вообще транзисторы этого канала. Ссылка на комментарий Поделиться на другие сайты Поделиться
picap Опубликовано 27 Февраля, 2012 в 15:23 Жалоба Поделиться Опубликовано 27 Февраля, 2012 в 15:23 Горящий резистор R97 пытается напоследок сказать тебе, что предохранитель уже сдох ! А предохранитель завещал долго жить видимо из-за пробитых переходов К-Э выходных транзисторов. От этого и гул транса. Тяжко ему! :smile: Проверяй выходники. Выпаивай и начинай с питания ! Эт не маленькая проблема........ :smile: Ссылка на комментарий Поделиться на другие сайты Поделиться
Chugunov Опубликовано 27 Февраля, 2012 в 15:43 Жалоба Поделиться Опубликовано 27 Февраля, 2012 в 15:43 Потом решил сделать так, чтобы передний выход для наушников работал как вход для сигнала.R80 нагрелся, R97 задымился, оба резистора почернели Кто надоумил сделать такое обрезание??? Усилителю пришел :smile: Предохранитель сгорел, да и выходные транзисторы похоже тоже (как уже написали). Наверняка после подключения джека, а по-русски РАЗЪЁМа выход усилителя от гнездовой части РАЗЪЕМА отключен не был. В результате вход-на-выход и хороший был усилитель. Что надо сделать. - Проверить все транзисторы оконечных усилителей. - Заменить перегоревшие. - Заменить предохранитель и перегоревшие резисторы. - РАЗЪЁМ на передней панели предназначен для выхода, для наушников, так его в дальнейшем и использовать. - На ЗАДНЕЙ панели установить гнёзда для входного сигнала или использовать переходники с имеющихся гнёзд СГ-5 на требуемые штеккеры. - После устранения неисправностей НЕ ПОДКЛЮЧАТЬ акустические системы пока не убедитесь, что режимы по постоянному току блока питания и всех транзисторов оконечного усилителя мощности примерно соответствуют указанным на схеме ±20%. - Убедиться, что ничего не дымит и не трещит. - Особо убедиться в отсутствии постоянного напряжения на выходе усилителя. - Подключить акустические системы (лучше через мощные резисторы несколько ом-несколько десятков ом), снова понюхать и пощупать, затем подать на вход СЛАБЫЙ сигнал, чтобы было негромко слышно. - Если все чисто, выключить из сети и подключить акустику нормально. - Рекомендации по переделке усилителя я бы советовал выполнять пошагово, каждый раз проверяя результаты. Это покажет какой шаг чего стоит, позволит при необходимости вернуть все в зад. *** Просто так из говна конфету не сделать (можно сделать кашу из топора, если добавить побольше каши). Усилитель по указанным переделкам будет работать несколько лучше, но ЧУДЕС ждать не надо! Если вдруг усилитель восстановить не удастся, это неплохой конструктор для другого не слишком мощного усилителя, я из него сделал WHH. Теперь главное не торопиться. Если есть возможность, выписать к себе на рюмку чая более опытного соседа-радиолюбителя. Детали для ремонта недефицитны и недороги. Да поможет вам Тестер! Ссылка на комментарий Поделиться на другие сайты Поделиться
Гость vasagluck Опубликовано 27 Февраля, 2012 в 17:16 Жалоба Поделиться Опубликовано 27 Февраля, 2012 в 17:16 Наверняка после подключения джека, а по-русски РАЗЪЁМа выход усилителя от гнездовой части РАЗЪЕМА отключен не был. от переднего разъема было все отключено. разъём 4 (XP9). Можно либо поменять все провода, где на него идёт сигнал на аудио, а можно сделать прощё - вынув разъём и спаять ногу 1-ую с 2-й и 4-ую с 6-й.--из статьивыход для наушников был отключен. на ноги мамы миниджека припаян акустический кабель и подсоединен, как было раньше сказано, к R9 и R10. самое печальное: вот, казалось все сделал, работает. поменял разъем-и амба :smile: Добавлено после раздумий: и еще вопрос: возможно ли проверить транзистор без специального мультиметра обычной прозвонкой? сгорел, собака, китайский прибор. где был разъем для проверки транзисторов. есть только обычный. безо всяких дополнительных функций Ссылка на комментарий Поделиться на другие сайты Поделиться
yrk Опубликовано 27 Февраля, 2012 в 17:29 Жалоба Поделиться Опубликовано 27 Февраля, 2012 в 17:29 возможно ли проверить транзистор без специального мультиметра обычной прозвонкой? Ну конечно. В одну сторону звонятся, в другую нет. (в зависимости от проводимости). Ссылка на комментарий Поделиться на другие сайты Поделиться
Гость romik Опубликовано 27 Февраля, 2012 в 18:52 Жалоба Поделиться Опубликовано 27 Февраля, 2012 в 18:52 Сделал почти все так, как в этой статье, Да уж, статья так себе. Большинство манипуляций - что мёртвому припарки. Одна из самых серьёзных недоработок вообще не устранена: конденсаторы фильтра БП работают плохо, потому как подключены криво, а общий провод от них вообще "где-то с боку". Добавлено после раздумий: Если правильно развести БП, то и с кондёрами по 6000 μF ни фона, ни шума (регуляторы отревизировать с вазелином) как не бывало, с басом всё в порядке. Я правда ещё обходил фонокорректор напрямую, так два входа остаются, вполне нормальных усил получается. Ссылка на комментарий Поделиться на другие сайты Поделиться
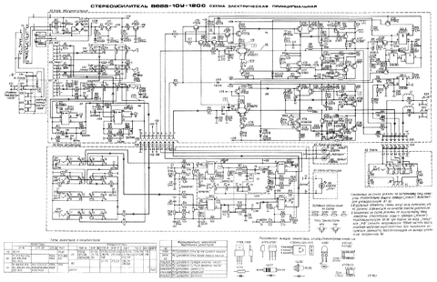
Chugunov Опубликовано 27 Февраля, 2012 в 18:53 Жалоба Поделиться Опубликовано 27 Февраля, 2012 в 18:53 ...от переднего разъема было все отключено....возможно ли проверить транзистор без специального мультиметра обычной прозвонкой? ...сгорел, собака, китайский прибор. где был разъем для проверки транзисторов ...есть только обычный. безо всяких дополнительных функций ЕСЛИ БЫ это было так, никаких эксцессов не было бы. НАВЕРНЯКА произошло соединение выхода со входом или замыкание ВЫХОДА усилителя на общий провод, что и привело к перегоранию усилителя. Даже, если бы в РАЗЪЁМЕ (джек - это имя такое и не мама-папа а штеккер-гнездо, давайте всё-таки говорить по-русски, а не на суржике) было бы замыкание, это могло вызвать только пропадание сигнала, но не перегорание усилителя. Кстати, по схеме в усилителе есть по крайней мере две пары R9R10, поэтому лучше было бы уточнить, какие именно R9R10, в каком блоке. Китайский собако-прибор очень трудно сжечь. Можно сжечь предохранитель внутри, но это не проблема. И если имеется в виду что-то типа М832 (а мы должны гадать), то исправность транзисторов, особенно мощных не проверяется встроенным измерителем коэффициента передачи транзисторов, тем более, что для этого надо обязательно полностью выпаивать и извлекать транзистор, да и выводы КТ819 в измерительную панельку не влезут. Проверяют исправность переходов с помощью омметра на пределе, например, 2000 Ом (часто на тестере рисуют диод). КАК именно это делать, многократно описано в литературе. Справедливости ради, надо признать, что не всегда можно определить неисправный транзистор прямо в плате, сомнительные детали придется выпаять и проверить дополнительно. А что такое "обычная прозвонка"??? Кто-то под этим понимает лампочку, кто-то звонок (отсюда и название), кто-то... Переходы можно проверить омметром, практически любым, в том числе и стрелочным. И важное замечание: у неисправных переходов сопротивление может несколько отличаться от нормального, без замыканий и обрывов. Заметить это может только омметр, а не "обычная прозвонка". В любом случае авометр (тестер) абсолютно необходим т. к. надо проверить все режимы по постоянному току, проверить резисторы (потемневшие могут быть исправными). Кроме того надо проверить блок питания, диоды в нём - они тоже могут перегореть, поэтому без авометра ремонт вряд ли получится. P. S. Подавать сигнал с выхода какой-то аппаратуры на R9R10 блока регуляторов А3 напрямую, без разделительного конденсатора (доли-единицы мкФ), не убедившись в отсутствии постоянной составляющей, всё-таки рискованно, оконечному усилителю это не грозит, а предварительный можно сжечь. Ссылка на комментарий Поделиться на другие сайты Поделиться
Гость vasagluck Опубликовано 27 Февраля, 2012 в 20:08 Жалоба Поделиться Опубликовано 27 Февраля, 2012 в 20:08 (изменено) или замыкание ВЫХОДА усилителя на общий провод, что и привело к перегоранию усилителя. а вот это больше похоже на правду. выход со входом не замыкался сигнал подается на резисторы р9 и р10, расположенные в основной плате, рядом со стандартными входами. Добавлено после раздумий: Китайский собако-прибор очень трудно сжечь. но возможно. я не понял почему он крякнул, но помню тот момент, что, когда я подносил щупы ко строчечному трансформатору от телевизора, он начинал даже выключенный работать и сходить с ума. суть не в этом. завтра буду ковыряться. у меня прибор есть. очень похож на этот _https://www.rlocman.ru/op/tovar.html?di=53275&/M266 будем пробовать. Изменено 28 Февраля, 2012 в 09:30 пользователем vasagluck Ссылка на комментарий Поделиться на другие сайты Поделиться
Гость vasagluck Опубликовано 28 Февраля, 2012 в 10:00 Жалоба Поделиться Опубликовано 28 Февраля, 2012 в 10:00 прозвонил по этой статье _https://www.remexpert.com/ipb/topic531.html VT30: Между Б и Э тестер показывает 69,6, независимо от того, какой щуп поднесен к базе, а какой к эмиттеру. VT29: Между Б и Э тестер показывает 70,5, независимо от того, какой щуп поднесен к базе, а какой к эмиттеру. VT28: Между Б и Э тестер показывает 71,7, независимо от того, какой щуп поднесен к базе, а какой к эмиттеру. VT27: Между Б и Э тестер показывает 70,2, независимо от того, какой щуп поднесен к базе, а какой к эмиттеру. При всех других возможных комбинациях подсоединения щупов тестера ко всем вышеперечисленным транзисторам, прибор ничего не показывает. а вот VD4 и VD2 похоже, что мертвые. Добавлено после раздумий: есть вот такой диодный мост _https://www.remcomplekt.ru/cat_info.php?idi=7610&idn=5&cp=0&abk=7610 можно ли заменить? Ссылка на комментарий Поделиться на другие сайты Поделиться
Гость tanuki Опубликовано 28 Февраля, 2012 в 13:55 Жалоба Поделиться Опубликовано 28 Февраля, 2012 в 13:55 :smile: Почему транзисторы не выпаял из схемы? Измерял сопротивление резисторов R73. R75. R74. R76. Транзисторы нужно выпаять и измерять сопротивление не только Б-Э, но и Б-К и К-Э. А с китайской собако-прибором очень порадовал! Респект! Ссылка на комментарий Поделиться на другие сайты Поделиться
Гость vasagluck Опубликовано 28 Февраля, 2012 в 14:10 Жалоба Поделиться Опубликовано 28 Февраля, 2012 в 14:10 на внешний вид транзисторы вроде целые. ну-с, выпаяю, прозвоню) Ссылка на комментарий Поделиться на другие сайты Поделиться
Рекомендуемые сообщения
Для публикации сообщений создайте учётную запись или авторизуйтесь
Вы должны быть пользователем, чтобы оставить комментарий
Создать учетную запись
Зарегистрируйте новую учётную запись в нашем сообществе. Это очень просто!
Регистрация нового пользователяВойти
Уже есть аккаунт? Войти в систему.
Войти