Перейти к содержанию

Клонируем схему Лина


Гость kickstarter

Рекомендуемые сообщения

Господа! Пожертвую своим временем и средствами ради эксперимента!

Делаем клон оконечного каскада (начиная с T4) Leak Stereo 30!

Кто желает может присоединяться к эксперименту!

 

post-1507-1330282424_thumb.png

 

В генетическом коде запрограммированы следующие ошибки:

- Выходные - П4БЭ

- Предвыходные - ГТ402-404

- Усилитель напряжения на 1Т308

 

 

Ранее транзисторы я подбирал пользуясь тестером MY-68 (Каюсь, казнюсь и каюсь), как я понимаю, для маломощных транзисторов это еще куда ни шло, а вот для мощных....

Объясните профану в радиоэлектронике, как следует грамотно подбирать транзисторы. Приборы, надеюсь, смогу найти.

 

 

Просьба в данной ветке не троллить и не флудить.

Огромная просьба модератора пресекать бессмысленный тролль и флуд.

Кто хочет высказаться не по теме, пусть создаст ветку в говорилке и кинет сюда ссылку, мы почитаем.

Изменено пользователем kickstarter
Ссылка на комментарий
Поделиться на другие сайты

  • Ответов 31
  • Создана
  • Последний ответ

Топ авторов темы

Топ авторов темы

Изображения в теме

Только не бейте. Клонировать его не получится и/или нет смысла вот почему -

1. В отличие от схемы Лина он трехкаскадный, с двумя петлями ОООС, правильно настроить их при других типах транзисторов и т.д. будет затруднительно, если нет опыта.

2. Другие транзисторы. АД140 как-бы похож на П4, но не совсем. У него вроде Фгр. 300 кГц, но неизвестно - при включ. с ОБ (как у наших), или с ОК. В любом случае, она выше, чем у П4.

Обратите внимание на маленькие транзисторы - они все разных типов, и это неспроста.

3. Короче, много можно написать, но я уж сразу вердикт - не нужно клонировать. Уже есть похожая схема, описанная Жаном и повторенная многими. Лик все равно не получится, да и при жизни этот Лик не был чем-то особенным по звуку, глубокая ООС, два каскада усил. напряжения, невозможность простого перевода на наши тр-ры, что поведет за собой изменение режимов и коррекции... В общем, это будет другой усилитель, к Лику отношения не имеющий. Сама же схема гораздо сложнее и хуже звучащая, чем схема Лина. Кстати, в данном случае на вход нужен транзистор с Фгр. меньшей, чем у второго каскада (например, МП42).

Изменено пользователем etlik
Ссылка на комментарий
Поделиться на другие сайты

Только не бейте. Клонировать его не получится и/или нет смысла вот почему -

1. ...если нет опыта.

2. ...В любом случае, она выше, чем у П4.

3. ...транзистор с Фгр. меньшей, чем у второго каскада (например, МП42).

 

1. Настроить - научимся, главное, чтобы помогли, подсказали.

2. Предельная частота усиления по току П4Б - 150 кГц, думаю хватит. _https://www.155la3.ru/datafiles/p4.pdf

3. МП42, надеюсь, найду для подбора горсточку.

 

Вообще, надеюсь на помощь разбирающихся в этом людей, никто не запрещает внести небольшие изменения в схему, предложить свою схему, если на пользу дела.

Я собирал усилитель по классической схеме, с пятью транзисторами, но там большая проблема с низким входным сопротивлением, тут этого нет, вот и родилась задумка.

 

Можем клонировать и схему Лина, то есть отталкиваясь от нее, финальная версия, после настройки, думаю, все равно будет похожа на Лик.

 

Добавлено после раздумий:

Да, начнем с Лина.

У кого с рисовалками электронными хорошо, нарисуйте красиво схему Лина, если не затруднит?

Резисторы пока будут проволочные переменники СП5, для возможности подстройки режимов.

Изменено пользователем kickstarter
Ссылка на комментарий
Поделиться на другие сайты

Настроить такое никто не подскажет, так как никто не сталкивался :smile:

Частоты не хватит. Ради увеличения входного сопротивления не стоит браться за эту схему (для этого есть другие способы) и мучаться с ней, потом будете разочарованы. Лучше взять другую схему.

Схема Лина на первый взгляд похожа на Лик, но это не одно и то же. Интерес представляет усовершенствование схемы Лина (Цихисели :smile: ) в плане подбора типов транзисторов и установки их в более правильные режимы (особенно входного) и пересмотр цепи термостабилизации, т.е., перерасчет. Все. Далее только схемы с трансформаторами (однотактные в том числе). Смысл всего этого - простота, минимизация глубины ОС при работе в кл. В, устранение коррекции, уход от топологии ОУ. Проблема отсечки коллекторного тока (переключ. искажения) встала тогда, когда начали применять кремний - и это потребовало совсем других схем.

Но и в случае с германием - в 60-е широко обсуждалась проблема "100 милливатт" - ухудшение звучания на малых уровнях громкости. Сейчас это называется "проблема 1-го ватта". Видите - с кремнием проблема на целом ватте, это не такая уж маленькая мощность... Если у Вас небольшая комната, не совсем уж тупые колонки и Вам не нужно устраивать дискотеки, лучше не использовать простые германиевые усилители на максимуме (при питании под и за 40 вольт). Эту мощность Вы все равно не используете, а вых. транзисторы работают в неоптимальном режиме. Вот при питании 12-24 вольта и при вых. мощности 2-6 ватт будет лучше для звука, но проблема 100 милливатт останется.

Такие мощности можно запросто получить от однотактной топологии и не нужно связываться с ненастраиваемыми монстрами.

 

_https://forum.datagor.ru/index.php?s=&showtopic=7693&view=findpost&p=96161

Изменено пользователем etlik
Ссылка на комментарий
Поделиться на другие сайты

Такие мощности можно запросто получить от однотактной топологии и не нужно связываться с ненастраиваемыми монстрами.

 

Акустики много всякой, от телевизорных советских и S-30, до SONIDO в рупорах AION.

C рупорами сейчас играет усилитель на 2SK1058, однотакт, пред Bride of Zen.

Я же говорю - это эксперимент. Буду делать, настраивать, с разной акустикой слушать.

 

Добавлено после раздумий:

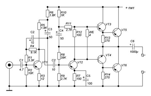
Нарисовал схемку, ошибок не вижу, может кто другой увидит?

post-1507-1330294918_thumb.jpg

 

 

 

 

Обратную связь не нарисовал

Изменено пользователем kickstarter
Ссылка на комментарий
Поделиться на другие сайты

А что там делает каскад на VT1?

"Кашерность" схемы нарушает, видимо.

Он-же для лучшего согласования по сопротивлению с источником?

Или я не понимаю чего?

Ссылка на комментарий
Поделиться на другие сайты

Нарушает. Повысить входное сопротивление можно применив входной транзистор с h21э под сотню (если он германиевый, то выбирать транзистор при токе 3-5 ма, и при этом же токе он должен стоять в схеме) и увеличить номиналы базового делителя раза в 3-7. Можно из двух не отобранных ( с бета 30-50) сделать составной транзистор. Либо заменить VT2 на полевой, типа кп103 или 2sj74. Либо заменить все это чудо на VT1 на истоковый повторитель.

Ссылка на комментарий
Поделиться на другие сайты

Да, с буквой В (вроде), он же П416В. Номиналы электролитов увеличить... А как термостабилизацию делать будете? Вообще-то, схема Жана на П217 уже готовая, зачем изобретать? Только заменить входной ГТ402 на менее мощный, заменить П217 на П214А или П605, снизить питание до 24-27 вольт... Кстати, у П4 есть такой типа "параметр" - минимальный ток коллектора 75 мА, поэтому ток покоя должен быть не меньше, 75-100, как и есть в большинстве схем на них. П4 не годится.

--------------------------------------------------------------------------

В общем, нужно срочно взять и почитать журнал Радио №7 за 1968 год, стр. 33-35 и все, не нужно выдумывать лисапеды.

(Лично меня привлекает схема №5 - клон усилителя Вильямсона :smile: )

post-7862-1330297634_thumb.jpg

Изменено пользователем etlik
Ссылка на комментарий
Поделиться на другие сайты

Для публикации сообщений создайте учётную запись или авторизуйтесь

Вы должны быть пользователем, чтобы оставить комментарий

Создать учетную запись

Зарегистрируйте новую учётную запись в нашем сообществе. Это очень просто!

Регистрация нового пользователя

Войти

Уже есть аккаунт? Войти в систему.

Войти
  • Последние посетители   0 пользователей онлайн

    • Ни одного зарегистрированного пользователя не просматривает данную страницу

×
×
  • Создать...