Гость igor1969 Опубликовано 6 Января, 2012 в 15:13 Жалоба Поделиться Опубликовано 6 Января, 2012 в 15:13 Нашел в закромах готовую плату защиты АС. УРА!!!! VellemanK4700_CLONE2.rar Не хочу ставить дополнительный трансик для питания защиты. Есть на трансе двухполярное по переменке 15 вольт. Подскажите, как получить двухполярное 6 вольт постоянки. Ссылка на комментарий Поделиться на другие сайты Поделиться
FOLKSDOICH Опубликовано 7 Января, 2012 в 09:28 Жалоба Поделиться Опубликовано 7 Января, 2012 в 09:28 Можно. Ссылка на комментарий Поделиться на другие сайты Поделиться
Гость igor1969 Опубликовано 8 Января, 2012 в 08:41 Жалоба Поделиться Опубликовано 8 Января, 2012 в 08:41 А можно на ЛМках? По плюсу и по минусу? Какие? Я так понял есть 7806, но это по плюсу, а по минусу какая? Ссылка на комментарий Поделиться на другие сайты Поделиться
Datagor Опубликовано 8 Января, 2012 в 10:31 Жалоба Поделиться Опубликовано 8 Января, 2012 в 10:31 Серия 78хх - положительные стабы, серия 79хх - отрицательные. Таким образом парой для вашей 7806 является 7906. Но вам они врядли помогут - слишком много нужно "погасить". Ссылка на комментарий Поделиться на другие сайты Поделиться
Гость torip3ng Опубликовано 8 Января, 2012 в 10:58 Жалоба Поделиться Опубликовано 8 Января, 2012 в 10:58 l7806 и l7906 допускают входное напряжение до 35В, но надо будет посадить их на оооочень хороший радиатор, нельзя допускать перегрев выше 150 градусов. У меня 7805 работала на 120 градусах стабильно и довольно долго, но это печка на все устройство. Для расчета выделяемой мощности на ЛМке можно пользоваться простой формулой: (Uвх-Uвых)*Iпотр=Pрас Ссылка на комментарий Поделиться на другие сайты Поделиться
FOLKSDOICH Опубликовано 8 Января, 2012 в 12:40 Жалоба Поделиться Опубликовано 8 Января, 2012 в 12:40 Я бы поставил 7812 после выпрямителя с кондёром и делитель(1-я схема), он хорошо держит перекос по току в плечах. Ссылка на комментарий Поделиться на другие сайты Поделиться
Datagor Опубликовано 8 Января, 2012 в 13:13 Жалоба Поделиться Опубликовано 8 Января, 2012 в 13:13 igor1969, пролопушил я, что у вас всего ±15Вольт! Думал гасим ±40 с основного питания Квода. Конечно смело ставьте два стаба и всё будет ОК. Ссылка на комментарий Поделиться на другие сайты Поделиться
FOLKSDOICH Опубликовано 8 Января, 2012 в 14:36 Жалоба Поделиться Опубликовано 8 Января, 2012 в 14:36 Вроде говорилось о всего ~15 вольт? Ссылка на комментарий Поделиться на другие сайты Поделиться
Гость mosfet Опубликовано 8 Января, 2012 в 14:48 Жалоба Поделиться Опубликовано 8 Января, 2012 в 14:48 2*15В переменки и ±22В постоянки в итоге. 78/79серия 35В держит по паспорту. 7806/7906 можно ставить с проверкой по рассеиваемой мощности. Ссылка на комментарий Поделиться на другие сайты Поделиться
Гость igor1969 Опубликовано 8 Января, 2012 в 15:32 Жалоба Поделиться Опубликовано 8 Января, 2012 в 15:32 Всем спасибо за советы, буду использовать 7806/7906. Защита работает отлично, задержка подключения АС секунд 20, нет хлопка и т.п. Проверку срабатывания по постоянке делал просто, подключал во время работы усилка к выходам на АС таблетку на 1,5 вольта, сразу идет отключение АС и зажигается красный светодиод. Ссылка на комментарий Поделиться на другие сайты Поделиться
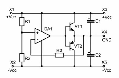
Гость mirch Опубликовано 8 Января, 2012 в 15:46 Жалоба Поделиться Опубликовано 8 Января, 2012 в 15:46 (изменено) На - LM358N можно сделать, работает, и печатка есть. Транзисторы, кт814г и кт815г Из одного плеча 15v выпрямляем 21v, делим пополам ± 10,5, и енками до 6 вольт опускаем, печка поменьше будет, потребление вроде небольшое, перекоса быть недолжно. печать.rar Номиналы R1 - 2kOm / 0.5 Wt, R2 - 2kOm / 0.5 Wt, R3 - 1kOm / 0.5 Wt, DA1 - LM358N, LM258N, VT1 - KT815 (BD139), VT2 - KT814 (BD140), C1 - 10 mF / 25 V, C2 - 10 mF / 25 V, Параметры устройства (выходное напряжение и максимальный выходной ток) можно корректировать самостоятельно, подбором элементов DA1, VT1 и VT2, поскольку максимальное выходное напряжение зависит от допустимого напряжения питания операционного усилителя DA1, а максимальный выходной ток - от допустимого коллекторного тока транзисторов VT1, VT2. Конденссаторы С1 и С2 предназначены для сглаживания пульсаций, возникающих при переключении транзисторов. Для надёжной работы устройства транзисторы установить на радиатор размером 50-50-10 мм, используя изолирующие шайбы и прокладки. Входное напряжение (однополярное), В - 3 - 36 Выходное напряжение (двуполярное), В - +/-(1.5-18) Максимальный выходной ток (А) - 1.5 Ток потребления не более (мА) - 15 Изменено 25 Апреля, 2016 в 07:58 пользователем mirch Ссылка на комментарий Поделиться на другие сайты Поделиться
Гость igor1969 Опубликовано 8 Января, 2012 в 17:48 Жалоба Поделиться Опубликовано 8 Января, 2012 в 17:48 Кто будет собирать, есть ньюанчик один. При включении устройства зеленый светодиод горит полностью, после временной задержки и включении реле (подключении АС к усилителю) этот светодиод остается гореть в полнакала. Ссылка на комментарий Поделиться на другие сайты Поделиться
Рекомендуемые сообщения
Для публикации сообщений создайте учётную запись или авторизуйтесь
Вы должны быть пользователем, чтобы оставить комментарий
Создать учетную запись
Зарегистрируйте новую учётную запись в нашем сообществе. Это очень просто!
Регистрация нового пользователяВойти
Уже есть аккаунт? Войти в систему.
Войти