Гость mastersound Опубликовано 8 Декабря, 2011 в 16:26 Жалоба Поделиться Опубликовано 8 Декабря, 2011 в 16:26 утечка 25 мкА, это уже многовато, я такие приборы не использую. Они рано или поздно откажут ,причина - с нагревом эти 90 вольт просядут и ток утечки возрастёт, а далее всё происходит лавинообразно. :smile: Правильный подход в подборе транзисторов по этому параметру хорошо описан в журнале Радиоаматор , товарищем А.Г. Зызюк из г. Луцк (Украина). там и схемка прибора есть, в своё время повторил и остался очень доволен. Постоянно пользуюсь им. :smile: PS. Вот этот журнал, описание и схема на стр 6-7 ra2001_06.rar Ссылка на комментарий Поделиться на другие сайты Поделиться
Гость alexjc Опубликовано 9 Декабря, 2011 в 10:16 Жалоба Поделиться Опубликовано 9 Декабря, 2011 в 10:16 (изменено) перемерил: 50В - 5мкА 74В - 15мкА 87В - 23мкА 98В - 44мкА 102В - 100мкА По идее до 90В можно использовать? В схеме реально наряжение до 10В, но 90В может появиться лишь в случае аварии. Изменено 9 Декабря, 2011 в 10:18 пользователем alexjc Ссылка на комментарий Поделиться на другие сайты Поделиться
Гость mastersound Опубликовано 9 Декабря, 2011 в 16:06 Жалоба Поделиться Опубликовано 9 Декабря, 2011 в 16:06 Алексей советую всёже внимательно прочитать статью из журнала , что я привёл в предыдущем сообщении. из приведённых тобой замеров я бы использовал приборы с утечкой не выше 5-10мкА, при напряжении 55-60 Вольт но не более :smile: и это не пустые слова, (если идёт речь о надёжности) а провереное практикой и временем. Есно я использовал приборы и с утечкой до 20мкА, но как правило все они рано или поздно приходилось менять особенно там где выделяется тепло , и температура кристала выше 50 градусов. Ведь с нагревом пробивное напряжение К-Э, падает это легко проверить подогревая тестируемый транзистор :smile: PS. тестировал 5 лет назад небольшую партию (50шт) КТ819ГМ , половина приборов соответствовала справочным данным Uк-э max 100-110 Вольт.Остальные имели сильный разброс от 60 до 150 Вольт, не смотря на то что из одной партии и даже упаковки... Так же было около 5 транзисторов имеющих Uк-э max 470-490Вольт, при токе утечки около 5 мкА. Ссылка на комментарий Поделиться на другие сайты Поделиться
Гость alexjc Опубликовано 9 Декабря, 2011 в 17:44 Жалоба Поделиться Опубликовано 9 Декабря, 2011 в 17:44 ясно, спасибо. Просто я имел ввиду что если на этом транзисторе появится 90В, то не произойдёт его полного пробоя. Конечно использовать его на таком напряжении не нужно, но в случае аварии, т. е. пробоя транзистора в другом плече стабилизатора, этот не сдохнет. Можно будет выключить питание, устранить неисправность и он дальше будет работать, или я ошибаюсь? Ссылка на комментарий Поделиться на другие сайты Поделиться
Гость mastersound Опубликовано 9 Декабря, 2011 в 19:01 Жалоба Поделиться Опубликовано 9 Декабря, 2011 в 19:01 если на этом транзисторе появится 90В, то не произойдёт его полного пробоя? если выводы база и эмиттер закорочены между собой а транзистор холодный(20С`) то ничего с ним не произойдёт! Алексей видимо ты не читал статью... там же всё прекрасно описано и разжёвано :smile: Ссылка на комментарий Поделиться на другие сайты Поделиться
Гость alexjc Опубликовано 10 Декабря, 2011 в 08:21 Жалоба Поделиться Опубликовано 10 Декабря, 2011 в 08:21 читал, но хотел уточнить Ссылка на комментарий Поделиться на другие сайты Поделиться
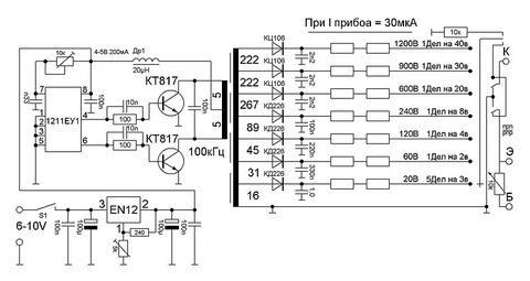
alex n Опубликовано 19 Марта, 2015 в 17:19 Жалоба Поделиться Опубликовано 19 Марта, 2015 в 17:19 Вот ещё схема для проверки деталей на пробой и утечку. -https://forum.cxem.net/index.php?showtopic=13268&st=1760#entry2100229 Ссылка на комментарий Поделиться на другие сайты Поделиться
Рекомендуемые сообщения
Для публикации сообщений создайте учётную запись или авторизуйтесь
Вы должны быть пользователем, чтобы оставить комментарий
Создать учетную запись
Зарегистрируйте новую учётную запись в нашем сообществе. Это очень просто!
Регистрация нового пользователяВойти
Уже есть аккаунт? Войти в систему.
Войти