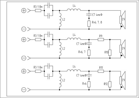
seregaKP Опубликовано 22 Ноября, 2011 в 10:20 Автор Жалоба Поделиться Опубликовано 22 Ноября, 2011 в 10:20 (изменено) т.е Сч так? Изменено 22 Ноября, 2011 в 10:21 пользователем seregakp Ссылка на комментарий Поделиться на другие сайты Поделиться
meshin Опубликовано 22 Ноября, 2011 в 13:02 Жалоба Поделиться Опубликовано 22 Ноября, 2011 в 13:02 (изменено) В яблочко! Только R3 на входе фильтра во втором и в третьем случае шунтируется контактами переключателя. Т.е. исключатся из схемы. С ВЧ тоже всё нормально. Вообще вся эта кутерьма для общего понятия ил для чего? Изменено 22 Ноября, 2011 в 13:05 пользователем meshin Ссылка на комментарий Поделиться на другие сайты Поделиться
xsander Опубликовано 22 Ноября, 2011 в 13:19 Жалоба Поделиться Опубликовано 22 Ноября, 2011 в 13:19 да Ссылка на комментарий Поделиться на другие сайты Поделиться
seregaKP Опубликовано 22 Ноября, 2011 в 14:50 Автор Жалоба Поделиться Опубликовано 22 Ноября, 2011 в 14:50 ну наконец то, СПАСИБО! сам бы не разобрался! а все это и для понятия вообще, так как башку мучал свою как там что работает при переключении и в принципе главное для того что я их хочу исключить из схемы и оставить скорее всего на среднем положении. так как после замены межблочных проводов и замены проводов идущих к акустике всего стало за глаза при среднем положении! а возможно будет еще лучше при так скажем "прямом сигнале" или может среднее положение и есть "прямой" ничем не задавленый сигнал? Ссылка на комментарий Поделиться на другие сайты Поделиться
meshin Опубликовано 22 Ноября, 2011 в 17:07 Жалоба Поделиться Опубликовано 22 Ноября, 2011 в 17:07 (изменено) Полноценный сигнал идёт на головку СЧ при подключенном R3 к фильтру, полностью введённом Цобеле (все R подключены последовательно к С7) и отключенных делителях (СЧ подключена напрямую к фильтру). Параллельно ей подключен Цобель. ВЧ к фильтру без делителей. В остатке пол мешка сопротивлений. Все сопротивления Цобеля можно заменить одним на сопротивление 8,2 ома. Т.е. первое положение по рисункам СЧ и ВЧ фильтров. Изменено 22 Ноября, 2011 в 17:09 пользователем meshin Ссылка на комментарий Поделиться на другие сайты Поделиться
seregaKP Опубликовано 23 Ноября, 2011 в 04:44 Автор Жалоба Поделиться Опубликовано 23 Ноября, 2011 в 04:44 понятно! :smile: спасибо! я думал среднее наиболее прямой сигнал, а уж два крайних положения это "-" и "+" от среднего соответственно. но это я так думал, оказывается не так все! :smile: Ссылка на комментарий Поделиться на другие сайты Поделиться
YPL Опубликовано 23 Ноября, 2011 в 04:52 Жалоба Поделиться Опубликовано 23 Ноября, 2011 в 04:52 Под такие здоровые корпуса лучше купить импортные динамики, например Visaton и не мучаться с 5гдш. Например, W250, SC13/8, SC10 Ссылка на комментарий Поделиться на другие сайты Поделиться
seregaKP Опубликовано 23 Ноября, 2011 в 05:01 Автор Жалоба Поделиться Опубликовано 23 Ноября, 2011 в 05:01 а причем тут большой корпус и 5ГДШ? ведь он будет стоять в своем-маленьком боксе. Ссылка на комментарий Поделиться на другие сайты Поделиться
YPL Опубликовано 23 Ноября, 2011 в 05:40 Жалоба Поделиться Опубликовано 23 Ноября, 2011 в 05:40 петь будет хуже чем импорт. И мощность маленькая. Ссылка на комментарий Поделиться на другие сайты Поделиться
seregaKP Опубликовано 23 Ноября, 2011 в 06:28 Автор Жалоба Поделиться Опубликовано 23 Ноября, 2011 в 06:28 (изменено) мне не стадионы озвучивать. а дома и 30 Вт и даже 10 хватит. и к тому же +около 3000 руб на каждую колонку! Изменено 23 Ноября, 2011 в 06:32 пользователем seregakp Ссылка на комментарий Поделиться на другие сайты Поделиться
Dimonos Опубликовано 23 Ноября, 2011 в 21:46 Жалоба Поделиться Опубликовано 23 Ноября, 2011 в 21:46 (изменено) Не стал мешать в разгар исследования фильтра. Фото дина я сделал. Разместил тут https://forum.datagor.ru/index.php?showtopi...t=0&start=0 пост №13 Удачи! Изменено 23 Ноября, 2011 в 21:50 пользователем dimonos Ссылка на комментарий Поделиться на другие сайты Поделиться
seregaKP Опубликовано 24 Ноября, 2011 в 04:32 Автор Жалоба Поделиться Опубликовано 24 Ноября, 2011 в 04:32 (изменено) понятно, спасибо! т.е фактически убран только рассекатель, родной фланец остался. Изменено 24 Ноября, 2011 в 04:33 пользователем seregakp Ссылка на комментарий Поделиться на другие сайты Поделиться
Рекомендуемые сообщения
Для публикации сообщений создайте учётную запись или авторизуйтесь
Вы должны быть пользователем, чтобы оставить комментарий
Создать учетную запись
Зарегистрируйте новую учётную запись в нашем сообществе. Это очень просто!
Регистрация нового пользователяВойти
Уже есть аккаунт? Войти в систему.
Войти