Dimonos Опубликовано 19 Ноября, 2011 в 11:27 Жалоба Поделиться Опубликовано 19 Ноября, 2011 в 11:27 (изменено) Да, согласен, в любом случае хотелось бы увидеть фото переделанного ВЧ. тогда наверно стоит для начала переделать фильтр и отслушать, а потом если что дополнительно установить LC контур. нет я бы не сказал что она звучит плохо, что то не припоню что бы слышал сипение. а акустика у меня 79г, думаю тогда довольно качественно собирали. все пломбы рижские не тронутые(колонки не вскрывались). Да и усилитель самодельный никаких лишних шипений и призвуков не дает(тот что под телеком на фото). а насчет рассекателя просто тот человек попробовал его убрать и сказал что звук стал довольно резкий. и вот вопрос стоит ли? ведь как вы говорите обратной дороги уже не будет! Хорошо, я сделаю фото крупным планом( пойду на работу и сделаю). Динамики уже стоят в акустике, поэтому фото будет частичным, только вид спереди на переделанное место. Фотки колонок я размещал, там не не очень хорошо видно, но в общем видно. Сквозь сетку. Чтобы не искать, вот они: Не знаю, что там пробовал человек, но у меня эти дины звучали довольно погано. С сипом каким то. Т.е высокие частоты были неприятно сипатые. Как то так. Я их разобрал, почистил, промыл диффузор, ситуация не поменялась . Тогда все это и убрал. ( по моему там это как то легко откручивается и снимается, уже не помню). По моему я даже мерял их АЧХ. Там был довольно приличный подъем в районе 10 кГц. PS. Раз дины звучат нормально, то такие операции в общем то не нужны. После того как убрал линзу, стало тише( это естественно) , но и поменялся характер звука. Он стал более приятным. Резкостью я бы это не назвал. В целом стало более похоже на 6ГД-13. ( такие дины у меня есть). PS. Любая доработка и модернизация динамиков , связанная с пропиткой, изменением конструкции подвесов как правило необратима. Не будете же Вы смывать герлен, к примеру, если не устроит. И проводиться на свой страх и риск. Добавлено через некоторое время Внешний вид 10ГД-35 (фото из сети) У меня был более старый, с куполом из ткани, похожий на этот На этом фото видно, как в пазы из Алюм. сплава (покрашено краской) вставлена пластмассовая фитюлька ( рассеиватель с линзой). Если открутить 4 винта , то все это легко снимается. Остается вот это: Ну вот я этот рассеиватель с линзой и снял. Ну и для красоты немного проточил рупорок. Винты заменил на плюсовые. Вот так получилось: Динамик вставлен изнутри в отполированный корпус, поэтому на блики не обращайте внимания. Изменено 23 Ноября, 2011 в 21:39 пользователем dimonos Ссылка на комментарий Поделиться на другие сайты Поделиться
seregaKP Опубликовано 19 Ноября, 2011 в 18:27 Автор Жалоба Поделиться Опубликовано 19 Ноября, 2011 в 18:27 очень интересные колонки!значит решено для начала переделаю фильтр под 5ГДШ,а потом для начала попробую подключить режектор к одной из колонок и отслушать.возможно будет пара вопросов по вашему excel по расчету индуктивности,например какой ∅ имеется под буквой d.но это предварительно так как глянул документ буквально пару минут,а потом пришлось уехать.поэтому смогу посмотреть в лучшем случае завтра или в понедельник Ссылка на комментарий Поделиться на другие сайты Поделиться
Dimonos Опубликовано 19 Ноября, 2011 в 21:50 Жалоба Поделиться Опубликовано 19 Ноября, 2011 в 21:50 ...возможно будет пара вопросов по вашему excel по расчету индуктивности,например какой ∅ имеется под буквой d.... В смысле по лаку или меди? Представьте не знаю. Никогда не озадачивался. Все равно с такой точностью катушку индуктивности таким толстым проводом не намотать. Всегда желательно подогнать катушку до требуемой индуктивности потом. Если это нужно. В файле приведен расчет размеров самой оптимальной катушки. А вообще катушку можно намотать на любом каркасе ( в смысле размеров). Был бы прибор, чтобы потом померить... ...значит решено для начала переделаю фильтр под 5ГДШ, а потом для начала попробую подключить режектор к одной из колонок и отслушать. Ну если переделывать фильтр, как пишут в 1-ой статье, т.е. на раздел в 10кГц, зачем тогда режектор? Режектор-это доработка из 2-ой статьи, там то частоту раздела не меняют. PS. Вопросы в 1-вом топике касались 2-ой статьи, не путайте. Ссылка на комментарий Поделиться на другие сайты Поделиться
seregaKP Опубликовано 20 Ноября, 2011 в 08:35 Автор Жалоба Поделиться Опубликовано 20 Ноября, 2011 в 08:35 честно говорю я это и имели ввиду. :smile: стоит ли ставить режектор если переделая фильтр под 5ГДШ по первой статье.если уж где то выразился неправильно,то извиняйте:smile: а насчет диаметра-нет не по лаку и меди.я просто на вскидку не понял,не разобрался что и какой ∅ имеется ввиду,т.е внутренний ∅,от центра катушки и т.д. я конечно видел что там другие буквы,но не увидел буквы d. я же сразу написал что будут возможно вопросы:smile: Ссылка на комментарий Поделиться на другие сайты Поделиться
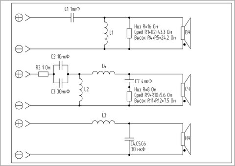
seregaKP Опубликовано 21 Ноября, 2011 в 16:51 Автор Жалоба Поделиться Опубликовано 21 Ноября, 2011 в 16:51 (изменено) Совсем запутался в этих атенюаторах (нарисован один и тот же по 10 раз!) Подскажите пожалуйста кокое сопротивление в смысле через какие резистоы их обозначения и общее значение R) проходит сигнал при каждом положении атенюатора (низ, сред, выс) на СЧ и ВЧ? Изменено 21 Ноября, 2011 в 16:54 пользователем seregakp Ссылка на комментарий Поделиться на другие сайты Поделиться
meshin Опубликовано 22 Ноября, 2011 в 01:31 Жалоба Поделиться Опубликовано 22 Ноября, 2011 в 01:31 (изменено) Эти колонки наиболее совершенны из всей серии. И лучше всего в них элементы только потрогать руками, а не шалить ими в разных направлениях внутри колонки. По СЧ головке. Галетник там двухсекционный. Та часть секции, что стоит на входе фильтра во всех положениях кроме первого, шунтирует R3. Другая её часть одновременно с первой меняет сопротивление корректирующей цепочки С7 и прилегающих к нему R. С каждым щелчком его уменьшая (подключая к массе (-) ) R8, а затем R7. В тоже самое время, синхронно с первой секцией работает вторая секция данного переключателя. В первом положении СЧ напрямую к фильтру. СЧ имеет сопротивление 8 ом и её сопротивление является нагрузкой для фильтра. Во втором положении СЧ через R9, R10 параллельно СЧ. В третьем положении СЧ -/-/-/- R11, R12 -/-/-/-/-/-/-/- СЧ. В этих случаях ( в любом положении переключателя) сопротивление нагрузки для фильтра всё так же остаётся в районе 8 ом. Только на СЧ головку сигнал поступает меньший благодаря делителю. С ВЧ головкой таже история. Первое положение переключателя-ВЧ напрямую к фильтру. Второе положение ВЧ через R1,R2 параллельно ВЧ. Третье положение ВЧ через R4, R5 параллельно ВЧ. Что так же к и в случае с СЧ головкой снижает уровень сигнала подаваемого на ВЧ головку. Если 5ГДШ имеет сопротивление катушки 4 ома, то достаточно последовательно с ней припаять сопротивление 3,9 ома или 4,2 ома и всё это хозяйство припаять вместо бывшей СЧ головки. Больше ничего делать с начинкой АС делать не нужно. "Удифильский" совет. Режектор на ВЧ припаять лучше прямо к контактам ВЧ головки и не обязательно проводом толщиной в палец. Изменено 22 Ноября, 2011 в 09:11 пользователем meshin Ссылка на комментарий Поделиться на другие сайты Поделиться
seregaKP Опубликовано 22 Ноября, 2011 в 08:59 Автор Жалоба Поделиться Опубликовано 22 Ноября, 2011 в 08:59 Не понял! в обоих филтрах голов учавствуют пары R1,R2 и R4, R5 а где же с R6 по R12? как я понимаю эти пары учавствуют в высокочастнотном фильтре. Ссылка на комментарий Поделиться на другие сайты Поделиться
meshin Опубликовано 22 Ноября, 2011 в 09:10 Жалоба Поделиться Опубликовано 22 Ноября, 2011 в 09:10 (изменено) Да. Виноват. R1, R2, R4, R5 это делитель ВЧ фильтр. R3 входное сопротивлен перед фильтром. R6, R7, R8 Цобель СЧ головки. R9, R10, R11, R12 это делитель СЧ головки. R3, R6...R12 коммутируются одним переключателем. Своё предыдущее сообщение отредактировал. Ещё раз прошу пардона! Изменено 22 Ноября, 2011 в 09:14 пользователем meshin Ссылка на комментарий Поделиться на другие сайты Поделиться
seregaKP Опубликовано 22 Ноября, 2011 в 09:34 Автор Жалоба Поделиться Опубликовано 22 Ноября, 2011 в 09:34 т.е все это выглядит так? я правильно понял? Ссылка на комментарий Поделиться на другие сайты Поделиться
meshin Опубликовано 22 Ноября, 2011 в 09:48 Жалоба Поделиться Опубликовано 22 Ноября, 2011 в 09:48 По ВЧ неправильно. Через R1 на параллельную пару из R2 и ВЧ. Второе положение: через R4 на параллельную пару из R5 и ВЧ. В любом из положений данного переключателя сопротивление для фильтра равно сопротивлению ВЧ головки. Точно так же и для СЧ головки. У Цобеля с каждым переключением, С7 подключается к земле черезменьшее сопротивление.. Общее =8,2 ома. Ссылка на комментарий Поделиться на другие сайты Поделиться
seregaKP Опубликовано 22 Ноября, 2011 в 10:03 Автор Жалоба Поделиться Опубликовано 22 Ноября, 2011 в 10:03 (изменено) так получается и по Сч я не правильно нарисовал? и еще как в СЧ подключаются R7, R8? Добавлено после раздумий: ВЧ так? а СЧ так и не понял :smile: Изменено 22 Ноября, 2011 в 09:55 пользователем seregakp Ссылка на комментарий Поделиться на другие сайты Поделиться
meshin Опубликовано 22 Ноября, 2011 в 10:03 Жалоба Поделиться Опубликовано 22 Ноября, 2011 в 10:03 В первом (исходном) положении переключателя к С7 подключены все три сопротивления. Во втором R8 исключется из схемы и к массе подключается R7. Общее сопротивление становится меньше и частота среза Цобеля повышается. В третьем положении R7 исключается и первое сопротивление после С7 подключается к массе. Соответственно R7, R8 оказываются зашунтированными переключателем. Ссылка на комментарий Поделиться на другие сайты Поделиться
Рекомендуемые сообщения
Для публикации сообщений создайте учётную запись или авторизуйтесь
Вы должны быть пользователем, чтобы оставить комментарий
Создать учетную запись
Зарегистрируйте новую учётную запись в нашем сообществе. Это очень просто!
Регистрация нового пользователяВойти
Уже есть аккаунт? Войти в систему.
Войти