Гость dremka Опубликовано 14 Августа, 2011 в 10:18 Жалоба Поделиться Опубликовано 14 Августа, 2011 в 10:18 Можно ставить на ВХОДЕ переменный резистор и большего номинала. Единственное что надо сделать это изменить величину резистора сеточной утечки R1 он должен быть примерно в 5-10 раз больше чем номинал переменника. Спасибо большое за разъяснение исчерпывающее! Ссылка на комментарий Поделиться на другие сайты Поделиться
tomas_anderson Опубликовано 2 Сентября, 2011 в 08:33 Жалоба Поделиться Опубликовано 2 Сентября, 2011 в 08:33 Доброго времени суток форумчане, интересует вопрос по поводу диапазона питания усилителя. У меня есть источник на 14.4 В, можно ли его использовать? (накал как то ограничивать надо или как?) пробовал питание от БП компьютера - работает, но помехи есть, какая температура у ваших транзисторов и лм-ок? Прилагаю пару фоток устройства, корпус еще не готов. Ссылка на комментарий Поделиться на другие сайты Поделиться
Гость leopold Опубликовано 2 Сентября, 2011 в 10:08 Жалоба Поделиться Опубликовано 2 Сентября, 2011 в 10:08 Запитать через стаб на 12в и накал и анод Ссылка на комментарий Поделиться на другие сайты Поделиться
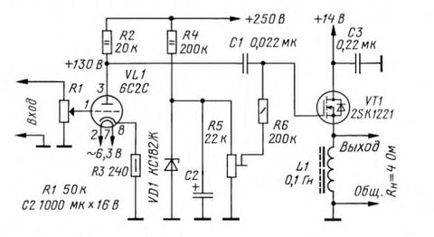
Гость Jaster Опубликовано 27 Января, 2012 в 04:19 Жалоба Поделиться Опубликовано 27 Января, 2012 в 04:19 (изменено) Если можно, несколько вопросов: 1. Пробовал ли кто-то повышать напряжение, как звук при этом меняется? (к примеру читал что отечественные низковольные лампы лучше звучат при более высоком напряжении.. вольт 50 например). 2. Имеет ли смысл покупать дорогие лампы, типа редких Филипсов 6189 и др.? 3. LM317 я использовал для стабилизации напряжения в БП для эмитторного повторителя Семынина, там в зависимости от производителя микрухи, звук меняется, какие-то больше шумят, какие-то меньше. При использовании в качестве источника тока, это тоже актуально? 4. Как схема звучит в сравнении с "классическими" ламповыми усилителями, с трансом на выходе? В сравнении с чисто транзисторными повторителями, например Семынина или Мусатова? Это я к тому, может и возится не стоит, если не лучше звучит.. :smile: Изменено 27 Января, 2012 в 04:28 пользователем Jaster Ссылка на комментарий Поделиться на другие сайты Поделиться
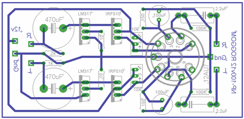
Гость mirch Опубликовано 27 Января, 2012 в 05:21 Жалоба Поделиться Опубликовано 27 Января, 2012 в 05:21 Прилагаю пару фоток устройства, корпус еще не готов. А печаточку не выложите? Здесь на сайте другая кажись Ссылка на комментарий Поделиться на другие сайты Поделиться
Гость Jaster Опубликовано 29 Января, 2012 в 13:01 Жалоба Поделиться Опубликовано 29 Января, 2012 в 13:01 (изменено) Прикупил лампочку Совтек (для пробы сойдет думаю) и полевики. Подскажите, как влияют резисторы и конденсаторы на звук в данной схеме? Имеет ли смысл ставить дорогие резисторы и конденсаторы? зы. Правда насчет полевиков не уверен, у автора 510, но их найти не смог. Купил 520. Сойдут? Вроде по параметрам не хуже.. Изменено 29 Января, 2012 в 22:36 пользователем Jaster Ссылка на комментарий Поделиться на другие сайты Поделиться
Гость alexis69 Опубликовано 10 Сентября, 2012 в 08:13 Жалоба Поделиться Опубликовано 10 Сентября, 2012 в 08:13 Есть вопрос по звучанию усилителя. Можно ли к звуку применить такую формулировку? играет теплым мягким бархатным звуком, с упругими басами, жирной, сочной нижней серединой. особенно интересует то что выделено жирным шрифтом. Ссылка на комментарий Поделиться на другие сайты Поделиться
Гость Jaster Опубликовано 17 Сентября, 2012 в 12:46 Жалоба Поделиться Опубликовано 17 Сентября, 2012 в 12:46 Пришли мне наконец-то 510-е, думаю попробовать собрать этот гибридник.. Вопрос к тем кто делал - известно что при таком низком вольтаже лампы "поют" не очень хорошо.. Пробовал ли кто большее напряжение, чем 12в? Ссылка на комментарий Поделиться на другие сайты Поделиться
Datagor Опубликовано 17 Сентября, 2012 в 15:04 Жалоба Поделиться Опубликовано 17 Сентября, 2012 в 15:04 В низковольтности вся его фишка. Если для вас это не фишка, то просто стоит рассмотреть совершенно другие схемы. Как думаете? Ссылка на комментарий Поделиться на другие сайты Поделиться
Гость Егор66 Опубликовано 17 Сентября, 2012 в 17:28 Жалоба Поделиться Опубликовано 17 Сентября, 2012 в 17:28 (изменено) Тоже решил повторить подобный усилитель, давненько у меня лежит вот такая кучка компонентов, самым дорогим из них пожалуй является лампа 12AU7 фирмы Bugera. Есть желание сделать его портативным для этого есть аккумулятор LI-PO 3S 1,05Ач возможно аккумулятор буду брать больше. Теперь надо придумать компактную компоновку, уменьшить размер компонентов на сколько это возможно путем их замены. В частности интересно чем можно заменить резистор-регулятор громкости, Есть ли какие либо пленочные конденсаторы С1 покомпактнее, у меня имеются К73-17С 2мФ2К 63в. Изменено 17 Сентября, 2012 в 17:43 пользователем Егор66 Ссылка на комментарий Поделиться на другие сайты Поделиться
Yamazaki Опубликовано 17 Сентября, 2012 в 20:13 Жалоба Поделиться Опубликовано 17 Сентября, 2012 в 20:13 Портатив на лампах? Мило... Вспомнилась рация из "17 мгновений весны" :smile: На вход можете емкость помельче поставить, C1 = 0.1-0.2μF при R1=100кОм будет вполне достаточно. Ссылка на комментарий Поделиться на другие сайты Поделиться
mikkijc Опубликовано 18 Сентября, 2012 в 06:13 Жалоба Поделиться Опубликовано 18 Сентября, 2012 в 06:13 (изменено) 6С46Г - очень рекомендую, если найдете. Специальная низковольтная лампа. Из одиночного триода путем нехитрой шаманской процедуры получается двойной триод. Выводы гибкие проволочные - можно паять сразу в печатную плату. С этой лампой номенклатура применяемых полевиков резко расширится. здравствуйте Александр...а нельзя ли поподробнее про шаманство с 46й лампой и еще что придется менять в этой схеме (кроме накала разумеется) спасибо Изменено 18 Сентября, 2012 в 06:40 пользователем mikkijc Ссылка на комментарий Поделиться на другие сайты Поделиться
Рекомендуемые сообщения
Для публикации сообщений создайте учётную запись или авторизуйтесь
Вы должны быть пользователем, чтобы оставить комментарий
Создать учетную запись
Зарегистрируйте новую учётную запись в нашем сообществе. Это очень просто!
Регистрация нового пользователяВойти
Уже есть аккаунт? Войти в систему.
Войти