Dimonos Опубликовано 19 Июля, 2011 в 07:03 Жалоба Поделиться Опубликовано 19 Июля, 2011 в 07:03 Может быть, отсутствием механических подвижных частей? Ответ устраивает. Ответ принимается. Спасибо. Я вообще то хотел отговорить автора отказаться напрочь от всякого рода сенсорного и квазисенсорного включения. Особенно усилителя мощности. Лучше все таки при выключении разрывать цепь полностью-по 2-м проводам, и не оставлять никакого напряжения в корпусе устройства. При наличии беспроводного ДУ это неизбежно, но тут удобство. По моему все эти сенсорные и иже с ними включения пролсто дань ушедшей моде. Тем более, что купить или найти красивый , надежный , с малым ходом, сетевой выключатель сейчас не проблема. Но если очень хочеться то что ж... Извините ,что влез. Больше мешать не буду. Ссылка на комментарий Поделиться на другие сайты Поделиться
Гость zheka71 Опубликовано 19 Июля, 2011 в 13:12 Жалоба Поделиться Опубликовано 19 Июля, 2011 в 13:12 Ответ устраивает. Ответ принимается. Спасибо. Я вообще то хотел отговорить автора отказаться напрочь от всякого рода сенсорного и квазисенсорного включения. Особенно усилителя мощности. Лучше все таки при выключении разрывать цепь полностью-по 2-м проводам, и не оставлять никакого напряжения в корпусе устройства. При наличии беспроводного ДУ это неизбежно, но тут удобство. По моему все эти сенсорные и иже с ними включения пролсто дань ушедшей моде. Тем более, что купить или найти красивый , надежный , с малым ходом, сетевой выключатель сейчас не проблема. Но если очень хочеться то что ж... Извините ,что влез. Больше мешать не буду. Убидили! Думаю что обойдусь обычной кнопкой на задней панельке ( чтоб ни кто не видел ) Ссылка на комментарий Поделиться на другие сайты Поделиться
Dimonos Опубликовано 19 Июля, 2011 в 17:01 Жалоба Поделиться Опубликовано 19 Июля, 2011 в 17:01 На заднюю стенку моно поставить и клавишный выключатель. Ссылка на комментарий Поделиться на другие сайты Поделиться
Гость klon_kz Опубликовано 19 Июля, 2011 в 17:07 Жалоба Поделиться Опубликовано 19 Июля, 2011 в 17:07 Так поставь за сенсорной кнопкой сетевой выключатель. А триггеры можно и на логике собрать, сигнал усилить транзистором, в цепь коллектора в качестве нагрузки - обмотку релюшки, контактами которой и коммутировать силовой трансформатор. Кстати - сенсорных выключателей можно построить на 176,561 сериях. Схем было много в прошлом веке. Ссылка на комментарий Поделиться на другие сайты Поделиться
gutman Опубликовано 19 Июля, 2011 в 19:25 Жалоба Поделиться Опубликовано 19 Июля, 2011 в 19:25 Всем привет! Сам год назад задумался о такой идее. Натолкнула меня на это статья с нашего города. Пообщавшись с автором. получив от него схему начал плясать. Схема на поляризованном двухобмоточном реле, кучке диодов, паре кондёров и на силовом реле. Также я добавил индикацию на сдвоенном светодиоде с общим катодом - красный - УНЧ выключен, зеленый включен. светодиоды запитаны от 220в через кондёр. По схеме которая в архиве: R1 подбирал т.к. реле мне попалось 24х вольтовое, а в оригинальное схеме толи 9ти толи хз. после выхода просто цепляешь любое силовое реле с катушкой на 220В :smile: Желаю удачи! sensor.rar Ссылка на комментарий Поделиться на другие сайты Поделиться
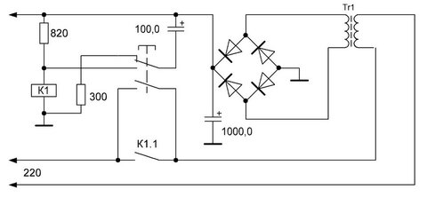
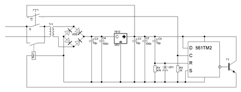
Гость jenyok Опубликовано 3 Декабря, 2012 в 11:34 Жалоба Поделиться Опубликовано 3 Декабря, 2012 в 11:34 . Вот еще одна схема. Ссылка на комментарий Поделиться на другие сайты Поделиться
picap Опубликовано 3 Декабря, 2012 в 18:44 Жалоба Поделиться Опубликовано 3 Декабря, 2012 в 18:44 ЁПРСТ ! Моск сломать можно ! :smile: Уж лучше на поляризованном реле ! :smile: Ссылка на комментарий Поделиться на другие сайты Поделиться
FOLKSDOICH Опубликовано 3 Декабря, 2012 в 19:11 Жалоба Поделиться Опубликовано 3 Декабря, 2012 в 19:11 В первом усилке своём году так в 87-м по такому принципу делал. Ссылка на комментарий Поделиться на другие сайты Поделиться
Гость lgedmitry Опубликовано 3 Декабря, 2012 в 19:13 Жалоба Поделиться Опубликовано 3 Декабря, 2012 в 19:13 лет 20 назад сделал так: мозг не ломается. Работает без проблем. Единственная трудность: нужна кнопка хотя бы с двумя группами контактов. Ссылка на комментарий Поделиться на другие сайты Поделиться
picap Опубликовано 3 Декабря, 2012 в 19:40 Жалоба Поделиться Опубликовано 3 Декабря, 2012 в 19:40 мозг не ломается. Я имел ввиду читабельность схемы. :smile: Ну и три реле.......эт много. Ссылка на комментарий Поделиться на другие сайты Поделиться
toxin Опубликовано 4 Декабря, 2012 в 04:08 Жалоба Поделиться Опубликовано 4 Декабря, 2012 в 04:08 Если желание поизголяться не пропало, могу посоветовать почитать тут _https://www.getchip.net/posts/061-prostaya-sensornaya-panel-keypad/ Ссылка на комментарий Поделиться на другие сайты Поделиться
Рекомендуемые сообщения
Для публикации сообщений создайте учётную запись или авторизуйтесь
Вы должны быть пользователем, чтобы оставить комментарий
Создать учетную запись
Зарегистрируйте новую учётную запись в нашем сообществе. Это очень просто!
Регистрация нового пользователяВойти
Уже есть аккаунт? Войти в систему.
Войти