Гость sanya2659 Опубликовано 23 Марта, 2011 в 14:58 Жалоба Поделиться Опубликовано 23 Марта, 2011 в 14:58 Здравствуйте! Перед тем, как взяться за усилитель на ГУ-32, я решил доделать один ламповый проект. И меня как - то зтранно ударило током. Вот на схеме упрощённый вид устройства. При работе рассоединились провода в точке В. И с железного корпуса меня жестко долбануло. А почему?? Я не понимаю, объясните! Ведь вроде гальваноразвязка имеется... Другой рукой ни за что не держался. Или, может, конденсаторы анодного на корпус как-то проходят? Возможно ли, что при рассоединении точки В, меня било током с корпуса, или же какие-то детали касаются корпуса? П.С. Я новичок из новичков, не особо знаю электронику, в частности, как мог ТРАНСФОРМАТОР (который не пробит) Ударить током с ОДНОГО вывода вторички. Ссылка на комментарий Поделиться на другие сайты Поделиться
Гость alx25v Опубликовано 23 Марта, 2011 в 16:52 Жалоба Поделиться Опубликовано 23 Марта, 2011 в 16:52 А про статическое электричество слышал? Для него достаточно меж обмоточной ёмкости или заземлённого корпуса. Ссылка на комментарий Поделиться на другие сайты Поделиться
Гость pricolist Опубликовано 23 Марта, 2011 в 17:06 Жалоба Поделиться Опубликовано 23 Марта, 2011 в 17:06 Не совсем понятно - как ударило. Если Вы взялись за вывод вторички и корпус при включенном трансформаторе - то всё закономерно. Правила техники безопасности "пишутся кровью". В этот раз его величество случай, или если хотите Господь Бог Вас миловал, а на будущее правило номер РАЗ: любые подключения и переключения выполняются на полностью обесточенном оборудовании (для ламповой техники это дважды актуально, поскольку высокое напряжение и "спереди и сзади". Электролиты предварительно разряжать через низкоомный резистор 30-100 Ом Ватт на 5-10. Ссылка на комментарий Поделиться на другие сайты Поделиться
Гость sanya2659 Опубликовано 23 Марта, 2011 в 17:32 Жалоба Поделиться Опубликовано 23 Марта, 2011 в 17:32 Трансформатор был включен. Я проверял работу систем, питающихся от накальной обмотки (накал ламп, реле задержки анодки, реле разрядки конденсаторов). Для экономии времени я отсоединил (по-глупости и не опытности. По аналогии с батарейкой) один провод от диодного моста анодки. И видимо вся схема стала сопротивлением, через которое меня шарахнуло (так?). Но всё равно не понимаю, я ведь держался только за один вывод анодки (по сути), а второй висел в воздухе. Причём, транс не пробит, есть полная гальваническая развязка с сетью. Ведь чтобы ударило, надо держаться за 2 конца? Да? Когда бьёт из розетки, там ведь просто один из выходов закопан в землю заземлением, к которому подсоединяются мои ноги, а второй - Фаза? Обьясните, пожалуйста, как там на самом деле. А то радиотехника так туго влезает в мой мозг и никак не хелает нормально пониматься и выучиваться. Добавлено после раздумий: П.С. Меня прилично отбросило, это не могло быть статическое электричество. П.П.С. При нормальной работе устройства, один из выводов по очереди оказывается на корпусе, и не бьёт ведь! Я ничего не понимаю! Ссылка на комментарий Поделиться на другие сайты Поделиться
Гость alvis Опубликовано 23 Марта, 2011 в 19:38 Жалоба Поделиться Опубликовано 23 Марта, 2011 в 19:38 Как долбануло? С одного провода так долбануть тоже не может, разве что вольт 600-800, а скорее всего от тысячи. Одной рукой - ясно, схватился за корпус. А дальше как цепь пошла по телу? Босые ноги? Вторая рука? Или ещё что? Ссылка на комментарий Поделиться на другие сайты Поделиться
Гость pricolist Опубликовано 23 Марта, 2011 в 19:45 Жалоба Поделиться Опубликовано 23 Марта, 2011 в 19:45 Для "очистки совести" попробуйте коснуться корпуса отвёрткой-индикатором фазы (которая с неоновой лампочкой в прозрачном корпусе ) Если индикатор будет гореть - есть серьёзные вопросы к трансформатору. Поиграйте полярностью сетевой вилки - неонка может засветится в одном из положений. Если Вы мерили изоляцию между обмотками обычным мультиметром - это вовсе не показатель отсутствия утечки. Ссылка на комментарий Поделиться на другие сайты Поделиться
TANk Опубликовано 23 Марта, 2011 в 19:47 Жалоба Поделиться Опубликовано 23 Марта, 2011 в 19:47 Не видя того как собран аппарат, какие приборы расположены рядом, к чему подключен усилитель был сказать трудно, но предположить можно. Если розетка подключается трехпроводной вилкой с заземлением (по евростандарту) то тогда корпус устройства оказывается заземлен. Его потенциал равен потенциалу батареи отопления, корпуса компьютера, телевизора, ДВД проигрывателя, или каких либо других тоже заземленных приборов на столе, да и чуть влажный пол и босые ноги тоже могут послужить проводником. Если к усилителю был подключен сигнальный кабель - то через его экран он тоже заземляется. А анодное напряжение довольно высокое. Может гдето в этом месте через твое тело замкнулась цепь? Я когда настраивал усилитель на 6Н13С случайно болтавшимся на проводах RCA входным разъемом разрядил конденсаторы анодного питания. 6000мкФ заряженные почти до 300 вольт хлопнули так, что потом долго в газах цветные пятна маячили и в ушах пищало. От разъема остался жалкий оплавленный огрызок. Конденсаторы от фотовспышки, рассчитанные на большие токи разряда такой разряд выдержали без проблем. Так что когда работаешь с напряжением, то лишний раз перестраховаться и все перепроверить никогда не бывает лишним. Ссылка на комментарий Поделиться на другие сайты Поделиться
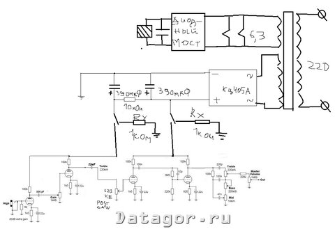
Гость sanya2659 Опубликовано 23 Марта, 2011 в 20:36 Жалоба Поделиться Опубликовано 23 Марта, 2011 в 20:36 Спасибо за рекомендации по очистке совести! Прибор делаю не для себя, не хочу никого убить. Завтра проверю всё это. Отбросило, что я, сидя на диване, облокотился на спинку. Кстати, начал уже рассматривать версию, что второй контакт коснулся корпуса (единственное, чего он мог коснуться). Но что тогда? Просто КЗ. Если честно, то ОБЕ руки держались за корпус, намереваясь перевернуть его. Я был в носках + ковер. Рукой я не мог ничего коснуться. Ах, да, ещё, поскольку это устройство есть педаль Дисторшн, то она была включена в Crate Power Block, что есть усилитель класса Д. Но он не бьётся током. Может какие-нибудь разности потенциалов? Всё это соединялось через вилку Без заземлений, Как видим, Корпус пущен на (-) анодки, а не на Землю. Добавлено после раздумий: Вот собственно схема. Реле установлено на накальную обмотку так, чтобы при включенном устройстве, конденсаторы соединялись с преампом, а при выключенном питании подсоединялись к разряжающим резисторам. При испытании я не учел ток в холодных накалах, поэтому реле запускалось не сразу. Из за чего (видимо) сгорел резистор Rx, а он был 1.5 Ватт. Я перевернул устройство, выдернув из розетки, разрядил конденсаторы, отсоединил один вывод анодной обмотки, включил в сеть, вздумал перевернуть ещё раз, а он меня шарахнул. Ссылка на комментарий Поделиться на другие сайты Поделиться
Гость alvis Опубликовано 23 Марта, 2011 в 21:05 Жалоба Поделиться Опубликовано 23 Марта, 2011 в 21:05 Не может быть, чтобы не было второго контакта. За фазу 220 В можно спокойно держаться хоть одной, хоть 2-мя руками, стоя на сухом полу и не касаясь ничего больше. Ищите цепь, по которой Вас шарахнуло. Чудес не бывает. Ссылка на комментарий Поделиться на другие сайты Поделиться
Гость sanya2659 Опубликовано 24 Марта, 2011 в 14:45 Жалоба Поделиться Опубликовано 24 Марта, 2011 в 14:45 Люди! Что делать!? Индикаторная отвертка горит, когда касаюсь корпуса, анодного провода (на одном из них горит, на другом нет), накального провода! Добавлено после раздумий: Можно уже начинать ломать силовик на железо? Добавлено после раздумий: Но в каждом плохом есть и хорошее... Теперь я знаю, откуда шел жуткий фон в 50 герц. Добавлено после раздумий: Я ничего не понимаю!!! Включил ту же самую схему с ТСШ-170, и опять светит на всех контактах! Поменял положение вилки - не светит! Обьясните мне законы физики, ктотрые действуют здесь!!!!!!!!!!!!!!!!!! Я уже начинаю рвать волосы!! Добавлено после раздумий: Да, и, предыдущий трансформатор размотал, никаких пробоев не заметил! Добавлено после раздумий: Недоумевая, я вытащил из коробки новенький ТАН-1. Скоммутировал обмотки, припаял. Тот же самый эффект!!! В одном из положений вилки, горит эта идиотская лампочка. И не может быть так, что 3 трансформатора (тоесть все мои запасы высоковольтников) ВДРУГ СТАЛИ ПРОБИТЫМИ! И отвертка моя нормальная, если что. Обычная советская. Состоит из неонки и резистора, кажется на 860 кОм. Ссылка на комментарий Поделиться на другие сайты Поделиться
Гость Konstantyn Опубликовано 24 Марта, 2011 в 15:02 Жалоба Поделиться Опубликовано 24 Марта, 2011 в 15:02 (изменено) Да успакойся)) Все нормально. Переверни вилку в розетке и фаза с корпуса исчезнет. Короче когда у тебя как на схеме разорван нижний вывод то как бы фаза со вторичной обмотки ни куда не девается, ты просто разрываешь цепь и ток перестает бежать, но фаза ни куда не девается. И в даном случае она совпадает с верхним выводом вторички и через диод проходит на корпус. Правда как тебя ударило если ты как говоришь касался только корпуса-непонятно. Хотя, если затронуться за анодное в схеме тоже бьет. Наверно земля она для всех одинакова, не только для первички, но для вторички. Изменено 24 Марта, 2011 в 15:05 пользователем Konstantyn Ссылка на комментарий Поделиться на другие сайты Поделиться
Гость sanya2659 Опубликовано 24 Марта, 2011 в 15:17 Жалоба Поделиться Опубликовано 24 Марта, 2011 в 15:17 Да здесь вообще мистика! У меня сейчас ТАН-1, вообще отключенный от схемы, и со всех анодных и накальных светит. И я ведь не собираюсь каждый раз, проверять, где в розетке фаза, а где ноль, когда включаю устройство... Ссылка на комментарий Поделиться на другие сайты Поделиться
Рекомендуемые сообщения
Для публикации сообщений создайте учётную запись или авторизуйтесь
Вы должны быть пользователем, чтобы оставить комментарий
Создать учетную запись
Зарегистрируйте новую учётную запись в нашем сообществе. Это очень просто!
Регистрация нового пользователяВойти
Уже есть аккаунт? Войти в систему.
Войти