Гость mastersound Опубликовано 17 Марта, 2011 в 16:17 Жалоба Поделиться Опубликовано 17 Марта, 2011 в 16:17 Собрал стабилизатор на LM317 на схеме с защитой от КЗ (где 2 диода),какой вариант оставить окончательный? схемку покажи в полном виде. Ссылка на комментарий Поделиться на другие сайты Поделиться
Гость angelv Опубликовано 17 Марта, 2011 в 17:12 Жалоба Поделиться Опубликовано 17 Марта, 2011 в 17:12 взял из даташита Ссылка на комментарий Поделиться на другие сайты Поделиться
Гость mastersound Опубликовано 17 Марта, 2011 в 17:48 Жалоба Поделиться Опубликовано 17 Марта, 2011 в 17:48 так этож стаб напряжения , а тебе нужен стаб тока! кстати после мостика поставь электролит минимум на 470 μF. иначе напряжения на выходе будет мало... Ссылка на комментарий Поделиться на другие сайты Поделиться
Гость shevggr Опубликовано 17 Марта, 2011 в 18:42 Жалоба Поделиться Опубликовано 17 Марта, 2011 в 18:42 Если, после стабилизатора налряжения, последовательно включить стабилизатор тока, то ток не превысит установленного им (стабом тока) значения, а стабильное напряжение не даст перезарядится 9 шт. пальчиковых АКБ. Ссылка на комментарий Поделиться на другие сайты Поделиться
Гость klon_kz Опубликовано 17 Марта, 2011 в 20:07 Жалоба Поделиться Опубликовано 17 Марта, 2011 в 20:07 А ток мерять не пытался? Если аккумуляторы пустые, то и тянут на себя "одеяло". Ссылка на комментарий Поделиться на другие сайты Поделиться
Гость angelv Опубликовано 25 Марта, 2011 в 12:27 Жалоба Поделиться Опубликовано 25 Марта, 2011 в 12:27 Извините, други, но не до мелочей было. Ибо похороны родителя и всё такое.. Не пожелаю и врагу. Но давайте вернемся к "нашим баранам". Если, после стабилизатора налряжения, последовательно включить стабилизатор тока, то ток не превысит установленного им (стабом тока) значения, а стабильное напряжение не даст перезарядится 9 шт. пальчиковых АКБ. получается идеально для зарядника собрать два паралельно стабилизатора на двух LM317? Ссылка на комментарий Поделиться на другие сайты Поделиться
Гость alx25v Опубликовано 25 Марта, 2011 в 14:00 Жалоба Поделиться Опубликовано 25 Марта, 2011 в 14:00 (изменено) Наоборот после стаба тока стаб напряжения надо, но тебе транс не позволяет сделать гирлянду. Есть другая схема с транзистором в управлении. И желательно не 317 ставить, а 1084. Изменено 25 Марта, 2011 в 14:00 пользователем alx25v Ссылка на комментарий Поделиться на другие сайты Поделиться
Гость mastersound Опубликовано 25 Марта, 2011 в 17:06 Жалоба Поделиться Опубликовано 25 Марта, 2011 в 17:06 Трансформатор 12V 250mA ТП-321-12В ТрансЛед. в теории после диодного моста получается: 12V* 1,41 = 16,92V, а у меня без нагрузки 16,5V на БП изначально указано 15,3V А электролит после диодного мостика установил??? или ты мерял напряжение без конденсатора. PS. Судя по фото ( пост№8 ) , конденсатора я там не увидел... Ссылка на комментарий Поделиться на другие сайты Поделиться
Гость angelv Опубликовано 28 Марта, 2011 в 10:17 Жалоба Поделиться Опубликовано 28 Марта, 2011 в 10:17 А электролит после диодного мостика установил???или ты мерял напряжение без конденсатора. PS. Судя по фото ( пост№8 ) , конденсатора я там не увидел... Да, установил. на 1000мF 25V Ссылка на комментарий Поделиться на другие сайты Поделиться
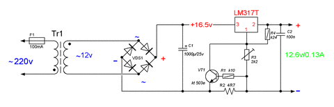
Гость mastersound Опубликовано 28 Марта, 2011 в 17:55 Жалоба Поделиться Опубликовано 28 Марта, 2011 в 17:55 Если я правильно понял - то без нагрузки 16,5V, с установленой ёмкостью? в шуруповерте находятся Аккумулятор SC ME-1300SC/HP 1300mAh 1.2V;NiCd; 23*42мм - 9 штук. номинальное напряжение одного аккумулятора 1,25 ВОльт ( 1,25*9=11,25в) В различных источниках приводится конечное напряжение заряженного элемента в пределах от 1,35 ... 1,45 в. Возьмём среднее напряжение 1,4в*9=12,6в. Это будет величина полностью заряженой батареи. Как правило элементы заряжают током 0,1 от полной ёмкости (1300/10=130мА) в течении 15 Часов :smile: Исходя из следующего прикинул схемку для ЗУ такой АКБ 12,6в/0,13А Схема работает следующим образом: заряд идёт стабильным током 0,13А до напряжения 12,6В. при достижении указанного напряжения заряд прекращается и батарея переходит в режим содержания. Этим исключается перезаряд , и преждевременный износ АКБ. Ссылка на комментарий Поделиться на другие сайты Поделиться
Гость borman Опубликовано 30 Марта, 2011 в 18:41 Жалоба Поделиться Опубликовано 30 Марта, 2011 в 18:41 (изменено) Если не пугают трудности, то на сайте Atmel есть аппноут AVR450 (если правильно помню), где описан зарядник на микроконтроллере с быстрым зарядом. Для герметичных свинцовых, никель-кадмиевых, никель-металлгидридных и литиевых аккумуляторов. У меня есть его русский перевод. Там и схемы, и исходники прошивок. И про алгоритмы зарядки достаточно неплохо написано. Под конкретные нужды легко приспосабливается. Изменено 30 Марта, 2011 в 18:43 пользователем borman Ссылка на комментарий Поделиться на другие сайты Поделиться
Гость angelv Опубликовано 30 Марта, 2011 в 19:16 Жалоба Поделиться Опубликовано 30 Марта, 2011 в 19:16 Типа такого? _https://www.gaw.ru/html.cgi/txt/app/micros/avr/AVR450.htm Спасибо, но я пока что не дорос до этого. Может позже, когда набирусь опыта. Ссылка на комментарий Поделиться на другие сайты Поделиться
Рекомендуемые сообщения
Для публикации сообщений создайте учётную запись или авторизуйтесь
Вы должны быть пользователем, чтобы оставить комментарий
Создать учетную запись
Зарегистрируйте новую учётную запись в нашем сообществе. Это очень просто!
Регистрация нового пользователяВойти
Уже есть аккаунт? Войти в систему.
Войти