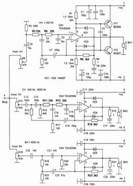
Гость Андрей hemul79 Опубликовано 3 Марта, 2011 в 14:55 Жалоба Поделиться Опубликовано 3 Марта, 2011 в 14:55 Доброго всем времени суток!!! Нашел в сети схемку трехканального усилителя на TDA2030A с фильтрами (ознакомиться подробней можно здесь _https://cxem.net/sound/amps/amp136.php).Хочу сделать аналогично, но на TDA2050v и две полосы: НЧ отдельно, СЧ и ВЧ вместе (автомобильные коаксиалы). Накидал схему, посмотрите кому не трудно. Фильтры Баттерворта 2-го порядка частота раздела 100 герц, номиналы посчитаны в программе от Аудиокиллера. Собственно говоря интересует будет ли все это дело работать, как будет работать, и вообще любые комменты. Ссылка на комментарий Поделиться на другие сайты Поделиться
yrk Опубликовано 3 Марта, 2011 в 15:28 Жалоба Поделиться Опубликовано 3 Марта, 2011 в 15:28 (изменено) Собственно говоря интересует будет ли все это дело работать, как будет работать, и вообще любые комменты. Не много не понятно, если автодины двух полосные, то разделение идет на СЧ/НЧ и ВЧ. А если трех, то пищаль всеравно придется отсекать кондесатором. Изменено 3 Марта, 2011 в 15:32 пользователем Юрий(yrk) Ссылка на комментарий Поделиться на другие сайты Поделиться
Гость Андрей hemul79 Опубликовано 3 Марта, 2011 в 15:36 Жалоба Поделиться Опубликовано 3 Марта, 2011 в 15:36 (изменено) СЧ и ВЧ в одном флаконе -автодинамики коаксиальные-это одна полоса.ВЧ отделен от СЧ конденсатором. НЧ- отдельный динамик-это вторая полоса. Както так. Примерно как сателиты и саб, только саба будет два. Изменено 3 Марта, 2011 в 15:40 пользователем Андрей hemul79 Ссылка на комментарий Поделиться на другие сайты Поделиться
yrk Опубликовано 3 Марта, 2011 в 15:45 Жалоба Поделиться Опубликовано 3 Марта, 2011 в 15:45 СЧ и ВЧ в одном флаконе -автодинамики коаксиальные-это одна полоса.ВЧ отделен от СЧ конденсатором. НЧ- отдельный динамик-это вторая полоса. Както так. Примерно как сателиты и саб, только саба будет два. Ну работать будет, почему нет... частоту раздела можно скоректировать, если что... ИМХО. Ссылка на комментарий Поделиться на другие сайты Поделиться
Гость Андрей hemul79 Опубликовано 3 Марта, 2011 в 15:47 Жалоба Поделиться Опубликовано 3 Марта, 2011 в 15:47 Частота раздела выбрана несколько условно, всеравно будет корректироваться. А по остальным моментам? Ссылка на комментарий Поделиться на другие сайты Поделиться
yrk Опубликовано 3 Марта, 2011 в 16:00 Жалоба Поделиться Опубликовано 3 Марта, 2011 в 16:00 А по остальным моментам? Для низкочастотной секции не слабовато будет? Ссылка на комментарий Поделиться на другие сайты Поделиться
Гость Андрей hemul79 Опубликовано 3 Марта, 2011 в 16:05 Жалоба Поделиться Опубликовано 3 Марта, 2011 в 16:05 На НЧ динамик ватт на 20, так что думаю хватит. Поэтому и не стал с транзисторами как в оригинале заморачиваться. Ссылка на комментарий Поделиться на другие сайты Поделиться
yrk Опубликовано 3 Марта, 2011 в 16:09 Жалоба Поделиться Опубликовано 3 Марта, 2011 в 16:09 Как будет работать, в большей степени будет уже зависить от динамиков и аккуст. оформления НЧ. Ссылка на комментарий Поделиться на другие сайты Поделиться
Гость Андрей hemul79 Опубликовано 3 Марта, 2011 в 16:17 Жалоба Поделиться Опубликовано 3 Марта, 2011 в 16:17 Оформление НЧ-лабиринт. ВЧ-СЧ просто закрытый ящик сверху лабиринта. Ссылка на комментарий Поделиться на другие сайты Поделиться
Dimonos Опубликовано 3 Марта, 2011 в 20:55 Жалоба Поделиться Опубликовано 3 Марта, 2011 в 20:55 (изменено) Доброго всем времени суток!!!Нашел в сети схемку трехканального усилителя на TDA2030A с фильтрами (ознакомиться подробней можно здесь _https://cxem.net/sound/amps/amp136.php).Хочу сделать аналогично, но на TDA2050v и две полосы: НЧ отдельно, СЧ и ВЧ вместе (автомобильные коаксиалы). Накидал схему, посмотрите кому не трудно. Фильтры Баттерворта 2-го порядка частота раздела 100 герц, номиналы посчитаны в программе от Аудиокиллера. Собственно говоря интересует будет ли все это дело работать, как будет работать, и вообще любые комменты. Как понял Вы хотите реализовать фильтры, включив их в цепь ООС усилителей мощности на МС? Такая схема отлично работает на повторителях, а усилитель мощности отнюдь не повторитель. И в кривых АЧХ фильтров будут горбы. Я бы не стал так делать. Вводить коррекцию в цепь ООС микросхемы, которая то и без коррекции работает непредсказуемо.... Может взять и возбудиться. Я бы поставил на входе пассивные RC фильтра и все. Хоть и с меньшим затухание. В остальном без изменнений. И уж точно все будет работать с первого раза. Работали бы усилители. Схему уже считал не раз, можно посчитать и еще раз. Изменено 3 Марта, 2011 в 20:59 пользователем dimonos Ссылка на комментарий Поделиться на другие сайты Поделиться
Гость Андрей hemul79 Опубликовано 4 Марта, 2011 в 04:07 Жалоба Поделиться Опубликовано 4 Марта, 2011 в 04:07 Дмитрий, спасибо за разьяснения. Смутило меня в оригинальной схеме то, что нигде не встретил ее практической реализации в "железе". Чаще всего встречал фильтры для биампинга на ОУ, а тут так все просто, и написано красиво:"Изящное и не менее эффективное решение - фильтрующий усилитель (Power Filter)- предложено фирмой SGS-THOMSON."-цитата. Буду очень благодарен если поможете разобраться. Ссылка на комментарий Поделиться на другие сайты Поделиться
Dimonos Опубликовано 4 Марта, 2011 в 07:42 Жалоба Поделиться Опубликовано 4 Марта, 2011 в 07:42 Может, я и несколько сгоряча написал. Предложение то ведь оригинальное. Чтобы в чем то убедиться наверняка, нужно попробовать. Для начала собрать и запустить усилитель на TDA 2050. На макете например. Потом добавить к нему фильтры и посмотреть. Осторожно. Все зависит от схемотехники МС и ее устойчивости. Фильтрующие элементы можно подобрать. Засимулировать фильтр с заданным усилением МС и посмотреть на характеристики. Тип фильтра можно изменить на другой, это не важно. Главно , чтобы МС работала устойчиво и без всяких паразитных выбросов. Если нет осцилографа и генератора прямоугольника, даже незнаю как это проверить. 2050 я еще не пробовал , поэтому сказать как она работает и где капризничает не смогу. Помниться мне , что активный фильтр на ОУ не с еденичным усилением, имеет не совсем гладкую АЧХ. Я подставлю данные фильтра с правой схемы и посмотрю,что получается, попозже, может вечером , может в выходные. Ссылка на комментарий Поделиться на другие сайты Поделиться
Рекомендуемые сообщения
Для публикации сообщений создайте учётную запись или авторизуйтесь
Вы должны быть пользователем, чтобы оставить комментарий
Создать учетную запись
Зарегистрируйте новую учётную запись в нашем сообществе. Это очень просто!
Регистрация нового пользователяВойти
Уже есть аккаунт? Войти в систему.
Войти