Гость sanya2659 Опубликовано 3 Января, 2011 в 18:28 Жалоба Поделиться Опубликовано 3 Января, 2011 в 18:28 Уважаемые Датагорцы! Приобрёл я недавно вот такой индикатор (см. фото). Я бы хотел подключить его к усилителю для наушников, ну чтобы стрелка прыгала в такт музыке... Не могли бы вы подсказать мне схемку? Заранее благодарен. Ссылка на комментарий Поделиться на другие сайты Поделиться
alex n Опубликовано 3 Января, 2011 в 18:45 Жалоба Поделиться Опубликовано 3 Января, 2011 в 18:45 -https://nauchebe.net/wp-content/uploads/2010/05/clip_image01461.jpg Ссылка на комментарий Поделиться на другие сайты Поделиться
Гость sanya2659 Опубликовано 3 Января, 2011 в 19:15 Жалоба Поделиться Опубликовано 3 Января, 2011 в 19:15 Спасибо! А можно поставить Д9Д? Ссылка на комментарий Поделиться на другие сайты Поделиться
Гость crushqwer Опубликовано 3 Января, 2011 в 19:26 Жалоба Поделиться Опубликовано 3 Января, 2011 в 19:26 Спасибо! А можно поставить Д9Д? да хоть д9я, будет работать с любыми диодами. Ссылка на комментарий Поделиться на другие сайты Поделиться
Гость sanya2659 Опубликовано 3 Января, 2011 в 19:27 Жалоба Поделиться Опубликовано 3 Января, 2011 в 19:27 Спасибо! Ссылка на комментарий Поделиться на другие сайты Поделиться
box-771 Опубликовано 3 Января, 2011 в 19:27 Жалоба Поделиться Опубликовано 3 Января, 2011 в 19:27 Честно говоря меня тоже этот вопрос инерисует,а как на счёт влияния на качество звука у этой схемки? Ссылка на комментарий Поделиться на другие сайты Поделиться
pm Опубликовано 3 Января, 2011 в 19:32 Жалоба Поделиться Опубликовано 3 Января, 2011 в 19:32 (изменено) улучшает восприятие - стрелка дёргается в такт музыке :smile: Изменено 3 Января, 2011 в 19:33 пользователем Павел (pm) Ссылка на комментарий Поделиться на другие сайты Поделиться
box-771 Опубликовано 3 Января, 2011 в 19:34 Жалоба Поделиться Опубликовано 3 Января, 2011 в 19:34 улучшает восприятие - стрелка дёргается в такт музыке :smile: И всёже,я серьёзно,попались интересные срелки хотел бы использовать Ссылка на комментарий Поделиться на другие сайты Поделиться
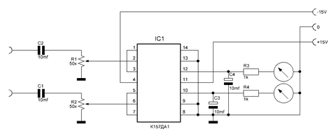
pm Опубликовано 3 Января, 2011 в 19:46 Жалоба Поделиться Опубликовано 3 Января, 2011 в 19:46 если стрелки серьёзные, то собирать и серьёзный индикатор сигнала - двухполупериодный, например, на 157ДА1. приведённая схема простейшая, теоретически вносит дополнительную нелинейность параллельно нагрузке усилителя. но услышать её (вернее, убедить себя, что слышат) смогут, imho, только "золотоухие". схема простейшая, попробуйте сами сравнить с ней и без Ссылка на комментарий Поделиться на другие сайты Поделиться
Гость sanya2659 Опубликовано 3 Января, 2011 в 22:10 Жалоба Поделиться Опубликовано 3 Января, 2011 в 22:10 Собрал я её, и не работает... Такое чувство, что сигнала, поступающего в наушники просто недостаточно... Добавлено после раздумий: Сейчас померял... у него ток полного отклонения аж 5 миллиампер! Нет ли всё же на такой схемы? У меня есть операционные усилители, транзисторы, прочее... Ссылка на комментарий Поделиться на другие сайты Поделиться
box-771 Опубликовано 3 Января, 2011 в 22:27 Жалоба Поделиться Опубликовано 3 Января, 2011 в 22:27 Собрал я её, и не работает... Такое чувство, что сигнала, поступающего в наушники просто недостаточно... Добавлено после раздумий: Сейчас померял... у него ток полного отклонения аж 5 миллиампер! Нет ли всё же на такой схемы? У меня есть операционные усилители, транзисторы, прочее... вот есть схемка только её питать надо Ссылка на комментарий Поделиться на другие сайты Поделиться
Гость sanya2659 Опубликовано 3 Января, 2011 в 22:51 Жалоба Поделиться Опубликовано 3 Января, 2011 в 22:51 Плохо, конечно, что такую микру придётся просить, чтобы Дядя из Украины привёз... А нет ли случайно схемы на дискретных элементах / импортных / легко доставаемых микросхемах? Ссылка на комментарий Поделиться на другие сайты Поделиться
Рекомендуемые сообщения
Для публикации сообщений создайте учётную запись или авторизуйтесь
Вы должны быть пользователем, чтобы оставить комментарий
Создать учетную запись
Зарегистрируйте новую учётную запись в нашем сообществе. Это очень просто!
Регистрация нового пользователяВойти
Уже есть аккаунт? Войти в систему.
Войти