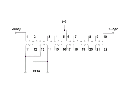
Гость alexkalinin Опубликовано 4 Июля, 2011 в 19:37 Жалоба Поделиться Опубликовано 4 Июля, 2011 в 19:37 (изменено) Попались мне в руки ещё два транса тпп-261. Хочу попробовать диф. включение (по Комарову). Почитав его статью, увидел, что вторички можно включать последовательно и параллельно, но чёт меня клинит - как же включать? Помогите пожалуйста советом. 11-12 и 13-14 это обмотки на 10 вольт. на рисунках: как сейчас включено и два варианта диф.включения трансформаторов._т ранс_посл.GIF] Изменено 5 Июля, 2011 в 09:24 пользователем alexkalinin Ссылка на комментарий Поделиться на другие сайты Поделиться
TANk Опубликовано 5 Июля, 2011 в 11:02 Жалоба Поделиться Опубликовано 5 Июля, 2011 в 11:02 При дифферинциальном включении трансформаторов количество витков первичной обмотки возрастает в два раза. (Вместо одного трансформатора включается уже 2). Соответственно в два раза надо увеличить и количество витков вторичной обмотки. Если раньше были 2 обмотки по 10в включены параллельно, то теперь надо будет их включить последовательно и обе этих секции на одном и на другом трансформаторах включить параллельно. Ссылка на комментарий Поделиться на другие сайты Поделиться
Гость alexkalinin Опубликовано 7 Июля, 2011 в 21:03 Жалоба Поделиться Опубликовано 7 Июля, 2011 в 21:03 Отчитываюсь, вдруг кому-нибудь, пригодится. Попробовал включить как посоветовал Александр - звук получился фигня, верха нет, одни низы. Как ещё?... попробовал все четыре обмотки параллельно - верх появился, низ очень вялый))) Помните как в "неуловимых мстителях" аптекарь: "Мало....Много" . А ещё на каждом трансе есть пара обмоток по 2,6 вольта...Тут вспомнил, что зависимость-то квадратичная, вдруг поможет? Коммутирую в 12,6 вольт, всё в параллель и вот оно!!!! :smile: Звук получился очень даже. По сравнению с одиночным трансом низ такой же, а вот верха больше и он, верх, значительно чище! Наверное кому-то знаком эффект, когда в уже заученных композициях, появляются новые звуки (инструменты) :smile: Вот это оно самое! Александр, ещё раз спасибо! Как-то вдохновляете, есть у Вас такое свойство))) Наверное авторитет сказывается :smile: Ссылка на комментарий Поделиться на другие сайты Поделиться
Рекомендуемые сообщения
Для публикации сообщений создайте учётную запись или авторизуйтесь
Вы должны быть пользователем, чтобы оставить комментарий
Создать учетную запись
Зарегистрируйте новую учётную запись в нашем сообществе. Это очень просто!
Регистрация нового пользователяВойти
Уже есть аккаунт? Войти в систему.
Войти