Гость aikar Опубликовано 21 Июля, 2010 в 07:06 Жалоба Поделиться Опубликовано 21 Июля, 2010 в 07:06 Прошу поделится схемой коммутатора входов на 3-4 входа. желательно с печаткой. простую в повторении. подключатся будут ЦАП, компьютер, ДВД в качестве СД-плеера. Ссылка на комментарий Поделиться на другие сайты Поделиться
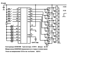
Гость rubenlukin Опубликовано 22 Июля, 2010 в 00:28 Жалоба Поделиться Опубликовано 22 Июля, 2010 в 00:28 (изменено) Вот такая классика: Изменено 22 Июля, 2010 в 00:29 пользователем rubenlukin Ссылка на комментарий Поделиться на другие сайты Поделиться
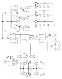
picap Опубликовано 22 Июля, 2010 в 13:00 Жалоба Поделиться Опубликовано 22 Июля, 2010 в 13:00 (изменено) Вот еще: Автоматический_селектор_входных_сигналов_усилителя.doc Изменено 22 Июля, 2010 в 13:01 пользователем picap Ссылка на комментарий Поделиться на другие сайты Поделиться
Yamazaki Опубликовано 22 Июля, 2010 в 16:31 Жалоба Поделиться Опубликовано 22 Июля, 2010 в 16:31 Есть схема без логики, только на реле. Если надо, могу восстановить по памяти. Ссылка на комментарий Поделиться на другие сайты Поделиться
Гость aikar Опубликовано 23 Июля, 2010 в 03:50 Жалоба Поделиться Опубликовано 23 Июля, 2010 в 03:50 (изменено) Есть схема без логики, только на реле. Если надо, могу восстановить по памяти. если не трудно то прошу вспомнить. решил объединить ЦАП и усилитель для наушников в одном корпусе, и плюс чтоб можно была возможность подключить усилитель, комп и тд. на сколько портят звук микросхемные решения на ТДА 1029 (если не ошибся с маркировкой)? Изменено 23 Июля, 2010 в 03:53 пользователем aikar Ссылка на комментарий Поделиться на другие сайты Поделиться
Гость rubenlukin Опубликовано 23 Июля, 2010 в 06:17 Жалоба Поделиться Опубликовано 23 Июля, 2010 в 06:17 ... на сколько портят звук микросхемные решения на ТДА 1029 (если не ошибся с маркировкой)? Маркировка верная. Тяжело сказать -- зависит от тракта (то есть умеет ли тракт передавать такие нюансы). Но то, что у советского аналога 1029 из 174-й серии были проблемы с низами -- это подтверждают многие (сам не слышал). ИМХО на реле -- самое то. Тип я пытался выяснить, но почти безрезультатно. Хотя нет! Тут, оказывается, целая ветка: https://forum.datagor.ru/index.php?showtopic=234 Ссылка на комментарий Поделиться на другие сайты Поделиться
Yamazaki Опубликовано 25 Июля, 2010 в 10:48 Жалоба Поделиться Опубликовано 25 Июля, 2010 в 10:48 Кстати, в том же самом обсуждении проскакивала следующая идея: вместо реле использовать высококачественные операционники с функцией shutdown. Стоят они примерно столько же, сколько хорошие реле, зато нет свойственного реле ограничения на число срабатываний, и вообще, надёжность такого решения выше. Ссылка на комментарий Поделиться на другие сайты Поделиться
Гость aikar Опубликовано 27 Июля, 2010 в 16:38 Жалоба Поделиться Опубликовано 27 Июля, 2010 в 16:38 пред. усилитель будет на датагорском Симфонике, усилитель мощности - сперва сделаю на TDA2050, потом как наберусь опыта - на LT1210. все с хорошим блоком питания будет. Ссылка на комментарий Поделиться на другие сайты Поделиться
Гость rubenlukin Опубликовано 27 Июля, 2010 в 17:15 Жалоба Поделиться Опубликовано 27 Июля, 2010 в 17:15 ... высококачественные операционники с функцией shutdown. А типы можете назвать? Ссылка на комментарий Поделиться на другие сайты Поделиться
Гость aikar Опубликовано 28 Июля, 2010 в 12:56 Жалоба Поделиться Опубликовано 28 Июля, 2010 в 12:56 тут нашел на EBAY. _https://cgi.ebay.com/Audio-Input-Selector-Relay-Board-12V-regulator-/260605917462?cmd=ViewItem&pt=LH_DefaultDomain_0&hash=item3cad52b916 насколько такая схемка будет хорошей? или это фигня для звукового сигнала? можно такое повторить? Ссылка на комментарий Поделиться на другие сайты Поделиться
Гость aikar Опубликовано 5 Августа, 2010 в 07:59 Жалоба Поделиться Опубликовано 5 Августа, 2010 в 07:59 есть ИБП нерабочий там есть три одинаковых реле. вроде на 220 контакты рассчитаны. они подойдут? Ссылка на комментарий Поделиться на другие сайты Поделиться
Гость klon_kz Опубликовано 5 Августа, 2010 в 19:33 Жалоба Поделиться Опубликовано 5 Августа, 2010 в 19:33 Да не к чему мощные релюхи (по контактным группам) использовать в коммутаторах НЧ сигналов . Решение, КАК РЕШЕНИЕ, на приведенной ссылке , интересное, позволяет уменить длины проводников и наводки на предварительный тракт. Ссылка на комментарий Поделиться на другие сайты Поделиться
Рекомендуемые сообщения
Для публикации сообщений создайте учётную запись или авторизуйтесь
Вы должны быть пользователем, чтобы оставить комментарий
Создать учетную запись
Зарегистрируйте новую учётную запись в нашем сообществе. Это очень просто!
Регистрация нового пользователяВойти
Уже есть аккаунт? Войти в систему.
Войти