Гость vol2008 Опубликовано 12 Марта, 2009 в 14:44 Жалоба Поделиться Опубликовано 12 Марта, 2009 в 14:44 По схемотехнике мне все ясно было - два последовательно ЭП нагруженных ИТ. Причем входной ЭП как бы в двух ипостасях. По бетте - согласен. При токе 55 мА лучше применить KT602 - у них бетта вообще красота - почти линейна. А можно не заморачиваться и поставить нормальные импортные. PS: 55 мА для 32-омных ушей маловато будет. Спаяю макет - померю. О результатах доложу. :smile: Ссылка на комментарий Поделиться на другие сайты Поделиться
Гость grizk0 Опубликовано 15 Августа, 2009 в 10:21 Жалоба Поделиться Опубликовано 15 Августа, 2009 в 10:21 Может кто-нибудь выложить печатку этого уся, плиз. Чтоб нормальная рабочая была. Лучше его собирать как два моноблока? Хорошо бы наверное сделать смещение стабилизированным? В оригинальной схеме антивозбудных ресисторов нет. Надо ли их ставить, если я хочу собрать поближе к оригиналу? ( в статье "свободу ушам") Ссылка на комментарий Поделиться на другие сайты Поделиться
Гость pitkon Опубликовано 16 Августа, 2009 в 07:12 Жалоба Поделиться Опубликовано 16 Августа, 2009 в 07:12 Владимир "замолчал" в марте. Похоже будет как с ЦАПом, т.е. будет новый проект. Ссылка на комментарий Поделиться на другие сайты Поделиться
Гость joreek Опубликовано 3 Октября, 2009 в 12:59 Жалоба Поделиться Опубликовано 3 Октября, 2009 в 12:59 Вставлю свои 5 копеек. Я тоже собрал себе усилитель для наушников по Шуцкому. Правда транзисторы применил 816 и 817. У них бетта более линейная, особенно в районе максимума. Горб более пологий по сравнению с 814-815. Номиналы подстроечных резисторов сильно отличаются как от приведенных в статье "Свободу ушам", так и от выбранных Владимиром. Оно и понятно - другой тип, другая бетта. Питается все это от аккумулятора 12В (от бесперебойника, одна заряжается, другая разряжается)))) Звук неплохой. Оценить выше мешают наушники. Низ отменный - на тестовом диске на дорожках с барабанами аж подпрагиваешь от ударов, аплодисменты прослушиваются четко, без замыливания. Про остальное пока не могу сказать, надо собрать противника на CFA. Да и ушки прикупить покруче. Если кому нужна печатка - спрашивайте. Ссылка на комментарий Поделиться на другие сайты Поделиться
YPL Опубликовано 5 Октября, 2009 в 09:01 Жалоба Поделиться Опубликовано 5 Октября, 2009 в 09:01 Собрать по исходной схеме. Источник: Вячеслав Щуцкой. Радиохобби, кажется 2004 год последний номер. Проще погуглить словосочетание "свободу ушам", там эта схема будет в статье приведена. 2003 год номер 6 Ссылка на комментарий Поделиться на другие сайты Поделиться
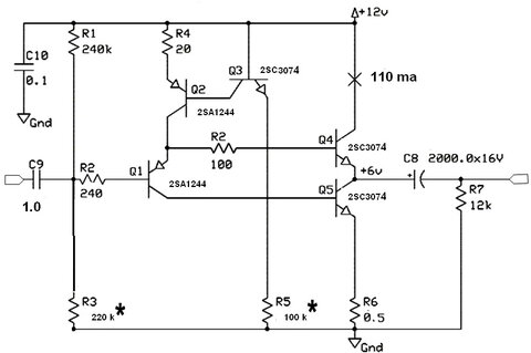
Гость pitkon Опубликовано 16 Января, 2010 в 12:27 Жалоба Поделиться Опубликовано 16 Января, 2010 в 12:27 С момента появления на Датагоре DACa от Владимира «запал» на схему буфера по Шуцкому. Порыв Интернет и почитав наш форум по этому вопросу собрал ушной усилитель. Звучание, как и писалось на форуме - отличное! Транзисторы 2SA1244, 2SC3074 лежали лет 10-12. Они из контроллера 5-дюймового MFM HDD Seagate. По шиту вроде линейность h неплохая. Звучит здорово. Ток покоя 100-110ма, а какой оптимум? При большем (в разумных пределах) токе транзисторы горячее и линейность (особенно 2SC3074) выше :smile: Посоветуйте обратную связь по току – хочу КУС 2-3. ИМХО - эта схема на современной (см.выше 10-12 лет :smile:) элементарной базе очень даже неплоха. Соберу HAMP на LT1206 хочу послушать инструментов "оторваных от веревочек" (по Владимиру :smile:) Ссылка на комментарий Поделиться на другие сайты Поделиться
Segun Опубликовано 30 Марта, 2010 в 06:00 Жалоба Поделиться Опубликовано 30 Марта, 2010 в 06:00 Если кому нужна печатка - спрашивайте. Да грех отказываться, если человек добро предлагает! Конечно интересно посмотреть реализацию на печатке, там глядишь и в голове что ни будь шевельнется. Ссылка на комментарий Поделиться на другие сайты Поделиться
Segun Опубликовано 8 Апреля, 2010 в 06:11 Жалоба Поделиться Опубликовано 8 Апреля, 2010 в 06:11 Вот такая печатка получается 10х10 см, В спринте не выкладываю пока т.к. не опробована. Конструктивная критика приветствуется. Ссылка на комментарий Поделиться на другие сайты Поделиться
Гость joreek Опубликовано 12 Апреля, 2010 в 14:48 Жалоба Поделиться Опубликовано 12 Апреля, 2010 в 14:48 (изменено) Прошу прощения, давно не заглядывал в тему. Прикрепляю мои варианты печаток. Вроде тестирование прошло успешно, пару человек спрашивали через личку, но о результатах реализации у них я ничего не знаю. Shutsky_SLayout.zip Изменено 12 Апреля, 2010 в 14:54 пользователем joreek Ссылка на комментарий Поделиться на другие сайты Поделиться
Гость lex2 Опубликовано 20 Июня, 2014 в 09:28 Жалоба Поделиться Опубликовано 20 Июня, 2014 в 09:28 Здравствуйте! намакетил усилил Шуцкого. моей задачей было раскачать тдс7 .8ом. добрый усилитель. на нём и остановлюсь. Выходные кт 817. подбирал по коэф усиления.нашел из 67шт 4шт с коэф 320 входные кт814 тоже подобрал .коэф около 300 кт940 ненашел.припаял кт815 . питание 16в. только тогда честный 1ват в нагрузке на 8ом резисторы от оригинала незначительно отличаются. прогнал генератором .зрительно, чистый синус осциллоскопом 10гц-за 100кгц без уменьшения амплитуды вопрос к спецам, сколько ток покоя делать для 817-х? сейчас выставил 350 ма .довольно горячо и вопрос по замене кт940. (мож оставить 815?) Ссылка на комментарий Поделиться на другие сайты Поделиться
Гость lex2 Опубликовано 23 Июня, 2014 в 04:32 Жалоба Поделиться Опубликовано 23 Июня, 2014 в 04:32 Со своей стороны могу сказать, что в поисках точного звука уперся в гибриды. "Не верю" микросхемам. "Не верю" каменным предам. "Не верю" полевикам на выходе. Совсем не имею дела с акустикой, завязал с четверть века назад (хотя тогда прошел аж до четырехполоски). Делаю только наушниковские аппараты. В данной связи считаю, что в наушниках все косяки заметны и слышны сильнее, чем на колонках. минуло 5 лет. какой гибрид посоветуете? Ссылка на комментарий Поделиться на другие сайты Поделиться
Рекомендуемые сообщения
Для публикации сообщений создайте учётную запись или авторизуйтесь
Вы должны быть пользователем, чтобы оставить комментарий
Создать учетную запись
Зарегистрируйте новую учётную запись в нашем сообществе. Это очень просто!
Регистрация нового пользователяВойти
Уже есть аккаунт? Войти в систему.
Войти