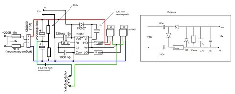
romans Опубликовано 6 Июля, 2010 в 11:24 Жалоба Поделиться Опубликовано 6 Июля, 2010 в 11:24 (изменено) Привет всем! Имеется у меня два уся на ТДА7294+Тошиба с проекта МФ-1. Но питать нечем. Вот и решил попробовать с вашей помощью собрать вот этот ИИП, этот потому как есть схема и есть ПП2153.rar. Но немного подумав возник у меня вопрос, если перематывать транс с компьютерного БП, сколько мотать на первичку и на вторичку, и можно ли использовать транзисторы с того же компьютерного БП. И еще вопрос справится ли этот ИИП с таким усилителем. Изменено 6 Июля, 2010 в 11:30 пользователем romans Ссылка на комментарий Поделиться на другие сайты Поделиться
Гость kan Опубликовано 6 Июля, 2010 в 20:44 Жалоба Поделиться Опубликовано 6 Июля, 2010 в 20:44 Привет всем!Имеется у меня два уся на ТДА7294+Тошиба с проекта МФ-1. Но питать нечем. Вот и решил попробовать с вашей помощью собрать вот этот ИИП, этот потому как есть схема и есть ПП2153.rar. Но немного подумав возник у меня вопрос, если перематывать транс с компьютерного БП, сколько мотать на первичку и на вторичку, и можно ли использовать транзисторы с того же компьютерного БП. И еще вопрос справится ли этот ИИП с таким усилителем. ir2153 это 555 таймер, немного логики, драйвера полевиков. Предназначен для лампового балласта. Подобными схемами раскачивают например первички катушек тесла. на киловаты. Тонкостей множество и мелочей нет. Схемка эта отсюда _https://miliamper.-мы не распространяем ссылки на [народ.ру]-/Amp-ru.htm В комповых бп полевики используются редко, какие транзисторы можно - см. у автора. Чтение на случай, если оно бабахнет. _https://www.radiokot.ru/forum/viewtopic.php?download=382200&t=24513&sid=b00a968a3f8df745212035c57048bf99 может всетаки лучше тор? Ссылка на комментарий Поделиться на другие сайты Поделиться
Гость tarasyk Опубликовано 7 Июля, 2010 в 05:53 Жалоба Поделиться Опубликовано 7 Июля, 2010 в 05:53 У меня эта схемка проработала год без проблем. Но когда я сделал копию БП работать отказался. Начал делать БП по чуть другой схеме : https://forum.datagor.ru/index.php?showtopic=4937 В результате я больше с 2153 не связываюсь, а старый БП по приведенной вами схеме уже взорвался. Ссылка на комментарий Поделиться на другие сайты Поделиться
romans Опубликовано 12 Июля, 2010 в 07:03 Автор Жалоба Поделиться Опубликовано 12 Июля, 2010 в 07:03 У меня эта схемка проработала год без проблем.Но когда я сделал копию БП работать отказался. Начал делать БП по чуть другой схеме : https://forum.datagor.ru/index.php?showtopic=4937 В результате я больше с 2153 не связываюсь, а старый БП по приведенной вами схеме уже взорвался. А какой ИИП делал, выложи схему. Спасиба. Ссылка на комментарий Поделиться на другие сайты Поделиться
Гость tarasyk Опубликовано 12 Июля, 2010 в 19:08 Жалоба Поделиться Опубликовано 12 Июля, 2010 в 19:08 А какой ИИП делал, выложи схему.Спасиба. Первая схема, как в первом посте этой ветки, заработала сразу, проработала год. Собирал ещё раз такую, безрезультатно. Вторая схема из первого поста той ветки, которую я указал. Вся проблема с 2153 насколько я понял(спасибо Владимиру и Александру) в питании микросхемы. Пока работает от дежурки, всё Ок, как только пробуем в схеме, напряжение почему-то падает к 8,5В и полевики улетают, если не через лампу включать. Второй ИИП, у меня дома работал прекрасно, но как только я давал его другу(заказчику), так на другой день он ко мне возвращался. При этом БП держал нагрузку более 5А. Питание микросхемы рекомендую делать как на схеме из первого поста этой ветки(только резюк можно поставить на 33кОм 5Вт), или же по схеме с ветки, которую указал я, предложенную Folksdoich пост№27 https://forum.datagor.ru/index.php?act=atta...st&id=13155 Ссылка на комментарий Поделиться на другие сайты Поделиться
Гость tarasyk Опубликовано 13 Июля, 2010 в 05:57 Жалоба Поделиться Опубликовано 13 Июля, 2010 в 05:57 В смысле какой следующий(без IR2153)? Пока не делал ничего, так как свадьба скоро, нет времени. Собирался делать по этой ветке https://forum.datagor.ru/index.php?showtopi...50&start=50 (пост 61) даже начал плату разводить под имеющиеся в наличии элементы, докупил тех что нехватало и ... 24 часа в сутки очень мало!!! Ссылка на комментарий Поделиться на другие сайты Поделиться
Гость furcev Опубликовано 13 Июля, 2010 в 16:57 Жалоба Поделиться Опубликовано 13 Июля, 2010 в 16:57 Добрый вечер! Не знаю как у других, я собрал 2 БП на IR2153 - оба работают прекрасно. Питание микросхемы через гасящий конденсатор, так ничего не греется. Один БП для 2х TDA7294, второй для лампового усилка 6п14п + 6н3п. Все работает. Ссылка на комментарий Поделиться на другие сайты Поделиться
romans Опубликовано 14 Июля, 2010 в 21:07 Автор Жалоба Поделиться Опубликовано 14 Июля, 2010 в 21:07 Добрый вечер!Не знаю как у других, я собрал 2 БП на IR2153 - оба работают прекрасно. Питание микросхемы через гасящий конденсатор, так ничего не греется. Один БП для 2х TDA7294, второй для лампового усилка 6п14п + 6н3п. Все работает. Интересно выложи схему и пп по которой делал для 7294-ых, я се тож для етих целей хочу. К сожалению для переменной нагрузки это скорее исключение, для Ашников можно смело расшифруйте пожалуйста для простых людей. Спасиба Ссылка на комментарий Поделиться на другие сайты Поделиться
Гость furcev Опубликовано 15 Июля, 2010 в 16:09 Жалоба Поделиться Опубликовано 15 Июля, 2010 в 16:09 (изменено) Схема почти такая же как и в начале темы. Питание делал через гасящий кондер и стабилитрон. Транс перематывал для двухпорлярного питания усилителя. первичка 39 витков, вторичка 20 витков с отводом (10+10). Частота 45 кГц. На выходе на холостом ходу +/-35в. На плате транзисторы другие, но это не имеет особого значения, и вместо FR107 лучше поставить диод побыстрее, но и с ним все работает. Гасящий кондер вообще надо правильно рассчитывать, для этого есть формулы, но я экспериментально подобрал) Изменено 15 Июля, 2010 в 16:11 пользователем furcev Ссылка на комментарий Поделиться на другие сайты Поделиться
FOLKSDOICH Опубликовано 15 Июля, 2010 в 17:35 Жалоба Поделиться Опубликовано 15 Июля, 2010 в 17:35 Тоже делал на 2153, только с питанием микрухи от доп. обмотки, для усила на LM1876. Уж пару лет у товарища работает. Осталось пару фоток на память. Ссылка на комментарий Поделиться на другие сайты Поделиться
Гость furcev Опубликовано 15 Июля, 2010 в 20:37 Жалоба Поделиться Опубликовано 15 Июля, 2010 в 20:37 (изменено) Александр М, нет единых намоточных данных для данного ИИП. Расчет ведется индивидуально под размер транса, частоту преобразователя и тд. транс можно рассчитать по программе Москатова, и др. Делайте по той схеме что я выложил, она 100% рабочая. И та что в первом посте тоже рабочая, только надо частоту подобрать. Какой у вас есть сердечник? Какие напряжения надо получить на выходе? Изменено 15 Июля, 2010 в 20:42 пользователем furcev Ссылка на комментарий Поделиться на другие сайты Поделиться
FOLKSDOICH Опубликовано 16 Июля, 2010 в 05:38 Жалоба Поделиться Опубликовано 16 Июля, 2010 в 05:38 Перерыл вроде всё, но ни схемы родной, ни платы. Помню только, что делал на основе этой схемы, а транс - комповый, стандартный. Ссылка на комментарий Поделиться на другие сайты Поделиться
Рекомендуемые сообщения
Для публикации сообщений создайте учётную запись или авторизуйтесь
Вы должны быть пользователем, чтобы оставить комментарий
Создать учетную запись
Зарегистрируйте новую учётную запись в нашем сообществе. Это очень просто!
Регистрация нового пользователяВойти
Уже есть аккаунт? Войти в систему.
Войти