Chugunov Опубликовано 1 Марта, 2013 в 11:02 Жалоба Поделиться Опубликовано 1 Марта, 2013 в 11:02 большее спасибо! такой схемы не видел! но про виртуальную землю читал, отзываются плохо... на будущее учту а так наверно поменяю все таки транс.. Подходящий трансформатор надежнее и проще. Обязательно измерить падение напряжения на стабилизаторе под нагрузкой. Для LM317 оно не должно быть менее 3 вольт. При ТП-112-10 2х14В нагрев будет небольшой, это хорошо. Такой трансформатор и стабилизатор годится для большинства усилителей для наушников среднего класса. Ссылка на комментарий Поделиться на другие сайты Поделиться
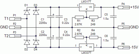
Гость panzerock Опубликовано 14 Марта, 2013 в 10:46 Жалоба Поделиться Опубликовано 14 Марта, 2013 в 10:46 (изменено) наконец-то купил 3 штуки тп-112-10. померил - напряжения выдают как и должны. С грехом пополам добился =-15 вольт по схеме с LM317/LM337. Lm-ки греются не сильно, стали немного греться К157УД1. но так понимаю в раене 40-50 градусов. Думаю радиатор не нужен. А вот с трансформаторами проблема. Все они(3шт) греются как без нагрузки так и с ней... один гудел немного, нащупал место в котором дребезжит сердечник и капнул туда секундного клея. дребезжать перестал. Критичен ли такой нагрев трансформаторов? греется сердечник. градусов на 45-50.. не выше. пальцы не обжигает а приятно греет)) Изменено 14 Марта, 2013 в 10:52 пользователем panzerock Ссылка на комментарий Поделиться на другие сайты Поделиться
reper Опубликовано 14 Марта, 2013 в 16:03 Жалоба Поделиться Опубликовано 14 Марта, 2013 в 16:03 В разгар перестройки некоторые трансформаторные заводы (например, наш Николаевский) начали экономить на материалах, в частности, на меди. По документации полагалось мотать обмотки с запасом от расчетной величины, ну, а потом этот запас стали потихоньку истощать, залезая временами в "антизапас". Отсюда возможен и нагрев на х.х. 45-50 град не страшно, но при повышении сетевого напряжения может быть перегрев. Ссылка на комментарий Поделиться на другие сайты Поделиться
Гость mastersound Опубликовано 14 Марта, 2013 в 16:52 Жалоба Поделиться Опубликовано 14 Марта, 2013 в 16:52 Вот ещё один из вариантов УНЧ на этой микросхеме... Ссылка на комментарий Поделиться на другие сайты Поделиться
Chugunov Опубликовано 14 Марта, 2013 в 18:29 Жалоба Поделиться Опубликовано 14 Марта, 2013 в 18:29 наконец-то купил 3 штуки тп-112-10. померил - напряжения выдают как и должны. С грехом пополам добился =-15 вольт по схеме с LM317/LM337.Lm-ки греются не сильно, стали немного греться К157УД1. но так понимаю в раене 40-50 градусов. Думаю радиатор не нужен. А вот с трансформаторами проблема. Все они(3шт) греются как без нагрузки так и с ней... Критичен ли такой нагрев трансформаторов? греется сердечник. градусов на 45-50.. не выше. пальцы не обжигает а приятно греет)) Нет данных! Это просто эмоциональное выступление или вопрос? Если последнее, у меня встречный вопрос: Какие могут быть проблемы с получением "=-15 вольт"? Кроме того, мне непонятно - это ± 15 В или что? Какие проблемы? При каком токе нагрузки? Я всегда спрашиваю не просто так: я купил до десятка LM337 (в одном месте) и ВСЕ они оказались браком, пришлось ставить КР142ЕН18. Кроме того, каково падение напряжения на стабилизаторах? (Может не стоит добиваться ± 15 В, а получить полноценные ± 13 В, например). Пока пальцы терпят, нагрев не страшен. В любом случае, пульсации после исправных LM317/LM337 многократно меньше, чем то, что вам предлагают с выпрямителем на двух диодах. Говорить о нагреве и т. п. без указания режима работы, бессмысленно. Ссылка на комментарий Поделиться на другие сайты Поделиться
Гость mastersound Опубликовано 14 Марта, 2013 в 18:56 Жалоба Поделиться Опубликовано 14 Марта, 2013 в 18:56 В любом случае, пульсации после исправных LM317/LM337 многократно меньше, чем то, что вам предлагают с выпрямителем на двух диодах. а кто мешает после двух диодов поставить дополнительно кренки? Ссылка на комментарий Поделиться на другие сайты Поделиться
Chugunov Опубликовано 14 Марта, 2013 в 19:40 Жалоба Поделиться Опубликовано 14 Марта, 2013 в 19:40 а кто мешает после двух диодов поставить дополнительно кренки? 1 В схеме КРЕНок нет, нет и упоминания, что их надо/желательно ставить. 2 Напряжение после КРЕНок в данном случае станет значительно ниже, боюсь запаса в 3 В маловато будет, из-за однополупериодного выпрямителя и больших пульсаций, вольт 5, наверное, надо запас иметь, а это уже 9...10 В стабильного напряжения на выходе. Для наушников хватит с запасом, в других случаях - нерационально. 3 Предлагать данную схему, когда нужные трансформатор, выпрямитель, стабилизаторы УЖЕ ЕСТЬ И РАБОТАЮТ, на мой взгляд, сбивать с пути истинного. Лучше разобраться в том, что уже есть и довести до кондиции... а впрочем, дело хозяйское, мне это не надо. Ссылка на комментарий Поделиться на другие сайты Поделиться
Гость panzerock Опубликовано 15 Марта, 2013 в 20:39 Жалоба Поделиться Опубликовано 15 Марта, 2013 в 20:39 (изменено) =- это ± опечатался... на Lm317/337 приходит ±24.5В выходит соответственно ±15 падение так полагаю почти 10В. этого достаточно? для делителя прикинул есть пара стабилитронов 3В 2С133А при питании ±15В усилителя потребуется делитель 1:14? Uвых/Uвх=R2/(R1+R2) R1=1400 Ом R2=100 Ом получаем напряжение на выходе 0,9В много я так понимаю? при R1=3кОм Uвых=0.5В. безопаснее для звуковой или мало? Изменено 15 Марта, 2013 в 22:52 пользователем panzerock Ссылка на комментарий Поделиться на другие сайты Поделиться
Гость panzerock Опубликовано 19 Марта, 2013 в 20:36 Жалоба Поделиться Опубликовано 19 Марта, 2013 в 20:36 (изменено) Понимаю что сообщения оффтоп, но новую тему создавать не хочется... собрал делитель с R1=3Ком запустил RightMark Audio Analyzer - Не достаточен уровень сигнала. - все регуляторы на максимум! уменьшил R1=1.5Ком -Не достаточен уровень сигнала.. программа вроде правильно настроена. соединяю "звуковая карта-звуковая карта" - мерит как надо. Помогите пожалуйста! боюсь звуковуху спалить... Изменено 19 Марта, 2013 в 20:37 пользователем panzerock Ссылка на комментарий Поделиться на другие сайты Поделиться
Chugunov Опубликовано 20 Марта, 2013 в 10:48 Жалоба Поделиться Опубликовано 20 Марта, 2013 в 10:48 Понимаю что сообщения оффтоп, но новую тему создавать не хочется...собрал делитель с R1=3Ком запустил RightMark Audio Analyzer - Не достаточен уровень сигнала. - все регуляторы на максимум! уменьшил R1=1.5Ком -Не достаточен уровень сигнала.. программа вроде правильно настроена. соединяю "звуковая карта-звуковая карта" - мерит как надо. Помогите пожалуйста! боюсь звуковуху спалить... Спокойствие, только спокойствие. Пустяки, дело-то житейское. Нет данных! Чтобы получить ответ, надо внятно задать вопрос, чтобы задача стала ясной не тому кто спрашивает, а тем у кого спрашивают. Сначала появился делитель без начала, без конца, непонятно к чему. Мы должны гадать? Надо было внятно написать, а лучше и нарисовать для чего он и как включен. Лень? А если мы будем отвечать такими же намеками и огрызками? Судя по всему этот делитель будет включен с выхода К157УД1 на вход звуковой карты. При R1=1400 Ом R2=100 Ом будет делить в 15 раз. На вход карты нормально 1 В эфф. Нет данных, вы считаете, что у вас сигнал 15 В эфф. т. е. 21 В амплитуды?? Если да, гарантирую перегорание капсюлей и барабанных перепонок. Вряд ли более 2...3 В на выходе. А лучше нарисовать схему, пусть примитивную. Регулятором громкости усилителя можно выставить оптимальный для измерений уровень. Думаю, надо измерять не на максимально возможном уровне, а на уровне прослушивания т. е. не более 100 мВт. Отговорки типа: "ну чё трудно поискать схемы, которые были и допереть, как я всё включил", не принимаются. Скорее всего понадобится делитель в 2...5 раз, стабилитроны больше для очистки совести. Ссылка на комментарий Поделиться на другие сайты Поделиться
box-771 Опубликовано 4 Февраля, 2014 в 12:28 Жалоба Поделиться Опубликовано 4 Февраля, 2014 в 12:28 Есть несколько вопросов по теме,досталась мне плата усилителя наушников от Маяк 231 решил подключить её отдельно,всё в порядке всё работает но вот вопрос,как считаете,стоит ли менять стоящие там трубчатые керамические конденсаторы на какие нибудь другие или лучше оставить как есть и второй вопрос,на выходе я поставил 100 ом так мне показалось получше,а можно вообще без выходного резистора,какую роль он там выполняет Ссылка на комментарий Поделиться на другие сайты Поделиться
yrk Опубликовано 4 Февраля, 2014 в 13:10 Жалоба Поделиться Опубликовано 4 Февраля, 2014 в 13:10 (изменено) а можно вообще без выходного резистора,какую роль он там выполняет На сколько помню, по даташиту м/с работает от 200 Ом. Сопротивление наушников + добавочное сопротивление. Изменено 4 Февраля, 2014 в 13:24 пользователем yrk Ссылка на комментарий Поделиться на другие сайты Поделиться
Рекомендуемые сообщения
Для публикации сообщений создайте учётную запись или авторизуйтесь
Вы должны быть пользователем, чтобы оставить комментарий
Создать учетную запись
Зарегистрируйте новую учётную запись в нашем сообществе. Это очень просто!
Регистрация нового пользователяВойти
Уже есть аккаунт? Войти в систему.
Войти