Гость panzerock Опубликовано 27 Февраля, 2013 в 21:43 Жалоба Поделиться Опубликовано 27 Февраля, 2013 в 21:43 (изменено) витая пара и правда обмедненная :smile: слух есть) музыкант немного... постараюсь прогнать через программу как время будет. На счет того что тихо это я погорячился.. Хватает и даже очень. да и еще.. Ввиду кончины сенхайзеров заказал Panasonic RP-HTF890 с сопротивлением 50Ом как будет сопрягаться с ними усилитель? Изменено 27 Февраля, 2013 в 21:45 пользователем panzerock Ссылка на комментарий Поделиться на другие сайты Поделиться
Гость victors Опубликовано 28 Февраля, 2013 в 06:15 Жалоба Поделиться Опубликовано 28 Февраля, 2013 в 06:15 Можно измерить выходное напряжение, при работе от того источника питания, с которым будет эксплуатироваться усилитель, и поделить его на максимальный выходной ток, указанный в даташите на эту микросхему. Если получится больше 50 Ом - подключать можно. Если меньше - тоже можно но есть риск выхода из строя или ухудшения качества звука из за постоянной перегрузки. Ссылка на комментарий Поделиться на другие сайты Поделиться
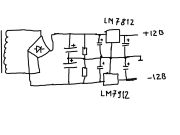
Гость panzerock Опубликовано 28 Февраля, 2013 в 10:26 Жалоба Поделиться Опубликовано 28 Февраля, 2013 в 10:26 (изменено) Можно измерить выходное напряжение, при работе от того источника питания, с которым будет эксплуатироваться усилитель, и поделить его на максимальный выходной ток, указанный в даташите на эту микросхему. Если получится больше 50 Ом - подключать можно. Если меньше - тоже можно но есть риск выхода из строя или ухудшения качества звука из за постоянной перегрузки. на данный момент с питанием проблемы.. после двухполупериудного выпрямителя с удвоением выходит ±40В, потом две пары электролитических конденсаторов и стабилитроны на 12 В. т.е. на саму схему приходит 12В. Но! до ног микросхем доходит всего ±8! напруга просела? в честь чего? с таким напряжением при максимально допустимом выходном токе 300мА можно подключать только 24Ом... буду подбирать стабилитроны чтобы поднять напругу до 15В.. да и еще.. пойдет такой делитель для измерений? habrahabr.ru/post/138448/ Изменено 28 Февраля, 2013 в 11:19 пользователем panzerock Ссылка на комментарий Поделиться на другие сайты Поделиться
Chugunov Опубликовано 28 Февраля, 2013 в 12:40 Жалоба Поделиться Опубликовано 28 Февраля, 2013 в 12:40 на данный момент с питанием проблемы.. после двухполупериудного выпрямителя с удвоением выходит ±40В, потом две пары электролитических конденсаторов и стабилитроны на 12 В. т.е. на саму схему приходит 12В. Но! до ног микросхем доходит всего ±8! напруга просела? в честь чего? с таким напряжением при максимально допустимом выходном токе 300мА можно подключать только 24Ом... буду подбирать стабилитроны чтобы поднять напругу до 15В.. да и еще.. пойдет такой делитель для измерений? habrahabr.ru/post/138448/ Кто подсказал поставить стабилитроны (стекляшки???) и питать этот усилитель от выпрямителя ±40 В, да еще с удвоением? Чудовищно неграмотное решение. Что за стабилитроны, какой у них рабочий ток? На 99,9% этот ток меньше, чем потребляемый усилителем. Если "танцевать надо от печки", то расчет усилителя (хотя бы на пальцах или в уме) начинают С ПИТАНИЯ! Итак, если есть желание исправить хотя бы грубые ошибки, в студию: - данные трансформатора с указанием напряжения вторичных обмоток (хорошо бы и тока на который они расчитаны), - существующую схему стабилизатора на ± 15 В и схему удвоителя на ± 40 В. А там будем думать. Уверен, все можно сделать проще и лучше. Неплохо запастить микросхемами LM317, LM337 или их аналогами (советские - КР142ЕН12 и КР142ЕН18) не в малявочном корпусе. На счет делителя - не вижу смысла делать такую конструкцию, простой делитель, ну максимум с переключателемна два положения, куда проще. Надо прикинуть с чего будет подаваться сигнал и исходить из того, что напряжение на линейном входе звуковой карты должно быть никогда не более 1 вольта, но и желательно не менее 0,1 вольта. Так, если снимаем его с усилителя у которого питание УМЗЧ ±25 вольт, делаем делитель 1:20, например, два резистора - 1 кОм и 20 кОм (грубо). Параллельно резистору 1 кОм с которого снимается напряжение на вход звуковой карты, можно влепить цепочку из двух стабилитронов на 3 вольта, включенных последовательно и встречно друг другу. Ссылка на комментарий Поделиться на другие сайты Поделиться
Гость panzerock Опубликовано 28 Февраля, 2013 в 20:10 Жалоба Поделиться Опубликовано 28 Февраля, 2013 в 20:10 (изменено) выпрямитель однополупериодный! ошибся.. стабилитроны д814д.. про ток стабилизации не подумал.. вообще БП лепил из того что было.. трансформатор неизвестный.. на единственной вторичке 40В. ватт на 5... Выпрямитель: стабилизация: резисторы заменил на 2КОм.. прекрасно понимаю, что в идеале надо покупать транс 2х12В, но такой надо еще поискать(( На местной барахолке нашел ТП-112-10 2х14В, 0.25А. пойдут для нормального блока? Изменено 28 Февраля, 2013 в 20:35 пользователем panzerock Ссылка на комментарий Поделиться на другие сайты Поделиться
Гость victors Опубликовано 28 Февраля, 2013 в 20:18 Жалоба Поделиться Опубликовано 28 Февраля, 2013 в 20:18 (изменено) Я использую такой делитель (два - по одному для каждого канала): Вход от источника сигнала - 75КОм - 8,2КОм - 910 Ом - Общий провод. Выход к звуковой карте (её входу) от "горячего" вывода резистора 910 Ом. Кроме того, резистор 910 Ом, для профилактики, зашунтирован двумя, встречно включёнными стабилитронами КС139, а резистор 75КОм можно замыкать перемычкой. Получается делитель 100:1 (75КОм не замкнут) или 10:1 (75 КОм замкнут) Сигнал, при измерении уровня искажений подаю с линейного выхода звуковой карты, а при измерении NC параметров динамиков, с УМ на TDA1517 (так получилось можно использовать любой, мощностью от 2Вт) На схеме, в посте 29, резисторы должны стоять перед стабилитронами. Но это всё равно криво. Лучше собрать простейший стабилизатор на транзисторе и стабилитроне (два - для положительного и отрицательного напряжений), а ещё лучше поставить два интегральных стабилизатора, как советовал Chugunov. Трансформатор заменять НЕ надо ( для "ушного УМЗЧ мощности и так хватит) - за диодами уже стоят конденсаторы 2200 мк, за ними ещё поставить любой стабилизатор, двухполярный, но не стабилитроны. Будет +/- 15В (или 12В)- подключать ИС УМ и слушать. Скорее всего фона не будет (проверять при закороченном входном резисторе). Тогда давать сигнал и слушать снова, как играет. По такой схеме (однополупериодный выпрямитель, с одной обмоткой и 2х2200 μF) китайцы делают большинство компьютерных ААС, включая 2.1 на TDA2030 и др. ИС УМ с двухполярным питанием и те не гудят, а играют под стать стоимости - покупают их охотно. Изменено 28 Февраля, 2013 в 20:32 пользователем victors Ссылка на комментарий Поделиться на другие сайты Поделиться
Гость panzerock Опубликовано 28 Февраля, 2013 в 20:38 Жалоба Поделиться Опубликовано 28 Февраля, 2013 в 20:38 и все же.. думаю поменять транс.. на барахолке местной по 100 руб 3 шт ТП-112-10 2х14В, 0.25А продают... думаю это будет более солидно.. и ромодить ничего не надо.. Ссылка на комментарий Поделиться на другие сайты Поделиться
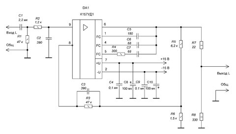
Chugunov Опубликовано 28 Февраля, 2013 в 20:56 Жалоба Поделиться Опубликовано 28 Февраля, 2013 в 20:56 На местной барахолке нашел ТП-112-10 2х14В, 0.25А. пойдут для нормального блока? Ну раз одна обмотка, тогда такое удвоение вынужденное, ладно. А то я думал (информации-то не было), что две обмотки плюс умножение... Фигово то, что после выпрямителя на конденсаторах ± 40 В - это многовато для LM. Надо как-то снизить напряжение до допустимого для LM. Или низкоомные резисторы поставить, или вместо 2200 мкФ по 220 поставить (с обязательными LM и емкостями после них). Стабилитрон д814д имеет на память 30...40 мА максимум, да и то не был выставлен. Конечно, можно сделать стабилизатор, но пара LM проще и лучше. Трансформатор ТП-112-10 2х14В, 0.25А пойдет, 100р - не деньги, можно попробовать, но купить лучше пару. Из них получится ±12 В стаб. - достаточно. Плюс - нагрева не будет, LM наверное и без теплоотвода будут работать или с крохотным. Да, наверное, это выход, в крайнем случае такие трансформаторы всегда пригодятся. После отладки питания, можно будет заняться и К157УД1. кстати, с этим блоком питания можно будет и другие усилители попробовать. Блок питания - половина дела. Ссылка на комментарий Поделиться на другие сайты Поделиться
Гость panzerock Опубликовано 28 Февраля, 2013 в 21:41 Жалоба Поделиться Опубликовано 28 Февраля, 2013 в 21:41 (изменено) Ну раз одна обмотка, тогда такое удвоение вынужденное, ладно.А то я думал (информации-то не было), что две обмотки плюс умножение... Фигово то, что после выпрямителя на конденсаторах ± 40 В - это многовато для LM. Надо как-то снизить напряжение до допустимого для LM. Или низкоомные резисторы поставить, или вместо 2200 мкФ по 220 поставить (с обязательными LM и емкостями после них). Стабилитрон д814д имеет на память 30...40 мА максимум, да и то не был выставлен. Конечно, можно сделать стабилизатор, но пара LM проще и лучше. Трансформатор ТП-112-10 2х14В, 0.25А пойдет, 100р - не деньги, можно попробовать, но купить лучше пару. Из них получится ±12 В стаб. - достаточно. Плюс - нагрева не будет, LM наверное и без теплоотвода будут работать или с крохотным. Да, наверное, это выход, в крайнем случае такие трансформаторы всегда пригодятся. После отладки питания, можно будет заняться и К157УД1. кстати, с этим блоком питания можно будет и другие усилители попробовать. Блок питания - половина дела. а зачем пару? там же две обмотки... на выходе должно получиться ±14*1,4... на будущее планирую семигор.. да и стабилизация обязательна? если оставить то что получится после диодного моста ну естественно с фильтром? Изменено 28 Февраля, 2013 в 22:45 пользователем panzerock Ссылка на комментарий Поделиться на другие сайты Поделиться
Гость rubenlukin Опубликовано 28 Февраля, 2013 в 23:09 Жалоба Поделиться Опубликовано 28 Февраля, 2013 в 23:09 _https://datagor.ru/amplifiers/chipamps/344-usilitel-iz-togo-chto-bylo-ili-utc2030tl082-s.html Тут о "виртуальной массе", раз напряжения много. Ссылка на комментарий Поделиться на другие сайты Поделиться
Гость borman Опубликовано 28 Февраля, 2013 в 23:26 Жалоба Поделиться Опубликовано 28 Февраля, 2013 в 23:26 выпрямитель однополупериодный! ошибся..стабилитроны д814д.. про ток стабилизации не подумал.. вообще БП лепил из того что было.. трансформатор неизвестный.. на единственной вторичке 40В. ватт на 5... Выпрямитель: Зачем такие сложности? Виртуальная земля - и все. С обмотки 40 В переменки, после диодного моста 55 постоянки. Два конденсатора по 1000 μF делят его примерно на два плеча по 28 вольт, два резистора по 10 кОм улучшают равность напряжений в плечах. Потом два стабилизатора на положительное и отрицательное напряжение - и вуаля, имеем среднюю точку и два плеча по 12 вольт. Правда LM-ки желательно защитными диодами обвесить. Ссылка на комментарий Поделиться на другие сайты Поделиться
Гость panzerock Опубликовано 1 Марта, 2013 в 09:57 Жалоба Поделиться Опубликовано 1 Марта, 2013 в 09:57 (изменено) большее спасибо! такой схемы не видел! но про виртуальную землю читал, отзываются плохо... на будущее учту а так наверно поменяю все таки транс.. Изменено 1 Марта, 2013 в 09:57 пользователем panzerock Ссылка на комментарий Поделиться на другие сайты Поделиться
Рекомендуемые сообщения
Для публикации сообщений создайте учётную запись или авторизуйтесь
Вы должны быть пользователем, чтобы оставить комментарий
Создать учетную запись
Зарегистрируйте новую учётную запись в нашем сообществе. Это очень просто!
Регистрация нового пользователяВойти
Уже есть аккаунт? Войти в систему.
Войти