Гость marat-209 Опубликовано 19 Ноября, 2009 в 16:54 Жалоба Поделиться Опубликовано 19 Ноября, 2009 в 16:54 Можно ли в Усилитель можности TDA7560 по этой схеме вставить схему управлением режимами ST-BY и MUTE по схеме от TDA7293 Ссылка на комментарий Поделиться на другие сайты Поделиться
Гость ded mazay Опубликовано 20 Ноября, 2009 в 13:40 Жалоба Поделиться Опубликовано 20 Ноября, 2009 в 13:40 Если я не ошибаюсь, то для ТДА7293...96 это скорее цепь для мягкого включения, а не управления режимами. Чтоб исключить щелчки/хлопки в динамиках при включении. Судя по схеме в ТДА7560 управление режимами осуществляется от "+" питания, как и в ТДА7293. Так почему бы и не собрать?:smile: На сайте AudioKillerа хорошо расписано про использование этих цепей для мягкого включения. Ссылка на комментарий Поделиться на другие сайты Поделиться
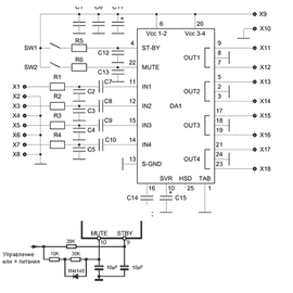
misol62 Опубликовано 21 Ноября, 2009 в 08:03 Жалоба Поделиться Опубликовано 21 Ноября, 2009 в 08:03 Уважаемые форумчане! Подскажите, кто знает, как правильно делать разводку управления вкл/выкл ST-BY/MUTE. Столкнулся с той же проблемой, что и автор темы, только с другой микрухой TDA7265. В интернете попалась схема с подачей "-", а не "+". Может из знающих кто-нибудь прокоментирует данное подключение? Ссылка на комментарий Поделиться на другие сайты Поделиться
Datagor Опубликовано 21 Ноября, 2009 в 17:09 Жалоба Поделиться Опубликовано 21 Ноября, 2009 в 17:09 Можно ли в Усилитель можности TDA7560 по этой схеме вставить схему управлением режимами ST-BY и MUTE по схеме от TDA7293Ради всех ТДАшек в мире - зачем это нужно???Может Вы суть вопроса не внятно сформулировали? Объясните поподробнее! Чем Вас не устраивает типичная схема и чем так понравилась чужая? И что за АВТО-управление? Уважаемые форумчане! Подскажите, кто знает, как правильно делать разводку управления вкл/выкл ST-BY/MUTE. Столкнулся с той же проблемой, что и автор темы, только с другой микрухой TDA7265. В интернете попалась схема с подачей "-", а не "+". Может из знающих кто-нибудь прокоментирует данное подключение? Перевод (С) мой стр.6 даташита по TDA7265: MUTE и STAND-BY функции Состояние усилителя управляется напряжением на ноге 5 (Vpin5) относительно + питания м/с (+Vs). 1) Vpin5 выше, чем +Vs - 2.5V даёт нам СтандБай 2) Vpin5 в промежутке между +Vs - 2.5V и +Vs - 6V даёт нам Мьют 3) Vpin5 ниже, чем +Vs - 6V даёт рабочий режим Плай Переведя с олбанского получаем - цепляйте на землю и будет вам Плай. Мне очень интересно, зачем вам вообще все эти СтандБаи и Мути? Особенно если учесть, что TDA7265 не страдает хлопками при коммутации питания. А еще лучше - читайте даташит - там и схема ваших мутей и печатка. Ссылка на комментарий Поделиться на другие сайты Поделиться
Гость marat-209 Опубликовано 24 Ноября, 2009 в 14:53 Жалоба Поделиться Опубликовано 24 Ноября, 2009 в 14:53 Насчет TDA7560 понял. Есть ещё вопросик по TDA7293 соедененных паралельно, слышал что они часто выходят из строя при паралельном соеденение и поэтому динамик надо подключать серез 3-5 секунд, поможет ли эта схема при включение усилителя? Ссылка на комментарий Поделиться на другие сайты Поделиться
Datagor Опубликовано 24 Ноября, 2009 в 19:15 Жалоба Поделиться Опубликовано 24 Ноября, 2009 в 19:15 По TDA7293 соедененных паралельно - это большая отдельная тема. Нужны ответы - создавайте. За одно напишите там, сколько Вы собрали не мостовых схем на TDA7293, что решились взяться за мосты? Эта тема закрыта. Ссылка на комментарий Поделиться на другие сайты Поделиться
Рекомендуемые сообщения