Перейти к содержанию

Комутатор для усилителя


Рекомендуемые сообщения

Тогда надо искать поляризованные реле типа РПС - они переключаются коротким импульсом и потом сколько угодно долго сидят в этом положении до подачи следующего импульса.

Тогда управление можно будет реализовать кнопками, а не переключателями.

Ссылка на комментарий
Поделиться на другие сайты

  • Ответов 83
  • Создана
  • Последний ответ

Топ авторов темы

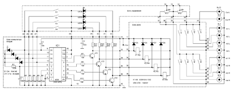
В своём усилке применил схему взятую из журнала "Вестник А.Р.А." №1, статья "Контактно-резисторный коммутатор входов" Д. Андронникова (пред. использовал немного другой). Недостаток в том, что он имеет малый коэффициент передачи. Реле использовал дешевые TIANBO на 5V, результатом доволен. Если нужно могу прислать статью.

post-45-1232555230_thumb.jpg

Ссылка на комментарий
Поделиться на другие сайты

to tank:

Вот на фото РЭС-60 (а ещё РЭС-80!) - очень правильное по звуку. А те, что попадались в золотистых лакированных корпусах (РЭС-47, РЭС-60, РПС-34) - звук грязный. Разбирал - контакты из белого металла (у РЭС-60 "в эмали" и "с ромбиком" - контакты из золота).

 

Реле РЭС-47 не подойдет для коммутатора. По справочнику, время нахождения обмотки под напряжением всего 10 секунд. Это проверено. Если держать дольше, реле перегревается.

В промышленной технике видел своими глазами реализацию с понижением тока удержания в несколько раз, именно для этих реле, реле были под напряжением подолгу. Техника не бытовая. СССР.

 

Тогда надо искать поляризованные реле типа РПС - они переключаются коротким импульсом и потом сколько угодно долго сидят в этом положении до подачи следующего импульса.

Тогда управление можно будет реализовать кнопками, а не переключателями.

К сожалению, те, что попались мне , РПС-34А и РПС-34Б, хоть и обладали такими волшебными свойствами переключаться, но в звуковом тракте вели себя преотвратительно. Отказался.

Ссылка на комментарий
Поделиться на другие сайты

Верю, конечно, но уж больно алхимией отдаёт или парафизикой. Что там у вас между контактами: ёмкость, индуктивность, р-п переход?

Ссылка на комментарий
Поделиться на другие сайты

Никакой алхимии или парафизики здесь нет. Влияет переходное сопротивление контактов. А в некоторых случаях, при пленке окиси на контакте, может появиться и P-N переход.

Ссылка на комментарий
Поделиться на другие сайты

Хотите хороших контактов - ищите реле РЭС-9 с паспортами РС4.524.201 .202 .208

У них контакты тоже белого цвета, но это платино-иридиевый сплав. По паспорту выдерживают до 1миллиона переключений.

_https://sound.datagor.ru/spravochniy-listok-rele-res-9-r99.htm

post-44-1232652043.gif

Ссылка на комментарий
Поделиться на другие сайты

  • 2 недели спустя...

Долго я не заходил на эту тему, а тут такая интересная дискусия :smile: ! Я уже начал рисовать печетную плату под РЭС 47, но прочитав всё по данной теме, приостановил процесс. Опять начал рытся в шкавчиках, коробочках, пакетиках......... Нашёл 4шт РЭС 9, но с паспортами РС4.524.204... и РС4.524.200... На каждом ромбик или ВП. Подойдут ли эти рэле "для звука"?

Ссылка на комментарий
Поделиться на другие сайты

Для справки (с сайта одного из российских заводов по переработке лома драгметаллов) о золоте и драгметаллах в реле: см. вложение.

От себя: хорошо показали себя РЭС60, ВП крашенные в серый цвет - ребята выше об них говорили. Хотя, как бы возвращаясь к началу темы, у меня в немецком усе SABA MI212 стоит именно филлипсовская TDA1029, 1985 года рождения, так я очень доволен звуком этого уся - радует ведь! Хоть и однополярное питание преда и 8 (восемь!) проходных конденсатора в тракте уся - причем 4 из них - электролиты.

_золотые_Реле.doc

Ссылка на комментарий
Поделиться на другие сайты

В общем ,я так понял, пока на своей шкуре не испытаеш - ничего не поймеш :smile: . Буду собирать все варианты комутации на макетной плате и слушать разницу. :smile:

Ссылка на комментарий
Поделиться на другие сайты

Для публикации сообщений создайте учётную запись или авторизуйтесь

Вы должны быть пользователем, чтобы оставить комментарий

Создать учетную запись

Зарегистрируйте новую учётную запись в нашем сообществе. Это очень просто!

Регистрация нового пользователя

Войти

Уже есть аккаунт? Войти в систему.

Войти
  • Последние посетители   0 пользователей онлайн

    • Ни одного зарегистрированного пользователя не просматривает данную страницу

×
×
  • Создать...