Гость tubeamplifier Опубликовано 2 Сентября, 2009 в 15:35 Жалоба Поделиться Опубликовано 2 Сентября, 2009 в 15:35 (изменено) Посмотрите на прикрепеного архива книга для радиолампьй. Я думаю схемка на ГМ-70 каторая покажена в книжке будеть работать. Кто вьй думаете. Поздравляю. Эта книга есть в библиотеке на портале найти ее можно по адресу https://datagor.ru/e-books-for-me/239-lampo....-toropkin.html Я оставил только две страницы с интересующей нас схемой. TANk Изменено 2 Сентября, 2009 в 19:39 пользователем tubeamplifier Ссылка на комментарий Поделиться на другие сайты Поделиться
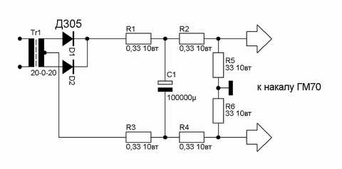
Гость avgur Опубликовано 2 Сентября, 2009 в 19:19 Жалоба Поделиться Опубликовано 2 Сентября, 2009 в 19:19 (изменено) :smile: SE Манакова А.И.6Э5П+ГМ70.Разумеется будет,да еще как!Кто её повторял отмечали великолепное звучание и оригинальный способ подавления "шума"ГМ70,включением двух диодов в катодную цепь.Вы ж читали.Хотя есть немало людей ,которые Очень советуют подавать на анод ГМ70 не менее 1000В и даже 1400В-только тогда она раскрывается "во всей своей красе". (Офф:я Вас нашёл :smile: почитываю,регулярно_https://www.bgaudioclub.org/forum/viewforum.php?f=14&topicdays=0&start=0&sid=8be2f9b5b5682a951e7df870532e28c5) Изменено 2 Сентября, 2009 в 20:02 пользователем avgur Ссылка на комментарий Поделиться на другие сайты Поделиться
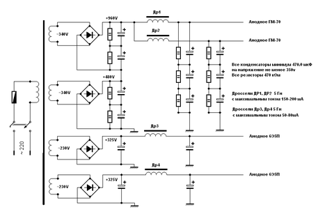
TANk Опубликовано 2 Сентября, 2009 в 19:45 Жалоба Поделиться Опубликовано 2 Сентября, 2009 в 19:45 Митко сообщил мне данные своих силовых трансформаторов. Я сделал заявку на торах для питание усила и получил вот такие трансиках.1. Анодньй. Вторичка 2 х 340 в. / 0,4 А Вторичка 2 х 230 в. / 0,2 А 2.Для подгрева. Вторичка - 20 в. / 4 А. Вторичка - 20 в. / 4 А. Вторичка - 2 х 6,3 в. / 2 А Вторичка - 6,3 в. / 1 А. На таком трансформаторе я бы сделал блок питания для этого усилителя по такой вот схеме. Анодное для ГМ-70 получается примерно 950 вольт. Я нарисовал только источник анодного напряжения. Надо будет еще подумать откуда и как взять отрицательное напряжение порядка 120в для источника смещения. Ссылка на комментарий Поделиться на другие сайты Поделиться
Гость tubeamplifier Опубликовано 3 Сентября, 2009 в 04:23 Жалоба Поделиться Опубликовано 3 Сентября, 2009 в 04:23 (изменено) Митко сообщил мне данные своих силовых трансформаторов. На таком трансформаторе я бы сделал блок питания для этого усилителя по такой вот схеме. Анодное для ГМ-70 получается примерно 950 вольт. Я нарисовал только источник анодного напряжения. Надо будет еще подумать откуда и как взять отрицательное напряжение порядка 120в для источника смещения. Вот так взглядить мой анодньй трансик. Когда я пишу 2 х ...... В. ,я хочи сказать есть у трансика средней точек. Изменено 3 Сентября, 2009 в 04:24 пользователем tubeamplifier Ссылка на комментарий Поделиться на другие сайты Поделиться
Гость avgur Опубликовано 3 Сентября, 2009 в 09:03 Жалоба Поделиться Опубликовано 3 Сентября, 2009 в 09:03 (изменено) Возможно Вам пригодится эта информация,чтобы Вы не искали в "дебрях"- Режим от Александра"Rezvoy"с АП(_https://audioportal.su/forums/member.php?u=694): ГМ-70 Uа=1100В Iа=100мА Uсм=-105В(примерно) ,накал выпрямленный 22В , 2В гасятся резистором. Выходной тр-р, железо- Ш32х95 : Sэф=27,36см2 lс=32,45см lо=40,92см Параметры тр-ра для Rа=8,4к , Ri=1,4к, Rн=8Ом ,fн ном25вт=20Гц, fв-2дб=22 кГц ,Ls=0,054Гн , Ктр=0,0325. Первичная 400-800-800-800-800-400 витк. ∅ 0,33мм Вторичная 92(4Ом)-112(6Ом)-130(8Ом) ∅0,51мм 5 обмоток в параллель. Толщина обмоток с прокладками ориентировочно 27-32 мм. Советую межобмоточные прокладки сделать потолще для уменьшения паразитной емкости. Рекомендую намотать НЧ обмотку с отводами (отводов можно побольше и чило витков тоже-для согласования с НЧ звеном) пров. ∅ 1,5мм.- 0-77-92(4Ом)--112(6Ом)-130(8Ом)-154 Расчетные параметры : L(100мА)=50Гн, Ls=0,024Гн,Ктр=0,0325,В(20Гц, 720В)=5000Гс, fн-2дб=6Гц ,КПД=0,9. Александр. Изменено 3 Сентября, 2009 в 09:07 пользователем avgur Ссылка на комментарий Поделиться на другие сайты Поделиться
Гость sergey8401 Опубликовано 3 Сентября, 2009 в 14:15 Жалоба Поделиться Опубликовано 3 Сентября, 2009 в 14:15 Под ГМ-70 нужен выходной трасформатор с очень качественной межслойной изоляцией. Да и габаритов немалых. У меня первый трансформатор для SE ГМ70 на ОСМ1- 0.4 пробил через катушку на железо, на аноде было 1250В ток 100мА. Ссылка на комментарий Поделиться на другие сайты Поделиться
Гость tubeamplifier Опубликовано 3 Сентября, 2009 в 14:15 Жалоба Поделиться Опубликовано 3 Сентября, 2009 в 14:15 Вот так взглядить мои железа для вьйходника. Ш40 х 60 Габарит - 250 Ватт. Ссылка на комментарий Поделиться на другие сайты Поделиться
Гость avgur Опубликовано 3 Сентября, 2009 в 18:47 Жалоба Поделиться Опубликовано 3 Сентября, 2009 в 18:47 (изменено) Вот так взглядить мои железа для вьйходника.Ш40 х 60 Габарит - 250 Ватт. А не маловато? для "Королевы Триодов"-то будет. Режим Шалина"Вообще, по моим наблюдениям, самый лучший режим ГМ70, когда её загоняют в высокое анодное - 1300-1500 вольт. Тогда звучание теряет "вязкость" и появляется "полёт", т.е. звуки свободно "порхают" в пространстве. К слову, 211-я "порхает" уже при 900 вольтах на аноде. В этом смысле она проще реализуема. Но звук ГМ70 при 1400в на аноде убивает 211-ю наповал. Включал так : 1400в, 85ма, -145 на сетке, нагрузка - 10 кОм. Мощность в"А"(под вопросом) была 48 вт. Драйвер - на 6П9.Режимы были такие :280в, 30ма, -10в на сетке, в аноде транс. Усиление в этом режиме - 20-22, крутизна 10,5-11.Вообще все лампы в металле играют очень хорошо. Это 6П9, 6Ж3, 6Ж4, 6Ж7, 6Ж8, 6Г1, 6Г2, 6Г7, 6Ф5 и др. Для раскачки ГМ70 лучше прочих, на мой взгляд, 6Ж4. Её звуковая сигнатура хорошо сочетается с таковой у ГМ70, получается довольно сбалансированный звук."Алексей Шалин. Изменено 3 Сентября, 2009 в 18:48 пользователем avgur Ссылка на комментарий Поделиться на другие сайты Поделиться
TANk Опубликовано 3 Сентября, 2009 в 18:50 Жалоба Поделиться Опубликовано 3 Сентября, 2009 в 18:50 С учетом поправки по конструкции анодного трансформатора схему подправил. Ссылка на комментарий Поделиться на другие сайты Поделиться
Гость tubeamplifier Опубликовано 4 Сентября, 2009 в 03:58 Жалоба Поделиться Опубликовано 4 Сентября, 2009 в 03:58 Так - все понял ,ала какие моточние данньй на трансик будет для работать с етого блок питания и с такие железа кто у мене. Спосибо товарищи. Ссылка на комментарий Поделиться на другие сайты Поделиться
Гость sergey8401 Опубликовано 4 Сентября, 2009 в 17:52 Жалоба Поделиться Опубликовано 4 Сентября, 2009 в 17:52 Экспериментировал с ГМ70, питающий у меня на два канала ОСМ1-0.63, анодное получается 1250В по схеме удвоения на запаралеленных 5Ц3С, емкости МБГВ (640мкФ), накалы ГМ70 выпрямлены, выходные трансформаторы на железе от ОСМ1-0.4 приведенное сопротивление 8кОм. Предусилитель и драйвер в отдельном корпусе (6С3П+6Н6П). Эксперимент остановился на стадии выбора способа раскачать ГМ70 ее огромное смещение, около -120В, требует нетривиального ращения. На фото результаты эксперимента в железе. С уважением Сергей. Ссылка на комментарий Поделиться на другие сайты Поделиться
Гость avgur Опубликовано 4 Сентября, 2009 в 20:04 Жалоба Поделиться Опубликовано 4 Сентября, 2009 в 20:04 (изменено) Экспериментировал с ГМ70, питающий у меня на два канала ОСМ1-0.63,анодное получается 1250В по схеме удвоения на запаралеленных 5Ц3С,емкости МБГВ (640мкФ), накалы ГМ70 выпрямлены, выходные трансформаторы на железе от ОСМ1-0.4 приведенное сопротивление 8кОм. Предусилитель и драйвер в отдельном корпусе (6С3П+6Н6П). Эксперимент остановился на стадии выбора способа раскачать ГМ70 ее огромное смещение, около -120В, требует нетривиального ращения. На фото результаты эксперимента в железе. С уважением Сергей. Молодец! :smile: Я так понял он ещё не "поёт"?Какая акустика для него?Фон побежден?Измерения какие-либо были? Изменено 4 Сентября, 2009 в 20:09 пользователем avgur Ссылка на комментарий Поделиться на другие сайты Поделиться
Рекомендуемые сообщения
Для публикации сообщений создайте учётную запись или авторизуйтесь
Вы должны быть пользователем, чтобы оставить комментарий
Создать учетную запись
Зарегистрируйте новую учётную запись в нашем сообществе. Это очень просто!
Регистрация нового пользователяВойти
Уже есть аккаунт? Войти в систему.
Войти